рефераты бесплатно
рефераты бесплатно
Главная
Исторические личности
Журналистика
Зоология
Инвестиции
Информатика
История техники
Кибернетика
Коммуникация и связь
Косметология
Криминалистика
Криминология
Кулинария
Культура и искусство
Культурология
Международное публичное право
Международное частное право
Международные отношения
Менеджмент
Металлургия
Налогообложение
Наука и техника
Сельское лесное хозяйство и землепользование
Социальная работа
Социология и обществознание
Спорт и туризм
Строительство и архитектура
Таможенная система
Транспорт

Курсовая работа: Система управления положением бортового прожектора вертолёта


Курсовая работа: Система управления положением бортового прожектора вертолёта

Пояснительная записка к курсовому проекту по дисциплине системы автоматического управления

Выполнил студент гр. 3410 Набиуллин А.Х.

Казанский Государственный Технический Университет им. А. Н. Туполева

Казань, 2006

Задание на курсовой проект

Необходимо разработать двухкоординатную систему дистанционного управления бортовым прожектором вертолёта в соответствии с техническими требованиями.

Технические требования представлены в таблице 1.

Таблица 1.

Параметры прожектора Обозначение Значение
Габариты прожектора, мм

Система управления положением бортового прожектора вертолёта

150×200
Масса прожектора, кг

Система управления положением бортового прожектора вертолёта

2
Размеры органа управления

Система управления положением бортового прожектора вертолёта

70×35
Источник питания, В

Система управления положением бортового прожектора вертолёта

36(400)
Время переходного процесса, сек

Система управления положением бортового прожектора вертолёта

0.15
Динамическая ошибка, %

Система управления положением бортового прожектора вертолёта

10
Диапазоны регулирования:
по азимуту, град

Система управления положением бортового прожектора вертолёта

±180
по углу места, град

Система управления положением бортового прожектора вертолёта

+5, -90
Максимальное время перемещения в пределах полного диапазона, сек

Система управления положением бортового прожектора вертолёта

2

Система управления положением бортового прожектора вертолёта

1.8

Задание:

Построить математическую модель объекта (считая прожектор однородным телом).

Выбрать тип приводного двигателя и передаточное число редуктора, тип датчиков для органа управления.

Составить структурную схему каждого канала системы с указанием передаточных функций звеньев.

Синтезировать регулятор для каждого канала.

Разработать электрическую схему системы, включая регуляторы.

Конструкторская часть – по согласованию с преподавателем.

1. Построение математической модели объекта управления.

На рис.1 представлена схема бортового прожектора.

Система управления положением бортового прожектора вертолёта

Рис.1 Схема бортового прожектора

Построим математическую модель системы методом Лагранжа.

В целях упрощения математической модели накладываем на систему некоторые допущения:

Все тела системы абсолютно жесткие;

Люфты в редукторе отсутствуют.

Запишем уравнения Лагранжа по следующей формуле

Система управления положением бортового прожектора вертолёта.

Здесь:

Система управления положением бортового прожектора вертолёта - сумма кинетических энергий всех тел системы,

Система управления положением бортового прожектора вертолёта - обобщенная координата,

Система управления положением бортового прожектора вертолёта - обобщенная сила инерции,

Система управления положением бортового прожектора вертолёта- обобщенная скорость.

Число степеней свободы рассматриваемой системы равно двум.

За обобщённые координаты принимаем угловые перемещения прожектора вокруг осей x и y. Таким образом, Система управления положением бортового прожектора вертолёта.

Запишем кинетические энергии системы.

Запишем кинетическую энергию второго двигателя

Система управления положением бортового прожектора вертолёта,

где: Система управления положением бортового прожектора вертолёта - передаточное отношение второго редуктора; Система управления положением бортового прожектора вертолёта - момент инерции второго двигателя.

Запишем кинетическую энергию вилки

Система управления положением бортового прожектора вертолёта,

где: Система управления положением бортового прожектора вертолёта - момент инерции вилки.

Запишем кинетическую энергию первого двигателя.

Система управления положением бортового прожектора вертолёта,

где: Система управления положением бортового прожектора вертолёта - передаточное отношение первого двигателя; Система управления положением бортового прожектора вертолёта - момент инерции первого двигателя; Система управления положением бортового прожектора вертолёта - масса первого двигателя; Система управления положением бортового прожектора вертолёта - расстояние от центра масс первого двигателя до оси Система управления положением бортового прожектора вертолёта.

Запишем кинетическую энергию прожектора

Система управления положением бортового прожектора вертолёта,

где: Система управления положением бортового прожектора вертолёта - момент инерции прожектора вокруг оси Система управления положением бортового прожектора вертолёта; Система управления положением бортового прожектора вертолёта - момент инерции прожектора вокруг оси Система управления положением бортового прожектора вертолёта.

Система управления положением бортового прожектора вертолёта,

где: Система управления положением бортового прожектора вертолёта - радиус прожектора; Система управления положением бортового прожектора вертолёта - длина прожектора.

Система управления положением бортового прожектора вертолёта.

Система управления положением бортового прожектора вертолёта.

Система управления положением бортового прожектора вертолёта.

Система управления положением бортового прожектора вертолёта.

Система управления положением бортового прожектора вертолёта

Запишем сумму кинетических энергий всех тел системы

Система управления положением бортового прожектора вертолёта

Система управления положением бортового прожектора вертолёта.

Система управления положением бортового прожектора вертолёта

Система управления положением бортового прожектора вертолёта;

Система управления положением бортового прожектора вертолёта;

Система управления положением бортового прожектора вертолёта;

Система управления положением бортового прожектора вертолёта.

Система управления положением бортового прожектора вертолёта

Система управления положением бортового прожектора вертолёта

Система управления положением бортового прожектора вертолёта.

Система управления положением бортового прожектора вертолёта

Определяем работы при малых приращениях

Система управления положением бортового прожектора вертолёта;

Система управления положением бортового прожектора вертолёта;

Система управления положением бортового прожектора вертолёта;

Система управления положением бортового прожектора вертолёта.

Ниже представлены уравнения Лагранжа для исследуемой системы

Система управления положением бортового прожектора вертолётаСистема управления положением бортового прожектора вертолёта

Система управления положением бортового прожектора вертолёта.

Проводим линеаризацию полученных уравнений.

Определяемся с номинальным движением

Система управления положением бортового прожектора вертолёта.

Принимем

Система управления положением бортового прожектора вертолёта,

где Система управления положением бортового прожектора вертолёта, Система управления положением бортового прожектора вертолёта - бесконечно малые приращения.

Система управления положением бортового прожектора вертолёта.

Система управления положением бортового прожектора вертолёта.

Система управления положением бортового прожектора вертолёта.

Система управления положением бортового прожектора вертолёта.

Система управления положением бортового прожектора вертолёта.

Система управления положением бортового прожектора вертолёта.

Система управления положением бортового прожектора вертолёта.

Система управления положением бортового прожектора вертолёта.

Система управления положением бортового прожектора вертолёта.

Подставляем полученные соотношения в уравнения Лагранжа.

Система управления положением бортового прожектора вертолёта

Система управления положением бортового прожектора вертолётаСистема управления положением бортового прожектора вертолёта

Система управления положением бортового прожектора вертолёта.

Принимаем

Система управления положением бортового прожектора вертолёта;

Система управления положением бортового прожектора вертолёта.

Переписываем уравнения относительно отклонений, оставляя только первый порядок малости

Система управления положением бортового прожектора вертолёта;

Система управления положением бортового прожектора вертолёта.

Получаем окончательные уравнения

Система управления положением бортового прожектора вертолёта;

Система управления положением бортового прожектора вертолёта.

2. Выбор типа приводного двигателя.

Требуемую мощность двигателя определяем по формуле

Система управления положением бортового прожектора вертолётаСистема управления положением бортового прожектора вертолёта,

где: Система управления положением бортового прожектора вертолёта - требуемый вращающий момент на выходном валу двигателя; Система управления положением бортового прожектора вертолёта - частота вращения объекта, приводимого в движение двигателем.

Система управления положением бортового прожектора вертолёта,

где: Система управления положением бортового прожектора вертолёта - момент инерции всех тел, приводящихся в движение двигателем; Система управления положением бортового прожектора вертолёта - угловое ускорение этих тел.

Зададим синусоидальное входное воздействие

Система управления положением бортового прожектора вертолёта;

Система управления положением бортового прожектора вертолёта;

Система управления положением бортового прожектора вертолёта.

Требуемую мощность двигателя будем вычислять по формуле

Система управления положением бортового прожектора вертолёта.

Вычисляем требуемую мощность первого двигателя

Система управления положением бортового прожектора вертолёта.

Система управления положением бортового прожектора вертолёта.

Система управления положением бортового прожектора вертолёта - для первого двигателя равняется половине диапазона регулирования по углу места.

Система управления положением бортового прожектора вертолёта.

Система управления положением бортового прожектора вертолёта.

Система управления положением бортового прожектора вертолёта.

По найденной требуемой мощности двигателя из справочной литературы был выбран двигатель ДПМ-25-Н1-04 со следующими характеристиками:

Система управления положением бортового прожектора вертолёта;

Система управления положением бортового прожектора вертолёта;

Система управления положением бортового прожектора вертолёта;

Система управления положением бортового прожектора вертолёта;

Система управления положением бортового прожектора вертолёта;

Система управления положением бортового прожектора вертолёта;

Система управления положением бортового прожектора вертолёта.

Вычисляем требуемую мощность второго двигателя.

Система управления положением бортового прожектора вертолёта

Вычисляем момент инерции вилки. Конструкция вилки упрощённо показана на рис. 2.

Система управления положением бортового прожектора вертолёта

Рис. 2 Схема вилки

Примерно определимся с размерами вилки.

Принимаем

Система управления положением бортового прожектора вертолёта;

Система управления положением бортового прожектора вертолёта;

Система управления положением бортового прожектора вертолёта;

Система управления положением бортового прожектора вертолёта;

Система управления положением бортового прожектора вертолёта

Вычисляем объём составных частей вилки

Система управления положением бортового прожектора вертолёта,

Система управления положением бортового прожектора вертолёта.

Вычисляем массы составных частей вилки

Система управления положением бортового прожектора вертолёта,

Система управления положением бортового прожектора вертолёта.

Момент инерции вилки найдём как сумму моментов инерции верхней части вилки и боковин.

Верхняя часть вилки показана на рис. 3.

Система управления положением бортового прожектора вертолёта

Рис.3 Верхняя часть вилки

Определяем момент инерции верхней части вилки, при этом пользуемся известной теоремой Штейнера-Гюйгенса

Система управления положением бортового прожектора вертолёта.

Система управления положением бортового прожектора вертолёта

Система управления положением бортового прожектора вертолёта.

Боковина вилки показана на рис.4.

Система управления положением бортового прожектора вертолёта

Рис.4 Боковина вилки

Определяем момент инерции боковины вилки

Система управления положением бортового прожектора вертолёта,

Система управления положением бортового прожектора вертолёта,

Система управления положением бортового прожектора вертолёта.

Определяем момент инерции вилки

Система управления положением бортового прожектора вертолёта.

Масса вилки

Система управления положением бортового прожектора вертолёта.

Система управления положением бортового прожектора вертолёта.

Система управления положением бортового прожектора вертолёта.

Система управления положением бортового прожектора вертолёта.

По найденной требуемой мощности двигателя из справочной литературы был выбран двигатель ДПМ-25-Н1-07 со следующими характеристиками:

Система управления положением бортового прожектора вертолёта;

Система управления положением бортового прожектора вертолёта;

Система управления положением бортового прожектора вертолёта;

Система управления положением бортового прожектора вертолёта;

Система управления положением бортового прожектора вертолёта;

Система управления положением бортового прожектора вертолёта;

Система управления положением бортового прожектора вертолёта.

Вычисляем скорости вращения валов прожектора.

Вычисляем скорость вращения прожектора вокруг оси x.

Система управления положением бортового прожектора вертолёта

Система управления положением бортового прожектора вертолёта

Система управления положением бортового прожектора вертолёта

Система управления положением бортового прожектора вертолёта

Вычисляем скорость вращения прожектора вокруг оси z.

Система управления положением бортового прожектора вертолёта.

Система управления положением бортового прожектора вертолёта.

Система управления положением бортового прожектора вертолёта.

Система управления положением бортового прожектора вертолёта.

3. Составление структурных схем каналов системы, синтез регуляторов.

3.1 Составление структурной схемы первого канала, синтез регулятора.

Применим преобразование Лапласа к полученному уравнению Лагранжа

Система управления положением бортового прожектора вертолёта.

Система управления положением бортового прожектора вертолёта.

Структурная схема канала 1 показана на рис. 5.

Система управления положением бортового прожектора вертолёта

Рис.5 Структурная схема первого канала

На схеме обозначены:

Система управления положением бортового прожектора вертолёта;

Система управления положением бортового прожектора вертолёта;

Система управления положением бортового прожектора вертолёта;

Система управления положением бортового прожектора вертолёта;

Система управления положением бортового прожектора вертолёта;

Система управления положением бортового прожектора вертолёта;

Система управления положением бортового прожектора вертолёта.

Подставляем найденные значения в структурную схему.

На рис.6 представлена блок-схема первого канала.

Система управления положением бортового прожектора вертолёта

Рис.6 Блок-схема первого канала

На рис. 7 представлена упрощённая блок-схема первого канала.

Система управления положением бортового прожектора вертолёта

Рис.7 Упрощённая блок-схема первого канала

Ещё более упростим систему, записав единое уравнение для части системы, замкнутой обратной связью с коэффициентом 29,4. Для этого запишем передаточную функцию Система управления положением бортового прожектора вертолёта по Система управления положением бортового прожектора вертолёта (Система управления положением бортового прожектора вертолёта по Система управления положением бортового прожектора вертолёта).

Уравнение разомкнутой системы Система управления положением бортового прожектора вертолёта.

Система управления положением бортового прожектора вертолёта.

Уравнение замкнутой системы:

Система управления положением бортового прожектора вертолёта

Система управления положением бортового прожектора вертолёта.

Система управления положением бортового прожектора вертолёта

Рис.8 Упрощённая блок-схема первого канала

Запишем окончательную передаточную функцию разомкнутой системы.

Система управления положением бортового прожектора вертолёта

Система управления положением бортового прожектора вертолёта

Система управления положением бортового прожектора вертолёта

Система управления положением бортового прожектора вертолёта;

Система управления положением бортового прожектора вертолёта;

Система управления положением бортового прожектора вертолёта.

Так как Система управления положением бортового прожектора вертолёта, то имеем колебательное звено. Учитывая что Система управления положением бортового прожектора вертолёта, можно пользоваться асимптотическими ЛЧХ колебательного звена, колебания будут малы.

Находим сопрягающую частоту

Система управления положением бортового прожектора вертолёта;

Система управления положением бортового прожектора вертолёта.

На рис. 9 представлены ЛЧХ нескорректированного первого канала.Система управления положением бортового прожектора вертолёта

Рис.9 Нескорректированные ЛЧХ первого канала

По ЛАЧХ видно, что нескорректированная система первого канала устойчива, но предъявленные к систем требования по качеству не выполняются. Кривая ЛАЧХ пересекает ось абсцисс на очень низкой частоте, вследствие чего система имеет очень высокое время регулирования. Путём моделирования нескорректированной системы в среде Matlab было установлено, что время регулирования составляет порядка 15 секунд.

Введём в исследуемую систему корректирующие звенья. Рассчитаем их методом синтеза последовательной коррекции. Найдём желаемую частоту среза, исходя из заданных времени регулирования и величины перегулирования.

Система управления положением бортового прожектора вертолёта

Желаемую ЛАЧХ построим исходя из следующих соображений. Среднечастотный участок желаемой ЛАЧХ образуется асимптотой с наклоном Система управления положением бортового прожектора вертолёта, проводимый так, чтобы она пересекала ось частот при Система управления положением бортового прожектора вертолёта. Этот участок проводится влево и вправо до достижения модулей, равных по крайней мере Система управления положением бортового прожектора вертолёта. Высокочастотную область можно пустить параллельно исходной ЛАХ. Низкочастотная область желаемой ЛАЧХ также должна по возможности повторять нескорректированную ЛАЧХ.

Построенная асимптотическая ЛАЧХ находится в приложении к пояснительной записке.

После построения желаемой ЛАЧХ и ЛФЧХ можно строить ЛАЧХ и ЛФЧХ коррекции, исходя из следующих соотношений:

Система управления положением бортового прожектора вертолёта;

Система управления положением бортового прожектора вертолёта;

Система управления положением бортового прожектора вертолёта;

Система управления положением бортового прожектора вертолёта.

Ниже представлена вычисленная передаточная функция коррекции.

Система управления положением бортового прожектора вертолёта.

На рис. 10 показаны ЛЧХ скорректированного первого канала.

Система управления положением бортового прожектора вертолёта

Рис.10 ЛЧХ первого канала

Добавляем коррекцию к уже имеющейся системе, и, для получения переходного процесса, смоделируем её в программе Matlab.

На рис.11 показан переходной процесс для первого канала исследуемой системы.

Система управления положением бортового прожектора вертолёта

Рис. 11 Реакция на единичный скачок первого канала

Было установлено:

Система управления положением бортового прожектора вертолёта;

Система управления положением бортового прожектора вертолёта.

Таким образом, можно сказать, что скорректированная система удовлетворяет всем предъявленным требованиям по качеству и быстродействию.

Рассчитаем корректирующие звенья для первого канала. По виду передаточной функции коррекции определяем, что нам потребуется две одинаковых дифференцирующих цепочки. Также необходимо включить последовательно с ними некоторое количество усилителей, коэффициент усиления которых мы найдём позднее.

Схема пассивного дифференцирующего звена показана на рис.12.

Система управления положением бортового прожектора вертолёта

Рис.12 Схема пассивного дифференцирующего звена

Система управления положением бортового прожектора вертолёта, (Система управления положением бортового прожектора вертолёта),

где, Система управления положением бортового прожектора вертолёта - коэффициент передачи дифференцирующего звена.

Система управления положением бортового прожектора вертолёта;

Система управления положением бортового прожектора вертолёта.

Пусть Система управления положением бортового прожектора вертолёта, тогда

Система управления положением бортового прожектора вертолёта,

Система управления положением бортового прожектора вертолёта,

Система управления положением бортового прожектора вертолёта;

Система управления положением бортового прожектора вертолёта,

Система управления положением бортового прожектора вертолёта;

Система управления положением бортового прожектора вертолёта.

Рассчитаем дополнительный коэффициент усиления, требуемый для сигнала, ослабленного дифференцирующим звеном

Система управления положением бортового прожектора вертолёта.

Рассчитаем общий коэффициент усиления рассчитанного регулятора

Система управления положением бортового прожектора вертолёта.

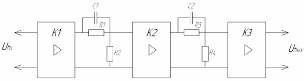
На рис. 13 показана схемная реализация рассчитанного регулятора.

Система управления положением бортового прожектора вертолёта

Рис. 13 Схема регулятора

Распределим полученный коэффициент усиления по усилителям. Первый усилитель включён по вычитающей схеме, и также будет усиливать сигнал. Второй усилитель включён как повторитель, он нужен только для ослабления влияния второго дифференцирующего звена на первый, это достигается благодаря огромному входному сопротивлению операционных усилителей, на основе которых построены усилители. Третий усилитель представляет собой мощный операционный усилитель с высоким выходным током, достаточным для пуска двигателя.

Распределим вычисленный коэффициент усиления регулятора по двум усилителям

Система управления положением бортового прожектора вертолёта.

3.2 Составление структурной схемы второго канала, синтез регулятора.

Применим преобразование Лапласа к полученному уравнению Лагранжа

Система управления положением бортового прожектора вертолёта.

Система управления положением бортового прожектора вертолёта.

Структурная схема канала 2 показана на рис. 14.

Система управления положением бортового прожектора вертолёта

Рис. 14 Структурная схема второго канала

На схеме обозначены:

Система управления положением бортового прожектора вертолёта;

Система управления положением бортового прожектора вертолёта;

Система управления положением бортового прожектора вертолёта;

Система управления положением бортового прожектора вертолёта;

Система управления положением бортового прожектора вертолёта;

Система управления положением бортового прожектора вертолёта;

Система управления положением бортового прожектора вертолёта.

Подставляем найденные значения в структурную схему.

На рис.15 представлена блок-схема второго канала.

Система управления положением бортового прожектора вертолёта

Рис.15 Блок-схема второго канала

На рис. 16 представлена упрощённая блок-схема второго канала.

Система управления положением бортового прожектора вертолёта

Рис.16 Упрощённая блок-схема второго канала

Ещё более упростим систему, записав единое уравнение для части системы, замкнутой обратной связью с коэффициентом 8,56. Для этого запишем передаточную функцию Система управления положением бортового прожектора вертолёта по Система управления положением бортового прожектора вертолёта (Система управления положением бортового прожектора вертолёта по Система управления положением бортового прожектора вертолёта).

Уравнение разомкнутой системы Система управления положением бортового прожектора вертолёта.

Система управления положением бортового прожектора вертолёта;

Уравнение замкнутой системы:

Система управления положением бортового прожектора вертолёта

Система управления положением бортового прожектора вертолёта.

Система управления положением бортового прожектора вертолёта

Рис.17 Упрощённая блок-схема второго канала

Запишем окончательную передаточную функцию разомкнутой системы.

Система управления положением бортового прожектора вертолёта;

Система управления положением бортового прожектора вертолёта

Система управления положением бортового прожектора вертолёта;

Система управления положением бортового прожектора вертолёта;

Система управления положением бортового прожектора вертолёта;

Система управления положением бортового прожектора вертолёта.

Так как Система управления положением бортового прожектора вертолёта, то имеем колебательное звено. Учитывая что Система управления положением бортового прожектора вертолёта, можно пользоваться асимптотической ЛАЧХ колебательного звена.

Находим сопрягающую частоту

Система управления положением бортового прожектора вертолёта

Система управления положением бортового прожектора вертолёта.

На рис. 18 представлены ЛЧХ нескорректированного второго канала.

Система управления положением бортового прожектора вертолёта

Рис. 18 ЛЧХ нескорректированного второго канала

По ЛЧХ видно что нескорректированная система второго канала устойчива, но предъявленные к систем требования по качеству не выполняются. Кривая ЛАЧХ нескорректированной системы пересекает ось абсцисс на очень низкой частоте, вследствие чего система имеет очень высокое время регулирования. Путём моделирования нескорректированной системы в среде Matlab было установлено, что время регулирования больше 4 секунд.

Как и в случае с первым каналом, рассчитаем корректирующие звенья методом синтеза последовательной коррекции.

Построенная асимптотическая ЛАЧХ находится в приложении к пояснительной записке.

Ниже представлена вычисленная передаточная функция коррекции

Система управления положением бортового прожектора вертолёта.

На рис. 19 показаны ЛЧХ скорректированного второго канала.

Система управления положением бортового прожектора вертолёта

Рис.19 ЛЧХ второго канала

На рис.20 показан переходной процесс для второго канала исследуемой системы.

Система управления положением бортового прожектора вертолёта

Рис. 20 Реакция на единичный скачок второго канала

Было установлено:

Система управления положением бортового прожектора вертолёта;

Система управления положением бортового прожектора вертолёта.

Таким образом, можно сказать, что скорректированная система удовлетворяет всем предъявленным требованиям по качеству и быстродействию.

Рассчитаем корректирующие цепья для второго канала. Как и случае с первым каналом нам потребуется два одинаковых дифференцирующих звена и усилители.

Схема пассивного дифференцирующего звена показана на рис.12.

Система управления положением бортового прожектора вертолёта,

Система управления положением бортового прожектора вертолёта;

Система управления положением бортового прожектора вертолёта.

Пусть Система управления положением бортового прожектора вертолёта, тогда

Система управления положением бортового прожектора вертолёта,

Система управления положением бортового прожектора вертолёта,

Система управления положением бортового прожектора вертолёта;

Система управления положением бортового прожектора вертолёта,

Система управления положением бортового прожектора вертолёта;

Система управления положением бортового прожектора вертолёта.

Рассчитаем дополнительный коэффициент усиления, требуемый для сигнала, ослабленного дифференцирующим звеном

Система управления положением бортового прожектора вертолёта.

Рассчитаем общий коэффициент усиления рассчитанного регулятора

Система управления положением бортового прожектора вертолёта.

Схемная реализация рассчитанного регулятора для второго канала будет такой же и как для первого канала и показана на рис. 13.

Распределим вычисленный коэффициент усиления регулятора по двум усилителям

Система управления положением бортового прожектора вертолёта.

4. Выбор датчик ов

В качестве датчика для первого канала был выбран потенциометрический датчик угла Megatron MP20. Датчик показан на рис. 21.

Система управления положением бортового прожектора вертолёта

Рис. 21 MP20

Параметры:

Технология – проволока;

Электрический угол поворота - 320Система управления положением бортового прожектора вертолёта;

Диапазон сопротивлений – 1 кОм – 50 кОм;

Допуск на сопротивление - Система управления положением бортового прожектора вертолёта;

Допуск на линейность - Система управления положением бортового прожектора вертолёта;

Мощность – 0,8 Вт;

Диаметр корпуса - 22 мм;

Максимальный вращающий момент – 0,3 Система управления положением бортового прожектора вертолёта .

В качестве датчика для второго канала был выбран потенциометрический датчик угла Megatron AL1703/1903. Датчик показан на рис. 22.

Система управления положением бортового прожектора вертолёта

Рис. 22 AL1703/1903

Параметры:

Технология – проволока;

Диапазон сопротивлений – 10 кОм – 100 кОм;

Допуск на сопротивление - Система управления положением бортового прожектора вертолёта;

Допуск на линейность - Система управления положением бортового прожектора вертолёта;

Число оборотов – 3.

5. Выбор элементов

5.1 Выбор операционных усилителей

Для построения усилителей, с обозначенными на рис.13 коэффициентами усиления К1, К2 были выбраны сдвоенные операционные усилители 140УД20А. они предназначены для использования в различных узлах радиоэлектронной аппаратуры – активных фильтрах, сумматорах, интеграторах и т.п. Использование сдвоенных ОУ позволяет экономить место на плате и облегчает разводку печатных проводников платы.

Основные параметры ИМС 140УД20А представлены в таблице 2.

Таблица 2.

Напряжение питания, В

Система управления положением бортового прожектора вертолёта

Входной ток, нА <200

Усиление по напряжению, Система управления положением бортового прожектора вертолёта

50000
Максимальное напряжение на выходе, В

Система управления положением бортового прожектора вертолёта

Входное сопротивление, Мом >0,4
Максимальный выходной ток, мА 8
Минимальное сопротивление нагрузки, кОм >2

Для построения выходных усилителей были использованы мощные сдвоенные операционные усилители OPA2544T фирмы “Texas Instruments”. Первый операционный усилитель усиливает сигнал для первого канала, а второй – для второго. При использовании этих ОУ отпадает необходимость в построении усилителей мощности на основе мощных транзисторов, следовательно, уменьшаются габариты проектируемой платы.

Основные параметры OPA2544T представлены в таблице 3.

Таблице 3.

Напряжение питания, Система управления положением бортового прожектора вертолёта В

Система управления положением бортового прожектора вертолёта

Входной ток, пА 50max
Усиление по напряжению, дб 103
Максимальное напряжение на выходе, В

Система управления положением бортового прожектора вертолёта

Максимальный выходной ток, А 2
Минимальное сопротивление нагрузки, Ом 10

Рабочая температура, Система управления положением бортового прожектора вертолёта

Система управления положением бортового прожектора вертолёта

5.2 Выбор резисторов

Выбор резисторов производится из рядов по следующим параметрам:

По номиналу;

По мощности;

По допуску (разбросу номиналов).

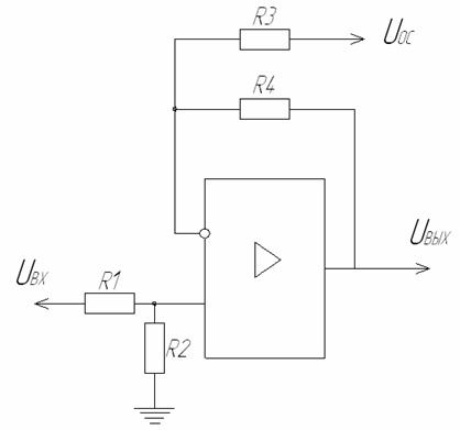
Первый ОУ в обоих каналах включён по вычитающей схеме, показанной на рис. 23.

Система управления положением бортового прожектора вертолёта

Рис. 23 Вычитающая схема включения ОУ

При этом должны выполняться следующие соотношения номиналов резисторов

Система управления положением бортового прожектора вертолёта;

Система управления положением бортового прожектора вертолёта.

При этом напряжение на выходе

Система управления положением бортового прожектора вертолёта.

Схема электрическая принципиальная показана в конструкторской части курсового проекта.

В соответствии с найденными коэффициентами усиления, были выбраны следующие номиналы сопротивлений резисторов:

Система управления положением бортового прожектора вертолёта;

Система управления положением бортового прожектора вертолёта;

Система управления положением бортового прожектора вертолёта;

Система управления положением бортового прожектора вертолёта;

Система управления положением бортового прожектора вертолёта;

Система управления положением бортового прожектора вертолёта;

Система управления положением бортового прожектора вертолёта;

Система управления положением бортового прожектора вертолёта.

Рассчитаем требуемые мощности этих резисторов

Система управления положением бортового прожектора вертолёта;

Система управления положением бортового прожектора вертолёта;

Система управления положением бортового прожектора вертолёта;

Система управления положением бортового прожектора вертолёта;

Система управления положением бортового прожектора вертолёта;

Система управления положением бортового прожектора вертолёта;

Система управления положением бортового прожектора вертолёта;

Система управления положением бортового прожектора вертолёта.

Рассчитаем мощности резисторов корректирующих звеньев.

Система управления положением бортового прожектора вертолёта;

Система управления положением бортового прожектора вертолёта;

Система управления положением бортового прожектора вертолёта.

Марки выбранных резисторов, их номиналы и пр. показаны в таблице 4.

Таблица 4.

Тип Номинал Рассеиваемая мощность Допуск Ряд
R1 С2-33Н 1910 0,125 ±2% Е96
R2 С2-33Н 3090 0,125 ±2% Е96
R3 С2-33Н 200000 0,125 ±5% Е24
R4 С2-33Н 200000 0,125 ±5% Е24
R5 С2-33Н 1910 0,125 ±2% Е96
R6 С2-33Н 200000 0,125 ±5% Е24
R7 СП3-38б 15000 0,125 ±20% Е6
R8 С2-33Н 3090 0,125 ±2% Е96
R9 С2-33Н 200000 0,125 ±5% Е24
R10 СП3-38б 15000 0,125 ±20% Е6
R11 С2-33Н 20500 0,125 ±2% Е96
R12 С2-33Н 23700 0,125 ±2% Е96
R13 С2-33Н 2200 0,125 ±5% Е24
R14 С2-33Н 2200 0,125 ±5% Е24
R15 СП3-38б 15000 0,125 ±20% Е6
R16 СП3-38б 15000 0,125 ±20% Е6
R17 С2-33Н 20500 0,125 ±2% Е96
R18 С2-33Н 23700 0,125 ±2% Е96
R19 С2-33Н 2200 0,125 ±5% Е24
R20 С2-33Н 2200 0,125 ±5% Е24
R21 С2-33Н 105000 0,125 ±2% Е96
R22 С2-33Н 1000 0,125 ±5% Е24
R23 С2-33Н 64900 0,125 ±2% Е96
R24 С2-33Н 1000 0,125 ±5% Е24

5.3 Выбор прочих элементов

Для питания ИМС 140УД20А был использован интегральный двуполярный стабилизатор напряжения К142ЕН6А, параметры которого приведены в таблице 5.

Таблица 5.

Система управления положением бортового прожектора вертолёта, В

Система управления положением бортового прожектора вертолёта, В при Система управления положением бортового прожектора вертолётаВ

Система управления положением бортового прожектора вертолёта

Система управления положением бортового прожектора вертолёта, Вт

К142ЕН6А

Система управления положением бортового прожектора вертолёта

Система управления положением бортового прожектора вертолёта

0,2 5

Список литературы

Никитин Н.Н. Курс теоретической механики: Учеб. Для машиностроит. и приборостроит. спец. Вузов. – 5-е изд., перераб. и доп. – М.: Высш. шк., 1990. – 607 с.

Прохоров С.Г., Хуснутдинов Р.А. Электрические машины: Учебное пособие: Для студентов очного и заочного обучения/ Казань: Изд-во казан. гос. техн. ун-та, 2002. – 164 с.

Копылов, Клоков Б.К.. Справочник по электрическим машинам: в 2т. – М.: Энергоиздат., 1988. – 456с.

Теория автоматического управления: Учеб. для вузов по спец. “Автоматика и телемеханика”. В 2-х ч. Ч.1. Теория линейных систем автоматического управления / Н.А. Бабаков, А.А. Воронов, А.А.Воронова и др.; Под ред. А.А. Воронова. – 2-е изд., перераб. и доп. – М.: Высш. шк., 1986. – 367 с.

Чекмарёв А.А. Справочник по машиностроительному черчению/ А.А. Чекмарёв, В.К. Осипов. – 3-е изд., стер. – М.: Высш. шк. 2002. – 493 с.

Опадчий Ю.Ф., Глудкин О.П., Гуров А.И. Аналоговая и цифровая электроника (полный курс): Учебник для вузов. Под. ред. О.П. Глудкина. – М.: Горячая линия – Телеком, 2003. – 768 с.

Булычев А.Л., Галкин В.И.. Аналоговые интегральные схемы: справочник. 2-е изд – М.: Энергоиздат, 1988. – 456с.

Дубровский В.В., Иванов Д.М., Пратусевич Н.Я., под ред. Четверткова И.И. Резисторы: справочник 2-е изд. – М.: Радио и связь 1991. – 528с.

Цокур Е.И. Интегральные стабилизаторы постоянного напряжения: Учебное пособие по дисциплине “Системы и источники вторичного электропитания”. Казань: Изд-во Казан. гос. техн. ун-та, 1998. – 160 с.

Александров К.К., Кузьмина Е.Г. Электротехнические чертежи и схемы. – 2-е изд., испр. и доп. – М.: Издательство МЭИ, 2004. – 300 с.

http://focus.ti.com/lit/ds/symlink/opa2544.pdf (спецификация на OPA2544T)

http://focus.ti.com/lit/ml/mpzf003a/mpzf003a.pdf (габариты корпуса OPA2544T)

http://www.eximer.net/products/electron/switching/connectors/rus/mrn/mpn_1337.html (габариты разъёма МРН8-1)

http://www.eliks.ru/product/oem/angle1.htm, http://www.eliks.ru/product/oem/angle1.htm (потенциометрические датчики)




© 2009 РЕФЕРАТЫ
рефераты бесплатно