Реферат: АНАЛИЗ СФЕРИЧЕСКОГО ПЬЕЗОКЕРАМИЧЕСКОГО ПРЕОБРАЗОВАТЕЛЯ
Реферат: АНАЛИЗ СФЕРИЧЕСКОГО ПЬЕЗОКЕРАМИЧЕСКОГО ПРЕОБРАЗОВАТЕЛЯ
САНКТ-ПЕТЕРБУРГСКИЙ ГОСУДАРСТВЕННЫЙ
МОРСКОЙ
ТЕХНИЧЕСКИЙ УНИВЕРСИТЕТ
ФАКУЛЬТЕТ
МОРСКОГО ПРИБОРОСТРОЕНИЯ
КАФЕДРА
ФИЗИКИ
КУРСОВАЯ
РАБОТА
АНАЛИЗ
СФЕРИЧЕСКОГО
ПЬЕЗОКЕРАМИЧЕСКОГО
ПРЕОБРАЗОВАТЕЛЯ
ВЫПОЛНИЛ:
СТУДЕНТ ГРУППЫ 34РК1
СУХАРЕВ Р.М.
ПРОВЕРИЛ:
ПУГАЧЕВ С.И.
САНКТ-ПЕТЕРБУРГ
ОСЕННИЙ
СЕМЕСТР
1999г.
СОДЕРЖАНИЕ
|
1.
Краткие
сведения из теории
|
3
|
|
2.
Исходные
данные
|
7
|
|
3.
Определение
элементов эквивалентной электромеханической схемы, включая N, Ms, Rs, Rпэ, Rмп
|
8
|
|
4.
Нахождение
конечных формул для КЭМС и КЭМСД и расчет их значений
|
9
|
|
5.
Определение
частоты резонанса и антирезонанса
|
9
|
|
6.
Вычисление
добротности электроакустического преобразователя в режиме излучения
|
10
|
|
7.
Расчет
и построение частотных характеристик входной проводимости и входного
сопротивления
|
10
|
|
8.
Список
литературы
|
16
|
1. КРАТКИЕ СВЕДЕНИЯ ИЗ ТЕОРИИ
Пьезокерамический сферический преобразователь
(Рис.1) представляет собой оболочку 2 (однородную или склеенную из двух
полусфер), поляризованную по толщине, с электродами на внутренней и внешней
поверхностях. Вывод от внутреннего электрода 3 проходит через отверстие и
сальник 1, вклеенный в оболочке.
Рис. 1
Уравнение движения и эквивалентные параметры.
В качестве примера рассмотрим
радиальные колебания ненагруженной тонкой однородной оболочки со средним
радиусом а, поляризованный по толщине d, вызываемые
действием симметричного возбуждения (механического или электрического).
Рис. 2
Направление его поляризации совпадает с осью z; оси x
и y расположены в касательной плоскости (Рис.2).
Вследствие эквипотенциальных сферических поверхностей E1=E2=0; D1=D2=0. Из-за отсутствия нагрузки упругие напряжения T3 равны нулю, а в силу механической однородности равны нулю и все
сдвиговые напряжения. В силу симметрии следует равенство напряжений T1=T2=Tc, радиальных смещений x1=x2xС и значения модуля гибкости, равное SC=0,5(S11+S12). Заменив поверхность элемента квадратом (ввиду его малости) со
стороной l, запишем относительное изменение площади
квадрата при деформации его сторон на Dl:
Очевидно,
относительной деформации площади поверхности сферы соответствует радиальная
деформация , определяемая, по закону Гука, выражением
.
Аналогия
для индукции:
.
Исходя
из условий постоянства T и E,
запишем уравнение пьезоэффекта:
; . (1)
Решая
задачу о колебаниях пьезокерамической тонкой сферической оболочки получим
уравнения движения сферического элемента
, (2)
где
(3)
представляет
собой собственную частоту ненагруженной сферы.
Проводимость
равна
, (4)
где
энергетический коэффициент связи сферы определяется формулой
. (5)
Из (4)
находим частоты резонанса и антирезонанса:
; .
(6)
Выражение
(4) приведем к виду:
.
Отсюда эквивалентные механические и
приведенные к электрической схеме параметры, коэффициент электромеханической
трансформации и электрическая емкость сферической оболочки равны:
; ; 
Электромеханическая схема нагруженной сферы. Учесть нагрузку преобразователя можно
включением сопротивления излучения ,
последовательно с элементами механической стороны схемы (Рис. 3). Напряжение на
выходе приемника и, следовательно, его чувствительность будут определяться
дифрагированной волной, которая зависит от амплитудно-фазовых соотношений между
падающей и рассеянной волнами в месте расположения приемника. Коэффициент
дифракции сферы kД, т.е. отношение действующей на нее силы к силе в свободном
поле, равен , где p- звуковое давление в падающей волне, ka- волновой аргумент для окружающей сферу
среды.
Приведем формулу чувствительности
сферического приемника:
 ,
где ;
;
.
Колебания реальной оболочки не будут
пульсирующими из-за наличия отверстия в оболочке (для вывода проводника и
технологической обработки) и неоднородности материала и толщины, не будут так
же выполняться и сформулированные граничные условия.
2. ИСХОДНЫЕ ДАННЫЕ
ВАРИАНТ С-41
|
Материал
|
ТБК-3
|
|
r, 
|
5400
|
|
|
, 
|
8,3 × 10-12
|
|
|
, 
|
-2,45 × 10-12
|
|
|
n=-
|
0,2952
|
|
|
, 
|
17,1 × 1010
|
|
|
d31, 
|
-49 × 10-12
|
|
|
e33,

|
12,5
|
|
|

|
1160
|
|
|

|
950
|
|
|
tgd33
|
0,013
|
|
|
, 
|
10,26 × 10-9
|
|
|
, 
|
8,4 × 10-9
|
|
|
|
|
|
|
a=0,01 м – радиус сферы
м – толщина сферы
a=0,94
b=0,25
hАМ=0,7 – КПД
акустомеханический
e0=8,85×10-12 
(rc)В=1,545×106 
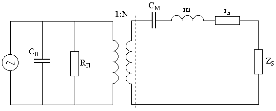
3. ОПРЕДЕЛЕНИЕ ЭЛЕМЕНТОВ
ЭКВИВАЛЕНТНОЙ ЭЛЕКТРОМЕХАНИЧЕСКОЙ СХЕМЫ, ВКЛЮЧАЯ N, Ms, Rs, Rпэ, Rмп
Электромеханическая
схема цилиндрического излучателя:
Рис. 3
коэффициент
электромеханической трансформации:
N=-2,105 
присоединенная
масса излучателя:
MS=4,851×10-5 кг
сопротивление
излучения:

RS=2,31×103 
активное сопротивление (сопротивление электрических
потерь):
RПЭ=1,439×103 Ом
СS=4,222×10-9 Ф
сопротивление механических потерь:
RМП=989,907 
4. НАХОЖДЕНИЕ КОНЕЧНЫХ
ФОРМУЛ ДЛЯ КЭМС И КЭМСД
И РАСЧЕТ ИХ ЗНАЧЕНИЙ
Представим
эквивалентную схему емкостного ЭАП для низких частот:
Рис. 4
статическая податливость ЭАП:
C0=9,31×10-11 Ф
электрическая емкость свободного преобразователя:

CT=4,635×10-9 Ф


КЭМС=0,089 ; КЭМСД=0,08
5. ОПРЕДЕЛЕНИЕ ЧАСТОТЫ РЕЗОНАНСА И АНТИРЕЗОНАНСА:

wр=1,265×107 

wА=1,318×107 
6. ВЫЧИСЛЕНИЕ ДОБРОТНОСТИ
ЭЛЕКТРОАКУСТИЧЕСКОГО ПРЕОБРАЗОВАТЕЛЯ В РЕЖИМЕ ИЗЛУЧЕНИЯ

Qm=65,201
эквивалентная
масса: 
MЭ=0,017 кг
7. РАСЧЕТ И ПОСТРОЕНИЕ
ЧАСТОТНЫХ ХАРАКТЕРИСТИК ВХОДНОЙ ПРОВОДИМОСТИ И ВХОДНОГО СОПРОТИВЛЕНИЯ

активная проводимость:

реактивная проводимость:

активное сопротивление:

реактивное сопротивление:

входная проводимость:

входное сопротивление:

|
ω/ωр
|
0
|
0,2
|
0,4
|
0,6
|
0,8
|
1
|
1,2
|
1,4
|
1,6
|
1,8
|
2
|
|
Ge
|
6,941E-08
|
0,0001423
|
0,0002958
|
0,000487
|
0,00095
|
0,34
|
0,001432
|
0,001143
|
0,001195
|
0,001301
|
0,001423
|
|
Be
|
-0,000005861
|
-0,012
|
-0,024
|
-0,037
|
-0,054
|
-0,071
|
-0,05
|
-0,067
|
-0,08
|
-0,092
|
-0,103
|
|
Xe
|
-170600
|
-84,979
|
-41,947
|
-27,086
|
-18,424
|
-0,588
|
-20,061
|
-14,898
|
-12,491
|
-10,883
|
-9,682
|
|
Re
|
2020
|
1,028
|
0,521
|
0,357
|
0,323
|
2,814
|
0,577
|
0,254
|
0,186
|
0,154
|
0,133
|
|
Y
|
0,000005862
|
0,012
|
0,024
|
0,037
|
0,054
|
0,348
|
0,05
|
0,067
|
0,08
|
0,092
|
0,103
|
|
Z
|
170600
|
84,985
|
41,95
|
27,088
|
18,426
|
2,875
|
20,069
|
14,9
|
12,493
|
10,884
|
9,683
|
|
ФG
|
1,505E-07
|
0,0003267
|
0,0008529
|
0,002202
|
0,009253
|
6,366
|
0,009361
|
0,002292
|
0,000992
|
0,000541
|
0,000335
|
|
ФB
|
-0,098
|
-0,102
|
-0,116
|
-0,153
|
-0,271
|
-0,332
|
0,222
|
0,102
|
0,063
|
0,044
|
0,033
|






8. СПИСОК ЛИТЕРАТУРЫ
1. Пугачев С.И. Конспект
лекций по технической гидроакустике.
2.
Резниченко
А.И. Подводные электроакустические преобразователи. Л.: ЛКИ, 1990.
3.
Свердлин
Г.М. Гидроакустические преобразователи и антенны. Л.: Судостроение, 1988.
|