Реферат: Элементная база радиоэлектронной аппаратуры-2
Реферат: Элементная база радиоэлектронной аппаратуры-2
УПИ
– УГТУ
Кафедра радиоприёмные
устройства.
Контрольная
работа № 2
по дисциплине:
“
Элементная
база радиоэлектронной
аппаратуры
“.
Вариант
№ 17
Шифр:
Ф.И.О
Заочный
факультет
Радиотехника
Курс: 3
Работу не
высылать.
УПИ
– УГТУ
Кафедра радиоприёмные
устройства.
Контрольная
работа № 2
по дисциплине:
“
Элементная
база радиоэлектронной
аппаратуры
“.
Вариант
№ 17
Шифр:
Ф.И.О
Заочный
факультет
Радиотехника
Курс: 3
Работу не
высылать.
Аннотация.
Целью
работы является
активизация
самостоятельной
учебной работы,
развитие умений
выполнять
информационный
поиск, пользоваться
справочной
литературой,
определять
параметры и
характеристики,
эквивалентные
схемы полупроводниковых
приборов.
Исходные
данные:
Тип
транзистора
…………………………………………………………………
ГТ310Б
Величина
напряжения
питания Еп
……………………………………………...
5 В
Сопротивление
коллекторной
нагрузки Rк
……………………………………
1,6 кОм
Сопротивление
нагрузки Rн
…………………………………………………….
1,8 кОм
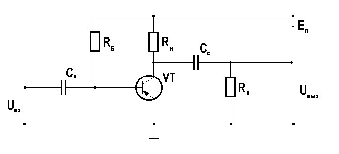
Схема
включения
транзистора
с общим эмиттером,
с фиксированным
током базы, с
резистивно-
ёмкостной
связью с нагрузкой.

Биполярный
транзистор
ГТ310Б.
Краткая
словесная
характеристика:
Транзисторы
германиевые
диффузионно-
сплавные p-n-p
усилительные
с нормированным
коэффициентом
шума высокочастотные
маломощные.
Предназначены
для работы в
усилителях
высокой частоты.
Выпускаются
в металлостеклянном
корпусе с гибкими
выводами. Обозначение
типа приводится
на этикетке.
Масса
транзистора
не более 0,1 г..
Электрические
параметры.
Коэффициент
шума при ƒ= 1,6 МГц, Uкб=
5 В, IЭ=
1 мА не более
……………. 3 дБ
Коэффициент
передачи тока
в режиме малого
сигнала
при
Uкб=
5 В, IЭ=
1 мА, ƒ= 50 – 1000 Гц
………………………………..
60 – 180
Модуль
коэффициента
передачи тока
H21э
при Uкб=
5 В, IЭ=
5 мА, ƒ= 20 МГц не
менее …………………………...
8
Постоянная
времени цепи
обратной связи
при
Uкб=
5 В, IЭ=
5 мА, ƒ= 5 МГц не
более ………………………….…
300 пс
Входное
сопротивление
в схеме с общей
базой
при
Uкб=
5 В, IЭ=
1 мА ……………………………………………………
38 Ом
Выходная
проводимость
в схеме с общей
базой
при
Uкб=
5 В, IЭ=
1 мА, ƒ= 50 – 1000 Гц
не более ……………………..
3 мкСм
Ёмкость
коллектора
при Uкб=
5 В, ƒ= 5 МГц не
более …………………………
4 пФ
Предельные
эксплуатационные
данные.
Постоянное
напряжение
коллектор-
эмиттер:
при Rбэ=
10 кОм ……………….…………………………………………
10 В
при Rбэ=
200 кОм ……………….………………………………………..
6 В
Постоянное
напряжение
коллектор- база
………………………………………...
12 В
Постоянный
ток коллектора
………………………………………………………
10 мА
Постоянная
рассеиваемая
мощность коллектора
при Т = 233 – 308 К ………...
20 мВт
Тепловое
сопротивление
переход- среда
………………………………………...
2 К/мВт
Температура
перехода
…………………………………………………………….
348 К
Температура
окружающей
среды ………………………………………………...
От 233 до
328 К
Примечание.
Максимально
допустимая
постоянная
рассеиваемая
мощность коллектора,
мВт, при Т = 308 –
328 К определяется
по формуле:
PК.макс=
( 348 – Т )/ 2
Входные
характеристики.
Для
температуры
Т = 293 К :
|
  Iб,
мкА
|
|
|
|
|
|
|
|
|
|
200
|
|
|
|
|
|
|
|
|
| 160 |
|
|
|
|
|
|
|
|
|
120
|
|
|
|
|
|
|
|
|
| 80 |
|
|
|
|
|
|
|
|
| 40 |
|
|
|
|
|
|
|
|
|
0
|
0,05 |
0,1 |
0,15 |
0,2 |
0,25 |
0,3 |
0,35 |
Uбэ,В
|
Выходные
характеристики.
Для
температуры
Т = 293 К :


Нагрузочная
прямая по постоянному
току.
 Уравнение
нагрузочной
прямой по постоянному
току для схемы
включения с
общим эмиттером:
Построим
нагрузочную
прямую по двум
точкам:
при
Iк= 0,
Uкэ=
Еп = 9 В, и при
Uкэ=
0, Iк=
Еп / Rк
= 9 / 1600 = 5,6 мА
|
Iк
,
мА
|
|
|
|
|
|
|
|
|
|
|
|
 6
|
|
|
|
|
|
|
|
|
|
|
|
  5
|
|
|
|
|
|
|
|
|
|
|
|
 4
|
|
|
|
|
А
|
|
|
|
|
|
|
3
Iк0
|
|
|
|
|
|
|
|
|
|
|
|
2
|
|
|
|
|
|
|
|
|
|
|
| 1 |
|
|
|
|
|
|
|
|
|
|
|
0
|
1 |
2 |
3 |
4 |
5
Uкэ0
|
6 |
7 |
8 |
9
Еп
|
Uкэ,В
|

|
    Iб,
мкА
|
|
|
|
|
|
|
|
|
|
|
50
|
|
|
|
|
|
|
|
|
|
| 40 |
|
|
|
|
|
|
|
|
|
|
 30
Iб0
|
|
|
|
|
|
|
|
|
|
| 20 |
|
|
|
|
|
|
|
|
|
| 10 |
|
|
|
|
|
|
|
|
|
|
0
0,15
|
0,17 |
0,19 |
0,21 |
0,23 |
0,25 |
0,27 |
0,29
Uбэ0
|
0,31 |
Uбэ,В
|
Параметры
режима покоя
(рабочей точки
А):
Iк0=
3 мА, Uкэ0=
4,2 В, Iб0=
30 мкА, Uбэ0=
0,28 В
В еличина
сопротивления
Rб:
Определим
H–параметры
в рабочей
точке.
|
 Iк
,
мА
|
|
|
|
|
|
|
|
|
|
|
|
  6
|
|
|
|
|
|
|
|
|
|
|
|
  5
|
|
|
|
|
|
|
|
|
|
|
|
    4
|
|
|
|
|
ΔIк0
|
|
|
|
|
|
|
  3
|
|
|
|
|
|
|
|
ΔIк
|
|
|
|
2
|
|
|
|
|
|
|
|
|
|
| 1 |
|
|
|
|
|
|
|
|
|
|
|
 0
|
1 |
2 |
3 |
4 |
5
Uкэ0
|
6 |
7 |
8 |
9
Еп
|
Uкэ,В
|
ΔUкэ

|
  Iб,
мкА
|
|
|
|
|
|
|
|
|
|
|
50
|
|
|
|
|
|
|
|
|
|
|
40
|
|
|
ΔIб
|
|
|
|
|
|
|
 30
Iб0
|
|
|
|
|
|
|
|
|
 20
|
|
|
|
|
|
|
|
|
|
| 10 |
|
|
|
|
|
|
|
|
|
|
0
0,15
|
0,17 |
0,19 |
0,21 |
0,23 |
0,25 |
0,27 |
0,29
Uбэ0
|
0,31 |
Uбэ,В
|
ΔUбэ
  
ΔIк0=
1,1 мА, ΔIб0
= 10 мкА, ΔUбэ
= 0,014 В, ΔIб
= 20 мкА, ΔUкэ=
4 В, ΔIк=
0,3 мА
H -параметры:
Определим
G
– параметры.
Величины
G-параметров
в рабочей точке
определим путём
пересчёта
матриц:

G-параметр:
G11э=
1,4 мСм, G12э=
- 0,4*10 –6
G21э=
0,15 , G22э=
4,1*10 –3 Ом
Определим
величины
эквивалентной
схемы биполярного
транзистора.
 Схема
Джиаколетто
– физическая
малосигнальная
высокочастотная
эквивалентная
схема биполярного
транзистора:
В еличины
элементов
физической
эквивалентной
схемы транзистора
и собственная
постоянная
времени транзистора
определяются
соотношениями
(упрощёнными):
С
 обственная
постоянная
времени транзистора:
Крутизна:

Определим
граничные и
предельные
частоты транзистора.
Г раничная
частота коэффициента
передачи тока:
 Предельная
частота коэффициента
передачи тока
базы в схеме
с общим эммитером:
М аксимальная
частота генерации:
П редельная
частота коэффициента
передачи тока
эммитера в
схеме с общим
эммитером:
Предельная
частота проводимости
прямой передачи:

Определим
сопротивление
нагрузки транзистора
и построим
нагрузочную
прямую.
Сопротивление
нагрузки транзистора
по переменному
току:

Нагрузочная
прямая по переменному
току проходит
через точку
режима покоя
Iк0=
3 мА, Uкэ0=
4,2 В и точку с
координатами:
Iк=
0, Uкэ=
Uкэ0+
Iк0*R~=
4,2 + 3*10 –3
* 847 = 6,7 В
|
 Iк
,
мА
|
|
|
|
|
|
|
|
|
|
|
|
6
|
|
|
|
|
|
|
|
|
|
|
|
  5
|
|
|
|
|
|
|
|
|
|
|
|
 4
|
|
|
|
|
А
|
|
|
|
|
|
|
3
Iк0
|
|
|
|
|
|
|
|
|
|
|
|
2
|
|
|
|
|
|
|
|
|
|
|
| 1 |
|
|
|
|
|
|
|
|
|
|
|
0
|
1 |
2 |
3 |
4 |
5
Uкэ0
|
6 |
7 |
8 |
9
Еп
|
Uкэ,В
|
Определим
динамические
коэффициенты
усиления.

|
  Iк
,
мА
|
|
|
|
|
|
|
|
|
|
|
|
6
|
|
|
|
|
|
|
|
|
|
|
|
    5
|
|
|
|
|
А
|
|
|
|
|
|
|
  4
|
|
|
ΔIк
|
|
|
3
Iк0
|
|
|
|
|
|
|
|
|
|
     2
|
|
|
|
|
|
|
|
|
|
| 1 |
|
|
|
|
|
|
|
|
|
|
|
0
|
1 |
2 |
3 |
4 |
5
Uкэ0
|
6 |
7 |
8 |
9
Еп
|
Uкэ,В
|
ΔUкэ

|
  Iб,
мкА
|
|
|
|
|
|
|
|
|
|
|
50
|
|
|
|
|
|
|
|
|
|
|
40
|
|
|
ΔIб
|
|
|
|
|
|
|
 30
Iб0
|
|
|
|
|
|
|
|
|
 20
|
|
|
|
|
|
|
|
|
|
| 10 |
|
|
|
|
|
|
|
|
|
|
0
0,15
|
0,17 |
0,19 |
0,21 |
0,23 |
0,25 |
0,27 |
0,29
Uбэ0
|
0,31 |
Uбэ,В
|
ΔUбэ
  
ΔIк=
2,2 мА, ΔUкэ=
1,9 В, ΔIб
= 20 мкА, ΔUбэ
= 0,014 В
Д инамические
коэффициенты
усиления по
току КI
и напряжению
КU
определяются
соотношениями:
Выводы:
Данная
работа активизировала
самостоятельную
работу, развила
умение
выполнять
информационный
поиск, пользоваться
справочной
литературой,
определять
параметры и
характеристики,
эквивалентные
схемы полупроводниковых
транзисторов,
дала разностороннее
представление
о конкретных
электронных
элементах.
Библиографический
список.
“Электронные
приборы: учебник
для вузов”
Дулин В.Н., Аваев
Н.А., Демин В.П.
под ред. Шишкина
Г.Г. ; Энергоатомиздат,
1989 г..
Батушев
В.А. “ Электронные
приборы: учебник
для вузов”;
М.: Высш.шк., 1980г.
Батушев
В.А. “ Электронные
приборы: учебник
для вузов”;
М.: Высш.шк., 1969г.
Справочник
“ Полупроводниковые
приборы: транзисторы”;
М.: Энергоатомиздат,
1985г..
Справочник
по полупроводниковым
диодам, транзисторам
и интегральным
схемам; М.: Энергия,
1976г..
Справочник
“ Транзисторы
для аппаратуры
широкого применения
”; М.: Радио
и связь, 1981г..
|