Реферат: Физические основы электроники
Реферат: Физические основы электроники
Министерство
Российской Федерации
по связи и
информатизации
Сибирский
государственный университет
телекоммуникаций и
информатики
В.Л. Савиных
ФИЗИЧЕСКИЕ ОСНОВЫ
ЭЛЕКТРОНИКИ
Учебное пособие
для специальностей
071 700, 200 700,
200 800,
200 900, 201 000, 201 100, 201 200, 201 400
Новосибирск
2003
УДК 621.385
Рассматриваются устройство,
физические процессы, характеристики, параметры и простейшие схемы применения
полупроводниковых электронных приборов.
ктн, доц. В.Л. Савиных,
Для студентов дневной и заочной
форм обучения специальностей 071700, 200700, 200800, 200900, 201000, 201100,
201200, 201400.
Кафедра технической электроники.
Ил. 8, табл. 11, список лит. 4
назв.
Рецензент ктн, доц. Матвеев В.А.
Утверждено редакционно-издательским советом СибГУТИ
в качестве
учебного пособия
[нет1]
@ Сибирский
государственный
университет
телекоммуникаций
и информатики,
2003 г.
[нет2]
Содержание
Введение………………………………………………………
1 Основы
теории электропроводности полупроводников.......
1.1 Общие сведения о
полупроводниках....................................
1.1.1 Полупроводники с собственной проводимостью..............
1.1.2 Полупроводники с электронной проводимостью.............
1.1.3 Полупроводники с дырочной проводимостью..................
1.2 Токи в полупроводниках
....................................................
1.2.1 Дрейфовый
ток...................................................................
1.2.2 Диффузионный ток...........................................................
1.3 Контактные
явления...........................................................
1.3.1 Электронно-дырочный переход в состоянии равновесия
1.3.2 Прямое включение p-n
перехода......................................
1.3.3 Обратное включение p-n
перехода.................................
1.3.4 Теоретическая характеристика p-n перехода...........................
1.3.5 Реальная характеристика p-n
перехода............................
1.3.6 Ёмкости p-n
перехода......................................................
1.4 Разновидности p-n
переходов..........................................
1.4.1 Гетеропереходы...........................................................
1.4.2 Контакт между полупроводниками одного типа проводимости
1.4.3 Контакт металла с полупроводником..........................................
1.4.4 Омические
контакты...................................................................
1.4.5 Явления на поверхности полупроводника..............................
2
Полупроводниковые диоды.....................................................
2.1 Классификация.......................................................................
2.2 Выпрямительные
диоды.......................................................
2.3 Стабилитроны и
стабисторы.................................................
2.4 Универсальные и импульсные
диоды...................................
2.5 Варикапы..............................................................................
3
Биполярные
транзисторы...........................................................
3.1 Принцип
действия биполярного транзистора. Режимы работы.....
3.1.1 Общие
сведения..............................................................................
3.1.2 Физические процессы в бездрейфовом биполярном транзисторе
3.2 Статические характеристики биполярных транзисторов.........
3.2.1 Схема с общей
базой...............................................................
3.2.2 Схема с общим
эмиттером........................................................
3.2.3 Влияние температуры на статические характеристики БТ.....
3.3 Дифференциальные параметры биполярного
транзистора..................
3.4 Линейная (малосигнальная) модель биполярного транзистора......
3.5 Частотные свойства биполярного
транзистора...................................
3.6 Способы улучшения частотных свойств биполярных транзисторов.
3.7 Работа транзистора в усилительном
режиме......................................
3.8 Особенности работы транзистора в импульсном
режиме..................
3.8.1 Работа транзистора в режиме усиления импульсов малой
амплитуды..............................................................................................
3.8.2 Работа транзистора в режиме
переключения.................................
3.8.3 Переходные процессы при переключении транзистора..............
4 Полевые
транзисторы..............................................................
4.1 Полевой транзистор с p-n
переходом........................................
4.2 Полевой транзистор с изолированным затвором (МДП-ранзистор)...
Литература..............................................................................................
ВВЕДЕНИЕ
Главы учебного пособия
посвящены физическим основам полупровод-ников, контактным явлениям между
полупроводниками различной прово-димости и между полупроводником и металлом.
Рассматриваются принципы работы, характеристики и параметры полупроводниковых
приборов: диодов, биполярных и полевых транзисторов различной структуры.
Для освоения дисциплины ²Физические основы электроники² достаточно знаний по общеобразовательным и
общетехническим предметам в объёме, предусмотренном учебными программами.
После изучения данной дисциплины студент должен получить базовую подготовку,
необходимую для успешного освоения специальных радиотехнических курсов и
последующего решения различного рода профессиональных задач, связанных с
рациональным выбором электронных приборов и режимов их работы в
радиоэлектронной аппаратуре. Подробное рассмотрение физических основ явлений,
принципов работы, параметров, характеристик и моделей приборов направлено на
развитие у студентов умение самостоятельно решать задачи моделирования, анализа
и синтеза радиоэлектронных устройств при их проектировании и эксплуатации.
Однако в
учебном пособии отсутствуют сведения о большой и постоянно обновляемой
номенклатуре электронных приборов. Необходимый материал по этим вопросам можно
найти в справочниках, каталогах и других изданиях.
1
ОСНОВЫ ТЕОРИИ ЭЛЕКТРОПРОВОДНОСТИ
ПОЛУПРОВОДНИКОВ
1.1
ОБЩИЕ СВЕДЕНИЯ О ПОЛУПРОВОДНИКАХ
1.1.1
Полупроводники с собственной электропроводностью
К
полупроводникам относятся вещества, которые по своим электрическим свойствам
занимают промежуточное положение между проводниками и диэлектриками.
Отличительным
признаком полупроводников является сильная зависимость их электропроводности от
температуры, концентрации примесей, воздействия светового и ионизирующего
излучений.
В создании
электрического тока могут принимать участие только подвижные носители
электрических зарядов. Поэтому электропроводность вещества тем больше, чем
больше в единице объема этого вещества находится подвижных носителей электрических
зарядов. В металлах практически все валентные электроны (являющиеся носителями
элементарного отрицательного заряда) свободны, что и обусловливает их высокую
электропроводность. Например, удельное сопротивление меди r=0,017×10-6
Ом×м. В диэлектриках и
полупроводниках свободных носителей значительно меньше, поэтому их удельное
сопротивление велико. Например, для диэлектрика полиэтилена
r
= 1015 Ом×м, а для
полупроводника кремния r = 2×103 Ом×м.
Характерной
особенностью полупроводников является ярко выраженная температурная зависимость
удельного электрического сопротивления. С повышением температуры оно, как
правило, уменьшается на 5...6% на градус, в то время как у металлов удельное
электрическое сопротивление с повышением температуры растет на десятые доли
процента на градус. Удельное сопротивление полупроводника также резко
уменьшается при введении в него незначительного количества примеси.
Большинство
применяемых в настоящее время полупроводников относится к кристаллическим
телам, атомы которых образуют пространственную решетку. Взаимное притяжение
атомов кристаллической решетки осуществляется за счет ковалентной связи, т. е.
общей пары валентных электронов, вращающихся по одной орбите вокруг этих
атомов. Согласно принципу Паули, общую орбиту могут иметь только два электрона
с различными спинами, поэтому число ковалентных связей атома определяется его
валентностью.
Каждой орбите
соответствует своя энергия электрона. Электрон в атоме обладает только
некоторыми, вполне определенными значениями энергии, составляющими совокупность
дискретных энергетических уровней атома.
В процессе
образования кристаллической решетки между атомами возникает сильное
взаимодействие, приводящее к расщеплению энергетических уровней, занимаемых
электронами атомов (рисунок 1.1). Совокупность этих уровней называют
энергетической зоной. Число подуровней в каждой зоне определяется числом
взаимодействующих атомов.
Разрешенные
энергетические зоны 1, 3 отделены друг от друга запрещенной зоной 2.
Запрещенная зона объединяет уровни энергий, которые не могут принимать
электроны атомов данного вещества. Поскольку ширина разрешенных зон в твердом
теле не превосходит несколько электрон-вольт (эВ), а число атомов в 1 см3
достигает 1022, разность между уровнями составляет 10-22
эВ. Таким образом, в пределах разрешенной зоны получается практически
непрерывный спектр энергетических уровней.
Верхняя
разрешенная зона, в которой при абсолютном нуле температуры все энергетические
уровни заняты, называется заполненной или валентной зоной (на рисунке 1.1. это
зона 3). Разрешенная зона, в которой при Т = 0°
К электроны отсутствуют, называется свободной (на рисунке 1.1 это зона 1).

Ширина
запрещенной зоны (зона 2 на рисунке 1.1) является важным параметром,
определяющим свойства твердого тела. Вещества, у которых ширина запрещенной
зоны DW £ 3 эВ,
относятся к полупроводникам, а при DW > 3 эВ - к диэлектрикам. У металлов запрещенная зона
отсутствует.
В полупроводниковой электронике
широкое применение получили германий (DW = 0,67 эВ) и
кремний (DW =1,12 эВ) -
элементы 4-й группы периодической системы. На плоскости кристаллическую
решетку этих элементов изображают так, как показано на рисунке 1.2, а.
Здесь
|
Рисунок 1.1.
Энергетическая
диаграмма кристалла при
Т=0° К.
|
кружками с цифрой 4 обозначены
атомы без валентных электронов, называемые атомным остатком с результирующим
зарядом +4q (q - заряд
электрона, равный 1,6×10-19
Кл). При температуре абсолютного нуля (0°
К) все электроны находятся на орбитах, энергия электронов на которых не
превышает энергетических уровней валентной зоны. Свободных электронов нет, и
полупроводник ведет себя, как диэлектрик.
При комнатной температуре часть
электронов приобретает энергию, достаточную для разрыва ковалентной связи
(рисунок 1.2, а). При разрыве ковалентной связи в валентной зоне появляется
свободный энергетический уровень (рис. 1.2, б). Уход электрона из ковалентной
связи сопровождается появлением в системе двух электрически связанных атомов
единичного положительного заряда, получившего название дырки, и свободного
электрона.

Рисунок 1.2. Условное
обозначение кристаллической решетки (а) и энергетическая диаграмма (б)
полупроводника с собственной электропроводностью.
Разрыв
ковалентной связи на энергетической диаграмме характеризуется появлением в
валентной зоне свободного энергетического уровня (см. рис.
1.2, б), на который может
перейти электрон из соседней ковалентной связи. При таком перемещении
первоначальный свободный энергетический уровень заполнится, но появится другой
свободный энергетический уровень. Другими словами, заполнение дырки
электроном из соседней ковалентной связи можно представить как перемещение
дырки. Следовательно, дырку можно считать подвижным свободным носителем элементарного
положительного заряда. Процесс образования пар электрон-дырка называют генерацией
свободных носителей заряда. Очевидно, что количество их тем больше, чем выше
температура и меньше ширина запрещенной зоны. Одновременно с процессом
генерации протекает процесс рекомбинации носителей, при котором электрон
восстанавливает ковалентную связь. Из-за процессов генерации и рекомбинации
носителей зарядов при данной температуре устанавливается определенная концентрация
электронов в зоне проводимости ni, и равная
ей концентрация дырок pi, в валентной зоне.
Из курса физики известно, что
(1.1)
где Wф - уровень Ферми, соответствующий уровню энергии,
формальная вероятность заполнения которого равна 0,5 (формальная потому, что
уровень Ферми находится в запрещенной зоне и фактически не может быть занят
электронами; кривая распределения Ферми-Дирака, характеризующая вероятность
нахождения электрона на том или ином энергетическом уровне, всегда симметрична
относительно уровня Ферми); WДН - энергия,
соответствующая "дну" зоны проводимости; WВ
- энергия, соответствующая "потолку" валентной зоны; Аn, Ар - коэффициенты пропорциональности; k - постоянная Больцмана, равная 1,37×10-23 Дж/град; Т- абсолютная температура, К. В
химически чистых полупроводниках уровень Ферми совпадает с серединой
запрещенной зоны Wi, а также Аn = Ар = А. Поэтому можно записать:
 . (1.2)
Из выражения (1.2) следует, что в
чистом полупроводнике концентрации носителей зарядов зависят от ширины
запрещенной зоны и при увеличении температуры возрастают приблизи -тельно по
экспоненциальному закону (температурные изменения А играют незначительную
роль). (Рисунок 1.3) Равенство концентраций ni
и pi показывает, что такой полупроводник
обладает одинаковыми электронной и дырочной электропроводностями и называется
полупроводником с Рисунок 1.3 Зависимость концентрации собственной
электропроводностью.
носителей от температуры.
1.1.2
Полупроводники с электронной электропроводностью
При введении в 4-валентный
полупроводник примесных 5-валентных атомов (фосфора Р, сурьмы Sb)
атомы примесей замещают основные атомы в узлах кристаллической решетки (рис.
1.4, а). Четыре электрона атома примеси вступают в связь с четырьмя валентными
электронами соседних атомов основного полупроводника. Пятый валентный
электрон слабо связан со своим атомом и при сообщении ему незначительной
энергии, называемой энергией активации, отрывается от атома и становится
свободным. Примеси, увеличивающие число свободных электронов, называют
донорными или просто донорами. Доноры подбирают таким образом, чтобы их
энергетические уровни Wд располагались в
запрещенной зоне вблизи дна зоны проводимости основного полупроводника (рис.
1.4, б). Поскольку концентрация доноров в большинстве случаев не превышает 1015...1017
атомов в 1 см3, что составляет
10-4 % атомов
основного вещества, то взаимодействие между атомами доноров отсутствует и их
энергетические уровни не разбиваются на зоны.
Малая энергия активизации
примесей, равная 0,04-0,05 эВ для кремния и 0,01-0,13 эВ для германия, уже при
комнатной температуре приводит к полной ионизации 5-валентных атомов примесей
и появлению в зоне проводимости свободных электронов. Поскольку в этом случае
появление свободных электронов в зоне проводимости не сопровождается
одновременным

Рисунок 1.4 Условное
обозначение кристаллической решетки (а) и энергетическая диаграмма (б)
полупроводника с электронной электропроводностью.
увеличением дырок в валентной
зоне, в таком полупроводнике концентрация электронов оказывается значительно
больше концентрации дырок. Дырки в полупроводниках образуются только в
результате разрыва ковалентных связей между атомами основного вещества.
Полупроводники,
в которых концентрация свободных электронов в зоне проводимости превышает
концентрацию дырок в валентной зоне, называются полупроводниками, с электронной
электропроводностью или полупроводниками n-типа.
Подвижные
носители заряда, преобладающие в полупроводнике, называют основными.
Соответственно те носители заряда, которые находятся в меньшем количестве,
называются неосновными для данного типа полупроводника. В
полупроводнике n-типа основными носителями заряда
являются электроны, а неосновными - дырки. В состоянии теплового равновесия в
таком полупроводнике концентрации свободных электронов ( ) и дырок ( ) определяются
соотношениями:
; . (1.3)
С учетом соотношений
(1.1) выражения (1.3) можно представить в следующем виде:
; (1.4) . (1.5)
Из этих
соотношений следует, что для полупроводника n-типа
выполняется неравенство >> .
Атомы
5-валентных примесей, "потерявшие" по одному электрону, превращаются
в положительные ионы. В отличие от дырок положительные ионы
прочно связаны с кристаллической решеткой основного полупроводника, являются
неподвижными положительными зарядами и, следовательно, не могут принимать
непосредственное участие в создании электрического тока в полупроводнике.
Если считать,
что при комнатной температуре все атомы донорных примесей ионизированы ( = Nд,
» 0), на основании выражения (1.4) можно
записать:
, (1.6)
где Nд
- концентрация донорных атомов в полупроводнике.
Из соотношения
(1.6) видно, что в полупроводниках n-типа уровень Ферми располагается в верхней
половине запрещенной зоны, и тем ближе к зоне проводимости, чем больше
концентрация доноров. При увеличении температуры уровень Ферми смещается к
середине запрещенной зоны за счет ионизации основных атомов полупроводника.
Повышение
концентрации электронов в данном полупроводнике значительно снижает его
удельное сопротивление. Например, чистый кремний имеет r = 2×103
Ом× м, а легированный фосфором -
(0,25...0,4)×102 Ом×м.
1.1.3
Полупроводники с дырочной электропроводностью
Если в
кристалле 4-валентного элемента часть атомов замещена атомами 3-валентного
элемента (галлия Ga, индия In),
то для образования четырех ковалентных связей у примесного атома не хватает
одного электрона (рис.
1.5, а). Этот
электрон может быть получен от атома основного элемента полупроводника за счет
разрыва ковалентной связи. Разрыв связи приводит к появлению дырки, так как
сопровождается образованием свободного уровня в валентной зоне. Примеси,
захватывающие электроны из валентной зоны, называют акцепторными или
акцепторами. Энергия активизации акцепторов составляет для германия
0,0102-0,0112 эВ и для кремния 0,045-0,072 эВ, что значительно меньше ширины
запрещенной зоны беспримесного полупроводника. Следовательно, энергетические
уровни примесных атомов располагаются вблизи валентной зоны (рис. 1.5, б).
Ввиду малого
значения энергии активизации акцепторов уже при комнатной температуре
электроны из валентной зоны переходят на уровни акцепторов. Эти электроны,
превращая примесные атомы в отрицательные ионы, теряют способность перемещаться
по кристаллической решетке, а образовавшиеся при этом дырки могут участвовать
в создании электрического тока.
За счет ионизации атомов
исходного материала из валентной зоны часть электронов попадает в зону проводимости.
Однако электронов в зоне проводимости значительно меньше, чем дырок в
валентной зоне. Поэтому дырки в таких полупроводниках являются основными, а
электроны - неосновными

Рисунок 1.5 Условное
изображение кристаллической решетки (а) и энергетическая диаграмма (б)
полупроводника с дырочной электропроводностью.
подвижными носителями заряда.
Такие полупроводники носят название полупроводников с дырочной
электропроводностью или полупроводников р-типа. В состоянии теплового
равновесия концентрация дырок в полупроводнике р-типа ( ) и свободных электронов ( ) определяется из
соотношений:
; (1.7) (1.8)
Из уравнений
(1.7) и (1.8) следует, что для полупроводника р-типа выполняется неравенство >> .
Если считать,
что при комнатной температуре все акцепторные атомы ионизированы, т. е. =0, то на основании
соотношения можно записать: ,
(1.9)
где Na
— концентрация акцепторных атомов в полупроводнике.
Соотношение
(1.9) показывает, что уровень Ферми в полупроводнике р-типа располагается в
нижней половине запрещенной зоны, так как Na
>> ni, и при повышении температуры
смещается к середине запрещенной зоны за счет ионизации атомов основного
полупроводника.
Кроме того, на
основании уравнений (1.4), (1.5), (1.7) и (1.8) можно записать следующее
выражение:
(1.10)
которое показывает, что введение
в полупроводник примесей приводит к увеличению концентрации одних носителей
заряда и пропорциональному уменьшению концентрации других носителей заряда за
счет роста вероятности их рекомбинации.
1.2
ТОКИ В ПОЛУПРОВОДНИКАХ
1.2.1
Дрейфовый ток
В
полупроводниках свободные электроны и дырки находятся в состоянии хаотического
движения. Поэтому, если выбрать произвольное сечение внутри объема полупроводника
и подсчитать число носителей заряда, проходящих через это сечение за единицу
времени слева направо и справа налево, значения этих чисел окажутся одинаковыми.
Это означает, что электрический ток в данном объеме полупроводника отсутствует.
При помещении
полупроводника в электрическое поле напряженностью Е на хаотическое движение носителей
зарядов накладывается составляющая направленного движения. Направленное
движение носителей зарядов в электрическом поле обусловливает появление тока,
называемого дрейфовым (Рисунок 1.6, а ) Из-за столкновения носителей зарядов с
атомами кристал- лической решетки их движение в направлении действия
электрического поля

| а) |
б) |
| Рисунок 1.6
Дрейфовый (а) и диффузионный (б) токи в полупроводнике. |
прерывисто и характеризуется
подвижностью m. Подвижность равна средней
скорости , приобретаемой
носителями заряда в направлении действия электрического поля напряженностью Е =
1 В/м, т. е.
.
(1.11)
Подвижность
носителей зарядов зависит от механизма их рассеивания в кристаллической
решетке. Исследования показывают, что подвижности электронов mn и дырок
mp
имеют различное значение (mn > mp) и определяются температурой и концентрацией
примесей. Увеличение температуры приводит к уменьшению подвижности, что зависит
от числа столкновений носителей зарядов в единицу времени.
Плотность тока
в полупроводнике, обусловленного дрейфом свободных электронов под действием
внешнего электрического поля со средней скоростью ,
определяется выражением .
Перемещение
(дрейф) дырок в валентной зоне со средней скоростью создает в полупроводнике
дырочный ток, плотность которого .
Следовательно, полная плотность тока в полупроводнике содержит электронную jn
и дырочную jр составляющие и равна их сумме (n
и p — концентрации соответственно электронов и дырок).
Подставляя в
выражение для плотности тока соотношение для средней скорости электронов и
дырок (1.11), получаем
(1.12)
Если сравнить
выражение (1.12) с законом Ома j =sЕ, то удельная электропроводность
полупроводника определяется соотношением
.
У
полупроводника с собственной электропроводностью концентрация электронов равна
концентрации дырок (ni = pi),
и его удельная электропроводность определяется выражением
.
В
полупроводнике n-типа > , и его удельная
электропроводность с достаточной степенью точности может быть определена
выражением
.
В
полупроводнике р-типа > , и удельная электропроводность
такого полупроводника

В области
высоких температур концентрация электронов и дырок значительно возрастает за
счет разрыва ковалентных связей и, несмотря на уменьшение их подвижности,
электропроводность полупроводника увеличивается по экспоненциальному закону.
1.2.2 Диффузионный
ток
Кроме
теплового возбуждения, приводящего к возникновению равновесной концентрации
зарядов, равномерно распределенных по объему полупроводника, обогащение
полупроводника электронами до концентрации np
и дырками до концентрации pn может осуществляться
его освещением, облучением потоком заряжённых частиц, введением их через
контакт (инжекцией) и т. д. В этом случае энергия возбудителя передается
непосредственно носителям заряда и тепловая энергия кристаллической решетки
остается практически постоянной. Следовательно, избыточные носители заряда не
находятся в тепловом равновесии с решеткой и поэтому называются
неравновесными. В отличие от равновесных они могут неравномерно распределяться
по объему полупроводника (рисунок 1.6, б)
После прекращения
действия возбудителя за счет рекомбинации электронов и дырок концентрация
избыточных носителей быстро убывает и достигает равновесного значения.
Скорость
рекомбинации неравновесных носителей пропорциональна избыточной концентрации
дырок (pn - ) или электронов (np - ):
; ,
где tp - время жизни дырок; tn - время
жизни электронов. За время жизни концентрация неравновесных носителей
уменьшается в 2,7 раза. Время жизни избыточных носителей составляет
0,01...0,001 с.
Носители
зарядов рекомбинируют в объеме полупроводника и на его поверхности.
Неравномерное распределение неравновесных носителей зарядов сопровождается их
диффузией в сторону меньшей концентрации. Это движение носителей зарядов обусловливает
прохождение электрического тока, называемого диффузионным (рисунок 1.6, б).
Рассмотрим
одномерный случай. Пусть в полупроводнике концентрации электронов n(x) и дырок p(x) являются функциями координаты. Это приведет к диффузионному
движению дырок и электронов из области с большей их концентрацией в область с
меньшей концентрацией.
Диффузионное
движение носителей зарядов обусловливает прохождение диффузионного тока
электронов и дырок, плотности которых определяются из соотношений:
; (1.13) ; (1.14)
где dn(x)/dx, dp(x)/dx - градиенты концентраций
электронов и дырок; Dn, Dp
- коэффициенты диффузии электронов и дырок.
Градиент концентрации характеризует
степень неравномерности распределения зарядов (электронов и дырок) в
полупроводнике вдоль какого-то выбранного направления (в данном случае вдоль
оси x). Коэффициенты диффузии показывают количество
носителей заряда, пересекающих в единицу времени единичную площадку,
перпендикулярную к выбранному направлению, при градиенте концентрации в этом
направлении, равном единице. Коэффициенты
диффузии связаны с подвижностями
носителей зарядов соотношениями Эйнштейна:
; .
Знак
"минус" в выражении (1.14) означает противоположную направленность
электрических токов в полупроводнике при диффузионном движении электронов и
дырок в сторону уменьшения их концентраций.
Если в
полупроводнике существует и электрическое поле, и градиент концентрации
носителей, проходящий ток будет иметь дрейфовую и диффузионную составляющие. В
таком случае плотности токов рассчитываются по следующим уравнениям:
; .
1.3
КОНТАКТНЫЕ ЯВЛЕНИЯ
1.3.1 Электронно-дырочный переход в состоянии равновесия
Принцип
действия большинства полупроводниковых приборов основан на физических явлениях,
происходящих в области контакта твердых тел. При этом преимущественно
используются контакты: полупроводник-полупроводник; металл-полупроводник;
металл-диэлектрик-полупроводник.
Если переход
создается между полупроводниками n-типа и p-типа, то его называют электронно-дырочным или p-n переходом.
Электронно-дырочный
переход создается в одном кристалле полупроводника с использованием сложных и
разнообразных технологических операций.
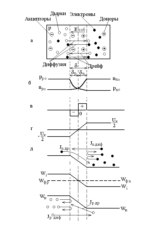
Рассмотрим p-n переход, в котором концентрации
доноров Nд и акцепторов Na
изменяются скачком на границе раздела (рис. 1.7, а). Такой p-n переход называют резким. Равновесная концентрация дырок в p-области ( )
значительно превышает их концентрацию в n-области ( ). Аналогично для электронов
выполняется условие > . Неравномерное
распределение концентраций одноименных носителей зарядов в кристалле (рис. 1.7,
б) приводит к возникновению диффузии электронов из n-области
в p-область и дырок из p-области
в n-область. Такое движение зарядов создает
диффузионный ток электронов и дырок. С учетом выражений (1.13) и (1.14)
плотность полного диффузионного тока, проходящего через границу раздела,
определится суммой
.
Электроны и
дырки, переходя через контакт навстречу друг другу (благо- даря диффузии),
рекомбинируют и в приконтактной области дырочного полу- проводника образуется
нескомпенсированный заряд отрицательных ионов акцепторных примесей, а в
электронном полупроводнике нескомпенсирован -ный заряд положительных донорных
ионов (рис. 1.6, в). Таким образом, электронный полупроводник заряжается
положительно, а дырочный - отрицательно. Между областями с различными типами
электропроводности возникает собственное электрическое поле напряженностью Eсоб (рис. 1.7, а), созданное двумя слоями
объемных зарядов.
Этому полю
соответствует разность потенциалов Uк между n- и p-областями, называемая
контактной (рис. 1.7, г). За пределами области объемного заряда
полупроводниковые области n- и р-типа остаются
электрически нейтральными.
Собственное
электрическое поле является тормозящим для основных носителей заряда и
ускоряющим для неосновных. Электроны p-области и 
Рисунок
1.7 Равновесное состояние p-n
перехода.
дырки n-области,
совершая тепловое движение, попадают в пределы диффузионного электрического
поля, увлекаются им и перебрасываются в противоположные области, образуя ток
дрейфа, или ток проводимости.
Выведение носителей заряда из области полупроводника,
где они являются неосновными, через электронно-дырочный переход ускоряющим
электрическим полем называют экстракцией носителей заряда.
Используя
выражение (1.12) и учитывая, что Е = -dU/dx, определяем плотность полного дрейфового тока через границу
раздела p- и n-областей:
.
Так как через
изолированный полупроводник ток проходить не должен, между диффузионным и
дрейфовым токами устанавливается динамическое равновесие:
. (1.15)
Приконтактную
область, где имеется собственное электрическое поле, называют p-n переходом.
Поскольку
потенциальная энергия электрона и потенциал связаны соотношением W = -qU, образование нескомпенсированных
объемных зарядов вызывает понижение энергетических уровней n-области
и повышение энергетических уровней р-области. Смещение энергетических диаграмм
прекратится, когда уровни Ферми W фn и W фp совпадут (рис. 1.7, д). При этом на границе раздела (x = 0) уровень Ферми проходит через середину запрещенной
зоны. Это означает, что в плоскости сечения x = 0 полупроводник
характеризуется собственной электропроводностью и обладает по сравнению с
остальным объемом повышенным сопротивлением. В связи с этим его называют запирающим
слоем или областью объемного заряда.
Совпадение
уровней Ферми n- и p-областей
соответствует установлению динамического равновесия между областями и
возникновению между ними потенциального барьера Uk
для диффузионного перемещения через p-n
переход электронов n-области и дырок p-области.
Из рис. 1.7,
д следует, что потенциальный барьер
.
Подстановка в
это выражение результатов логарифмирования соотношений (1.4), (1.7) позволяет
получить следующее равенство:
.
Если
обозначить jт = kT/q и учесть уравнение (1.10), то
можно записать:
; (1.16) .
(1.17)
Из уравнений
(1.16) и (1.17) следует:
; . (1.18)
При комнатной
температуре (Т = 300 К) jт » 0,026 В.
Таким образом,
контактная разность потенциалов зависит от отношения концентраций носителей
зарядов одного знака в р- и n-областях полупроводника.
Другим важным
параметром p-n перехода
является его ширина, обозначаемая d = dp + dn.
Ширину
запирающего слоя d можно найти, решив
уравнения Пуассона для n-области и p-области:
; (1.19) . (1.20)
Решения
уравнений (1.19) и (1.20) при граничных условиях
; ; 
имеют вид:
для
-dp
< x < 0;
для 0 < x <dn; (1.21)
В точке x = 0 оба решения должны давать одинаковые значения j и .
Приравняв и , можно записать:
.
(1.22)
Из равенства
(1.22) видно, что ширина слоев объемных зарядов в n-
и p-областях обратно пропорциональна концентрациям
примесей и в несимметричном переходе запирающий слой расширяется в область с
меньшей концентрацией примесей.
На основании
равенства (1.22) можно записать:
; , (1.23)
где d = dn + dр.
Приравнивая
правые части уравнений (1.21) и учитывая соотношения (1.23), при x = 0 получаем
.
На основании
этого выражения формулу для определения ширины запирающего слоя p-n перехода можно записать в
следующем виде:
. (1.24)
Из соотношения
(1.24) видно, что на ширину запирающего слоя существенное влияние оказывает
концентрация примесных атомов. Увеличение концентрации примесных атомов сужает
запирающий слой, а уменьшение расширяет его. Это часто используется для придания
полупроводниковым приборам требуемых свойств.
1.3.2
Прямое включение p-n
перехода
При
использовании p-n перехода в
полупроводниковых приборах к нему подключается внешнее напряжение. Величина и
полярность этого внешнего напряжения определяют электрический ток, проходящий
через p-n переход.
Если
положительный полюс источника питания подключается к
р-области, а отрицательный полюс
- к n-области, то включение p-n перехода называют прямым. При изменении указанной
полярности источника питания включение p-n перехода называют обратным.
Прямое
включение p-n перехода показано
на рис. 1.8. Поскольку сопротивление p-n перехода значительно превышает сопротивление нейтральных p- и n-областей, внешнее напряжение
Uпр почти полностью падает на этом переходе.
Прямое
напряжение создает в переходе внешнее электрическое поле, направленное
навстречу собственному.
Напряженность
результирующего поля падает, и уровни Ферми смещаются таким образом, что
потенциальный барьер уменьшается до Uк - Uпр. Это сопровождается
сужением запирающего слоя, ширина которого может быть найдена из соотношения
(1.24) подстановкой вместо Uк величины Uк - Uпр:
.
В результате
снижения потенциального барьера большее количество основных носителей зарядов
получает возможность диффузионно переходить в соседнюю область, что
сопровождается ростом тока диффузии. Ток дрейфа при этом не изменится,
поскольку он зависит от количества неосновных носителей, появляющихся на
границах p-n перехода. Это количество зависит только от
концентрации примесей в полупроводнике и температуры.
Увеличение
диффузионной составляющей тока через p-n переход при неизменной дрейфовой составляющей приводит к
нарушению термодинамического равновесия, устанавливаемого выражением (1.15).
Через переход будет проходить результирующий ток, определяемый диффузионной
составляющей.
Дополнительная
диффузия носителей зарядов приводит к тому, что на границе p-n перехода повышаются концентрации дырок в области n-типа до некоторого значения и электронов в p-области до значения .
Повышение концентраций неосновных носителей в p- и n-областях вследствие влияния внешнего напряжения,
приложенного к электронно-дырочному переходу,

Рисунок 1.8 Прямое
включение p-n перехода.
получило название инжекции неосновных носителей.
Область, из которой происходит инжекция, называют эмиттером, а область, в
которую осуществляется инжекция, — базой.
Поскольку при
прямом включении p-n перехода
потенциальный барьер уменьшается, концентрации неосновных носителей на
границах p-n перехода могут
быть рассчитаны по формулам (1.18) при замене Uк величиной Uк
- Uпр. Тогда:
; (1.25)
. (1.26)
Из выражений
(1.25) и (1.26) следует, что на границах p-n перехода под действием прямого напряжения Uпр
происходит увеличение концентраций неосновных носителей.
Неравновесные
неосновные носители зарядов диффундируют в глубь полупроводника и нарушают его
электронейтральность. Восстановление нейтрального состояния полупроводников
происходит за счет поступления носителей зарядов от внешнего источника. Это
является причиной возникновения тока во внешней цепи, называемого прямым и
обозначаемого Iпр.
Концентрации
неосновных носителей в нейтральной области полупроводника зависят от координаты
x. Закон их распределения может быть найден путем
решения уравнения непрерывности для установившегося состояния, т. е.
состояния, при котором концентрация неосновных носителей не изменяется во
времени. Этому условию соответствуют уравнения непрерывности, которые при Е =
0 записываются в следующем виде:
; (1.27) ; (1.28)
где - диффузионная длина дырок
в n-области; -
диффузионная длина электронов в p-области.
Решения
уравнений непрерывности (1.27) и (1.28) для нейтральной области полупроводников
(начало отсчета координаты совпадает с границами p-n
перехода) при очевидных из рис. 1.7 начальных условиях и с учетом соотношений
(1.25) и (1.26) имеют вид:
; (1.29)
. (1.30)
Таким образом,
на границе запирающего слоя (x = 0) за счет инжекции
концентрация носителей повышается и достигает следующих значений:
; .
Уравнения
(1.29) и (1.30) показывают, что в неравновесном состоянии при удалении от p-n перехода концентрации неосновных
носителей зарядов вследствие рекомбинации убывают по экспоненциальному закону
от значений и до и .
При x = Lp и x
= Ln концентрации неосновных носителей
уменьшаются в 2,7 раза. Таким образом, диффузионная длина - это расстояние, на
котором концентрация неосновных носителей в неравновесном состоянии уменьшается
в е раз.
1.3.3
Обратное включение р-п-перехода
При включении p-n
перехода в обратном направлении (рис. 1.9) внешнее обратное напряжение Uобр создает электрическое поле, совпадающее по
направлению с собственным, что приводит к росту потенциального барьера на

Рисунок 1.9 Обратное
включение p-n перехода.
величину Uобр
и увеличению относительного смещения энергетических диаграмм на q(Uk + Uобр).
Это сопровождается увеличением ширины запирающего слоя, которая может быть
найдена из соотношения (1.24) подстановкой вместо Uk
величины Uk + Uобр.
. (1.31)
Возрастание
потенциального барьера уменьшает диффузионные токи основных носителей (т. е.
меньшее их количество преодолеет возросший потенциальный барьер). Для
неосновных носителей поле в p-n
переходе остается ускоряющим, и поэтому дрейфовый ток, как было показано в п.
1.3.2, не изменится.
Уменьшение
диффузионного тока приведет к нарушению условия равновесия, устанавливаемого
выражением (1.15). Через переход будет проходить результирующий ток,
определяемый в основном током дрейфа неосновных носителей.
Концентрация
неосновных носителей у границ p-n перехода вследствие уменьшения диффузионного перемещения
основных носителей уменьшится до некоторых значений и . По мере удаления от p-n перехода концентрация неосновных
носителей будет возрастать до равновесной. Значение концентрации неосновных
носителей заряда на любом удалении x от границ p-n перехода можно рассчитать по
следующим формулам, полученным при решении уравнения непрерывности для
обратного, включения p-n
перехода:
; (1.32)
. (1.33)
1.3.4
Теоретическая вольтамперная характеристика p-n перехода
Вольтамперная
характеристика представляет собой график зависимости тока во внешней цепи p-n перехода от значения и полярности
напряжения, прикладываемого к нему. Эта зависимость может быть получена экспериментально
или рассчитана на основании уравнения вольтамперной характеристики.
При включении p-n перехода в прямом направлении в результате инжекции
возникает прямой диффузионный ток.
Уравнения для
плотности электронной и дырочной составляющих прямого тока получаются
подстановкой соотношений (1.29) и (1.30) в (1.13) и (1.14) и, записываются в
следующем виде:
; .
Плотность
прямого тока, проходящего через p-n переход, можно
определить как сумму jпр = jn диф + jp
диф, не изменяющуюся при изменении координаты х. Если считать, что в
запирающем слое отсутствуют генерация и рекомбинация носителей зарядов, то
плотность прямого тока, определяемая на границах p-n перехода (при x = 0),
. (1.34)
Включение p-n
перехода в обратном направлении приводит к обеднению приконтактной области
неосновными носителями и появлению градиента их концентрации. Градиент
концентрации является причиной возникновения диффузионного тока неосновных
носителей.
На основании
соотношений (1.13), (1.14) и (1.32), (1.33) выражение для расчета плотности
обратного тока может быть записано в виде
. (1.35)
Объединяя
выражения (1.34) и (1.35), можно записать уравнение для плотности тока в общем
виде:
, (1.36) где .
Величину js называют плотностью тока насыщения. Умножив правую и
левую части выражения (1.36) на площадь П p-n перехода, получим уравнение
теоретической вольтамперной характеристики:
, (1.37)
где IS- ток насыщения. В это уравнение напряжение U подставляется со знаком "плюс" при включении p-n перехода в прямом направлении и со знаком "минус"
при обратном включении.
Уравнение
(1.37) позволяет рассчитать теоретическую вольтамперную характеристику тонкого
электронно-дырочного перехода, в котором отсутствуют генерация и рекомбинация
носителей зарядов.
Теоретическая
вольтамперная характеристика p-n перехода, построенная
на основании уравнения (1.37), приведена на рис. 1.10. При увеличении

Рисунок 1.10
Теоретическая вольтамперная характеристика p-n перехода.
обратного напряжения ток через p-n переход стремится к предельному
значению js, которого достигает при
обратном напряжении примерно 0,1...0,2 В.
На основании
соотношений (1.2), (1.5), (1.8) и (1.10), считая, что все атомы примесей
ионизированы, т. е. = Na, для области рабочих температур можно
записать: .
(1.38)
Из соотношения
(1.38) видно, что чем больше ширина запрещенной зоны полупроводника и
концентрация примесей доноров и акцепторов, тем меньше ток насыщения, а с
увеличением температуры ток насыщения растет по экспоненциальному закону.
Процессы
генерации и рекомбинации носителей в запирающем слое оказывают существенное
влияние на вид вольтамперной характеристики. В отсутствие внешнего напряжения
между процессами генерации и рекомбинации устанавливается равновесие. При приложении
к p-n переходу обратного напряжения дырки и электроны, образующиеся в
результате генерации, выводятся полем запирающего слоя. Это приводит к
возникновению дополнительного тока генерации Iген,
совпадающего с обратным током p-n перехода. Можно показать, что при = , tn = tр = t0
и Ln = Lp
= L0 справедливо соотношение
, (1.39)
где d0 - толщина запирающего слоя.
Из выражения
(1.39) видно, что генерационная составляющая обратного тока растет при
увеличении ширины запрещенной зоны полупроводника, так как при этом уменьшается
значение ni, а также при увеличении концентрации
примесей, при которой возрастает .
Например, при одинаковых значениях d0
и L0 для германия ni = 2,5×1013 см-3 (DW = 0,67
эВ) и Iген= 0,1×Is, а для
кремния ni = 6,8×1010 см-3 (DW = 1,12
эВ) и Iген = 3000×IS,.
Таким образом,
если в германиевых p-n переходах током генерации можно пренебречь, то в
кремниевых p-n переходах он является основной составляющей обратного тока.
Поэтому на вольтамперных характеристиках кремниевых p-n переходов нет
выраженного участка насыщения.
1.3.5
Реальная вольтамперная характеристика p-n
перехода
При выводе
уравнения (1.37) не учитывались такие явления, как термогенерация носителей в
запирающем слое перехода, поверхностные утечки тока, падение напряжения на
сопротивлении нейтральных областей полупроводника, а также явления пробоя при
определенных обратных напряжениях. Поэтому экспериментальная вольтамперная
характеристика p-n перехода (кривая 2 на рис. 1.11) отличается от теоретической
(кривая 1).
При обратном
включении p-n перехода отличия обусловлены генерацией носителей зарядов и
пробоем p-n перехода. Количество генерируемых носителей пропорционально объему
запирающего слоя, который зависит от ширины p-n перехода. Поскольку ширина
запирающего слоя пропорциональна ,
ток генерации будет расти при увеличении обратного напряжения. Поэтому на
реальной характеристике при увеличении обратного напряжения до определенного
значения наблюдается небольшой рост обратного тока. Возрастанию обратного тока
способствуют также токи утечки.
При некотором
обратном напряжении наблюдается резкое возрастание обратного тока. Это явление
называют пробоем p-n перехода. Существуют три вида пробоя: туннельный,
лавинный и тепловой. Туннельный и лавинный пробои представляют собой
разновидности электрического пробоя

Рисунок 1.11 Отличие
реальной вольтамперной характеристики p-n перехода
от теоретической.
и связаны с увеличением
напряженности электрического поля в переходе. Тепловой пробой определяется
перегревом перехода.
Туннельный
пробой обусловлен прямым переходом электронов из валентной зоны одного
полупроводника в зону проводимости другого, что становится возможным, если
напряженность электрического поля в p-n переходе из кремния достигает значения
4×105 В/см, а из
германия -2×105 В/см.
Такая большая напряженность электрического поля возможна при высокой
концентрации примесей в p- и n-областях, когда толщина p-n перехода становится
весьма малой (см. формулу (1.31)). Под действием сильного электрического поля
валентные электроны вырываются из связей. При этом образуются парные заряды
электрон-дырка, увеличивающие обратный ток через переход. На рис. 1.10 кривая 5
представляет собой обратную ветвь вольт-амперной характеристики перехода,
соответствующую туннельному пробою.
В широких p-n
переходах, образованных полупроводниками с меньшей концентрацией примесей,
вероятность туннельного просачивания электронов уменьшается и более вероятным
становится лавинный пробой. Он возникает тогда, когда длина свободного пробега
электрона в полупроводнике значительно меньше толщины p-n перехода. Если за
время свободного пробега электроны приобретают кинетическую энергию,
достаточную для ионизации атомов в p-n переходе, наступает ударная ионизация,
сопровождающаяся лавинным размножением носителей зарядов. Образовавшиеся в
результате ударной ионизации свободные носители зарядов увеличивают обратный
ток перехода. Увеличение обратного тока характеризуется коэффициентом
лавинного умножения М:
, (1.40)
где UПРОБ - напряжение начала пробоя; m зависит от материала полупроводника. На рис 1.11 лавинному
пробою соответствует кривая 4.
Тепловой
пробой обусловлен значительным ростом количества носителей зарядов в p-n
переходе за счет нарушения теплового режима. Подводимая к p-n
переходу мощность Рподв = IобрUобр
расходуется на его нагрев.
Выделяющаяся в
запирающем слое теплота отводится преимущественно за счет теплопроводности.
Отводимая от p-n перехода мощность Ротв пропорциональна разности
температур перехода Tпер и окружающей среды Токр:
,
где Rт
- тепловое сопротивление, 0К/Вт, определяющее перепад температур,
необходимый для отвода 1 Вт мощности от p-n перехода в окружающую среду.
При плохих
условиях отвода теплоты от перехода возможен его разогрев до температуры, при
которой происходит тепловая ионизация атомов. Образующиеся при этом носители
заряда увеличивают обратный ток, что приводит к дальнейшему разогреву перехода.
В результате такого нарастающего процесса p-n переход недопустимо разогревается
и возникает тепловой пробой, характеризующийся разрушением кристалла (кривая
3).
Увеличение
числа носителей зарядов при нагреве p-n перехода приводит к уменьшению его
сопротивления и выделяемого на нем напряжения. Вследствие этого на обратной
ветви вольтамперной характеристики при тепловом пробое появляется участок с
отрицательным дифференциальным сопротивлением (участок АВ на рис. 1.11).
Отличия
реальной характеристики от теоретической на прямой ветви, в основном,
обусловлены распределенным (объёмным) сопротивлением электронной и дырочной
областей r1 за пределами запирающего слоя (рисунок 1.12).
Если
сопротивление запирающего слоя обозначить rд,
то кристалл полупроводника с запирающим слоем можно представить в виде
последовательного соединения резисторов rд
и r1.
При
прохождении тока IПР на сопротивлении r1
падает часть напряжения внешнего источника и на запирающем слое действует
напряжение UПЕР = UПР
– IПР×r1.
Уравнение вольтамперной характеристики в этом случае может быть записано в
следующем неявном виде:
.

Рисунок 1.12
Упрощенная эквивалентная схема p-n
перехода с распределенным сопротивлением полупроводника.
Поскольку UПЕР
< UПР реальная характеристика идет
ниже теоретической. Когда напряжение на запирающем слое становится равным
контактной разности потенциалов, запирающий слой исчезает, и дальнейшее
увеличение тока ограничивается распределенным сопротивлением полупроводников
p- и n-типа. Таким образом, в точке С при UПР
= UК вольтамперная характеристика переходит
в прямую линию.
1.3.6
Емкости p-n перехода
Изменение
внешнего напряжения dU на p-n переходе приводит к
изменению накопленного в нем заряда dQ. Поэтому p-n
переход ведет себя подобно конденсатору, емкость которого С = dQ/ dU.
В зависимости
от физической природы изменяющегося заряда различают емкости барьерную (зарядную)
и диффузионную.
Барьерная
(зарядная) емкость определяется изменением нескомпенсированного заряда ионов
при изменении ширины запирающего слоя под воздействием внешнего обратного
напряжения. Поэтому идеальный электронно-дырочный переход можно рассматривать
как плоский конденсатор, емкость которого определяется соотношением
,
(1.41)
где П, d - соответственно площадь и толщина p-n перехода.
Из соотношений
(1.41) и (1.31) следует
.
В общем случае
зависимость зарядной емкости от приложенного к p-n переходу
обратного напряжения выражается формулой
,
где C0
— емкость p-n перехода при UОБР = 0; g - коэффициент, зависящий от типа p-n перехода (для резких p-n
переходов g = 1/2, а для плавных g = 1/3).
Барьерная
емкость увеличивается с ростом NА и NД,
а также с уменьшением обратного напряжения. Характер зависимости СБАР
= f(UОБР) показан на рис. 1.13,а.
Рассмотрим
диффузионную емкость. При увеличении внешнего напряжения, приложенного к p-n
переходу в прямом направлении, растет концентрация инжектированных носителей
вблизи границ перехода, что приводит к изменению количества заряда,
обусловленного неосновными носителями в p- и n-областях. Это можно рассматривать
как проявление некоторой емкости. Поскольку она зависит от изменения
диффузионной составляющей тока, ее называют диффузионной. Диффузионная
емкость представляет собой отношение приращения инжекционного заряда dQинж
к вызвавшему его изменению напряжения dUпр,
т. е. . Воспользовавшись
уравнением (1.30), можно определить заряд инжектированных носителей, например
дырок в n-области:
.
Рисунок 1.13
Зависимость барьерной (а) и диффузионной (б) емкостей p-n перехода от напряжения.
.
Тогда
диффузионная емкость, обусловленная изменением общего заряда неравновесных
дырок в n-области, определится по формуле
.
Аналогично для
диффузионной емкости, обусловленной инжекцией электронов в p-область,
.

Рисунок 1.13
Эквивалентная схема p-n
перехода.
Общая
диффузионная емкость
.
Зависимость ёмкости от прямого напряжения на p-n переходе показана на рисунке
1.13, б.
Полная емкость
p-n перехода определяется суммой
зарядной и диффузионной емкостей:
.
При включении
p-n перехода в прямом направлении преобладает диффузионная емкость, а при
включении в обратном направлении - зарядная.
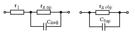
На рис. 1.14
приведена эквивалентная схема p-n перехода по переменному току. Схема содержит
дифференциальное сопротивление p-n перехода rД, диффузионную
емкость СДИФ, барьерную емкость СБАР и сопротивление объема
p- и n-областей r1. На основании уравнения (1.37) можно записать:
.
Если при
прямом включении p-n перехода Uпр >> jт, то:
; .
При комнатной температуре ;
(1.42)
(в соотношении (1.42) значение
тока подставляется в амперах). Сопротивление утечки rУТ
учитывает возможность прохождения тока по поверхности кристалла из-за несовершенства
его структуры. При прямом включении p-n
перехода СБАР << СДИФ,
дифференциальное сопротивление rД ПР мало и
соизмеримо с r1, поэтому эквивалентная схема
принимает вид, показанный на рис. 1.15, а.

Рисунок 1.15
Упрощенные эквивалентные схемы p-n
перехода.
При обратном
смещении rД ОБР >> r1,
СБАР >> СДИФ и эквивалентная схема имеет вид,
показанный на рис. 1.15, б.
1.4
РАЗНОВИДНОСТИ ЭЛЕКТРИЧЕСКИХ ПЕРЕХОДОВ
1.4.1
Гетеропереходы
Гетеропереход
образуется двумя полупроводниками, различающимися шириной запрещенной зоны.
Параметры кристаллических решеток полупроводников, составляющих гетеропереход,
должны быть близки, что ограничивает выбор материалов. В настоящее время
наиболее исследованными являются пары: германий-арсенид галлия, арсенид
галлия-мышьяковидный индий, германий-кремний. Различают n-p и p-n
гетеропереходы (на первое место ставится буква, обозначающая тип
электропроводности полупроводника с более узкой запрещенной зоной). На основе
гетеропереходов возможно также создание структур n-n и p-p.

Рисунок 1.16
Упрощенная энергетическая диаграмма p-n
гетероперехода в равновесном состоянии.
На рисунке
1.16 приведена упрощенная энергетическая диаграмма n-p перехода между арсенидом галлия р-типа (DWP = 1,5
эВ) и германием n-типа (DWn = 0,67 эВ) в состоянии
равновесия (U = 0). При контакте полупроводников
происходит перераспределение носителей зарядов, приводящее к выравниванию
уровней Ферми p- и n-областей и
возникновению энергетического барьера для электронов n-области
q×Ukn
и. для дырок p-области q×Uкp, причем Uкn > Uкp.

Рисунок 1.17
Упрощенная энергетическая диаграмма p-n
гетероперехода, включенного в прямом состоянии.
В состоянии
равновесия ток через n-p переход равен нулю. Поскольку
потенциальные барьеры для дырок и электронов различны, при приложении к гетеропереходу
прямого напряжения смещения он обеспечит эффективную инжекцию дырок из
полупроводника с большей шириной запрещенной зоны (рис. 1.17).
1.4.2
Контакт между полупроводниками одного типа электропроводности
Контакт
полупроводников с одним типом электропроводности, но с разной концентрацией
примесей обозначают р+-р или п+-п (знаком
"плюс" отмечается полупроводник с большей концентрацией примесей). В
таких контактах носители из области с большей концентрацией примеси переходят
в область с меньшей концентрацией. При этом в области с повышенной
концентрацией нарушается компенсация зарядов ионизированных атомов примеси, а в
другой области создается избыток основных носителей зарядов. Образование этих
зарядов приводит к появлению на переходе собственного электрического поля и контактной
разности потенциалов, определяемой следующими соотношениями: для p+-р перехода
;
для n+-n
перехода .
В этих
переходах не образуется слой с малой концентрацией носителей зарядов, и их
сопротивление определяется в основном сопротивлением низкоомной области. Поэтому
при прохождении тока непосредственно на контакте падает небольшое напряжение и
выпрямительные свойства этих переходов не проявляются. В p+-p и n+-n- переходах
отсутствует инжекция неосновных носителей из низкоомной области в высокоомную.
Если, например, к переходу n+-n подключен источник тока плюсом к n-области,
а минусом к n+-области, то из n+-области
в n-область будут переходить электроны, являющиеся в ней основными носителями
зарядов. При изменении полярности внешнего напряжения из n+-области
в n-область должны инжектироваться дырки, однако их
концентрация мала, и этого явления не происходит. Переходы типа p+-p и n+-n возникают при изготовлении омических контактов к
полупроводникам.

Рисунок 1.18
Энергетическая диаграмма p-i
перехода.
Промежуточное
положение между p+-p- или n+-n- и p-n переходом занимают p-i и n-i
переходы. Такие переходы образуются между двумя пластинами, одна из которых
имеет электронную или дырочную электропроводность, а другая - собственную.
На рис 1.18
показаны энергетическая диаграмма и изменение концентраций на границе двух полупроводников
с p- и i-областями. Вследствие
разности концентраций носителей зарядов в p- и i-областях происходит инжекция дырок из p-области
в i-область и электронов из i-области
в p-область. Вследствие малой величины инжекционной
составляющей электронного тока потенциальный барьер на границе перехода создается
неподвижными отрицательными ионами акцепторов р-области и избыточными дырками i-области, диффундирующими в нее из p-области.
Поскольку >> , глубина распространения
запирающего слоя в i-области значительно больше, чем в
р-области.
1.4.3
Контакт металла с полупроводником
Свойства
контакта металла с полупроводником зависят от работы выхода электронов из
металла (W0м) и из полупроводника (W0n или W0p). Электроны
переходят из материала с меньшей работой выхода в материал с большей работой
выхода. При контакте металла с электронным полупроводником при выполнении
условия W0n
< W0p
электроны переходят из полупроводника в металл. Если осуществлен контакт
металла с дырочным полупроводником и выполняется условие W0м
< W0p,
будет происходить переход электронов в полупроводник. И в том, и в другом
случае произойдет обеднение свободными носителями заряда приконтактной области
полупроводника.
Обедненный
слой обладает повышенным сопротивлением, которое может изменяться под
воздействием внешнего напряжения. Следовательно, такой контакт имеет нелинейную
характеристику и является выпрямляющим. Перенос зарядов в этих контактах
осуществляется основными носителями, и в них отсутствуют явления инжекции,
накопления и рассасывания зарядов. Таким образом, выпрямляющие контакты
металл-полупроводник малоинерционны и служат основой создания диодов с
барьером Шоттки, обладающих высоким быстродействием и малым временем переключения.
Если при
контакте металла с полупроводником выполняется условие W0м
< W0м или W0м
> W0p,
то приконтактный слой полупроводника обогащается основными носителями заряда и
его сопротивление становится низким при любой полярности внешнего напряжения.
Такой контакт имеет практически линейную характеристику и является
невыпрямляющим.
1.4.4
Омические контакты
Омическими
называют контакты, сопротивление которых не зависит от величины и направления
тока. Другими словами, это контакты, обладающие практически линейной
вольт-амперной характеристикой. Омические контакты обеспечивают соединение
полупроводника с металлическими токопроводящими элементами полупроводниковых
приборов. Кроме линейности вольт-амперной характеристики, эти контакты должны
иметь малое сопротивление и обеспечивать отсутствие инжекции носителей из металлов
в полупроводник. Эти условия выполняются путем введения между полупроводником
рабочей области кристалла и металлом полупроводника с повышенной концентрацией
примеси (рис. 1.19). Контакт между полупроводниками с одинаковым типом
электропроводности является невыпрямляющим и низкоомным. Металл выбирают так,
чтобы обеспечить малую контактную разность потенциалов. Одним из способов
получения омических контактов является введение в металл примеси, которой
легирован полупроводник. В этом случае при сплавлении металла с полупроводником
в контактной области образуется тонкий слой вырожденного полупроводника, что
соответствует структуре, изображенной на рис. 1.19.

Рисунок 1.19
Структура омического контакта.
1.4.5
Явления на поверхности полупроводника
В результате
взаимодействия полупроводника и окружающей среды на поверхности кристалла
образуются различные соединения, отличающиеся по своим свойствам от основного
материала. Кроме того, обработка кристалла приводит к дефектам кристаллической
решетки на поверхности полупроводника. По этим причинам возникают поверхностные
состояния, повышающие вероятность появления свободных электронов или
незаполненных ковалентных связей. Энергетические уровни поверхностных состояний
могут располагаться в запрещенной энергетической зоне и соответствовать
донорным и акцепторным примесям.
Поверхностные
состояния меняют концентрацию носителей заряда, и в приповерхностном слое
полупроводника возникает объемный заряд, приводящий к изменению уровня Ферми.
Поскольку в состоянии равновесия уровень Ферми во всем кристалле полупроводника
одинаков, поверхностные состояния вызывают искривление энергетических уровней
в приповерхностном слое полупроводника.
В зависимости
от типа полупроводника и характера поверхностных состояний может происходить
обеднение или обогащение поверхности кристалла носителями заряда.
Обеднение
возникает в том случае, если поверхностный заряд совпадает по знаку с основными
носителями заряда. На рис. 1.20 показано образование обедненного слоя на
поверхности полупроводника n-типа при такой плотности
поверхностных состояний, что уровни Win и Wфn не
пересекаются. Повышение плотности пространственного заряда может привести к
пересечению уровня Ферми с уровнем середины запрещенной зоны (рис. 1.21), что
соответствует изменению типа электропроводности у поверхности полупроводника.
Это явление называют инверсией типа электропроводности, а слой, в котором. оно
наблюдается, - инверсным слоем.

| Рис. 1.20
Образование обедненного слоя на поверхности полупроводника n-типа. |
Рис. 1.21 Изменение
типа электропроводимости на поверхности полупроводника n-типа. |
Если знаки
поверхностного заряда и основных носителей противоположны, происходит
обогащение приповерхностной области основными носителями зарядов. Такую область
называют обогащенным слоем (рис. 1.22).
Электропроводность
приповерхностного слоя полупроводника может изменяться под действием
электрического поля, возникающего за счет напряжения, прикладываемого к
металлу и полупроводнику, разделенным диэлектриком. Если предположить, что до
включения напряжения поверхностные состояния на границе полупроводника и
диэлектрика отсутствуют, то электропроводности приповерхностного слоя и
объема полупроводника будут одинаковыми.
При включении
напряжения между металлом и полупроводником возникает электрическое поле, и на
поверхности металла и в приповерхностном слое полупроводника, как на
пластинах конденсатора, накапливаются заряды. Например, если полупроводник
электронный и к нему прикладывается отрицательное напряжение, то под действием
электрического поля у

| Рисунок 1.22 Образование обогащенного слоя на поверхности
полупроводника n-типа. |
Рисунок 1.23 График
изменения типа электропроводности на поверхности полупроводника. |
поверхности увеличиваются
концентрация электронов и электропроводность приповерхностного слоя
полупроводника (см. рис. 1.22). При изменении полярности напряжения
концентрация электронов в приповерхностном слое уменьшается, а дырок - увеличивается.
В связи с этим электропроводность приконтактной области уменьшается, стремясь к
собственной. Увеличение напряжения приводит к тому, что концентрация дырок
становится выше концентрации электронов и происходит изменение (инверсия) типа
электропроводности слоя. При этом электропроводность приповерхностного слоя
увеличивается. Зависимость электропроводности приповерхностного слоя
полупроводника n-типа от напряжения показана на рис.
1.23. Это явление принято называть эффектом поля.
2
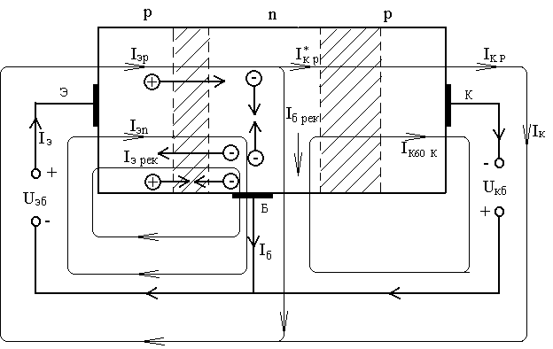
ПОЛУПРОВОДНИКОВЫЕ ДИОДЫ
2.1
Классификация
Классификация
полупроводниковых диодов производится по следующим признакам:
- методу
изготовления перехода: сплавные, диффузионные, планарные, точечные, диоды
Шоттки и др.;
- материалу:
германиевые, кремниевые, арсенидо-галлиевые и др.;
- физическим
процессам, на использовании которых основана работа диода: туннельные,
лавинно-пролетные, фотодиоды, светодиоды. диоды Ганна и др.;
- назначению:
выпрямительные, универсальные, импульсные, стабилитроны, детекторные,
параметрические, смесительные, СВЧ-диоды и др.
Некоторые из
указанных типов диодов по назначению будут рассмотрены в настоящей главе, а
другие - в соответствующих разделах учебного пособия.
2.2
Выпрямительные диоды
Выпрямительными
обычно называют диоды, предназначенные для преобразования переменного
напряжения промышленной частоты (50 или 400 Гц) в постоянное. Основой диода
является обычный p-n переход.
В практических случаях p-n
переход диода имеет достаточную площадь для того, чтобы обеспечить большой
прямой ток. Для получения больших обратных (пробивных) напряжений диод обычно
выполняется из высокоомного материала.
Основными
параметрами, характеризующими выпрямительные диоды, являются (рисунок 2.1):
- максимальный
прямой ток Iпр max;
- падение
напряжения на диоде при заданном значении прямого тока Iпр
(Uпр » 0.3...0,7 В для германиевых диодов и Uпр
» 0,8...1,2 В -для
кремниевых);
- максимально
допустимое постоянное обратное напряжение диода
Uобр max ;
- обратный ток
Iобр при заданном обратном напряжении Uобр (значение обратного тока германиевых диодов
на два -три порядка больше, чем у кремниевых);
- барьерная
емкость диода при подаче на него обратного напряжения некоторой величины;
- диапазон
частот, в котором возможна работа диода без существенного снижения
выпрямленного тока;
- рабочий
диапазон температур (германиевые диоды работают в диапазоне -60...+70°С,
кремниевые - в диапазоне -60...+150°С, что объясняется малыми обратными токами
кремниевых диодов).

Рисунок 2.1
К определению параметров выпрямительных диодов.
Выпрямительные
диоды обычно подразделяются на диоды малой, средней и большой мощности,
рассчитанные на выпрямленный ток до 0.3, от 0,3 до 10 и свыше 10 А
соответственно.
Для работы на
высоких напряжениях (до 1500 В) предназначены выпрямительные столбы,
представляющие собой последовательно соединенные p-n переходы, конструктивно объединенные в одном корпусе.
Выпускаются также выпрямительные матрицы и блоки, имеющие в одном корпусе по
четыре или восемь диодов, соединенные по мостовой схеме выпрямителя и имеющие Iпр max до 1 А
и Uo6p max до 600 В.
При протекании
больших прямых токов Iпр и определенном падении
напряжения на диоде Uпp B нем выделяется большая мощность.
Для отвода данной мощности диод должен иметь большие размеры p-n перехода, корпуса и выводов. Для улучшения теплоотвода используются
радиаторы или различные способы принудительного охлаждения (воздушное или даже
водяное).
Среди
выпрямительных диодов следует выделить особо диод с барьером Шоттки. Этот диод
характеризуется высоким быстродействием и малым падением напряжения (Uпp < 0,6
В). К недостаткам диода следует отнести малое пробивное напряжение и большие
обратные токи.
2.3
Стабилитроны и стабисторы
Стабилитроном
называется полупроводниковый диод, на обратной ветви ВАХ которого имеется
участок с сильной зависимостью тока от напряжения (рисунок 2.2), т.е. с
большим значением крутизны DI/DU (DI= Icт max - Iст
min). Если такой участок
соответствует прямой ветви ВАХ, то прибор называется стабистором.
Стабилитроны
используются для создания стабилизаторов напряжения.
Напряжение
стабилизации Uст равно напряжению
электрического (лавинного) пробоя p-n
перехода при некотором заданном токе стабилизации Iст
(рисунок ). Стабилизирующие свойства характеризуются дифференциальным
сопротивлением стабилитрона rд = DU/DI,
которое должно быть возможно меньше.
К параметрам
стабилитрона относятся: напряжение стабилизации Ucт,
минимальный и максимальный токи стабилизации Iст min Iст max.
Промышленностью выпускаются
стабилитроны с параметрами: Ucт
от 1,5 до 180 В, токи стабилизации от 0,5 мА до 1,4 А.
Выпускаются
также двуханодные стабилитроны, служащие для стабилизации разнополярных
напряжений и представляющие собой встречно включенные p-n переходы.
Рисунок 2.2 К определению параметров стабилитронов.
2.4
Универсальные и импульсные диоды
Они
применяются для преобразования высокочастотных и импульсных сигналов. В данных
диодах необходимо обеспечить минимальные значения реактивных параметров, что
достигается благодаря специальным конструктивно-технологическим мерам.
Одна из
основных причин инерционности полупроводниковых диодов связана с диффузионной
емкостью. Для уменьшения времени жизни t
используется легирование материала (например, золотом), что создает много
ловушечных уровней в запрещенной зоне, увеличивающих скорость рекомбинации и
следовательно уменьшается Сдиф.
Разновидностью
универсальных диодов является диод с короткой базой. В таком диоде протяженность
базы меньше диффузионной длины неосновных носителей. Следовательно,
диффузионная емкость будет определяться не временем жизни неосновных носителей
в базе, а фактическим меньшим временем нахождения (временем пролета). Однако
осуществить уменьшение толщины базы при большой площади p-n перехода технологически очень сложно. Поэтому изготовляемые
диоды с короткой базой при малой площади являются маломощными.
В настоящее
время широко применяются диоды с p-i-n-структурой, в которой две сильнолегированные области p- и n-типа разделены достаточно
широкой областью с проводимостью, близкой к собственной (i-область).
Заряды донорных и акцепторных ионов расположены вблизи границ i-области.
Распределение электрического поля в ней в идеальном случае можно считать
однородным (в отличие от обычного p-n
перехода). Таким образом, i-область с низкой
концентрацией носителей заряда, но обладающей диэлектрической проницаемостью
можно принять за конденсатор, «обкладками» которого являются узкие (из-за
большой концентрации носителей в p- и n-областях)
слои зарядов доноров и акцепторов. Барьерная емкость p-i-n диода определяется размерами i-слоя и при достаточно широкой области от приложенного
постоянного напряжения практически не зависит.
Особенность
работы p-i-n диода состоит в том, что при прямом напряжении одновременно
происходит инжекция дырок из p-области и электронов из n-области в i-область. При этом его
прямое сопротивление резко падает. При обратном напряжении происходит
экстракция носителей из i-области в соседние области.
Уменьшение концентрации приводит к дополнительному возрастанию сопротивления i области по сравнению с равновесным состоянием. Поэтому для
p-i-n
диода характерно очень большое отношение прямого и обратного сопротивлений,
что при использовании их в переключательных режимах.
В качестве
высокочастотных универсальных используются структуры с Шоттки и Мотта. В этих
приборах процессы прямой проводимости определяются только основными носителями
заряда. Таким образом, у рассматриваемых диодов отсутствует диффузионная
емкость, связанная с накоплением и рассасыванием носителей заряда в базе, что
и определяет их хорошие высокочастотные свойства.
Отличие
барьера Мотта от барьера Шоттки состоит в том, что тонкий i-слой
создан между металлом М и сильно легированным полупроводником n+, так что получается структура М-i-n. В высокоомном i-слое падает все приложенное к диоду напряжение, поэтому
толщина обедненного слоя в n+-области очень
мала и не зависит от напряжения. И поэтому барьерная емкость практически не
зависит от напряжения и сопротивления базы.
Наибольшую рабочую частоту имеют
диоды с барьером Мотта и Шоттки, которые в отличие от p-n-перехода почти не накапливают неосновных
носителей заряда в базе диода при
прохождении прямого тока и поэтому имеют малое время восстановления tВОСТ (около 100 пс).
Разновидностью
импульсных диодов являются диоды с накоплением заряда (ДНЗ) или диоды с резким
восстановлением обратного тока (сопротивления). Импульс обратного тока в этих
диодах имеет почти прямоугольную форму (рисунок 4.2). При этом значение t1 может быть значительным, но t2
должно быть чрезвычайно малым для использования ДНЗ в быстродействующих
импульсных устройствах.
Получение малой длительности t2 связано с созданием внутреннего поля в базе
около обедненного слоя p-n-перехода
путем неравномерного распределения примеси. Это поле является тормозящим для
носителей, пришедших через обедненный слой при прямом напряжении, и поэтому
препятствует уходу инжектированных носителей от границы обедненного слоя,
заставляя их компактнее концентрироваться зи границы. При подаче на диод
обратного напряжения (как и в обычном диоде) происходит рассасывание
накопленного в базе заряда, но при этом внутреннее электрическое поле уже будет
способствовать дрейфу неосновных носителей к обедненному слою перехода. В
момент t1, когда концентрация избыточных
носителей на границах перехода спадает до нуля, оставшийся избыточный заряд
неосновных носителей в базе становится очень малым, а, следовательно,
оказывается малым и время t2 спадания
обратного тока до значения I0.

Рисунок 2.3 Временные
диаграммы тока через импульсный диод.
2.5
Варикапы
Варикапом
называется полупроводниковый диод, используемый в качестве электрически управляемой
емкости с достаточно высокой добротностью в диапазоне рабочих частот. В нем
используется свойство p-n-перехода
изменять барьерную емкость под действием внешнего напряжения (рисунок 2.4).
Основные
параметры варикапа: номинальная емкость СН при заданном номинальным
напряжением UН (обычно 4 В ), максимальное
обратное напря- жение Uобр max и добротность Q.
Для увеличения
добротности варикапа используют барьер Шоттки; эти варикапы имеют малое
сопротивление потерь, так как в качестве одного из слоев диода используется
металл.
Рисунок 2.4 Зависимость емкости
варикапа от напряжения.
Основное
применение варикапов - электрическая перестройка частоты колебательных
контуров. В настоящее время существует несколько разновидностей варикапов,
применяемых в различных устройствах непрерывного действия. Это параметрические
диоды, предназначенные для усиления и генерации СВЧ-сигналов, и умножительные
диоды, предназначенные для умножения частоты в широком диапазоне частот. Иногда
в умножительных диодах используется и диффузионная емкость.
3
БИПОЛЯРНЫЕ ТРАНЗИСТОРЫ
3.1 Принцип
действия биполярного транзистора. Режимы работы.
3.1.1 Общие
сведения
Биполярным
транзистором (БТ) называется трехэлектродный полупроводниковый прибор с
двумя взаимодействующими p-n
переходами, предназначенный для усиления электрических колебаний по току,
напряжению или мощности. Слово “биполярный” означает, что физические процессы
в БТ определяются движением носителей заряда обоих знаков (электронов и дырок).
Взаимодействие переходов обеспечивается тем, что они располагаются достаточно
близко - на расстоянии, меньшем диффузионной длины. Два p-n-перехода образуются в результате чередования областей с
разным типом электропроводности. В зависимости от порядка чередования
различают БТ типа
n-p-n (или со структурой n-p-n) и типа
p-n-p
(или со структурой p-n-p), условные изображения которых показаны на рисунке 3.1.

| а) |
б) |
| Рисунок 3.1
Структуры БТ. |
Структура
реального транзистора типа n-p-n изображена на рисунке 3.2. В этой структуре существуют два
перехода с неодинаковой площадью: площадь левого перехода n1+-p меньше, чем у перехода n2-p. Кроме того, у
большинства БТ одна из крайних областей (n1
с меньшей площадью) сечения легирована гораздо сильнее, чем другая крайняя
область (n2).
Рисунок 3.2 Структура реального БТ типа n-p-n.
Сильнолегированная
область обозначена верхним индексом “+” (n+).
Поэтому БТ является асимметричным прибором. Асимметрия отражается и в
названиях крайних областей: сильнолегированная область с меньшей площадью (n1+) называется эмиттером, а
область n2 - коллектором.
Соответственно область (p) называется базовой
(или базой). Правая область n+ служит
для переход n1+-р называют эмиттерным,
а n2-p коллекторным. Средняя снижения сопротивления
коллектора. Контакты с областями БТ обозначены на рисунках 3.1 и 3.2 буквами:
Э - эмиттер; Б - база; К- коллектор.
Основные
свойства БТ определяются процессами в базовой области, которая обеспечивает
взаимодействие эмиттерного и коллекторного переходов. Поэтому ширина базовой
области должна быть малой (обычно меньше 1 мкм). Если распределение примеси в
базе от эмиттера к коллектору однородное (равномерное), то в ней отсутствует
электрическое поле и носители совершают в базе только диффузионное движение. В
случае неравномерного распределения примеси (неоднородная база) в базе
существует “внутреннее” электрическое поле, вызывающее появление дрейфового
движения носителей: результирующее движение определяется как диффузией, так и
дрейфом. БТ с однородной базой называют бездрейфовыми, а с неоднородной
базой - дрейфовыми.
Биполярный
транзистор, являющийся трехполюсным прибором, можно использовать в трех схемах
включения: с общей базой (ОБ) (рисунок 3.3,а), общим эмиттером (ОЭ) (рисунок
3.3,б), и общим коллектором (ОК) (рисунок 3.3,в). Стрелки на условных
изображениях БТ указывают (как и на рисунке 3.1) направление прямого тока
эмиттерного перехода. В обозначениях напряжений вторая буква индекса обозначает
общий электрод для двух источников питания.
В общем
случае возможно четыре варианта полярностей напряжения переходов, определяющих
четыре режима работы транзистора. Они получили названия: нормальный активный
режим, инверсный активный режим, режим насыщения (или режим двухсторонней
инжекции) и режим отсечки.

| а) |
б) |
в) |
| Рисунок 3.3 Схемы
включения БТ. |
В нормальном
активном режиме (НАР) на эмиттерном переходе действует прямое напряжение
(напряжение эмиттер - база UЭБ), а на коллекторном переходе -
обратное (напряжение коллектор - база UКБ). Этому режиму
соответствуют полярности источников питания на рисунке 3.4 и направления токов
для p-n-p
транзистора. В случае n-p-n транзистора полярности напряжения и направления токов изменяются
на противоположные.

Рисунок
3.4 Физические процессы в БТ.
Этот режим
работы (НАР) является основным и определяет назначение и название элементов
транзистора. Эмиттерный переход осуществляет инжекцию носителей в узкую базовую
область, которая обеспечивает практически без потерь перемещение инжектированных
носителей до коллекторного перехода. Коллекторный переход не создает
потенциального барьера для подошедших носителей, ставших неосновными
носителями заряда в базовой области, а, наоборот, ускоряет их и поэтому
переводит эти носители в коллекторную область. “Собирательная” способность
этого перехода и обусловила название “коллектор”. Коллектор и эмиттер могут
поменяться ролями, если на коллекторный переход подать прямое напряжение UКБ,
а на эмиттерный -обратное UЭБ. Такой режим работы называется
инверсным активным режимом (ИАР). В этом случае транзистор “работает” в
обратном направлении: из коллектора идет инжекция дырок, которые проходят
через базу и собираются эмиттерным переходом, но при этом его параметры
отличаются от первоначальных.
Режим работы,
когда напряжения на эмиттерном и коллекторном переходах являются прямыми
одновременно, называют режимом двухсторонней инжекции (РДИ) или менее удачно
режимом насыщения (РН). В этом случае и эмиттер, и коллектор инжектируют
носители заряда в базу навстречу друг другу и одновременно каждый из переходов
собирает носители, приходящие к нему от другого перехода.
Наконец,
режим, когда на обоих переходах одновременно действуют обратные напряжения,
называют режимом отсечки (РО), так как в этом случае через переходы протекают
малые обратные токи.
Следует
подчеркнуть, что классификация режимов производится по комбинации напряжений
переходов, В схеме включения с общей базой (ОБ) они равны напряжениям источников
питания UЭБ и UКБ.
В схеме включения с общим эмиттером (ОЭ) напряжение на эмиттерном переходе
определяется напряжением первого источника (UЭБ = -UБЭ),
а напряжение коллекторного перехода зависит от напряжений обоих источников и
по общему правилу определения разности потенциалов UКБ = UКЭ
+ UЭБ. Так как UЭБ = -UБЭ, тo
UКБ = UКЭ - UБЭ; при этом напряжение источников
питания надо брать со своим знаком: положительным, если к электроду присоединен
положительный полюс источника, и отрицательным - в другом случае. В схеме
включения с общим коллектором (ОК) напряжение на коллекторном переходе
определяется одним источником: UКБ = -UБК. Напряжение на
эмиттерном переходе зависит от обоих источников: UЭБ = UЭК
+ UКБ = UЭК - UБК, при этом правило знаков
прежнее.
3.1.2
Физические процессы в бездрейфовом биполярном
транзисторе
при работе в активном режиме.
Основные
физические процессы в идеализированном БТ удобно рассматривать на примере схемы
с общей базой (рисунок 3.4), так как напряжения на переходах совпадают с
напряжениями источников питания. Выбор p-n-p транзистора связан с тем, что
направление движения инжектируемых из эмиттера носителей (дырок) совпадает с
направлением тока.
В нормальном
активном режиме (НАР) на эмиттерном переходе действует прямое напряжение UЭБ. Поэтому прямой ток перехода
, (3.1)
где Iэ р, Iэ n
- инжекционные токи дырок (из эмиттера в базу) и электронов (из базы в
эмиттер), а Iэ рек - составляющая
тока, вызванная рекомбинацией в переходе тех дырок и электронов, энергия
которых недостаточна для преодоления потенциального барьера. Относительный
вклад этой составляющей в ток перехода Iэ в
(3.1) тем заметнее, чем меньше инжекционные составляющие Iэр и Iэn,
определяющие прямой ток в случае идеализированного р-n
перехода. Если вклад Iэ рек незначителен, то
вместо (3.1) можно записать
. (3.2)
Полезным в
сумме токов выражения (3.1) является только ток Iэ р, так как он
будет участвовать в создании тока коллекторного перехода. “Вредные”
составляющие тока эмиттера Iэ n и Iэ
рек протекают через вывод базы и являются составляющими тока базы, а не
коллектора. Поэтому вредные компоненты Iэ n, Iэ
рек должны быть уменьшены.
Эффективность
работы эмиттерного перехода учитывается коэффициентом инжекции эмиттера
, (3.3)
который показывает, какую долю в
полном токе эмиттера составляет полезный компонент. В случае пренебрежения
током Iэ рек
. (3.4)
Коэффициент
инжекции gЭ "тем выше
(ближе к единице), чем меньше отношение Iэ n/ Iэ р.
Величина Iэ n/ Iэ р << 1, если концентрация
акцепторов в эмиттерной области p-n-p транзистора NАЭ на
несколько порядков выше концентрации доноров NДБ
в базе (NАЭ >> NДБ).
Это условие обычно и выполняется в транзисторах.
Какова же
судьба дырок, инжектированных в базу из эмиттера, определяющих полезный ток IЭр? Очевидно, что инжектированные дырки повышают
концентрацию дырок в базе около границы с эмиттерным переходом, т.е. вызывают
появление градиента концентрации дырок - неосновных носителей базы. Этот
градиент обусловливает диффузионное движение дырок через базу к коллекторному
переходу. Очевидно, что это движение должно сопровождаться рекомбинацией части
потока дырок. Потерю дырок в базе можно учесть введением тока рекомбинации
дырок IБ рек, так что ток подходящих к
коллекторному переходу дырок
. (3.5)
Относительные
потери на рекомбинацию в базе учитывают коэффициентом переноса:
. (3.6)
Коэффициент переноса показывает,
какая часть потока дырок, инжектированных из эмиттера в базу, подходит к
коллекторному переходу. Значение cБ
тем ближе к единице, чем меньшее число инжектированных дырок рекомбинирует с
электронами - основными носителями базовой области. Ток IБ
рек одновременно характеризует одинаковую потерю количества дырок и
электронов. Так как убыль электронов в базе вследствие рекомбинации в конце
концов покрывается за счет прихода электронов через вывод базы из внешней цепи,
то ток IБ рек следует
рассматривать как составляющую тока базы наряду с инжекционной составляющей IЭ n.
Чтобы
уменьшить потери на рекомбинацию, т.е. увеличить cБ, необходимо уменьшить
концентрацию электронов в базе и ширину базовой области. Первое достигается
снижением концентрации доноров Nд Б. Это
совпадает с требованием NАЭ/NДБ,
необходимым для увеличения коэффициента инжекции. Потери на рекомбинацию будут
тем меньше, чем меньше отношение ширины базы WБ
и диффузионной длины дырок в базовой области Lp
Б. Доказано, что имеется приближенное соотношение
. (3.7)
Например, при WБ/Lp Б
= 0,1 cБ = 0,995,
что очень мало отличается от предельного значения, равного единице.
Если при
обратном напряжении в коллекторном переходе нет лавинного размножения
проходящих через него носителей, то ток за коллекторным переходом с учетом
(3.5)
(3.8)
С учетом (3.6)
и (3.3) получим
, (3.9)
где
.
(3.10)
Это отношение
дырочной составляющей коллекторного тока к полному току эмиттера называет
статическим коэффициентом передачи тока эмиттера.
Ток коллектора
имеет еще составляющую IКБО, которая
протекает в цепи коллектор - база при IЭ = 0
(холостой ход, “обрыв” цепи эмиттера), и не зависит от тока эмиттера. Это
обратный ток перехода, создаваемый неосновными носителями областей базы и
коллектора, как в обычном p-n
переходе (диоде).
Таким образом,
полный ток коллектора с учетом (3.8) и (3.10)
. (3.11)
Из (3.11)
получим обычно используемое выражение для статического коэффициента передачи
тока:
, (3.12)
числитель которого (IК - IКБО)
представляет собой управляемую (зависимую от тока эмиттера) часть тока
коллектора, IКр. Обычно рабочие токи
коллектора IК значительно больше IКБО, поэтому
.
(3.13)
С помощью
рисунка 3.4 можно представить ток базы через компоненты:
. (3.14)
По первому
закону Кирхгофа для общей точки
. (3.15)
Как следует из
предыдущего рассмотрения, IК и IБ принципиально меньше тока IЭ;
при этом наименьшим является ток базы
. (3.16)
Используя
(3.16) и (3.11), получаем связь тока базы с током эмиттера
. (3.17)
Если в цепи
эмиттера нет тока (IЭ = 0, холостой ход),
то IБ = -IКБО,
т. е. ток базы отрицателен и по величине равен обратному току коллекторного
перехода. При значении I*Э = IКБО /(1-a)
ток IБ = 0, а при дальнейшем увеличении IЭ (IЭ>I*Э) ток базы оказывается
положительным.
Подобно (3.11)
можно установить связь IК с IБ. Используя (3.11) и (3.15), получаем
, (3.18)
где
(3.19)
- статический коэффициент
передачи тока базы. Так как значение a
обычно близко к единице, то b может
быть очень большим (b>>1).
Например, при a = 0,99 b = 99. Из (3.18) можно получить соотношение
. (3.20)
Очевидно, что
коэффициент b есть отношение
управляемой (изменяемой) части коллекторного тока (IК
- IКБО) к управляемой части базового тока (IБ + IКБО).
Все
составляющие последнего выражения зависят от IЭ
и обращаются в нуль при IЭ = 0. Введя
обозначение
, (3.21)
можно вместо (3.18) записать
. (3.22)
Отсюда
очевиден смысл введенного обозначения IКЭО:
это значение тока коллектора при нулевом токе базы (IБ
= 0) или при “обрыве” базы. При IБ = 0
IК
= IЭ, поэтому ток IКЭО
проходит через все области транзистора и является “сквозным” током, что и
отражается индексами “К” и “Э” (индекс “О” указывает на условие IБ = 0).
3.2
Статические характеристики биполярных транзисторов
Обычно
анализируют входные и выходные характеристики БТ в схемах с общей базой и общим
эмиттером. Для определенности и преемственности изложения будем рассматривать p-n-p-транзистор.
3.2.1 Схема
с общей базой
Семейство
входных характеристик схемы с ОБ представляет собой зависимость IЭ = f(UЭБ)
при фиксированных значениях параметра UКБ -
напряжения на коллекторном переходе (рисунок 3.5,а).

| а) |
б) |
| Рисунок 3.5 Входные
(а) и выходные (б) характеристики БТ в схеме включения с ОБ |
При UКБ = 0 характеристика подобна ВАХ p-n-перехода. С ростом обратного
напряжения UКБ (UКБ
< 0 для p-n-p-транзистора) вследствие уменьшения ширины базовой области
(эффект Эрли) происходит смещение характеристики вверх: IЭ
растет при выбранном значении UЭБ. Если
поддерживается постоянным ток эмиттера (IЭ =
const), т.е. градиент концентрации дырок в базовой
области остается прежним, то необходимо понизить напряжение UЭБ,
(характеристика сдвигается влево). Следует заметить, что при UКБ
< 0 и UЭБ = 0 существует небольшой ток
эмиттера IЭ0, который становится равным нулю
только при некотором обратном напряжении UЭБ0.
Семейство
выходных характеристик схемы с ОБ представляет собой зависимости IК = f(UКБ) при
заданных значениях параметра IЭ (рисунок
3.5,б).
Выходная
характеристика p-n-p-транзистора при IЭ = 0 и
обратном напряжении |UКБ < 0| подобна обратной ветви p-n-перехода (диода). При этом в
соответствии с (3.11) IК = IКБО,
т. е. характеристика представляет собой обратный ток коллекторного перехода,
протекающий в цепи коллектор - база.
При IЭ > 0 основная часть инжектированных в базу
носителей (дырок в p-n-p транзисторе) доходит до границы коллекторного перехода и
создает коллекторный ток при UКБ = 0 в результате ускоряющего
действия контактной разности потенциалов. Ток можно уменьшить до нуля путем
подачи на коллекторный переход прямого напряжения определенной величины. Этот
случай соответствует режиму насыщения, когда существуют встречные потоки
инжектированных дырок из эмиттера в базу и из коллектора в базу. Результирующий
ток станет равен нулю, когда оба тока одинаковы по величине (например, точка
А' на рисунок 3.5,б). Чем больше заданный ток IЭ,
тем большее прямое напряжение UКБ требуется для получения IК = 0.
Область в
первом квадранте на рис. 3.5,б, где UКБ < 0 (обратное) и
параметр IЭ > 0 (что означает прямое
напряжение UЭБ) соответствует нормальному
активному режиму (НАР). Значение коллекторного тока в НАР определяется формулой
(3.11) IК = aIЭ + IКБО. Выходные характеристики
смещаются вверх при увеличении параметра IЭ.
В идеализированном транзисторе не учитывается эффект Эрли, поэтому
интегральный коэффициент передачи тока a
можно считать постоянным, не зависящим от значения |UКБ|.
Следовательно, в идеализированном БТ выходные характеристики оказываются
горизонтальными (IК = const).
Реально же эффект Эрли при росте |UКБ| приводит к уменьшению потерь
на рекомбинацию и росту a. Так как
значение a близко к единице, то
относительное увеличение а очень мало и может быть обнаружено только
измерениями. Поэтому отклонение выходных характеристик от горизонтальных линий
вверх “на глаз” не заметно (на рисунке 3.5,б не соблюден масштаб).
3.2.2 Схема
с общим эмиттером
Семейство
входных характеристик схемы с ОЭ представляет собой зависимости IБ = f(UБЭ),
причем параметром является напряжение UКЭ
(рисунок 3.6,а). Для p-n-p транзистора отрицательное напряжение UБЭ
(UБЭ < 0) означает

| а) |
б) |
| Рисунок 3.6 Рисунок
3.5 Входные (а) и выходные (б) характеристики БТ в схеме включения с ОЭ |
прямое включение эмиттерного
перехода, так как UЭБ = -UБЭ
> 0. Если при этом UКЭ = 0 (потенциалы
коллектора и эмиттера одинаковы), то и коллекторный переход будет включен в
прямом направлении: UКБ = UКЭ
+ UЭБ = UЭБ
> 0. Поэтому входная характеристика при UКЭ
= 0 будет соответствовать режиму насыщения (РН), а ток базы равным сумме
базовых токов из-за одновременной инжекции дырок из эмиттера и коллектора. Этот
ток, естественно, увеличивается с ростом прямого напряжения UЭБ,
так как оно приводит к усилению инжекции в обоих переходах (UКБ
= UЭБ) и соответствующему возрастанию потерь
на рекомбинацию, определяющих базовый ток.
Вторая
характеристика на рисунке 3.6,а (UКЭ á0) относится к нормальному активному
режиму, для получения которого напряжение UКЭ
должно быть в p-n-p транзисторе отрицательным и по модулю превышать напряжение
UЭБ. В этом случае (UКБ
= UКЭ + UЭБ
= UКЭ - UБЭ
< 0. Формально ход входной характеристики в НАР можно объяснить с помощью
выражения (3.14) или (3.17): IБ =(1 - a)IЭ - IКБО.
При малом напряжении UБЭ инжекция носителей практически отсутствует
(IЭ = 0) и ток IБ = -IКБО,
т.е. отрицателен. Увеличение прямого напряжения на эмиттерном переходе UЭБ
= -UБЭ вызывает рост IЭ и величины (1 - a) IЭ. Когда (1 - a) IЭ = IКБО,
ток IБ = 0. При дальнейшем роете UБЭ (1 - a) IЭ > IКБО
и IБ меняет направление и становится положительным (IБ
> 0) и сильно зависящим от напряжения перехода.
Влияние UКЭ на IБ в НАР можно объяснить тем,
что рост |UКЭ| означает рост |UКБ| и, следовательно,
уменьшение ширины базовой области (эффект Эрли). Последнее будет
сопровождаться снижением потерь на рекомбинацию, т.е. уменьшением тока базы
(смещение характеристики незначительно вниз).
Семейство
выходных характеристик схемы с ОЭ представляет собой зависимости IК = f(UКЭ)
при заданном параметре IБ (рисунок 3.6,б).
Крутые
начальные участки характеристик относятся к режиму насыщения, а участки с малым
наклоном - к нормальному активному режиму. Переход от первого режима ко
второму, как уже отмечалось, происходит при значениях |UКЭ|,
превышающих |UБЭ|. На характеристиках в
качестве параметра берется не напряжение UБЭ,
а входной ток IБ. Поэтому о включении
эмиттерного перехода приходится судить по значению тока IБ,
который связан с входной характеристикой на рисунке 3.6,а. Для увеличения IБ необходимо увеличивать |UБЭ|,
следовательно, и граница между режимом насыщения и нормальным активным режимом
должна сдвигаться в сторону больших значений.
Если параметр IБ = 0 (“обрыв” базы), то в соответствии с (3.22) IК = IКЭО = (b + 1 ) IКБО.
В схеме с ОЭ можно получить (как и в схеме с ОБ) I = IКБО, если задать отрицательный ток IБ = -IКБО.
Выходная характеристика с параметром IБ = -IКБО может быть принята за границу между НАР и
режимом отсечки (РО). Однако часто за эту границу условно принимают
характеристику с параметром IБ = 0.
Наклон
выходных характеристик в нормальном активном режиме в схеме с общим эмиттером
во много раз больше, чем в схеме с общей базой (h22Э
» bh22Б) Объясняется это различным проявлением
эффекта Эрли. В схеме с общим эмиттером увеличение UКЭ, а
следовательно и UКБ сопровождается
уменьшением тока базы, а он по определению выходной характеристики должен быть
неизменным. Для восстановления тока базы приходится регулировкой напряжения UБЭ
увеличивать ток эмиттера, а это вызывает прирост тока коллектора DIК, т.е. увеличение выходной
проводимости (в схеме с ОБ ток IЭ при
снятии выходной характеристики поддерживается неизменным).
3.2.3 Влияние температуры на
статические характеристики БТ
Влияние
температуры на положение входной характеристики схемы с ОБ при поддержании
неизменным ее параметра аналогично ее влиянию на ВАХ полупроводникового диода.
В нормальном активном режиме ток эмиттерного перехода можно представить
формулой
.
С ростом
температуры тепловой ток IЭО растет быстрее,
чем убывает экспонента из-за увеличения jТ
= kT/q. В результате
противоположного влияния двух факторов входные характеристики схемы с ОБ
смещаются влево при выбранном токе IЭ на
величину DU » (1...2)
мВ/°С (рисунок 3.7,а).
Начало входной
характеристики в схеме с ОЭ определяется тепловым током коллекторного перехода
IКБО который сильно зависит от температуры, так что начало
характеристики при увеличении температуры опускается (рисунок 3.7, б).

| а) |
б) |
| Рисунок 3.7
Зависимость входных характеристик от температуры для схем ОБ (а) и ОЭ (б). |
Влияние
температуры на выходные характеристики схем с ОБ и ОЭ в НАР удобно
анализировать по формулам (3.11) и (3.22):
и .
Снятие
выходных характеристик при различных температурах должно проводиться при
поддержании постоянства параметров (IЭ = const в схеме с ОБ и IБ = const в схеме с ОЭ). Поэтому в схеме с ОБ при IЭ = const рост IК будет определяться
только увеличением IКБО (рисунок 3.8, а).

| а) |
б) |
| Рисунок 3.8
Зависимость выходных характеристик БТ от температуры для схем включения с ОБ
(а) и ОЭ (б). |
Однако обычно
IКБО значительно меньше aIЭ, изменение IК составляет доли
процента и его можно не учитывать.
В схеме с ОЭ
положение иное. Здесь параметром является IБ
и его надо поддерживать неизменным при изменении температуры. Будем считать в
первом приближении, что коэффициент передачи b
не зависит от температуры. Постоянство bIБ означает, что температурная зависимость IК
будет определяться слагаемым (b + 1)IКБО.
Ток IКБО (как тепловой ток перехода) примерно удваивается при
увеличении температуры на 10°С, и при b
>> 1 прирост тока (b + 1)IКБО
может оказаться сравнимым с исходным значением коллекторного тока и даже
превысить его.
На рисунке
3.8,б показано большое смещение выходных характеристик вверх. Сильное влияние
температуры на выходные характеристики в схеме с ОЭ может привести к потере
работоспособности конкретных устройств, если не принять схемотехнические меры
для стабилизации тока или термостатирование.
3.3
Дифференциальные параметры биполярного транзистора
Статические
характеристики и их семейства наглядно связывают постоянные токи электродов с
постоянными напряжениями на них. Однако часто возникает задача установить
количественные связи между небольшими изменениями (дифференциалами) этих
величин от их исходных значений. Эти связи характеризуют коэффициентами
пропорциональности -дифференциальными параметрами.
Рассмотрим
процедуру введения дифференциальных параметров БТ на примере наиболее
распространенных h-параметров, приводимых в справочниках по транзисторам. Для
введения этой системы параметров в качестве независимых переменных при
описании статического режима берут входной ток IВХ (IЭ
или IБ) и выходное напряжение UВЫХ (UKБ или (UКЭ):
U1= f (I1,U2) (3.23)
I2= f (I1,U2)
В этом случае
полные дифференциалы
(3.24)

Частные
производные в выражениях (3.24) и являются дифференциальными h-napaметрами, т.е.
dU1=h11
d I1 +h12 dU2 (3.25)
dI2=h21 dI1 + h22 dU2
(h11
-входное сопротивление, h12 -коэффициент
обратной передачи, h21 -коэффициент передачи
входного тока и h22 -выходная проводимость).
Названия и обозначения этих параметров взяты из теории четырехполюсников для
переменного тока.
Приращения
статических величин в нашем случае имитируют переменные токи и напряжения.
Для схемы с
общей базой
dUЭБ=h11Б d IЭ +h12Б dUКБ (3.26)
dIК=h21Б dIЭ + h22Б dUКБ
Эти уравнения
устанавливают и способ нахождения по статическим характеристикам, и метод
измерения h-параметров. Полагая dUКБ = 0, т.е. UКБ = const, можно найти h11Б и h21Б, а
считая dIЭ = 0, т. е. IЭ = const. определить h12Б и h22Б.
Аналогично для
схемы с общим эмиттером можно переписать (3.26) в виде
dUБЭ=h11Э d IБ
+h12Э dUКЭ
(3.27)
dIК=h21Э dIБ + h22Э dUКЭ
Связь
h-параметров со статическими характеристиками схем с ОБ и ОЭ и их определение
по ним рассмотрены в [4].
3.4 Линейная (малосигнальная)
модель биполярного транзистора
В качестве
малосигнальных моделей могут быть использованы эквивалентные схемы с
дифференциальными h-, у- и z-параметрами, которые имеют
формальный характер и в которых отсутствуют непосредственная связь с
физической структурой транзистора. Например, эквивалентная схема для системы
Н-параметров приведена на рисунке 3.9.
Рисунок
3.9 Эквивалентна схема БТ в системе Н-параметров.
Широкое
распространение нашли эквивалентные схемы с так называемыми физическими
параметрами, которые опираются на нелинейную динамическую модель Эберса -
Молла, т.е. тесно связаны с физической структурой биполярного транзистора.
Малосигнальную
схему БТ легко получить из нелинейной динамической модели заменой эмиттерного
и коллекторного диодов их дифференциальными сопротивлениями, устанавливающими
связь между малыми приращениями напряжения и тока. Кроме того, в усилительных
схемах используется либо нормальный активный, либо инверсный активный режим, а
режим насыщения недопустим. Поэтому при переходе к малосигнальной схеме можно
ограничиться рассмотрением наиболее распространенного нормального активного
режима, так как результаты легко перенести и на инверсный активный режим. В
этом случае можно исключить генератор тока и малосигнальную модель БТ для схемы
включения с ОБ можно изобразить, как на рисунке 3.10.

Рисунок
3.10 Эквивалентная схема БТ при включении его с ОБ.
Поясним смысл
элементов модели. Резистор RЭ представляет
дифференциальное сопротивление эмиттерного перехода. В первом приближении его
можно определить по формуле для идеализированного р-n
перехода:
RЭ=dU/dI»jT/IЭ, (3.28)
где IЭ-
постоянная составляющая тока эмиттера. Так как при комнатной температуре jт = 0,026 В, то при IЭ
= 1 мА RЭ = 26 Ом.
Величина RК называется дифференциальным сопротивлением
коллекторного перехода. Оно обусловлено эффектом Эрли и может быть определено
по наклону выходной характеристики:
. (3.29)
Величина RК обратно пропорциональна значению параметра h22Б. Дифференциальное сопротивление коллектора
может составлять сотни килоом и мегаомы, тем не менее его следует учитывать.
Реактивные
элементы модели (Сэ, Ск) оказались теперь присоединенными параллельно
резисторам RЭ и RК.
Сопротивление базы r½ББ, которое может
превышать сотни ом, всегда остается в модели.
r½ББ=h12/h22 . (3.30)
Приведенная
эквивалентная малосигнальная модель БТ формально относится к схеме включения с
ОБ. Однако она применима и для схемы с ОЭ. Для этого достаточно поменять местами
плечи этой схемы, называемой Т-образной схемой с физическими параметрами.
Электрод “Б” следует изобразить входным, а “Э” - общим, как показано на рисунке
3.11.

Рисунок 3.11
Эквивалентная схема БТ при включении его с ОЭ.
Значения всех элементов остаются
прежними. Однако при таком изображении появляется некоторое неудобство,
связанное с тем, что зависимый генератор тока в коллекторной цепи выражается не
через входной ток (ток базы). Этот недостаток легко устранить преобразованием
схемы к виду, изображенному на рисунке 3.11. Чтобы обе схемы были равноценными
четырехполюсниками, они должны иметь одинаковые параметры в режимах холостого
хода и короткого замыкания. Это требует перехода от тока H21БIЭ к току Н21ЭIБ
и замены RК и CК
на RК* и CК*
соответственно. Связи этих величин определяются формулами
RК*=Н21БRК/ Н21Э=RК
/( Н21Э+1) , ( 3.31
)
СК*= СК(
Н21Э+1) . ( 3.32 )
Легко
убедиться, что RК* характеризует
наклон выходной характеристики (эффект Эрли) в схеме с ОЭ и связан с выходной
проводимостью в этой схеме соотношением (5.43). Во сколько раз уменьшается RК* по сравнению с RК,
во столько же раз возрастает емкость СK*
по сравнению с СK, т.е. RKCK =RK*CK*. ]
3.5
Частотные свойства биполярного транзистора
Частотные
свойства определяют диапазон частот синусоидального сигнала, в пределах
которого прибор может выполнять характерную для него функцию преобразования
сигнала. Принято частотные свойства приборов характеризовать зависимостью
величин его параметров от частоты. Для биполярных транзисторов используется
зависимость от частоты коэффициента передачи входного тока в схемах ОБ и ОЭ Н21Б
и Н21Э. Обычно рассматривается нормальный активный режим при малых
амплитудах сигнала в схемах включения с ОБ и ОЭ.
В динамическом
режиме вместо приращения токов необходимо брать комплексные амплитуды, поэтому
и коэффициенты передачи заменяются комплексными (частотно зависимыми)
величинами: Н21Б и Н21Э.
Величины Н21Б
и Н21Э могут быть найдены двумя способами:
-решением
дифференциальных уравнений физических процессов и определением из них токов;
-анализом
Т-образной эквивалентной схемы по законам теории электрических цепей.
Во втором
случае Н21Б и Н21Э будут выражены через
величины электрических элементов схемы. Мы проведем анализ частотных свойств
коэффициентов передачи, используя Т-образную линейную модель (эквивалентную
схему) n-р-n транзистора (рисунки 3.10 и 3.11).
На частотные
свойства БТ влияют СЭ, СК и r½ББ, а
также время пролета носителей через базу tБ.
Нет надобности
рассматривать влияние на частотные свойства транзистора каждого элемента в
отдельности. Совместно все эти факторы влияют на коэффициент передачи тока
эмиттера Н21Б, который становится комплексным, следующим образом:

, (3.33 )
где Н21Б0- коэффициент передачи тока эмиттера на
низкой частоте, f - текущая частота, fН21Б- предельная частота.
Модуль коэффициента передачи тока эмиттера равен:
( 3.34 ).
Не трудно заметить, что модуль коэффициента передачи ½Н21Б½на предельной частоте fН21Б снижается в раз.
Сдвиг по фазе между входным и выходным токами
определяется формулой
. ( 3.35 )
Для схемы с ОЭ известно соотношение
 (
3.36 ).
Подставляя (3.33) в (3.36)
получим
(3.37),
где .
Модуль коэффициента передачи тока
базы будет равен
(3.38).
Как видно, частотные свойства БТ в схеме ОЭ
значительно уступают транзистору, включенному по схеме с ОБ.
Граничная частота fГР - это такая частота, на которой модуль
коэффициента передачи ½Н21Э½=1. Из (3.38) получим, что fГР»fН21Э×Н21Э0.
Транзистор можно использовать в
качестве генератора или усилителя только в том случае, если его коэффициент
усиления по мощности КP>1. Поэтому обобщающим частотным
параметром является максимальная частота генерирования или максимальная
частота усиления по мощности, на которой коэффициент усиления по мощности
равен единице. Связь этой частоты с высокочастотными параметрами определяется
выражением
, ( 3.39 ).
где fН21Б-предельная
частота в мегагерцах; r1ББ-объемное
сопротивление в омах; CК-емкость
коллекторного перехода в пикофарадах; fМАКС-в
мегагерцах.
3.6 Способы
улучшения частотных свойств биполярных транзисторов
Рассмотренное выше позволяет
сделать следующие выводы. Для улучшения частотных свойств (повышение предельной
частоты ) рекомендуется следующее.
1. Уменьшать
время пролета инжектированных носителей в базовой области, т.е.
а) уменьшать
ширину базовой области WБ;
б) создавать n-р-n транзисторы, так как подвижность электронов выше, чем у
дырок, примерно в 2 раза;
в)
использовать германиевые БТ, так как в германии подвижность носителей выше.
Еще большие возможности открывает использование арсенида галлия.
2. Создавать
ускоряющее поле в базовой области для инжектированных из эмиттера носителей.
Последнее возникает при неравномерном распределении примесей в базе по
направлению от эмиттера к коллектору (рисунок 3.12). Концентрацию около
эмиттера делают примерно в 100 раз больше, чем около коллектора.

Рисунок
3.12 К образованию электрического поля в базе дрейфого БТ.
Появление поля
объясняется просто. Так как концентрация основных носителей в любой точке базы
(дырок n-р-n транзистора) приблизительно равна концентрации примесей в этой
точке, то распределение примесей Na(х) одновременно
будет и распределением дырок p(х). Под влиянием
градиента концентрации дырок будет происходить их диффузионное движение к
коллектору, приводящее к нарушению условия электрической нейтральности: около
эмиттера будет избыток отрицательного заряда ионов акцепторов, а около
коллектора - избыток положительного заряда дырок, которые приходят к
коллекторному переходу, но не проходят через него.
Нарушение
электрической нейтральности приводит к появлению внутреннего электрического
поля в базовой области (минус у эмиттера, плюс у коллектора). Появляющееся
поле, в свою очередь, вызовет встречное дрейфовое движение дырок. Нарастание
поля и дрейфового потока будет происходить до того момента, когда дрейфовый и
диффузионный токи дырок уравняются. Легко видеть, что установившееся
(равновесное) значение поля будет ускоряющим для электронов, которые входят в
рабочем режиме из эмиттера в базу и будут уменьшать их время пролета, т.е. повышать
предельную частоту БТ.
Биполярные
транзисторы с неравномерным распределением примесей в базе, приводящим к
появлению ускоряющего поля, называются дрейфовыми, а обычные - бездрейфовыми.
Практически все современные высокочастотные и сверхвысокочастотные БТ
являются дрейфовыми.
Уменьшение
времени пролета в базовой области n-р-n транзистора при
экспоненциальном законе убывания
концентрации акцепторов от Nа(0)
до Nа(WБ) учитывается коэффициентом неоднородности
базы:
h=0,5ln[NА(0)/NА(WБ)]
Поэтому [см. (5.93)] можно
написать

Для бездрейфовых
транзисторовh=0 , а типичные
значения для дрейфовых транзисторов .
3. Уменьшать
барьерные емкости эмиттерного и коллекторного переходов путем уменьшения
сечения областей транзистора и увеличения ширины переходов (выбором концентрации
примесей и рабочего напряжения).
4. Уменьшать
омическое сопротивление областей базы r½ББ.
5. Уменьшать
время пролета носителей в области коллекторного перехода.
Следует
отметить, что ряд требований несовместимы и необходимо при создании транзисторов
применять компромиссные решения.
3.7 Работа
транзистора в усилительном режиме
При работе
транзистора в различных радиотехнических устройствах в его входную цепь
поступают сигналы, например переменные напряжения. Под действием входного
переменного напряжения изменяются входной и выходной токи транзистора.
Для выделения
полезного сигнала в выходную цепь транзистора включают элементы нагрузки. В
простейшем случае нагрузкой может служить резистор Rк.
На резисторе нагрузки за счет прохождения выходного тока выделяется, кроме
постоянного, переменное напряжение. Амплитуда этого напряжения зависит от
амплитуды переменной составляющей выходного тока и сопротивления резистора Rк и может быть больше входного напряжения.
Процесс усиления сигнала удобно рассмотреть на примере простейших усилителей.
Простейшая
схема усилителя на транзисторе, включенном по схеме с ОЭ, показана на рисунке
3.13.
Коллекторная
цепь состоит из резистора Rк и источника Ек,
а цепь базы - из источников тока IБ0 и IБm Источник IБ0 обеспечивает положение исходной рабочей точке
на участке характеристик с наименьшей нелинейностью. Источник IБm- источник сигнала. В качестве выходного используется
переменное напряжение, выделяемое на резисторе нагрузки Rк
(на коллекторе транзистора).

Рисунок
3.13 Схема усилителя на БТ.
Работа такого
усилителя поясняется временными диаграммами токов и напряжений, изображенными
на рис. 3..
При IБm =0 токи
базы и коллектора будут определяться токами в рабочей точке (IБ
0, IК 0)и напряжением на коллекторе UК0= ЕК-IК
0 × Rк

Рисунок
3.14 Временные диаграммы усилителя.
Во время
положительного полупериода входного тока (рис. 3.14, а) прямое напряжение
эмиттерного перехода увеличивается, что вызывает рост тока коллектора (рис.
3.14, б) и уменьшение напряжения UКЭ за счет
увеличения падения напряжения на сопротивлении коллектора (рисунок 3.14, в).
Если работа происходит на линейных участках характеристик транзистора, то формы
переменных составляющих токов базы и коллектора совпадают с формой входного
напряжения, а переменное напряжение на коллекторе, обусловленной переменной
составляющей коллекторного тока, оказывается сдвинутым относительно входного
напряжения на 1800. При соответствующем выборе сопротивления
нагрузки Rк амплитуда переменного
напряжения на выходе такого усилителя Umвых=IКmRк может значительно превышать амплитуду входного
напряжения. В этом случае происходит усиление сигнала. Расчет параметров
усиления дан в [4].
3.8
ОСОБЕННОСТИ РАБОТЫ ТРАНЗИСТОРА В ИМПУЛЬСНОМ РЕЖИМЕ
3.8.1
Работа транзистора в режиме усиления импульсов малой амплитуды
Если
транзистор работает в режиме усиления импульсных сигналов малой амплитуды, то
такой режим работы в принципе не отличается от линейного усиления малых
синусоидальных сигналов. Импульс в этом случае может быть представлен в виде
суммы ряда гармонических составляющих. Зная частотные свойства транзистора,
можно определить искажения формы импульсов, возникающие при усилении.
Схема
импульсного усилителя не отличается от схемы усилителя гармонических сигналов
(рисунок 3.13).
3.8.2
Работа транзистора в режиме переключения
Биполярный
транзистор широко используется в электронных устройствах в качестве ключа -
функцией которого является замыкание и размыкание электрической цепи. Имея
малое сопротивление во включенном состоянии и большое - в выключенном,
биполярный транзистор достаточно полно удовлетворяет требованиям, предъявляемым
к ключевым элементам.
Схема
транзисторного ключа показана на рисунке 3.15. Во входной цепи действуют
источник смещения ЕБЭ, создающий обратное напряжение на эмиттерном
переходе, источник управляющих импульсов прямого напряжения UВХ
и ограничительный резистор RБ. Обычно RБ>>Н11Э.
В выходной цепи включены сопротивление нагрузки RК
и источник питания ЕКЭ.

Рисунок 3.15 Схема импульсного усилителя.
Когда нет
импульса на входе, транзистор находится в режиме отсечки и ток коллектора
практически отсутствует IК»IКБ0 (точка
А на выходных характеристиках (рисунок 3.16,б). Напряжение на выходе
транзистора uКЭ= ЕКЭ-IК× RК » ЕКЭ.
При подаче на вход транзистора
импульсов прямого тока
iБ=(UВХ- EБЭ)/RБ=IБ НАС,
транзистор открывается, рабочая точка перемещается в точку Б (режим насыщения)
и напряжение на коллекторе падает до значения uКЭ=
ЕКЭ-IК НАС× RК=UКЭ
ОСТ. При дальнейшем увеличении тока базы ток коллектора не увеличивается
(рисунок 3.16,а).и напряжение на коллекторе не изменяется (рисунок 3.16,б).

| а) |
б) |
| Рисунок 3.16
Зависимость входных (а) и выходных (б) токов БТ. |
3.8.3
Переходные процессы при переключении транзистора
При практическом
использовании транзистора большое значение имеет скорость переключения,
обуславливающая быстродействие аппаратуры. Скорость переключения определяется
процессами накопления и рассасывания неравновесного заряда в базе и коллекторе
транзистора, эмиттерном и коллекторном переходах.
В эмиттерном и
коллекторном переходах находятся нескомпенсированные заряды неподвижных
ионизированных атомов примеси- доноров и акцепторов; неравновесный заряд
отсечки в базе можно считать равным нулю.
При переходе к
режиму насыщения эмиттерный переход открывается, толщина перехода и его
нескомпенсированный заряд уменьшаются, происходит как бы разряд ёмкости
эмиттерного перехода. Вследсвии понижения напряжения на коллекторе, уменьшается
его толщина и заряд в нем, т.е. происходит разряд ёмкости коллекторного
перехода, открывается коллекторный переход и в области базы за счет инжекции
электронов из эмиттерного и коллекторного переходах накапливается большой
неравновесный заряд насыщения. В транзисторах, имеющих высокоомный коллектор
носители заряда инжектируют и в область коллектора, где так же накапливается
неравновесный заряд.
Графики
напряжений и токов транзистора при переключении даны на рисунке 3.17. На базу
транзистора подается прямоугольный импульс напряжения UВХ-EБЭ (рисунок 3.17,а).
График входного тока
показан на рисунке 3.17,б. Величина импульса прямого тока базы IБ ПР определяется в основном сопротивлением
ограничительного резистора RБ.
После переключения
эмиттерного перехода на обратное направление ток перехода, как и в диоде, имеет
первоначально большую величину, ограниченную лишь сопротивлением RБ: IБ ОБР= EБ/ RБ, так как
сопротивление эмиттерного перехода в первый момент после переключения очень
мало вследствие насыщения базы неравновесными носителями заряда (рисунок
3.17,г).
При прямоугольной форме
импульса входного тока импульс выходного тока iК (рисунок
3.17,в) появляется с задержкой tЗ, которая
определяется главным образом скоростью нарастания напряжения эмиттерного
перехода, зависящей от величин ёмкости перехода и прямого тока базы, т.е.
скоростью разряда эмиттерного перехода.
После того как
транзистор перейдет из режима отсечки в активный режим, коллекторный ток
начинает постепенно нарастать, достигая установившегося значения а время tн. Это время определяется скоростью накопления
неравновесного заряда в базе и скоростью разряда емкости коллектора. Таким
образом, полное время включения транзистора состоит 
Рисунок 3.17
Переходные процессы при переключении БТ.
из времени задержки и времени нарастания: .
Практически оно может
иметь величину от нескольких наносекунд до нескольких микросекунд в зависимости
от параметров транзистора.
После подачи в цепь базы
запирающего тока IБ ОБР=EБЭ/RБ выходной коллекторный ток прекращается не
сразу. На протяжении некоторого времени рассасывания tp
он практически сохраняет свою величину, так как концентрация носителей
заряда в базе у коллекторного перехода еще остается выше равновесной и
коллекторный переход благодаря этому оказывается открытым.
Лишь после
того как неравновесный заряд у коллекторного перехода рассосется за счет ухода
электронов из базы и рекомбинации, ток коллектора начинает постепенно спадать,
достигая время спада tС установившегося
значения IKЭ0. В течении этого
времени продолжается рассасывание неравновесного заряда базы и происходит
перезаряд емкости коллекторного перехода. Заметим, что эмиттерный переход при
этом может закрыться раньше или позже коллекторного в зависимости от скорости
рассасывания неравновесного заряда, сосредоточенного поблизости от него.
Процесс
накопления и рассасывания неравновесного заряда qБ
при переключении транзистора поясняется на рисунке 3.17,г. Накопление
неравновесного заряда в базе начинается спустя время задержки tз, и заряд за время нарастания tн
достигает установившегося значения qБ=Qакт. Далее вследствие падения коллекторного
напряжения до величины UКЭ ОСТ< UБЭ
коллекторный переход открывается и начинает инжектировать неравновесные
носители заряда в базу. Заряд базы снова возрастает, достигая к концу входного
импульса значения qБ=Qнас.
После переключения напряжения эмиттерного перехода на обратное происходит
рассасывание неравновесного заряда базы, за время tР+tС он достигает нулевого значения.
4 ПОЛЕВЫЕ ТРАНЗИСТОРЫ
4.1 Полевой транзистор с p-n переходом.
В полевых транзисторах, управление потоком
основных носителей заряда осуществляется в области полупроводника, называемой
каналом, путем изменения его поперечного сечения с помощью электрического
поля. Полевой транзистор имеет следующие три электрода: исток, через который в
n канал втекают основные носители; сток, через который они вытекают из
канала, и затвор, предназначенный для регулирования поперечного сечения канала.
В настоящее время существует множество типов полевых транзисторов, которые в
ряде устройств работают более эффективно, чем биполярные. Преимуществом полевых
транзисторов является также и то, что ассортимент
полупроводниковых материалов для
их изготовления значительно шире (так как они работают только с основными
носителями заряда), благодаря чему возможно создание, например, темпера
-туростойких приборов. Большое значение также имеют низкий уровень шумов и
высокое входное сопротивление этих транзисторов. На рисунке 4.1 приведена схема
включения полевого транзистора.
Во входную
цепь включен источник обратного смещения UЗИ на p-n переходе между
затвором и каналом. Выходная цепь состоит из источника постоянного напряжения UСИ
плюсом соединенного к стоку. Исток является общей точкой схемы. Контакты истока
и стока невыпрямляющие. Канал может иметь электропроводимость, как p-типа, так
и n-типа; поскольку mn>mp выгоднее применять n-канал.
Затвор выполняют в виде полупроводниковой области p+-типа.
Полевой
транзистор работает следующим образом. При отсут-
| Рисунок 4.1 ПТ с управляющим p-n переходом. |
ствии напряжения на входе
основные носители заряда - электроны под действием ускоряющего электрического
ноля в канале (E = 105Q104
В/см) дрейфуют в направлении от истока к стоку, в то время как p-n переход для
них заперт. Ток IС, создаваемый этими электронами, определяется как
напряжением стока UСИ, так и сопротивлением канала. Последнее
зависит от поперечного сечения канала, которое ограничивается p-n переходом
(заштрихованная область). Поскольку потенциал электрического поля линейно
возрастает от истока к стоку вдоль канала, толщина p-n перехода минимальна
вблизи истока и максимальна вблизи стока, и канал сужается вдоль p-n перехода
от стока к истоку. Таким образом, наибольшим сопротивлением канал обладает в
наиболее узкой своей части.
Если в
результате подачи к затвору переменного напряжения сигнала результирующее
обратное напряжение на затворе UЗИ повысятся, то толщина p-n
перехода по всей его длине увеличится, а площадь сечения канала и, следовательно,
ток в цепи стока уменьшаются. На рисунке 4.2,а изображена характеристика

| а) |
б) |
| Рисунок 4.2
Характеристики прямой передачи (а) и выходные (б) ПТ с управляющим p-n переходом. |
прямой передачи IС
=f(UЗИ). Указанный эффект будет тем сильнее, чем больше удельное
сопротивление материала полупроводника, поэтому полевые транзисторы выполняют
из высокоомного материала. При больших обратных напряжениях на затворе UЗИ0
сечение канала в его узкой части станет равным нулю и ток через канал
прекратится. Такой режим называется режимом отсечки. Характеристика прямой
передачи хорошо описывается формулой
(3.40)
Па рисунке
4.2,б изображено семейство статических выходных характеристик IС
=f(UСИ) при различных значениях напряжения затвора UЗИ.
Каждая характеристика имеет два участка - омический (для малых UСИ)
и насыщения (для больших UСИ). При UЗИ = 0 с увеличением
напряжения UС ток IС вначале нарастает почти линейно,
однако далее характеристика перестает подчиняться закону Ома; ток IС
начинает расти медленно, ибо его увеличение приводит к повышению падения
напряжения в канале и потенциала вдоль канала. Вследствие этого увеличиваются
толщина запирающего слоя и сопротивление канала, а также замедляется
возрастание самого тока IС. При напряжении насыщения UСИ
= UЗИ0 сечение канала приближается к нулю и рост IС
прекращается.
Следующая
характеристика, снятая при некотором обратном напряжении затвора U^ЗИ, когда запирающий слой имеет большую
толщину при тех же значениях UСИ, будет более пологой на начальном
участке и насыщение наступит раньше (при меньших значениях U^СИ=UЗИ0 -U^ЗИ).
Температурная
зависимость тока истока связана с изменением подвижности основных носителей,
заряда в материале канала. Для кремниевых транзисторов крутизна S уменьшается с
увеличением температуры. Кроме того, с повышением температуры увеличивается
собственная проводимость полупроводника, возрастает входной ток IЗ
черед переход и, следовательно, уменьшается RВХ. У полевых
кремниевых транзисторов с p-n переходом при комнатной температуре ток затвора
порядка 1 нА. При увеличении температуры ток удваивается на каждые 10°С.
Особенность
полевых транзисторов заключается в наличии у них термостабильной точки, т. е.
точки, в которой ток стока практически постоянен при различных температурах
(рисунок 4.3). Это объясняется следующим образом.
При повышении
температуры из-за уменьшения подвижности носителе удельная проводимость канала
уменьшается, а следовательно, уменьшается и ток стока. Одновременно сокращается
ширина p-n перехода, расширяется проводящая часть канала и увеличивается ток.
Первое сказывается при больших токах стока, второе при малых. Эти два
противоположных процесса при определенном выборе рабочей точки могут взаимно
компенсироваться. При правильном выборе ее положения основной

| Рисунок 4.3 Зависимость характеристик прямой передачи от
температуры. |
причиной дрейфа тока стока
может быть высокоомный резистор в цепи в зависимости от температуры будет изменяться
падение напряжения по входной цепи,которое изменит рабочий ток стока.
Основным параметрам, используемым при расчете усилительного
каскада с полевым транзистором, является статическая крутизна характеристики
прямой передачи, т. е. отношение изменения тока стока к напряжению между
затвором и истоком:

Дифференциальное выходное
сопротивление здесь определяется как
, Ом, .
Оно
составляет, примерно десятки — сотни килоомов. Статический коэффициент
усиления по напряжению m=DUСИ/DUЗИ =S'Ri .
Определение
параметров по характеристикам дано в [4].
Междуэлектродные
емкости затвор-исток СЗИ затвор-сток СЗС и сток-исток ССИ.
Для маломощных транзисторов СЗИ=3 пФ, СЗС=2 пФ и ССИ=0,2
пФ.
Ток затвора во
входной цепи триода IЗ —обратный ток, создаваемый неосновными
носителями через p-n переход, чрезвычайна мал (порядка 10-9 А и
менее). Поэтому входное сопротивление полевого транзистора RВХ=DUЗ/DIЗ очень высокое (порядка нескольких
мегомов), входная же емкость мала, так как переход находится под обратным
напряжением. Этими качествами полевой транзистор выгодно отличается от
биполярных транзисторов с двумя p-n переходами. При работе полевого
транзистора на высоких частотах основное значение имеет емкость СЗИ.
Максимальная рабочая частота определяется постоянной времени входной цепи
f=1/2pRCЗИ, где R -
сопротивление канала, через которое заряжается емкость. Анализ показывает, что
по частотным свойствам полевой транзистор не имеет особых преимуществ перед
биполярным. Практически были осуществлены полевые транзисторы с максимальной
частотой генерации до 30 ГГц. Но с точки зрения быстродействия полевой
транзистор превосходит биполярный, так как работает на основных носителях
заряда при отсутствии их накопления.
В импульсном
режиме чрезвычайно полезным достоинством полевого транзистора является почти
полное отсутствие остаточного напряжения и цепи канала во включенном состоянии.
Закрытый полевой транзистор оказывает сопротивление постоянному току между
стоком и истоком более 108 Ом.
Полевые
транзисторы с p-n переходом целесообразно применять во входных устройствах
усилителей при работе от высокоомного источника сигнала, в чувствительной по
току измерительной аппаратуре, импульсных схемах, регуляторах уровня сигнала и
т. п.
4.2 Полевой
транзистор с изолированным затвором
(МДП-транзистор).
Этот
транзистор имеет структуру металл - диэлектрик - полупроводник и может быть
двух типов: с индуцированным каналом (рисунок 4.4,а) и с встроенным каналом
(рисунок 4.4,б). Если основой транзистора является кремний, то диэлектриком
может быть слой окиси кремния, поэтому такую структуру иногда называют
МОП-транзистор (металл - окисел - полупроводник).

| а) |
б) |
|
Рисунок 4.4
Структура МДП ПТ с индуцированным (а)
и встроенным (б)
каналами.
|
Транзистор с
индуцированным каналом имеет области истока n+ и стока n+,
которые выведены путем металлизации через отверстие в окиси кремния на
контакты - исток и сток. На слой двуокиси окиси кремния напыляют слой алюминия,
служащий затвором. Можно считать, что алюминиевый затвор и полупроводниковый
материал p-типа образуют плоский конденсатор с окисным диэлектриком, Если на
металлическую часть затвора подать положительное напряжение, то положительный
заряд обкладки затвора индуцирует соответствующий отрицательный заряд в
полупроводниковой области канала. С возрастанием положительного напряжения
этот заряд, созданный притянутыми из глубины p-области проводника электронами,
которые являются неосновными носителями, превращает поверхностны слой
полупроводника p-типа в проводящий канал n-типа, соединяющий исходные n+-области
истока и стока. Поэтому уменьшается сопротивление материала между истоком и
стоком, что ведет к увеличению тока стока. Таким образом, благодаря электростатической
индукции между истоком и стоком происходит инверсия типа проводимости
полупроводника. Слой полупроводника p-типа превращается в полупроводник
n-типа. До инверсии сопротивление
между истоком и стоком определяется сопротивлением закрытого перехода, так как
до инверсии имеет место структура n+-р-n+. После инверсии
образуется n-проводимость и структура становится n+-n-n+.
Меняя напряжение на затворе, можно управлять током стока. Если взять подложку
n-типа, то можно построить МДП-транзистор с индуцированным p-каналом, который
управляется отрицательным напряжением на затворе.
Транзистор с
встроенным каналом имеет конструкцию, подобную предыдущей. Между истоком и
стоком методом диффузии создают слаболегированный канал c проводимостью n--типа
при проводимости подложки p-типа. Возможно другое сочетание. Канал имеет
проводимость p-типа, а подложка — проводимость n-типа. В отсутствие напряжения
на затворе (рис. 2.91б) ток между истоком и стоком определяется сопротивлением
n--канала. При отрицательном напряжении на затворе концентрация
носителей заряда и канале уменьшится и в нем появляется обедненный слой.
Сопротивление между истоком и стоком увеличивается и ток уменьшается. При положительном
напряжении на затворе ток стока увеличивается, потому что в канале
индуцируется дополнительный отрицательный заряд, увеличивающий его
проводимость.
На рисунке 4.4 приведены
характеристики прямой передачи МДП-транзисторов с индуцированным (кривая 2) и
встроенным (кривая 1) каналами.
видна квадратичность передаточной
характеристики. Теоретически характеристика прямой передачи описывается
следующим выражением:
при . ( 3.41 )
Здесь А - постоянный коэффициент;
UЗИ ПОР - напряжение, которое для транзистора с индуцированным
каналом принято называть пороговым. Инверсия типа проводимости начинается лишь
при достижении напряжения UПОР.

| Рисунок 4.4 Характеристики прямой передачи МДП ПТ. |
Выходные
характеристики МДП-транзистора с индуциро- ванным каналом n-типа приведены на
рисунке 4.5,а со встроенным каналом - на рисунке 4.5,б.
В области UCИ
< |UЗИ - UЗИ ПОР | теоретический ток стока
. ( 3.42 )
Уравнение
(3.42) описывает восходящие ветви выходной характеристики Входное
сопротивление МДП-транзистора из-за наличия изолятора между затвором и каналом
составляет около 1012 - 1014 Ом и уменьшается с ростом
частоты вследствие шунтирования входной емкостью транзистора. Выходное
сопротивление находится в пределах десятков - сотен килоомов. Входная и
выходная емкости составляют единицы пикофарад, а проходная емкость -десятые
доли пикофарад.

| а) |
б) |
| Рисунок 4.5
Выходные характеристики ПТ с индуцированным (а) и встроенным (б) каналами. |
Литература
1 Электронные
, квантовые приборы и микроэлектроника. Под редакцией Федорова Н.Д. - М.: Радио
и связь, 1998.-560 с.
2 Электронные
приборы. Под редакцией Шишкина Г.Г. -М.: Энергоатомиздат, 1989.-496 с.
3 Батушев
В.А. Электронные приборы. -М.: Высшая школа, 1980. -383 с.
4 Савиных В. Л. Физические основы электроники.
Методические указания и контрольные задания. СибГУТИ, 2002.
ктн, доц. Валерий
Леонидович Савиных,
Физические основы
электроники
Учебное пособие
Редактор доц. Удальцов А.Н.
Корректор Шкитина Д.С.
Лицензия №020475, январь
1998 г. Подписано в печать
Формат бумаги 62 х 84 1/16
Бумага писчая №1. Уч. изд.
л. Тираж экз.
Заказ №
СибГУТИ, 630102, г.
Новосибирск, ул. Кирова, 86.
[нет1]
[нет2]
|