рефераты бесплатно
рефераты бесплатно
Главная
Исторические личности
Журналистика
Зоология
Инвестиции
Информатика
История техники
Кибернетика
Коммуникация и связь
Косметология
Криминалистика
Криминология
Кулинария
Культура и искусство
Культурология
Международное публичное право
Международное частное право
Международные отношения
Менеджмент
Металлургия
Налогообложение
Наука и техника
Сельское лесное хозяйство и землепользование
Социальная работа
Социология и обществознание
Спорт и туризм
Строительство и архитектура
Таможенная система
Транспорт

Реферат: Групповой канальный интерфейс


Реферат: Групповой канальный интерфейс

8. Разработка вопросов по экологии и

безопасности жизнедеятельности .

8.1. Рабочее место проектировщика устройства управления коммутационным полем цифровой системы передачи .


Электронно-вычислительная техника все шире входит во все сферы нашей жизни. Компьютер стал привычным не только в производственных цехах и научных лабораториях, но и в студенческих аудиториях и школьных классах.

Непрерывно растет число специалистов, работающих с персональным компьютером, который становится их основным рабочим инструментом . Ни экономические, ни научные достижения невозможны теперь без быстрой и четкой информационной связи и без специально обученного персонала.

Однако длительное пребывание у экрана компьютера без соблюдения необходимых правил небезвредно для здоровья операторов. В первую очередь они отмечают нарушение зрения, утомление мышц рук и позвоночника, общую слабость.

Основные факторы вредного влияния компьютера на организм — это электромагнитные поля и излучения, электронная развертка изображения и его мелькание на экране, длительная неподвижность позы оператора. Предупредить воздействие этих факторов — значит сохранить здоровье.


8.2. Дисплей .


Средства отображения визуальной информации , обеспечивающие эффек-тивное информационное взаимодействие человека с электронно-вычислительной машиной (ЭВМ), получают широкое распространение в различных автоматизированных системах управления и являются основным средством обмена информацией в малых и микро-ЭВМ.

Компьютеры имеются не только в научных лабораториях и производственных цехах , их устанавливают и в домах . Это создает людям комфорт и облегчает деловую жизнь.

Ежедневно в течение нескольких часов операторы находятся перед экранами электронных дисплеев, что при несоблюдении санитарно-гигиенических норм и правил может повлечь за собой развитие некоторых профессиональных заболеваний.

На состояние здоровья оператора дисплея могут влиять такие вредные факторы, как длительное неизменное положение тела, вызывающее мышечно-скелетные нарушения; постоянное напряжение глаз; воздействие радиации (излучение от высоковольтных элементов схемы дисплея и электронно-лучевой трубки); влияние электростатических и электромагнитных полей, что может приводить к кожным заболеваниям, появлению головных болей и дисфункции ряда органов.


За последнее время привлекает к себе внимание такое явление, как техностресс. Дело в том, что с внедрением видеодисплеев работающие с ними

пытаются получить ответ на следующие вопросы: является ли силовой трансформатор видеодисплея опасным с точки зрения излучения? Создает ли видеодисплей другие опасные излучения? Возможны ли иные проблемы со здоровьем? Даже в случае отрицательного ответа на эти вопросы остаются некоторая неопределенность и ощущение тревоги, что может привести к плохому самочувствию и даже развитию фобии — боязни дисплея. Поэтому психическое состояние человека, находящегося перед экраном дисплея, — одна из важнейших проблем, над решением которой работают тысячи специалистов.

Исследования взаимосвязи условий работы и здоровья служащих включают:

— медицинское обследование (офтальмологическое, ортопедическое, аллергологическое и др.);

— анализ рабочих задач, уровня умственной нагрузки и нагрузки на зрительный аппарат;

— количественную оценку времени, требуемого для выполнения поставленных задач;

— анализ гигиенических условий — изменение качественных параметров воздуха;

— проверку правильности работы и эффективности системы кондиционирования;

— анализ окружающего шума;

— анализ светотехнических условий (освещение, яркость, контрастность).

Неионизирующее электромагнитное излучение в неоптическом диапазоне частот может нанести вред здоровью, при этом имеют значение напряженность поля, диапазон частот, вид излучения (импульсное или непрерывное) и время воздействия. В некоторых рабочих помещениях видеодисплеи являются сильными источниками неионизирующих электромагнитных, оптических и субоптических излучений .

Большая рабочая нагрузка может вызвать некоторые симптомы кожных заболеваний, но нельзя с уверенностью утверждать, что это следствие воздействия видеодисплеев.

Затруднения зрительного восприятия можно объяснить следующими факторами:

— резкими контрастом между яркостью экрана компьютера и освещенностью помещения (предпочтительным является средний контраст);

— недостаточной освещенностью рабочего места (наиболее оптимальна освещенность 600—400 лк).

Мелькание и дрожание экрана и изображения, резкое падение контраста при внешней засветке отмечаются при работе на дисплеях с вакуумными трубками .


Альтернативными технологиями являются плоские плазменные , электролюминесцентные и новейшие жидкокристаллические (ЖК) экраны .

Плазменная технология практически исключает мелькание. Наибольшей экономичностью обладают ЖК-дисплеи как для переносных, так и для стационарных компьютеров.


8.3. Электромагнитные поля и излучения .


Дисплеи с электроннолучевыми трубками (ЭЛТ) являются потенциальными источниками мягкого рентгеновского, ультрафиолетового, инфракрасного, видимого, радиочастотного, сверх- и низкочастотного электромагнитного излучения (ЭМИ).

Источниками ЭМИ радиочастотного и низкочастотного диапазонов могут являться система горизонтального отклонения луча электронно-лучевой трубки (ЭЛТ) дисплея, работающего на частотах 15 —53 кГц, блок модуляции луча ЭЛТ — 5—10 МГц, система вертикального отклонения и модуляции луча ЭЛТ — 50—81 Гц.

С учетом широкополосности спектра ЭМИ видеотерминала предложен самый широкий норматив — в диапазоне частот 0,06—300 МГц — 10,0 В/м по электрической составляющей и 0,3 А/м по магнитной составляющей.


8.4. Действие света на организм человека .


Свет является одним из важнейших условий существования человека. Он влияет на состояние человека , правильно организованное освещение стимулирует протекание процессов высшей нервной деятельности и повышает работоспособность . При недостаточном освещении человек работает менее продуктивно , быстро устает , растет вероятность ошибочных действий , что может привести к травматизму . В зависимости от длины волны свет может оказывать возбуждающее ( оранжево-красный ) или успокаивающее ( желто-зеленый ) действие .

Спектральный состав влияет на производительность труда .

Освещенность рабочих помещений должно удовлетворять следующим условиям :

  • уровень освещенности рабочих поверхностей должен соответ-ствовать гигиеническим нормам для данного вида работы ;

  • должны быть обеспечены равномерность и устойчивость уровня освещенности в помещении , отсутствие резких контрастов между освещенностью рабочей поверхности и окружающего пространства;

  • в поле зрения не должно создаваться блеска источниками света и другими предметами ;


  • искусственный свет , используемый на рабочем месте , по своему спектральному составу должен приближаться к естественному .

Освещение может быть естественным , искусственным и совмещен-ным .

Естественное освещение осуществляется через окна ( боковое освещение ) , световые фонари ( верхнее ) или одновременно через фонари и окна ( комбинированное ) . Нормирование естественного освещения производится с помощью коэффициента естественной освещенности ( КЕО), выраженного в процентах :

КЕО = ЕВ*100/ЕН , где ЕВ – освещенность точки внутри помещения , лк ; ЕН – одновременная наружная освещенность горизонтальной поверхности рассе-янным светом небосвода ( без учета прямых солнечных лучей ) , лк .

Значения КЕО при естественно и совмещенном освещении рабочих поверхностей приведены в таблице 8.1 :



Характеристика и разряд зрительной работы

Наименьший линейный размер объекта различения, мм

Естественное освещение


Совмещенное освещение

верхнее боковое верхнее боковое

Наивысшей точности – I

Очень высокой точности – II

Высокой точности – III

Средней точности – IV

Малой точности – V

Грубая – VI

Работа со светящимися материалами – VII

Общее наблюдение за ходом технологического процесса – VIII

менее 0,15


0,15 – 0,3

0,3 – 0,5

0,5 – 1

1 – 5

более 0,5


более 5

10


7

5

4

3

2


3


1

3,5


2,5

2

1,5

1

0,5


1


0,3

6


4,2

3

2,4

1,9

1,2


1


0,7

2


1,5

1,2

0,9

0,6

0,3


0,6


0,2


Таблица 8.1 .


Искусственное освещение по функциональному назначению делится на рабочее , дежурное , аварийное , эвакуационное и охранное . По расположению источников света искусственное освещение делится на общее , местное и комбинированное .


В качестве источников света при искусственном освещении используются лампы накаливания и газоразрядные лампы . Основными характеристиками источников света являются номинальное напряжение ,

потребляемая мощность , световой поток , удельная световая отдача и срок службы .


8.5. Влияние микроклиматических условий

на организм человека .


Микроклимат помещения оказывает значительное влияние на проекти-ровщика . Отклонения отдельных параметров микроклимата от реко-мендованных значений снижают работоспособность , ухудшают самочув-ствие работника и могут привести к профессиональным заболеваниям .

Температура , влажность и скорость движения воздуха играют заметную роль в создании микроклимата на рабочем месте .

Оптимальные нормы параметров микроклимата с учетом периода года и категории работ приведены в таблице 8.2 :


Период

работы

Категория

работы

Температура ,

оС

Скорость движения

воздуха , м/с ,

не более


Холодный


Теплый


IIа
IIб
III


IIа
IIб
III

22–24

31–23

18–20

17–19

16–18


23–25

22–24

21–23

20–22

18–20

0,1

0,1

0,2

0,2

0,3


0,1

0,2

0,3

0,3

0,4


Таблица 8.2 .


Допустимые нормы параметров микроклимата в холодный и теплый периоды года приведены в таблице 8.3 :


Категория

работы

Температура воздуха ,

оС

Относительная

влажность воздуха , % , не более

Скорость движения

воздуха , м/с ,

не более



IIа

IIб


III

21–25/22–28


20–24/21–28


17–23/18–27


15–21/16–27


13–19/15–26

75/55

при 28оС

75/60

при 27оС

75/65

при 26оС

75/70

при 25оС

75/75

при 24оС и ниже

0,1/0,1–0,2


0,2/0,1–0,3


0,13/0,2–0,4


0,4/0,2–0,5


0,5/0,2–0,6



Таблица 8.3 .


Помимо микроклимата помещения большое значение имеют те или иные примеси , содержащие в воздухе .

В зависимости от сил , вызывающих перемещение воздуха , различают естественную и искусственную вентиляцию .

При естественной вентиляции воздухообмен осуществляется за счет разности температур воздуха в помещении и снаружи – теплового напора и воздействия ветра – ветрового напора .

При искусственной вентиляции перемещение воздуха осуществляется при помощи вентиляторов через систему воздуховодов .

По санитарным нормам на каждого проектировщика должно быть подано свежего воздуха не менее 30 м3/ч , если объем помещения не менее 20 м3 .

Система вентиляции должна обеспечивать требуемую кратность воздухообмена : n = Lb/Vп , где Lb – количество воздуха , поступающего ( или удаляемого ) в помещение , м3/ч ; Vп – объем помещения , м3 .

Lb – не менее 30 м3/ч , если объем помещения не менее 20 м3 , а у нас объем помещения ( комнаты ) – Vп ≈ 3,5 м * 3 м *2,7 м = 28,35 м3 .

n = 30/28,35 = 1,058


При большей кратности воздухообмена применяется искусственная вентиляция .


8.6. Зрение и компьютер .


Современный служащий, работающий на компьютере, читает не отраженные тексты, как при обычной работе с бумагой и письменными принадлежностями, а смотрит на источник света — дисплей. Его глаза перебегают с бумаги на экран и обратно. Сотни, тысячи раз в день глаза должны перестраиваться с одного способа чтения на другой. Поэтому предупреждение заболеваний глаз у операторов дисплея — одна из ведущих проблем, касающихся их здоровья.


8.7. Очки для работы с компьютером .

За последнее время получили распространение различные виды очков (в частности, с затемненными поляроидными пленками), которые, по мнению их изготовителей, могут сохранить зрение при работе с компьютерными видеотерминалами. С нашей точки зрения, это может быть лишь частичным решением проблемы, так как главная причина для беспокойств и главная угроза для здоровья — это неподвижность, статичность позы, особенно глазных мышц, которые нуждаются в динамическом режиме работы. Поэтому главное внимание следует уделять созданию специального двигательного режима как для мышц глаза (тренировки, упражнения), так и для всего организма оператора ЭВМ. Еще одной основной проблемой является влияние низкочастотных полей, создаваемых вокруг экрана, а также высокочастотных компонентов излучений при сканировании электронного луча по экрану дисплея.


Рис 8.1.


Во Всероссийском НИИ физической культуры и спорта нами созданы и запатентованы новые специальные очки для работы с компьютерами (рис. 8.1),

которые, осуществляя совмещение изображений экрана и клавиатуры или планшета, уменьшают утомление и исключают лишние движения, убыстряют ввод информации в ЭВМ . Созданы также и новые призматические очки для

работы с компьютером, обеспечивающие комфортность позы оператора и исключающие наклоны головы и изгибы шеи.


8.8. Болезни, вызванные травмой

повторяющихся нагрузок .


Исследования американских специалистов показывают, что интенсивная и продолжи тельная работа на компьютере может стать источником тяжелых профессиональных заболеваний.

В отличие от сердечных приступов и приступов головной боли заболевания, обусловленные травмой повторяющихся нагрузок (ТПН), представляют собой постепенно накапливающиеся недомогания. Легкая боль в руке, если ее вовремя не вылечить, может в конечном итоге привести к полной инвалидности. Недели, месяцы, годы работы на клавиатуре без соблюдения рекомендуемых правил приведут к тому, что вам будет трудно закинуть чемоданчик на полку в самолете. Обычно начинает болеть правая рука, но затем заболевает и левая, поскольку на нее ложится большая нагрузка.

Так называемые эргономические заболевания становятся в Америке быстро растущим видом профессиональных болезней. В 1992 г. в США доля этих заболеваний составила 52 %, в то время как в 1981 г. и в 1984 г.—18% и 28 % соответственно. Интересно, что темпы роста заболеваний этого вида соответствуют темпам роста компьютеризации учреждений США.

Экономические потери, наносимые американскому бизнесу болезнями операторов ЭВМ, необычайно велики: один тяжелый случай может обойтись в 100 тыс. долл. Сюда входят затраты на лечение, административные расходы и вынужденную потерю производительности труда заболевшего работника. Страховая компания "Голубой крест" в 1990 г. выплатила компенсацию в среднем по 20 тыс. долл. по каждому из 30 случаев заболевания ТПН.

Приводимая статистика представляет собой лишь часть проблемы, потому что каждое такое заболевание означает тяжелую личную драму. Множество людей вынуждены ограничить или полностью прекратить свою трудовую деятельность и стать постоянными посетителями врачей и физиотерапевтических кабинетов. В конце концов практически всех их ждет хирургическая операция, которая стала обычной для лиц, страдающих от ТПН. Вероятность успешного оперативного вмешательства составляет примерно 80 %; пациенты, как правило, проходят продолжительный период послеоперационной реабилитации, но у некоторых из них прежняя работоспособность полностью все же не восстанавливается. Возвращаясь на прежнее место, они могут работать только с системой ввода информации в компьютер с голоса.

Анализируя причины резкого роста "компьютерных" профессиональных заболеваний , американские специалисты отмечают прежде всего слабую

эргономическую проработку рабочих мест операторов вычислительных машин. Среди причин заболеваний — слишком высоко расположенная клавиатура, неподходящее кресло, эмоциональные нагрузки, продолжительное время работы на клавиатуре. В отличие от машинисток операторы ЭВМ сегодня работают на клавиатуре часами без перерыва. Если двадцать лет назад сотрудники офисов выполняли различные работы: выходили в копировальное бюро для ксерокопирования документов, занимались с картотекой и во время печатания на машинке периодически ударяли по рычагу перевода каретки на новую строку, — то сегодня все эти операции выполняет компьютер.

Специалисты полагают, что естественным положением кистей рук является вертикальное, как при рукопожатии, а вовсе не ладонью вниз, как при работе на клавиатуре ЭВМ. Ведущие американские компьютерные фирмы, обеспокоенные ростом профессиональных заболеваний, начали финансировать работы по исследованию их причин. Изучаются возможные варианты конструкции клавиатуры, однако специалисты не уверены в том, что новая клавиатура сможет полностью решить проблему, поскольку причины заболеваний ТПН до сих пор полностью не выявлены.

"Эпидемия" ТПН вызвала резкий скачок активности множества фирм, производящих "эргономическое" оборудование рабочих мест операторов ЭВМ. При этом ни одно из предлагаемых изделий не может решить проблему целиком, а в данном случае требуется системный подход, учитывающий позу оператора, особенности рабочего места и основные приемы работы на компьютере.

Сегодня владельцы ЭВМ могут купить различные приспособления, облегчающие труд оператора, — от опоры для запястья, удерживающей кисть в нужном положении во время набора на клавиатуре или работы с "мышью", до программного обеспечения, предупреждающего оператора о необходимости сделать перерыв в работе. Однако большее значение имеет возможность регулировки положения всех узлов рабочего места — высоты поверхности стола, кресла оператора. Следует добиваться того, чтобы рабочее место соответствовало характеру работы и фигуре оператора, а не наоборот.

Во многих офисах стандартным оборудованием стали подзапястники — плоские или изогнутые пластины из мягкого материала, которые располагаются перед клавиатурой. Они недороги, могут иметь различные размеры и форму, некоторые модели оснащены таймерами, подающими оператору, работающему продолжительное время, сигнал перерыва. Эффективность этих приспособлений зависит от привычек и стиля работы оператора. Если в процессе набора оператор вместе с ударом по клавише опускает свое запястье, то подзапястники помогут удержать запястье в нейтральном положении. Основное их предназначение — служить опорой для запястья во время пауз между ударами по клавишам. Если клавиатура располагается слишком высоко,


это приспособление может принести больше вреда , чем пользы , поскольку

работник часто опирается руками на подзапястник вместо того , чтобы

скользить над клавиатурой. Это приводит к перенапряжению всей кисти .

Борьба с ТПН не ограничивается только эргономическим оснащением рабочего места оператора. В ближайшее время должны появиться клавиатуры новых конструкций, значительно отличающиеся от привычной плоской клавиатуры. В новой модели она разделена на две части, которые могут наклоняться относительно горизонтали. Одна из фирм разместила клавиши на двух вогнутых дисках, что значительно сокращает нагрузку на ладони. Однако для оценки истинной эффективности новых конструкций клавиатур требуются дополнительные исследования.

Другое устройство, привлекающее особое внимание специалистов в области эргономики, — это манипулятор типа "мышь". При каждом поднятии руки и повторяющемся ее удержании над каким-либо предметом предплечье испытывает значительную нагрузку. Поэтому для операторов, которые используют в своей работе клавиатуру и манипулятор "мышь", могут оказаться весьма полезными опоры для кистей, повторяющие их перемещения. Эти опоры должны быть размещены так, чтобы кисти свободно свисали с них.

Правильный режим работы имеет важное значение в профилактике профессиональных заболеваний рук операторов ЭВМ. Перерывы в работе, потягивания, разогревание мышц, участвующих в процессе набора на клавиатуре, — все это поможет предотвратить болезнь.

Наиболее дальновидные руководители фирм предпринимают специальные меры по профилактике заболеваний рук операторов ЭВМ. В американской компании "Голубой крест", например, была разработана программа, предусматривающая интенсивное обучение всех сотрудников. Восьмичасовая программа обучения дает руководящему составу компании знания о том, как распознавать симптомы болезни. Руководителям было поручено создать такую обстановку, чтобы служащие немедленно сообщали о своих недомоганиях. Служащие, со своей стороны, во время одночасовой беседы получали начальные сведения об опасности заболевания ТПН. Их также научили распознавать первые признаки болезни, кроме того, были даны рекомендации по организации своего рабочего места. Специалисты фирмы осмотрели несколько моделей "эргономических кресел" и выбрали среди них одну, регулировка которой позволяет подогнать ее под размеры тела каждого сотрудника.

Выполнение этой программы потребовало сотен тысяч долларов, однако польза от нее значительно перекрыла расходы. Экономия от выплаты компенсации по нетрудоспособности только за один год составил 1 млн. долл. Интересно, что число претензий по страхованию после проведения программы выросло, однако средняя стоимость компенсации сократилась с 20 тыс. долл. до 3 тыс. долл. Представители компании объясняют это более ранней диагностикой заболеваний.


Проблема ТПН встретила неоднозначную реакцию среди изготовителей вычислительной техники, владельцев фирм и даже операторов ЭВМ.

Одни из них считают "эпидемию" подобных болезней очередной выдумкой, полагая, что через несколько лет проблема разрешится сама собой. Другие настаивают на расширении исследований причин заболеваний. А в это время тысячи работников, занятых на ЭВМ, ежегодно пополняют ряды заболевших. Только совместные усилия изготовителей вычислительной техники, медицинских работников и пользователей могут остановить распространение этих недугов.

Заболевания, обусловленные травмой повторяющихся нагрузок, включают болезни нервов, мышц и сухожилий руки. Наиболее часто страдают кисть, запястье и плечо (сегмент верхней конечности от туловища до локтя), хотя могут быть затронуты плечевая и шейная области. У операторов ЭВМ заболевание обычно наступает в результате непрерывной работы на неудобно или неправильно расположенной клавиатуре, например при чрезмерно высоком положении поверхности стола или плохо подогнанном под фигуру кресле.

В числе таких профессиональных заболеваний — тендовагинит, травматический эпикондилит, болезнь де Кервена, тендосиновит, синдром канала запястья.

Тендовагинит — воспаление и опухание сухожилий. Заболевание распространяется на кисть, запястье, плечо.

Травматический эпикондилит (теннисный локоть, лучеплечевой бурсит) — раздражение сухожилий, соединяющих мышцы предплечья и локтевой сустав.

Болезнь де Кервенаразновидность тендовагинита, при которой страдают сухожилия, связанные с большим пальцем кисти руки.

Тендосиновит воспаление синовиальной оболочки сухожильного основания кисти и запястья.

Синдром канала запястья ущемление медиального нерва руки в результате опухания сухожилия или синовиальной оболочки либо повторяющегося изгиба запястья.

Чтобы предупредить эти заболевания, необходимо тщательное выполнение всех рекомендуемых правил.

Оператор ЭВМ, прежде чем приступить к работе с компьютером, должен ответить на следующие вопросы:

— являются ли регулируемыми все конструктивные элементы рабочего кресла;

— не мешают ли опоры для рук работе на клавиатуре; — можно ли изменить высоту и расположение клавиатуры;

— как располагается верхний край экрана по отношению к глазам оператора;

— использует ли оператор для ответа на телефонные звонки специальную телефонную гарнитуру (укрепляемые на голове микрофон и наушники). Рекомендации операторам: — не работать на клавиатуре ЭВМ непрерывно более 30 минут;

— менять характер своей работы в течение дня;


— применять для разговоров по телефону гарнитуру, что позволяет во время телефонного разговора подняться с места;

— устраивать разминку перед продолжительной работой на клавиатуре и выполнять рекомендуемые упражнения для пальцев (см. приложения);

— если мерзнут руки, надевать легкие перчатки без пальцев;

— при первых признаках боли немедленно обращаться к врачу.

Рекомендации руководящему персоналу:

— организовать работу сотрудников таким образом, чтобы характер выполняемых операций изменялся в течение рабочего дня;

— оценить регулируемость рабочих мест операторов;

.— провести учебу персонала, сообщив о болезнях, связанных с работой на клавиатуре, и о важности их профилактики;

— содействовать тому, чтобы служащие не скрывали свои проблемы, связанные с работой на ЭВМ.


8.9. Работа у дисплея и пути ее оптимизации (видеоэргономика) .


Визуальный канал ввода информации в мозг человека используется при работе с дисплеями. Передача информации при этом производится только в одном направлении — в мозг человека, при этом человек не может обходиться без постоянного зрительного контроля выполняемых действий.

Работа с дисплеем зачастую происходит в помещениях с искусственным освещением. Роль искусственного освещения в жизни современного общества неизмеримо велика. Свет лампы, создающий необходимые условия для функционирования органа зрения и, следовательно, обеспечивающий полноценную трудовую деятельность, фактически удлиняет период сознательного существования человека. Однако такое освещение должно обеспечивать правильную работу глаз и приближаться к оптимальным условиям зрительного восприятия в условиях естественного солнечного освещения. Только тогда возможны высокая производительность труда и качество продукции при наименьшем утомлении человека, в том числе при работе с дисплеями.

Как показали многочисленные научные исследования, при повышении освещенности рабочих мест от 100 до 1000 лк происходит рост производительности труда для работы средней трудности на 5—6%, а при очень трудной зрительной работе —на 15%. Как установили, например, сотрудники Ленинградского института охраны труда, рост освещенности от 70 до 700 лк увеличил производительность труда на обмотке стартеров электрических машин более чем на 100 %. Бесспорна роль количества и качества света для повышения качества продукции, безопасности на производстве. Большое влияние на психологический статус человека, работающего с компьютером, оказывает и спектральный состав излучений искусственных источников света. Принято различать теплые цвета (красный,


оранжевый, желтый) и холодные (голубой, синий и фиолетовый). Кроме того, пульсация в излучении люминесцентных ламп приводит к появлению так

называемого стробоскопического эффекта, искажающего восприятие двигающихся предметов и информацию на экране дисплея.

Выполнение приводимых ниже практических рекомендаций поможет снизить ваше утомление при работе с дисплеем.

При работе располагайтесь на расстоянии вытянутой руки от экрана; соседние дисплейные мониторы должны находиться от вас на расстоянии не менее 2 м 22 см.

Постарайтесь по возможности расположить экран дисплея немного выше уровня глаз. Это создаст разгрузку тех групп окологлазных мышц, которые напряжены при обычном взоре — вниз или вперед. Желательно, чтобы вечернее освещение территории (или стены) вокруг дисплея было синего или голубого цвета с яркостью, примерно равной яркости экрана. При дневном освещении также рекомендуется обеспечить голубой фон вокруг дисплея (окраска стен или обоев).

Для большего удобства на кресле следует расположить небольшую опору в поясничном изгибе позвоночника — продолговатую подушечку или валик.

После каждых 40 — 45 мин работы необходима физкультурная пауза — вращение глазами по часовой стрелке и обратно, простые гимнастические упражнения для рук (подробнее см. в приложении).

Помещение, где находятся компьютеры и видеомониторы, должно быть достаточно просторным, с постоянным обновлением воздуха. Минимальная площадь для одного видеомонитора составляет 9—10м'.

Недопустим визуальный контакт работника с другими мониторами или телевизионными экранами. На экране монитора не должно быть никаких бликов. Следует также избегать большой контрастности между яркостью экрана и окружающего пространства; оптимальным считается выравнивание яркости экрана и компьютера. Запрещается работа с компьютером в темном или полутемном помещении.

Как известно, у человека имеется как центральное (фотопическое), так и периферическое (скотопическое) зрение. Первое дает восприятие цветов и объектов малых размеров, второе — восприятие окружающего фона и крупных объектов. Центральное зрение требует больших яркостей, а периферическое, напротив, действует в сумерках и при полумраке. При работе с видеодисплеем основную роль играет именно центральное зрение, поэтому становится понятным необходимость достаточного освещения комнаты, где находится компьютер.

Близорукость, дальнозоркость и другие рефракционные нарушения должны быть полностью корригированы очками. При более серьезных отклонениях вопрос о возможности работы с видеотерминалами решают с участием врача-офтальмолога.


Работодатели уже в начале 1993 г. столкнулись с необходимостью соблюдения директив, касающихся минимальных требований к дисплеям, текст которых будет отражен в национальных законах.

Первый вопрос, который должен поставить перед собой работодатель, может быть сформулирован следующим образом: "Могу ли я гарантировать, покупая отдельные функциональные блоки системы, что рабочее место и условия работы будут соответствовать требованиям закона?" Второй вопрос связан с потенциальными различиями между требованиями, существующими в различных странах, при распространении директивы и установлении в связи с этим уровня требований, значительно более высокого, чем минимальные, указанные в директиве.


8.10. Мебель для операторов дисплеев .

Рабочая мебель при работе с компьютером играет очень важную роль в создании оптимальных условий деятельности человека и снижении степени его утомления (рис. 6).

Отечественные кресла и стулья (ГОСТ 19.19.17.14) для работы с компьютером имеют подъемно-поворотный механизм, регулируемый наклон спинки, предусматриваемое изменение положения подлокотников, установленных на подвижных или неподвижных опорах. Отдельные модификации кресел и стульев снабжены подлопаточной опорой.

В моделях ряда иностранных фирм ("Редифон", "Тошиба", "Никоя электроник", "Нокия дата", "Кон-с Берг" и т.д.) также предусмотрены измененные параметры отдельных компонентов конструкции кресла оператора у дисплея. Однако эти модели имеют ряд недостатков.

Правильное положение запястья и кисти

Неправильное положение запястья и кисти


Рис 8.2.



Например, кресло фирмы "Редифон" оснащено четырьмя шарнирными опорами, позволяющими оператору без особых усилий перемещаться в пределах рабочего места, легко поворачиваться вокруг вертикальной оси. Можно изменять высоту кресла с учетом роста оператора. Кресло полужесткое, глубина сиденья неизменяема, что не позволяет учитывать длину бедра оператора, а соответственно и распределение нагрузки на основные опорные поверхности (седалищные бугры, бедра).

Полная свобода перемещения по поверхности пола и вертикальный поворот кресла требуют от оператора постоянной его фиксации за счет статического напряжения мышц голени, стопы, бедра; это вызывает их быструю утомляемость, требует дополнительных нецелесообразных энерготрат, что, в свою очередь, снижает общую работоспособность и является серьезным неудобством.

Низкая и чрезвычайно свободная спинка создает дополнительную опору только для поясничного отдела позвоночника, при этом другие мышечные группы спины находятся в постоянном напряжении. В результате наступает быстрая утомляемость, развиваются профессиональные патологические изгибы позвоночника (грудной гиперкифоз, уплощение шейного лордоза) и формируются сколиозы — изгибы в сторону. Отсутствие подлокотников вынуждает оператора держать в постоянном напряжении мышцы, поднимающие пояс верхних конечностей; такую же нагрузку в течение всего рабочего дня испытывают мышцы — сгибатели плеча, локтевого сустава.

Таким образом, конструкция кресла фирмы "Редифон" не учитывает ни статичности позы оператора, ни соответствующего статического режима работы практически всех мышц тела человека, за исключением предплечья. Это существенно влияет на утомляемость оператора в целом, снижает общую работоспособность и внимание, что в итоге сказывается на производительности труда и конечном результате работы. Единственным достоинством конструкции кресла данной фирмы является изменяемая высота его сиденья.

Кресло фирмы "Тошиба" практически не создает дополнительных опор для различных частей тела. Оператор весь рабочий день производит мышечные усилия преимущественно статического характера, приводящие к быстрой утом-ляемости, необоснованным энергозатратам и в конечном итоге к снижению производительности труда.

Согласно проспекту фирмы "Нокия", поставляющей универсальные видеодисплеи, трудно полностью судить о конструкции кресла оператора. Однако из предлагаемого проспекта и фотографий можно заключить, что кресло позволяет изменять глубину сиденья и его высоту, отделано воздухопроницаемой тканью, но отсутствие подлокотников заставляет оператора создавать дополнительную опору для локтевых суставов и предплечий на области бедер, что является далеко не лучшим вариантом конструкции кресла. Недостаточная профилизация спинки не учитывает


индивидуальных особенностей строения и формы поясничного отдела позвоночного столба. Поза, которую приняла на рабочем месте оператор, ясно показывает ее напряженность, что с течением времени будет вызывать быструю утомляемость всего организма.

Рассмотренные конструкции рабочего кресла оператора не учитывают равномерности распределения сил тяжести звеньев тела на опорные поверхности и ведут к статическому напряжению больших мышечных групп, что отрицательно сказывается на работе оператора и ведет к профессиональным заболевания. Все это дает основание для разработки нового, универсального кресла, позволяющего оператору свободно, без затраты излишних сил производительно трудиться в течение всего рабочего времени.

8.11. Заключение .

Итак, четко установлена главная угроза здоровью операторов дисплеев — это неподвижность, статичность позы и глазных мышц, особенно нуждающихся в динамическом режиме работы. Это требует создания специального двигательного режима для тех, кто трудится на ЭВМ. Кроме того, необходимо снять влияние низкочастотных полей, создаваемых вокруг экрана, а также высокочастотных компонентов излучений при сканировании электронного луча по экрану дисплея.

Во ВНИИФКе предложена двухкомпонентная схема послетрудовой реабилитации операторов, работающих с электронными дисплеями. На первом этапе реабилитации используется комплекс динамических упражнений для внутриглазных и цилиарных мышц по оригинальной методике с применением специальных глазных тренажеров. На втором этапе реализуется нетрадиционный путь общефизической тренировки и процесса "вхождения" в работу с дисплеем после отдыха, связанного . с выполнением упражнений для глазных мышц. Общефизическая тренировка осуществляется в аэробном режиме на специальных спортивно-гимнастических тренажерах. В их конструкцию входят нагрузочные устройства (беговая дорожка, велотренажер и т.п.), соединенные с ПК (персональный компьютер) особым электронным блоком сопряжения, что позволяет управлять создаваемой на экране дисплея игровой, спортивной, развлекательной ситуацией.

Двухкомпонентная схема послетрудовой реабилитации обеспечивает высокий оздоровительный эффект.


РАЗРАБОТКА ПРИНЦИПИАЛЬНОЙ СХЕМЫ

ПРОЕКТИРУЕМОЙ БИС


Для построения принципиальной схемы на основе функциональной необходимо разработать библиотеку элементов. Библиотека элементов включает в себя наиболее часто используемые элементы функциональной схемы, такие как счетчики, триггеры и др. Библиотечные элементы составляются из базовых ячеек, разработанных ранее. Затем библиотечные элементы объединяются на одной принципиальной схеме.


    1. РАЗРАБОТКА БИБЛИОТЕКИ ЭЛЕМЕНТОВ

6.1.1. ТАКТИРУЕМЫЙ D-ТРИГГЕР


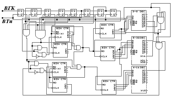
Т
актируемые D-триггеры используются в схеме приемника циклового и сверхциклового синхронизма (на них собран регистр сдвига); у тактируемого триггера добавлен еще один вход для синхроимпульса, по которому и срабатывает триггер. Схема D-триггера, обозначение и таблица переходов приведены на рисунке 6.1.


Рис. 6.1. Схема D-триггера.


Рассмотрим принцип работы триггера, его схема содержит два входа: один информационный (D), а другой синхронизирующий (C). При подаче логического нуля на вход С, как видно из осциллограмм, состояние триггера не изменяется, т.к. сигнал не проходит через элементы И-НЕ на входе схемы, и следовательно состояние триггера не изменяется. При подаче на вход С напряжения логической единицы, поступающий на вход D сигнал изменит состояние триггера, т.к. на один из входных элементов И-НЕ поступит единица. При поступлении логической единицы на вход D (на входе С действует напряжение логической единицы), триггер перейдет в состояние, когда на выходе Q действует напряжение логической единицы; а при поступлении логического нуля триггер перейдет в состояние, когда на выходе Q действует напряжение логического нуля.


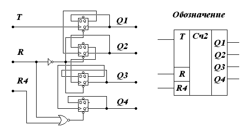
6.1.2. СЧЕТЧИКИ.


С
четчики присутствуют во всех частях схемы. Простейшим двоичным счетчиком будет обыкновенный делитель на два, который при поступлении на вход импульса, на выходе будет выдавать логическую единицу до тех пор, пока на вход не поступят еще один импульс. Такой делитель можно собрать на одном D-триггере, соединив выход Q со входом D и снимая информацию с этого же выхода. Двухразрядный счетчик импульсов получится объединении двух делителей на два, причем вход С второго делителя необходимо присоединить к выходу Q первого делителя. Схема двухразрядного двоичного счетчика приведена на рисунке 6.2.


Рис. 6.2. Схема простейшего двухразрядного счетчика.


Принцип работы данной схемы заключается в следующем, при подаче первого импульса на вход схемы (Т) входной триггер переходит в состояние, когда на выходе Q действует логический ноль, при этом на инверсном выходе образуется логическая единица, поступающая на вход D. Следовательно, при поступлении следующего импульса логическая единица на входе D «перебросит» триггер в состояние, когда на выходе Q начинает действовать логическая единица, запускающая второй триггер, который работает аналогичным образом. Таким образом, на выходах схемы формируется последовательность двоичных чисел (см. осциллограммы на рис. 7.2), сначала 00, затем 01, затем 10 и, наконец, 11; после поступления следующего импульса на вход Т, на выходе снова образуется 00.

У
приведенного выше счетчика существует один недостаток, его нельзя «сбросить» в исходное, нулевое состояние. Этот недостаток легко устраним, т.к. у D-триггера имеется возможность вывести еще один вход для сброса триггера в нулевое состояние ®, тогда схема такого счетчика примет следующий вид (см. рис. 6.3).

Рис. 6.3 Двухразрядный счетчик.


Принцип работы данной схемы не отличается от принципа работы схемы приведенной выше, за исключением того, что в нулевое состояние (на выходе 00) эту схему можно перевести в любой момент времени по сигналу R.

При необходимости увеличить разрядность счетчика можно, добавляя в схему новые триггеры (таким образом строятся схемы на 3, 4 и более разрядов), но иногда возникает необходимость сбросить не все выходы счетчика, а лишь один разряд. Такую схему можно построить, добавив элемент ИЛИ-НЕ, подключенный к триггеру обслуживающему заданный разряд. Рассмотрим схему четырехразрядного счетчика, с возможностью сброса четвертого разряда. Схема такого устройства представлена на рисунке 6.4.




Рис. 6.4. Схема четырехразрядного счетчика с возможностью сброса четвертого разряда.


Принцип работы данной схемы практически не отличается от принципа работы счетчика, рассмотренного выше, кроме того, что сброс четвертого разряда может осуществляться как вместе со сбросом всего счетчика, так и отдельно, для этого в схему добавлен элемент ИЛИ-НЕ.


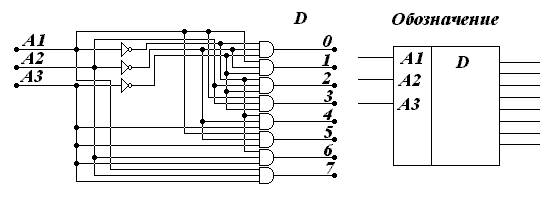
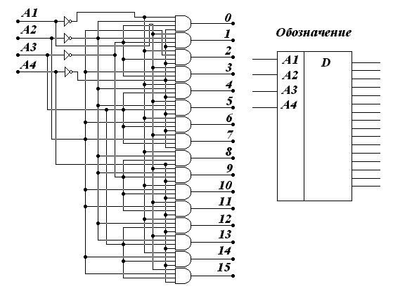
6.1.3. ДЕШИФРАТОРЫ


Д
ешифраторы, как и счетчики, встречаются во всех элементах схемы. Применяемые в устройстве дешифраторы являются позиционными, они преобразуют двоичный код в импульс на соответствующем коду номере выхода. Для построения такой схемы, в отличие от предыдущих, не нужно использовать элементы с памятью (такие как триггеры), ее можно собрать лишь из схем НЕ и И. Схема трехразрядного дешифратора представлена на рисунке 6.5.


Рис. 6.5. Схема трехразрядного дешифратора.


Схема работает следующим образом, при поступлении кодовой комбинации (от 000 до 111) на вход ищется совпадение (при помощи схем И) и на соответствующий выход поступает напряжение логической единицы. Инверторы требуются для преобразования кодовых комбинаций, содержащих логические нули.

В разрабатываемой БИС существует необходимость и в дешифраторах на большее количество разрядов (4 и 5), поэтому необходимо рассмотреть схемы таких дешифраторов. Принципы функционирования таких схем не отличаются от принципа функционирования трехразрядного дешифратора, только количество схем совпадения (И) увеличивается в соответствии с увеличением выходов (N):


N = 2n; [6.1]

где n - количество входов, и количество инверторов увеличится до количества входов.

Схема дешифратора на четыре входа представлена на рисунке 6.6. Аналогично строится схема и пятиразрядного дешифратора.


Р
ис. 6.6. Схема четырехразрядного дешифратора.


6.1.4. МУЛЬТИПЛЕКСОР


Мультиплексор является устройством, подключающим один из входов к выходу по сигналу управления. В схеме проектируемого устройства мультиплексор встречается всего один раз, но так как схема его получается достаточно простой, то было решено вынести мультиплексор в библиотеку элементов. У разрабатываемого мультиплексора 10 информационных входов, разбитых на две группы по 5 входов, и 5 выходов, к которым подключается соответствующая группа входов, управление производится при помощи одного управляющего входа. Схема такого мультиплексора представлена на рисунке 6.7.

Рассмотрим принцип работы данной схемы, при поступлении на вход А уровня логического нуля через инвертор подключаются схемы совпадения для первой группы входов, при прохождении через любой из входов этой группы сигнала логической единицы, одна из схем И срабатывает и выдает на своем выходе напряжение логической единицы, через схему ИЛИ подключены выходы, и при поступлении на один из входов схемы ИЛИ, сигнал проходит на выход. При подаче напряжения логической единицы на вход А первая группа входов отключается, и подключается вторая группа входов, схема работает в аналогичном первому случаю режиме, только на выход поступают сигналы со второй группы входов. Этот принцип работы хорошо иллюстрируется при помощи осциллограмм приведенных на рисунке 6.7.


Рис. 6.7. Схема мультиплексора.


    1. РАЗРАБОТКА ПРИНЦИПИАЛЬНЫХ СХЕМ

БЛОКОВ ПРОЕКТИРУЕМОЙ БИС


6.2.1. РАЗРАБОТКА ПРИНЦИПИАЛЬНОЙ СХЕМЫ ПРИЕМНИКА

ЦИКЛОВОГО И СВЕРХЦИКЛОВОГО СИНХРОНИЗМА


Разработку принципиальной схемы на основе разработанной библиотеки элементов необходимо вести по функциональной схеме данного блока. В функциональной схеме имеется регистр сдвига на тактируемых триггерах (следовательно, нам понадобятся 8 D-триггеров), схемы совпадения собраны на собраны на элементах И (на 4 и на 6 входов), счетчики и дешифраторы также являются библиотечными элементами, следовательно, по сравнению с функциональной схемой принципиальная не несет в себе изменений. Принципиальная схема, построенная с помощью программы схемотехнического моделирования, представлена на рисунке 7.7, единственным отличием, связанным со спецификой программы является построение схемы в стандарте ANSI. Функционирование схемы, подробно были описаны ранее .



Рис. 6.8. Принципиальная схема приемника циклового и

сверхциклового синхронизма.


6.2.2. РАЗРАБОТКА ПРИНЦИПИАЛЬНОЙ СХЕМЫ

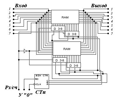
КОММУТАЦИОННОГО ЭЛЕМЕНТА


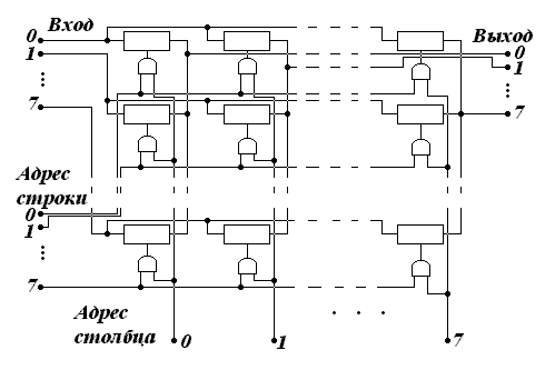
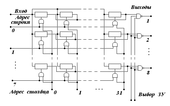
Принципиальная схема КОММУТАЦИОННОГО ЭЛЕМЕНТА также строится на основе функциональной схемы, но в данном случае необходимо рассмотреть соединение ячеек памяти, входящих в состав двух ОЗУ (запоминающего устройства адреса и информационного запоминающего устройства).

В
запоминающем устройстве адреса, как следует из описания структурной схемы запись и считывание производятся словами по 6 бит, следовательно, необходимо объединить входы и выходы ячеек, расположенных в одной строке, а адресные входы необходимо объединить у ячеек, расположенных в одном столбце (см. рис. 6.9).

Рис. 6.9. Принципиальная схема запоминающего устройства адреса.


В информационном запоминающем устройстве запись производится побитно, а считывание словарно (по 8 бит), для этого необходимо объединить входы всех ячеек, а выходы ячеек объединить по строкам , при этом необходимо к каждому адресному входу подключит элемент И, который и позволит выбрать именно ту ячейку памяти, которую и необходимо (см. рис. 6.10 ). При таком построении запоминающего устройства адрес строки и адрес столбца должны задаваться для каждой ячейки отдельно.




Рис. 6.10. Принципиальная схема запоминающего устройства

коммутации.


Дальнейшая разработка принципиальной схемы КОММУТАЦИОННОГО ЭЛЕМЕНТА сводится к подстановке разработанных библиотечных элементов в соответствии с функциональной схемой данного блока. Запоминающие устройства на принципиальной схеме блока представлены в виде отдельных элементов. Разработка принципиальной схемы велась при помощи программы схемотехнического моделирования, и все элементы данного устройства представлены в стандарте ANSI.

В запоминающем устройстве коммутации при записи и считывании информация представляется в разной форме (при записи побитно, а при считывании словарно) и поэтому дешифратор строк при считывании информации необходимо отключить.


6.2.3. ПРИНЦИПИАЛЬНАЯ СХЕМА БЛОКА ФОРМИРОВАНИЯ

ИСХОДЯЩИХ КАНАЛОВ


Разработка принципиальной схемы БЛОКА ФОРМИРОВАНИЯ ИСХОДЯЩИХ КАНАЛОВ, не отличается от разработки предыдущих принципиальных схем. Рассмотрим принцип работы запоминающего устройства. При записи запоминающее устройство воспринимает информацию словарно по 8 бит, и записывает ее в соответствующий столбец (для этого необходимо объединить входы элементов входящих в одну строку), а считывание информации происходит из соответствующей строки (для этого необходимо объединить элементы, входящие в один столбец) (см. рис. 6.11)




Рис. 6.11. Принципиальная схема запоминающего устройства.


Д
ля построения принципиальной схемы всего блока, также была использована программа схемотехнического работающая в стандарте ANSI. Принципиальная схема блока представлена на рисунке 6.12.


Рис. 6.12. Принципиальная схема блока формирования исходящих каналов.


РЕЗУЛЬТАТЫ РАСЧЕТА ВЫБОРА ТЕХНОЛОГИИ ПОСТРОЕНИЯ БИС

ТЕХНОЛОГИЯ


КРИТЕРИИ


ВЕС


ТТЛ(Ш)


ЭСЛ


пМДП

КМДП

1.Быстродей­ствие


0,07


0,19


0,65


0,07


0,09

2.Помехоустойчивость


0,11


0,21


0,09


0,29


0,41

3.Потребление


0,05


0,09


0,04


0,29


0,58

4.Площадь


0,45


0,21


0,05


0,43


0,31

5.Совмести­мость


0,28


0,13


0,04


0,41


0,42

6.Стоимость



0,04


0,56


0,26


0,11


0,07

Глобальный приоритет



0,19


0,09


0,33


0,39


РЕЗУЛЬТАТЫ РАСЧЕТА ОСНОВНЫХ ТЕХНИКО-ЭКОНОМИЧЕСКИХ ПОКАЗАТЕЛЕЙ


Показатель

Обозначение

Единицы измерения

Значение

1. Интенсивность отказов.



1/ч


10 -6

2. Время наработки на отказ.


T


ч


106

3. Вероятность безотказной ра­боты в течение года.


Р


--


0,991

4. Себестоимость.



С


руб.


15,35

5. Оптовая цена.



Ц


руб.


17,65


РАЗРАБОТКА ФУНКЦИОНАЛЬНО–ЛОГИЧЕСКОЙ СХЕМЫ БЛОКОВ ПРОЕКТИРУЕМОГО

УСТРОЙСТВА


3.1. Функциональные характеристики , архитектура и

схемотехника блока группового канального интерфейса .


Блок ГКИ предназначен для обеспечения стыка ( подключения ) групповых цифровых входящих каналов ИКМ-30/32 абонентских и соединительных линий с коммутационным оборудованием цифровых АТС синхронной сети связи .

Основные функции , выполняемые ГКИ следующие :

– поиск и выделение сигналов цикловой и сверхцикловой синхронизации входящего ИКМ тракта ;

– фазовая и цикловая синхронизация входящего ИКМ канала с групповыми входами АТС ;

– ввод служебных сигналов АТС в любой информационный канал группового тракта ИКМ ;

– ввод / вывод служебного 16-го канала группового тракта ИКМ ;

– соединение шины управляющей ЭВМ с любым информационным каналом ИКМ тракта ( ввод / вывод ) ;

– формирование циклового и сверхциклового синхронизма исходящего группового канала ИКМ -30/32 ;

– ввод служебных сообщений в 16-й канал исходящего интерфейса группового канала ИКМ -30/32 .

Входящий групповой канал ИКМ-30/32 поступает на вход блока фазовой синхронизации . С выхода блока фазовой синхронизации групповой канал ИКМ , синхронизированный по фазе ( по тактам ) с АТС , поступает на входы блока выделения циклового синхросигнала и буфера цикловой синхронизации .

Блок выделения циклового синхросигнала обеспечивает поиск синхросигнала и вхождение в синхронизм , а также задает моменты установки начального адреса каналов при записи в буфер цикловой синхронизации и выдает служебные сигналы в устройство управления при возникновении сбоев .

С выхода буфера цикловой синхронизации входящий канал ИКМ , синхронный с АТС , через мультиплексор/демультиплексор и буферную схему поступает на выходы ГКИ .

Мультиплексор/демультиплексор осуществляет связь внутренней шины ГКИ с информационными и служебными каналами тракта ИКМ .


Мультиплексная внутренняя шина служит для обмена информацией между каналами ИКМ тракта и шиной управляющей микро-ЭВМ , через соответствующие интерфейсы :

– интерфейс служебных сигналов выполняет функции выделения , буферизации и ввода/вывода сигналов информационных каналов ( например, посылка вызова , отбой и др . )

( Рассматриваются варианты : синтезатор , непосредственный доступ к каналам и др .) ;

– интерфейс 16-го канала осуществляет ввод/вывод служебной информации 16-го канала , необходимой для межпроцессорного обмена ;

– интерфейс абонентских каналов обеспечивает доступ к любому абонентскому каналу и может использоваться для сопряжения уплотненного канала передачи данных с групповым трактом ИКМ , а также для диагностики абонентских каналов .

Передатчик цикловых синхроимпульсов предназначен для формирования в групповом исходящем канале ИКМ-30/32 циклового и сверхциклового синхросигналов в формате внутрисистемного обмена , либо в формате стандартного канала ИКМ-30/32 .

Управление режимами работы ГКИ , типами и адресами обмена осуществляется с помощью устройства управления по командам , поступающим из микро-ЭВМ .


3.1.1. Схема выравнивания по фазе и циклам .


Схема выравнивания по фазе и циклам представлена на рисунке и содержит блок фазовой синхронизации . Блок фазовой синхронизации включает в себя ЗУ с раздельной адресацией ячеек по записи и считывания , счетчики записи ( сч..1 ) и считывания ( сч.2 ) , дешифратор адреса записи ( ДШ ) , мультиплексор считывания ( МХ ) , вычислитель ( ∆φ ) и ПЗУ предустановки счетчика .

Раздельные независимые режимы записи и считывания ячеек ЗУ мо-гут быть реализованы при использовании в качестве ячеек ЗУ D–триггеров. Разделение этих режимов позволяет избежать искажений информации . Запись в ЗУ осуществляется в ячейки , адресуемые счетчиком записи , на счетный вход которого подаются тактовые импульсы , синхронные с входным ИКМ трактом . Считывание информации из ЗУ производится с задержкой относительно входящей информации из ячеек , определяемых счетчиком считывания , который работает с фазой тактовых импульсов АТС .


Число ячеек ЗУ определяется максимально возможной величиной изменения фазы входящего канала относительно фазы тактовых импульсов АТС ( фазового дрожания ) за время сеанса связи :

N = 2*∆φмакс ,

где N – число ячеек ЗУ ,

∆φмакс – максимальный сдвиг фазы относительно средней величины , кратный длительности интервала .

Предварительная установка счетчиков записи и считывания производится при каждом цикле вхождения в синхронизм или в случай-ных сбоев . Разность кодов предустановки , записываемых в счетчики , должна составлять :

А1 – А2 = N/2 = ∆φ

С целью контроля записи по фазе в схему целесообразно ввести вычитатель ( ∆φ ) , определяющий разность кодов счетчиков , и индициру-ющий превышение допустимого фазового сдвига . ( Прорабатывается воз-можность введения цифровой ФАП ) .

С выхода блока фазовой синхронизации информация поступает в буфер цикловой синхронизации , представляющий собой ЗУ с последовате-льной записью и считывания объемом 256 бит , осуществляющее временн-ую задержку входящего канала . Чередование циклов записи/считывания производится с тактовой частотой с фазой АТС . Адреса ячеек при записи и считывания определяются счетчиками адресов с предустановкой , со-ответственно цикловыми синхроимпульсами входящего канала ИКМ – 30/32 ( ЦСИАб ) и АТС ( ЦСИАТС ) . Сигналы предустановки вырабатываются блоком выделения циклового синхросигнала в процессе вхождения в синхронизм . Данная функциональная схема выравнивания представлена на рисунке 3.1.

3.1.2. Блок выделения синхросигнала .


Цикловая синхронизация в системе ИКМ – 30/32 осуществляется путем передачи в групповом канале ИКМ односимвольного синхросигнала ( 7–битовое слово нулевого канала цикла ) . Код синхросигнала принимаем стандартным для системы ИКМ – 30/32 .

В функции устройства выделения циклового синхросигнала входят :

  • поиск циклового синхросигнала ;

  • установление состояния синхронизма ( выделение циклового синхросигнала ) ;

  • обнаружения нарушений синхронизма ;

  • защита от случайных сбоев синхронизации .

На этапе вхождения в синхронизм целесообразно использовать метод скользящего поиска временного положения периодической последователь-ности сосредоточенных синхрогрупп в принимаемом сигнале .


D

C

M X

DI

A

З / С

ИКМ


ИКМ


D

C

D

C

ЗУ

DO

M X



A


D1




D2





СЧ3


R

R


ПЗУ

СЧ1

∆φ

ЦСИАТС




ЦСИАб


ДШ

ТИАТС



∆φ


СЧ4



ТИАб

+ –




Рис .3.1. Схема выравнивания .


В системах , где прием символов синхросигнала в интервалы надежного приема информации осуществляется с высокой достоверностью ( вероятность ошибки 10–4…10–5 и менее ) , применение метода скользящего поиска позволяет обеспечить высокое быстродействие установления и восстановления синхронизма по циклам .

Схему выделения циклового синхросигнала ( ЦСС ) можно представить в виде , изображенном на рисунке 3.2.

Символы группового канала ИКМ поступают на вход опознавателя циклового синхросигнала , содержащего регистр сдвига . В течение каждого такта происходит сравнение 7–разрядной кодовой группы с кодом синхросигнала и на выход выдается результат сравнения . Анализатор сравнивает сигналы опознавателя и цикловые импульсы , поступающие с делителя . На выходе анализатора формируются сигналы наличия или отсутствия циклового синхросигнала в канале .


ТИ


ИКМ

+1


=512

СЧТИ


СЧВЫХ

+1


РГ


R

R



&



&


ДШ

&




СЧВХ


–1

ЦСС

1


R



НЕТ

СИНХР.





+1


Р

=NВЫХ

=NВХ

НЕТ

СИНХР.

ис.3.2. Схема Выделения ЦСС .


Решающее устройство на основе поступающих из анализатора сигналов определяет , имеется ли состояние синхронизма и управляет делителем . Решающее устройство при отсутствии синхронизма переводит устройство поиска и контроля цикловой синхронизации в режим поиска синхронизма .


Структуру циклового синхроимпульса примем стандартной для системы передачи ИКМ – 30/32 . Данная структура предусматривает отличие цикловых синхросигналов , передаваемых в соседних циклах для предотвращения состояния должного синхронизма при наличии «молчащего» информационного канала в групповом тракте . Контроль цикловой синхронизации может осуществляться как по наличию ЦСС в четных циклах , так и по синхросигналам четного и нечетного циклов . Алгоритм работы устройства цикловой синхронизации представлен на рисунке 3.3.



Рис . 3.3. Алгоритм работы устройства цикловой синхронизации .

После пуска счетчика тактовых импульсов ( сч . ТИ ) , выполняющего функции делителя ( рисунок ) происходит счет тактов в течение двух циклов передача . В конце счета производится проверка наличия ЦСС .

При пуске устройства синхронизации вероятность этого события мала и в этом случае происходит заполнение счетчика по выходу из синхронизма ( сч . вых .) в течение 10 первых циклов передачи ( коэффициент счета данного счетчика уточняется ) . После заполнения счетчика отрабатывается цикл вхождения в синхронизм , заключающийся в поиске циклового синхросиг-нала и его проверка .

Поиск синхросигнала начинается с проверки в каждом такте его наличия в групповом канале . При обнаружении ЦСС ( или кодовой после-довательности совпадающей с ним ) производится сброс счетчика тактовых импульсов , сброс счетчика по входу в синхронизм ( сч . вх . ) и вычитание единицы из счетчика по выходу синхронизма .

Если кодовая группа , приходящая через два цикла не совпадает с кодом ЦСС , то счетчик по выходу из синхронизма вновь заполняется и цикл поиска возобновляется .

В случае обнаружения истинного синхросигнала производится приращение счетчика по входу в синхронизм и проверка наличия ЦСС в следующем четном цикле . Заполнение сч . вх . свидетельствует о вхождении в синхро-низм . Сигналом с его выхода сбрасывается счетчик по выходу из синхронизма .

Функциональная схема устройства , реализующая данный алгоритм представлена на рисунке 3.4 .

Недостатком данной схемы является отсутствие проверки кодовых комбинаций в нечетных циклах группового сигнала . Вследствие этого возможно установление синхронизма при наличии “ молчащего ” канала , т.е. синхронизма по кодовой комбинации , совпадающей с ЦСС и передаваемой длительное время .

В стандарте на линию ИКМ – 30/32 предусмотрено разделение циклов на четные и нечетные с соответствующей подачей синхросигналов четного ( ЦССч ) и нечетного ( ЦССн ) циклов . Ввиду упрощенной структуры ЦССн эти сигналы могут быть использованы только для проверки правильности нахождения ЦССч . Таким образом вхождение в цикловый синхронизм должно состоять из следующих этапов :

1 – поиск во входящем ИКМ–сигнале кодовой комбинации , совпадающей с ЦССч ;

  1. – ожидание через 256 тактовых импульсов прихода ЦССн ;

  2. – ожидание через 256 тактовых импульсов прихода ЦССч и т.д.

Таким образом поиск нулевого цикла производится только по сигналу ЦССч , а проверка правильности нахождения ( накопления ) – по сигналу ЦССч , и ЦССн .


РГ

СЧТИ

Вход

ИКМ

Схема однократного сброса с самоблокировкой

R

R /

ТИ



Разблокировка

256

256



ДШ



ЦССН

ЦССЧ



&


1

CR

124

ВХ



&



1

&

CR

124


1

ВЫХ


&


1



Рис .3.4. Функциональная схема устройства цикловой синхронизации .


Алгоритм , реализующий последовательность операций , представлен на рисунке .Функциональная схема устройства , работающего по данному алгоритму , представлена на рисунке . На рисунке имеется блок “ схема однократного сброса с самоблокировкой ” , работающий следующим обра-зом : при поступлении на его вход R первого импульса ЦССч он выра-батывает один короткий импульс сброса СЧТИ и самоблокируется ( т.е. далее на импульсы ЦССч не реагирует ) до поступления сигнала “ РАЗ-БЛОКИРОВКА ” , который вырабатывает решающее устройство в случае отсутствия синхронизма .

Данные алгоритмы и функциональная схема приняты за базовые при построении устройства цикловой синхронизации .


СВЕРХЦИКЛОВАЯ СИНХРОНИЗАЦИЯ .


Сигнал ИКМ – 30/32 кроме циклов разбивается еще и на сверхциклы . Каждый сверхцикл состоит из 16 циклов . Сверхцикловый синхросигнал ( СЦСС ) передается в 16–том канальном интервале нулевого цикла . Алгоритм вхождения в сверхцикловый синхронизм в основном схож с алгоритмом вхождения в цикловый синхронизм при наличии только ЦССч .


Отличие состоит только в разрядности счетчика СЧТИ и других коэффици-ентах накопления N ВХ и N ВЫХ . Т. к. СЦСС поступает один раз в 16 циклов , то далее пользоваться десятичной системой счисления при указании состояния СЧТИ неудобно . СЧТИ в системе сверхцикловой син-хронизации должен содержать 12 двоичных разрядов . Для удобства разобьём эти разряды на три тетрады условно по 4 разряда в каждой и будем пользоваться шестнадцатиричной системой счисления для обозначе-ния состояния СЧТИ .

Устройство сверхцикловой синхронизации начинает работать только после вхождения в цикловой синхронизм . Алгоритм работы устройства сверхцикловой синхронизации приведен на рисунке 3.5 .

Функциональная схема устройства , работающего по данному алгоритму , приведена на рисунке 3.6.

Совмещенная функциональная схема устройства цикловой и сверх-цикловой синхронизации приведена на рисунке 3.7.

Коэффициетн накопления NВХ Ц = 2 , NВЫХ Ц = 4 , NВХ СЦ = 2 , NВЫХ СЦ = 2

Для индикации состояний схемы ( есть цикловый синхронизм нет сверхциклового синхронизма ) в схему введены два флаговых триггера ТГЦ и ТГСЦ , к выходам которых подключены по два светодиода – зеленый и красный .

Функциональная схема устройства ( рисунок ) состоит из следующих устройств :

  1. Входного сдвигового регистра РГВХ .

  2. Дешифратора сигналов синхронизации ДШСНХ , имеющего выходы ЦН , ЦЧ , СЦС , на которыхпоявляются сигналы логической

единицы при подачи на входы 1 … 8 кодовых комбинаций , соответствующих ЦССН , ЦССЧ , СЦСС .

  1. Счетчика тактовых импульсов СЧТИ , разбитого на 3 тетры и име-ющего 2 входа сигналов : СБР – сбрасывает весь счетчик и СБР3 – только старшую тетраду .

  2. Дешифратора состояния СЧТИ – ДШТИ . Назначение выходов ДШТИ :

  • ЧЦ – код ЦССЧ

  • НЦ – код ЦССН

  • 16 – код КИ16 любого цикла

  • СЦ – код СЦСС

  • СК – код слежебного канала ( т.е. КИ16 любого цикла , кроме ЦО )

Кроме того , имеется возможность “ настроить ” ДШТИ на любой ί–тый канал путем подачи на его дополнительные входы двоичного кода , соответствующего номеру этого канала .

  1. Параллельных регистров РГСК и РГ ί , служащих для выделения сигналов ( 16–того ) и ί–того каналов . Сигналы записи поступают на входы С регистров с выходов СК и ί ДШТИ .


Флаг Ц =

зел.(есть

Ц синхр.)



СЧТИ+1




СЧТИ=16

нет




СЦСС=1

нет





СЧТИ=NСЦ




Блокировка

установки СЧТИ





СЧТИ+1



нет


СЧТИ=NСЦ




СЦСС=1



СЧВЫХ СЦ +1


СЧВХ СЦ +1




СЧВЫХ СЦ=NВЫХ СЦ


СЧВХ СЦ=NВХ СЦ



СЧВХ СЦ =0


СЧВЫХ СЦ =0



Разблокировка

установки СЧТИ


Есть СЦ

синхр.



Нет СЦ

синхр.



Рис . 3.5. Алгоритм работы устройства сверхцикловой синхронизации .

Вход

ИКМ

Схема однократного установки с самоблокировкой

ТИ


РГ

СЧТИ

УСТ

УСТ



Разблокировка

NСЦ

N16



ДШ


&


СЦСС




CR

124

ВХ


&



CR

124


&

ВЫХ


1




Рис .3.6. Функциональная схема устройства сверхцикловой синхронизации .


  1. Схемы совпадения сигналов цикловой синхронизации с состояниями СЧТИ – СВПЦ . Эта схема генерирует сигнал ДА при совпадении сигналов ЦН и НЦ или ЦЧ и ЧЦ . Если при наличии сигнала ЧЦ не будет сигнала ЦЧ , или при наличии сигнала НЦ не будет сигнала ЦН , то СВПЦ выдаст сигнал НЕТ .

  2. Счетчика входа в цикловый синхронизм СЧВХЦ .

  3. Счетчика выхода из циклового синхронизма СЧВЫХЦ .

  4. Схемы совпадения сигналов сверхцикловой синхронизации с состояниями СЧТИ – СВПСЦ .

  5. Счетчика входа в сверхцикловый синхронизм СЧВХ СЦ .

  6. Счетчика выхода из сверхциклового синхронизма СЧВЫХ СЦ .

  7. Шести схем триггеров : ТГСБР ( триггер сброса ) , ТГУСТ ( триггер установки ) , ТГВХ Ц ( флаговый триггер входа в цикловый синхро-низм) , ТГВЫХ Ц ( флаговый триггер выхода из циклового синхро-низма , ТГВХ СЦ ( флаговый триггер входа в сверхцикловый синхро-низм ) , ТГВЫХ СЦ ( флаговый триггер выхода из сверхциклового синхронизма )


КОНСТРУКТИВНЫЕ ОСОБЕННОСТИ

ПРОЕКТИРУЕМОГО УСТРОЙСТВА


7.1. ВВЕДЕНИЕ


В настоящее время существует несколько стандартных технологий производства кристалла с линиями рисунка от 0,25 до 3,0 мкм. Но в связи с тем, что в нашей стране технологии 0,25 и 0,35 мкм еще не отработаны, то приходится разрабатывать устройства с учетом имеющихся технологий, т.е. приходится прибегать к схемотехническим изощрениям для получения конкурентоспособной интегральной схемы. В результате была выбрана технология изготовления кристалла с минимальной шириной рисунка 1,2 мкм, как наиболее отработанная и наиболее экономически выгодная. При появлении в нашей стране более современных технологий на одном кристалле при тех же размерах можно будет разместить коммутатор на большее количество каналов.


7.1.1. ОСНОВНЫЕ ТЕХНИЧЕСКИЕ ХАРАКТЕРИСТИКИ

КРИСТАЛЛА


Рассмотрим основные характеристики проектируемой БИС, в основном, определяемые технологией производства:

  • Напряжение питания - 5 В;

  • Ток потребления - не более 1 мА;

  • Диапазон рабочих температур - от -20 до +60 0С;

  • Технология производства - стандартная, 1,2 мкм;

  • Предполагаемый тип корпуса - 2123.40-1, стандартный, с количеством выводов – 40.


7.1.2. НАЗНАЧЕНИЕ ВЫДОВ МИКРОСХЕМЫ


Предварительно принятое назначение выводов микросхемы


Выводы

Назначение

1 - 8

9 - 16

17,18

  1. - 22


  1. - 26


  1. - 30

31

32

33

34

35

Групповые входы

Групповые выходы

Питание и «земля»

Шина обмена информацией между кристаллами по горизонтали

Шина обмена информацией между кристаллами по вертикали

Адресные выводы кристалла

Ввод команды

Вывод результатов

Выбор кристалла

Ввод тактовой частоты

Ввод синхроимпульсов

Таблица 7.1


    1. ЭЛЕМЕНТЫ ТОПОЛОГИИ

      1. КОНСТРУКТИВНО - ТЕХНОЛОГИЧЕСКИЕ ОГРАНИЧЕНИЯ


В данном разделе приведены основные конструкторско-технологические ограничения на проектирование микросхемы, определяемые заводом изготовителем в соответствии с применяемой технологией.

Конструкторско-технологические ограничения предназначены для проектирования топологии цифровых КМДП БИС по технологии, предусматривающей использование «карманов» п-типа проводимости, изоляцию элементов посредством заглубленных в объем монокристаллического кремния, легированного фосфором, самосовмещенных транзисторных структур и двухуровневой разводки, сформированной на основе сплавов алюминия.

Перечень и последовательность слоев фотолитографии, существенных при проектировании БИС, приведены в таблице 7.2.

Минимальная ширина топологического рисунка - 1,2 мкм. Остальные минимально-допустимые размеры элементов топологии, существенные для проектирования блоков БИС, приведены в таблице 7.3.


Транзисторные структуры, выполненные по данной технологии характеризуются следующими физико-технологическими параметрами:

  • Эффективная длинна канала транзистора - 1,0 мкм;

  • Удельная емкость затвора - 800 пф/мм;

  • Подвижность электронов в канале - 400 см/В с;

  • Подвижность дырок в канале - 200 см/В с;

  • Пороговое напряжение

п-канальных транзисторов - 0,5 … 1,5 В;

р-канальных транзисторов - 0,8 … 2,0 В.


Перечень слоев фотолитографии


Номер

слоя


Наименование слоя

1

2

3

4


5


6


7

8

9

10

Карман п-типа

Диффузионные области р-охраны

Активные области транзисторов (тонкий окисел)

Затворы из поликристаллического кремния, легированного фосфором

Диффузионные области истока-стока р-канальных транзисторов

Диффузионные области истока-стока п-канальных транзисторов

Первые контактные окна в диэлектрическом слое

Алюминиевая металлизация первого уровня

Вторые контактные окна в диэлектрическом слое

Алюминиевая металлизация второго уровня

Таблица 7.2



Минимально-допустимые размеры элементов топологии


пп


Наименование элемента топологии

Размер, мкм

1


2


3


4


5


6


7

8


9


10


11


12

13


14

15

16


17


18


19


Перекрытие области тонкого окисла областью кармана п-типа

Перекрытие области охраны р-типа областью тонкого окисла

Расстояние между границей области кармана и границей области охраны р-типа

Ширина области локального окисла внутри области кармана п-типа

Расстояние от границы тонкого окисла до контактной площадки из поликристаллического кремния

Расстояние между двумя соседними областями из поликристаллического кремния

Ширина затворов из поликристаллического кремния

Размер стороны контактной площадки из поликристаллического кремния

Ширина шин из поликристаллического кремния вне области канала

Расстояние между областью охраны р-типа и областями исток-сток п-канальных транзисторов

Расстояние между областями исток-сток р-канальных транзисторов и карманом п-типа

Размер стороны контактного окна

Расстояние от края контактного окна до края контактной площадки

Ширина шин алюминия первого уровня металлизации

Ширина шин алюминия второго уровня металлизации

Расстояние между двумя шинами алюминия в одном уровне металлизации

Расстояние от линии рельефа до края контактного окна

Расстояние от края контактного окна к диффузионной области истока-стока до поликристаллического затвора

Перекрытие локального окисла поликремневым затвором п- и р-канальных транзисторов.


0,5


1,0


4,0


2,0


0,5


1,2

1,2


4,0


2,0


2,0


1,2

1,0


1,2

3,0

4,0


1,2


0,5


1,0


1,2


Таблица 7.3.


7.2.2 ПРИМЕР ТОПОЛОГИИ ВЫПОЛНЕНОЙ С УЧЕТОМ НОРМ КОНСТРУКТИВНО - ТЕХНОЛОГИЧЕСКИХ ОГРАНИЧЕНИЙ


Проектирование топологии кристалла определяется с одной стороны конструктивно-технологическими ограничениями, описанными в предыдущем разделе, а с другой стороны - требованиями минимизации площади, занимаемой схемой. Кроме того, выбранная архитектура кристалла позволяет использовать предварительно разработанные библиотечные элементы. К числу таких элементов относятся инвертор, двух-, трех- и четырехпроводные логические элементы, триггеры различного назначения, регистровые ячейки. Однако, требования миниатюризации, особенно для блоков ОЗУ, привели к необходимости разработки оригинальных устройств. На рисунках 7.1 и 7.2 показана разработанная топология запоминающей ячейки и фрагмент ОЗУ из четырех ячеек.

- Al

- Si

Р+

Активная

область

N++

N++

Р+

Активная

область

Р+

N+

N+

Активная

область






Рис. 7.1. Топология запоминающей ячейки ОЗУ.



















«Земля»

Вход


Адрес


Питание


Выход


Рис. 7.2. Фрагмент топологии ОЗУ из 4х стандартных ячеек.


ПАТЕНТНЫЕ ИССЛЕДОВАНИЯ


Патентные исследования проводились при помощи онлайновой службы поиска американского национального патентного бюро. Поиск производился по ключевым словам: «communications AND E1», искались патенты 1997 и 1998 годов, результаты поиска отображены ниже.


Результаты Перебора в PATBIB-97-98 db для:

(communication AND E1): 13 патентов.

Отображено: с 1 по 13 из 13


Номер

Заглавие


  1. 5,727,160 Блок радиоуправления портом в беспроводной персональной системе связи

  2. 5,724,610 Селекторные подсистемы CDMA системы, использующие пару первых процессоров для выбора каналов CDMA, связывающие подсистему и центр обслуживания подвижных абонентов

  3. 5,708,660 Соглашения для принятия и отправления пакетов сообщения с оборудованием связи АТМ

  4. 5,705,178 Методы и композиции, основанные на запрещении вторжения клетки и фиброза анионичными полимерами

  5. 5,705,177 Методы и композиции, основанные на запрещении вторжения клетки и фиброза анионичными полимерами

  6. 5,701,465 Методы и прибор для сохранения ресурсов системы, гарантирующие качество обслуживания

  7. 5,692,038 Методы для идентификации источника телефонной связи

  8. 5,674,844 Лечение, для предотвращения потери массы кости и увеличения в метаболических процессов в кости

  9. 5,671,251 Приборы и метод работы устройства передачи данных, для избирательно функционирующего как аналоговый модем, как цифровой модем, и как терминальный адаптер

  10. 5,654,815 Методы синхронизации и единицы синхронизации, для терминального обмена

  11. 5,605,938 Методы и композиции для запрещения вторжения клетки и фиброза, использующего сульфат декстрана

  12. 5,598,401 Приборы и метод для цифрового устройства передачи данных, функционирующего в аналоговом режиме

  13. 5,592,607 Интерактивный метод и система для создания адресной информации, использующей указанные пользователем зоны адреса


Резюме Перебора

communication: 12683 слова в 6493 патентах.

E1: 193 слова в 127 патентах.

(communication AND E1): 13 патентов.

Время Перебора: 0.36 секунд.


На основе результатов перебора для рассмотрения были выбраны следующие патенты: 5,724,610 5,708,660 5,701,465 5,692,038 5,671,251 5,654,815 5,598,401 5,592,607. Ни один из них не является патентом на подобную БИС, более подробно каждый из выбранных патентов рассмотрен далее. Следовательно проектируемая БИС обладает патентной чистотой и является потенциально перспективной для производства.


Патент, Соединенные штаты

5,724,610

Март 3, 1998

Селекторные подсистемы CDMA системы, использующей пару первых процессоров для выбора каналов CDMA, связывающие подсистему и центр обслуживания подвижных абонентов

Изобретатели: Han; Jin Soo (Daejeon, KR); Cheong; Yoon Chae (Kyoungki-do, KR).

Представитель: Hyundai Electronics Industries Co., Ltd. (Kyoungki-do, KR).

Приложение №: 478,030

Зарегистрировано: 7.06.1995

Основной Ревизор: Lee; Thomas C.

Помощник Ревизора: Luu; Le Hien

Поверенный, Агент или Фирма: Merchant, Gould, Smith, Edell, Welter & Schmidt


Краткое содержание

Селекторная подсистема банка коллективного доступа с кодовым разделением. В систему включены два блока: блок SBSC и блок S/V. Блок ONE SBSC разработан, чтобы управлять двенадцатью S/V направлениями, чтобы обеспечить 96 каналов движения за SBS, и таким образом, одно S/V правление обеспечивает восемь каналов связи. Селекторная подсистема банка (SBS) коллективного доступа с кодовым разделением (CDMA) система, включает: блок SBS, блок SBS, состоящий из пары первых процессоров для управления движением фрейма CDMA и связывает подсистему (CIS), выбирая канал между CIS и центром обслуживания (MSC); двухпортовая оперативная память (DRAM) служит для хранения фрейма и управления первым процессором, а также управлением прямого доступа в память (DMAC); второй процессор служит для управления DMAC; E1 сопрягают блок данных фрейма с MSC, получая синхронизм из TFU CPS приемника; и блок S/V, связываемый между DRAM и E1 сопрягает как множество продолжений форм карты, и для получения фрейма движения к блоку интерфейса E1 после DSP. Следовательно, массовое производство модуля, имеющего конкурентоспособность, избегает сложного строения оборудования и уменьшает возможность конфликта между сигналами управлениями.


Патент, Соединенные штаты

5,708,660

Январь 13, 1998

Соглашения для принятия и отправления пакетов сообщения с оборудованием связи ATM

Изобретатели: Riedel; Michael (Dresden, DE).

Представитель: Siemens Aktiengesellschaft (Munich, DE).

Приложение №: 610,366

Зарегистрировано: 4.03.1996

Основной Ревизор: Safourek; Benedict V.

Поверенный, Агент или Фирма: Hill, Steadman & Simpson


Краткое содержание

Оборудование связи ATM обслуживает отправляемые пакеты сообщений, поставленных через, по крайней мере одну магистраль (E1,...,En) в течение процесса виртуальных связей с подчиненными магистралями (A1,...,An) входящими в соответствующую виртуальную связь. Характерные параметры также, как, по крайней мере, два различных приоритета, определены для соответственной виртуальной связи в течение установленного запроса. Соответствующее расположение магистрали обслуживания имеет управляющее устройство (BHE) распределением, имеющим центральную память (СМ), в которой связанные запросом списки очередности заказов пакетов установленные для хранения пакетов сообщения. Контрольное устройство (STE), в котором сохраняется таблица распределения (LUT), соединенная с пакетом. Эта таблица распределения распределяет идентификатор списка очередности заказов также как идентификатор приоритета запроса информации (VPA/VCI) содержащийся в пакетах сообщения. Базирующиеся на критерии индивидуальных идентификаторов приоритета, идентификаторы списка очередности заказов принадлежности вставляются в список очередности заказов рассылки (Q1, Q2) распределенный соответственно приоритету. Эти списки очередности заказов рассылки обрабатываются с различными приоритетами, посредством идентификаторов списка очередности заказов, вследствие этого предлагаемые, добавления к пакету (СМ) для создания пакета сообщения.


Патент, Соединенные штаты

5,701,465

Декабрь 23, 1997

Методы и прибор для сохранения ресурсов системы, гарантирующие качество обслуживания

Изобретатели: Baugher; Mark John (Austin, TX); Chang; Philip Yen-Tang (Austin, TX); Morris; Gregory Lynn (Round Rock, TX); Stephens; Alan Palmer (Austin, TX).

Представитель: International Business Machines Corporation (Armonk, NY).

Приложение №: 674,074

Зарегистрировано: 1.07.1996

Основной Ревизор: Black; Thomas G.

Помощник Ревизора: Lewis; C.

Поверенный, Агент или Фирма: Emile; Volel


Краткое содержание

Метод для обеспечения доступа к узлу, включая шаги определения, является ли ширина полосы частот доступной для передачи по линии связи, запрошенная удаленным узлом, сохранение ширины полосы частот для запрошенного доступа, если ширина полосы частот определена, как доступная, и открытие запрошенного доступа для пропускания только, если ширина полосы частот, сохранена. Кроме того, прибор для обеспечения доступа к удаленному узлу, включая прибор для определения, является ли ширина полосы частот доступной для передачи по линии связи, запрошенная удаленным узлом, прибор для сохранения ширины полосы частот для запрошенного доступа, если ширина полосы частот определена, как доступная, и прибор для открытия запрошенного доступа для пропускания, только если ширина полосы частот, сохранена.


Патент, Соединенные штаты

5,692,038

Ноябрь 25, 1997

Метод для идентификации источника телефонной связи

Изобретатели: Kraus; Evan (Atlanta, GA); Yue; Drina C. (Atlanta, GA); Smets; Raymond J. (Atlanta, GA); Moquin; Thomas Joseph (Roswell, GA).

Представитель: BellSouth Corporation (Atlanta, GA).

Приложение №: 743,751

Зарегистрировано: 7.11.1996

Основной Ревизор: Matar; Ahmad F.

Поверенный, Агент или Фирма: Jones & Askew


Краткое содержание

Метод для идентификации источника связи, включая шаги: получение связи на линии запроса; идентификация строки вызывающего номера, связанного с линией запроса; доступ к базе данных, для обеспечения идентичность источника, находя вход базы данных, соответствующий строке вызывающему номеру; объявление этой идентичности источнику; и запрос подтверждения. Приоритет вызывающего оператора может использоваться, для идентификации источника. Факсимильные сообщения также могут быть идентифицированы прежде, чем сообщение поступило.


Патент, Соединенные штаты

5,671,251

Сентябрь 23, 1997

Приборы и метод устройства передачи данных, для избирательно функционирующего как аналоговый модем, как цифровой модем, и как терминальный адаптер

Изобретатели: Blackwell; Steven R. (Huntsville, AL); Pearson; John Timothy (Huntsville, AL); Fridlin; C. C. (Boca Raton, FL).

Представитель:Motorola, Inc. (Schaumburg, IL).

Приложение №: 395,332

Зарегистрировано: 28.02.1995

Основной Ревизор: Chin; Wellington

Помощник Ревизора: Luther; William

Поверенный, Агент или Фирма: Gamburd; Nancy R.


Краткое содержание

Прибор и метод для устройства передачи данных, для избирательного функционирования в множестве аналоговых и цифровых способов, таких как аналоговый модем, как цифровой модем, и как терминальный адаптер. Конструктивные исполнения обеспечивают единственное устройство связи сгруппированных данных, которое будет конфигурировано и впоследствии реконфигурирован, чтобы обеспечить передачу данных в ряд сетей, включая общественные телефонные сети и цифровые сети, включая T1, E1 и ISDN. Различные конструктивные исполнения также обеспечивают сигнальное моделирование различных сетей, так, что фактическая сеть является прозрачной для терминала и пересылки информации через устройство связи в сеть.


Патент, Соединенные штаты

5,654,815

Август 5, 1997

Методы синхронизации и единицы синхронизации, для терминального обмена

Изобретатели: Bunse; Stephan (Stuttgart, DE).

Представитель: Alcatel N.V. (NL).

Приложение №: 440,822

Зарегистрировано:15.05.1995


Краткое содержание

Синхронизация между двумя местами в оптической системе связи, соотнося полученный сигнал синхронизации с сигналом синхронизации с станции и управляя тактами собственно станции соответственно, корреляция происходит в одном месте, но изделие корреляции работает в другом месте (E1-E3), и сигнал такта последних управляется соответственно. Это может быть выполнено, посылая первую последовательность битов синхронизации от терминала (E1-E3), и делая петлю, это поддерживают в обмене скорости передачи информации в битах второй последовательности битов синхронизации, генератор синхронизма терминала (E1-E3) управляется согласно полученной последовательности битов корреляций. Это имеет преимущество при обмене, так как синхронизация требует только оптических переключателей и никаких оптико-электронных преобразователей. Это разрешает все оптические обмены и устраняет один оптико-электронный преобразователь соединенного абонента. Единственный недостаток - то, что для передатчика без приемника, дополнительный обратный канал является необходимым.


Патент, Соединенные штаты

5,598,401

Январь 28, 1997

Приборы и метод для цифрового устройства передачи данных, функционирующего в аналоговом режиме

Изобретатели: Blackwell; Steven R. (Huntsville, AL); Pearson; John T. (Huntsville, AL); Fridlin, IV; Charles C. (Boca Raton, FL).

Представитель: Motorola, Inc. (Schaumburg, IL).

Приложение №: 407,749

Зарегистрировано: 21.03.1995

Основной Ревизор: Marcelo; Melvin

Поверенный, Агент или Фирма: Gamburd; Nancy R


Краткое содержание

Прибор и метод для устройства передачи данных, для избирательного функционирования в множестве аналоговых и цифровых способов, таких как аналоговый модем, как цифровой модем, и как терминальный адаптер. Конструктивные исполнения обеспечивают единственное устройство связи и группирование данных, которое будет конфигурировано и также впоследствии реконфигурировано, чтобы обеспечить передачу данных в ряд сетей, включая общественные телефонные сети, выделенный канал, и цифровые сети, включая T1, E1 и ISDN. Различные конструктивные исполнения далее обеспечивают выбор основного цифрового рабочего режима при одновременном обеспечении автоматической реконфигурации для вспомогательного или запасного аналогового рабочего режима. Различные конструктивные исполнения также обеспечивают сигнальное моделирование различных сетей, такой, что фактическая соединенная сеть является прозрачной для терминала и пересылки данных через устройство связи в сеть.


Патент, Соединенные штаты

5,592,607

Январь 7, 1997

Интерактивный метод и система для создания адресной информации, использующей указанные пользователем зоны адреса

Изобретатели: Weber; Karon A. (San Francisco, CA); Poon; Alex D. (Mountain View, CA); Moran; Thomas P. (Palo Alto, CA).

Представитель: Xerox Corporation (Stamford, CT).

Приложение №: 138,545

Зарегистрировано: 15.10.1993

Основной Ревизор: Powell; Mark R.

Помощник Ревизора: Ho; Ruay Lian

Поверенный, Агент или Фирма: Bares; Judith C.


Краткое содержание

Интерактивный метод и система, для поддержания и облегчения задачи в урегулирования, прежде всего, в реальном времени. В одном конструктивном исполнении, пользователь системы использует пишущее устройство, чтобы войти в форму рукописных штрихов, которые сохранены и соотнесены с адресом, типа времени, обеспеченного синхронизацией системы. Счета собраны в структуре данных, представляемой пространственной областью на показе названном адресом, или временем, зона, которая создана, когда пользователь входит в нее, запрашивающее адрес из системы. Все счета, введенные в специфическую область часового пояса в экспозиционной площади сохранены в блоке структуры данных, соотнесенной со временем, связанным с областью зоны того времени, и, в то время как часовые пояса созданы в последовательном приказе, ограниченном по времени, счет - может быть введен в зоны времени в любой последовательности и все еще может быть соотнесен с зоной того времени. Дополнительная возможность обеспечивает обозначение блока пользовательских счетов как ключевое слово, которое может затем быть связано с другими часовыми поясами, чтобы соединить ключевые слова со временами и счетами. Штрихи вошли и обозначили, поскольку ключевое слово назначено уникальный, распознаваемый системой идентификатор. Структура данных хранит штрихи ключевого слова, расположение в экспозиционной площади и зонах времен, с которыми это связано. Хорошо разработанный интерфейс пользователя обеспечивает рабочие области окна для создания и использования часовых поясов и для легко отображения и использования ключевых слов.


РАЗРАБОТКА ПРИНЦИПИАЛЬНЫХ ЭЛЕКТРИЧЕСКИХ СХЕМ БАЗОВЫХ ЯЧЕЕК ПРОЕКТИРУЕМОЙ ЗАКАЗНОЙ БИС


5. РАЗРАБОТКА ПРИНЦИПИАЛЬНЫХ ЭЛЕКТРИЧЕСКИХ СХЕМ БАЗОВЫХ ЯЧЕЕК ГРУППОВОГО КАНАЛЬНОГО ИНТЕРФЕЙСА ЦИФРОВОЙ СИСТЕМЫ ПЕРЕДАЧИ .


Любое цифровое устройство предназначено для выполнения той или иной логической функции, следовательно, такое устройство можно представить в виде элементарных ячеек, таких как НЕ, И-НЕ, ИЛИ-НЕ. Рассмотрим их схемы и принцип работы.
Из-за того, что разработка элементов велась на программе схемотехнического моделирования в стандарте ANSI, то обозначения элементов не совпадают принятыми в нашей стране; соответствие элементов показано на рисунке 5.1.

Рис. 5.1. Таблица соответствия элементов.

    1. ЯЧЕЙКА НЕ (ИНВЕРТОР).

Инвертор представляет собой элемент, с помощью которого реализуется логическая функция НЕ, т.е. при поступлении на вход логической единицы на выходе образуется логический ноль, а при поступлении на вход логического нуля на выходе образуется логическая единица. Результат схемотехнического моделирования и таблица истинности данного элемента представлены на рисунке 5.2.


Принцип работы этой схемы заключается в следующем, при поступлении на вход напряжения логической единицы транзистор VT1 открывается, а VT2 закрывается, напряжение на выходе падает до величины логического нуля (см. осциллограмму на рисунке 5.2). При подаче на вход схемы напряжения логического нуля транзисторы VT1 закрывается, а VT2 открывается, на VT1 возникает падение напряжения и напряжение на выходе начинает возрастать до величины логической единицы (см. осциллограмму на рисунке 5.2).



Рис. 5.2. Схема инвертора.


    1. ЯЧЕЙКА ИЛИ-НЕ

Схема ИЛИ-НЕ представляет собой элемент, который при поступлении хотя бы на один его из входов напряжения логической единицы выдает на выходе логический ноль, в противном случае на выходе схемы ИЛИ-НЕ будет логическая единица.

Ячейка ИЛИ-НЕ на два входа представлена на рисунке 5.3. Рассмотрим принцип работы данного элемента. При поступлении напряжения логической единицы на один из входов схемы, один из входных транзисторов (VT1 или VT2) открывается, а соответствующий ему нагрузочный транзистор (VT3 или VT4) закрывается , в результате выход оказывается


подключенным к «земле», т.е. на выходе образуется логический ноль. При поступлении на оба входа схемы напряжения логического нуля, транзисторы VT1 и VT2 закрываются, а нагрузочные транзисторы наоборот открываются, в результате на закрытых транзисторах образуется падение напряжения и на выход схемы поступает напряжение логической единицы. На осциллограмме (см. рис. 5.3) представлены эпюры напряжений на входах и выходе схемы, иллюстрирующие работоспособность данного элемента, на этом же рисунке представлена таблица истинности элемента ИЛИ-НЕ.

Иногда требуются схемы ИЛИ-НЕ с большим количеством входов. Для построения таких схем достаточно добавить по два транзистора на каждый вход, транзистор п-типа подключить параллельно другим транзисторам п-типа, а транзистор р-типа подключить последовательно другим транзисторам р-типа. Схема ИЛИ-НЕ на три входа изображена на рисунке 5.4. Принцип работы данной схемы не отличается от принципа работы схемы ИЛИ-НЕ на два входа.



Рис. 5.3. Ячейка ИЛИ-НЕ на два входа.




Рис. 5.4. Схема ИЛИ-НЕ на три входа.


    1. ЯЧЕЙКА И-НЕ

Схема И-НЕ представляет собой элемент, который при поступлении на все входы напряжения логической единицы выдает на выходе напряжение логического нуля, в противном случае на выходе будет логическая единица.

Схема И-НЕ на два входа представлена на рисунке 5.5. Рассмотрим принцип работы данного элемента. При поступлении хотя бы на один из входов напряжения логического нуля один из входных транзисторов (VT1 или VT2) закрывается, на нем образуется падение напряжения, а один из нагрузочных транзисторов (VT3 или VT4) открывается, в итоге на выходе образуется напряжение логической единицы. При поступлении на оба входа напряжения логической единицы, оба транзистора VT1 и VT2 открываются, а транзисторы VT3 и VT4 закрываются, и выход оказывается подключен к «земле», другими словами на выходе действует напряжение логического нуля.




Рис. 5.5. Схема И-НЕ на два входа.


Иногда требуются схемы И-НЕ с большим количеством входов. Для построения таких схем достаточно добавить по два транзистора на каждый вход, транзистор п-типа подключить последовательно другим транзисторам п-типа, а транзистор р-типа подключить параллельно другим транзисторам р-типа. Схема ИЛИ-НЕ на три входа изображена на рисунке 6.6. Принцип работы данной схемы не отличается от принципа работы схемы ИЛИ-НЕ на два входа.




Рис. 5.6 Схема И-НЕ на три входа.


5.4 ЭЛЕМЕНТЫ «И» И «ИЛИ»


Элементы И и ИЛИ получаются добавлением на выход элементов И-НЕ и ИЛИ-НЕ инверторов, в результате двойного логического отрицания на выходе схемы получается требуемая логическая функция. Эквивалентные логические схемы элементов И и ИЛИ представлены на рисунках 5.7 и 5.8.



Р
ис. 5.7. Эквивалентная схема элемента И.


Рис. 5.7. Эквивалентная схема элемента ИЛИ.


5.5 ЯЧЕЙКА ПАМЯТИ


Ячейка памяти является еще одним базовым элементом, на основе которого строятся запоминающие устройства различных блоков. Ячейка памяти предназначена для хранения информации поступившей по входной


шине и считывания информации по выходной шине, причем ячейка должна памяти должна обеспечивать координатную выборку информации. Ячейка памяти представляет собой простейший триггер, содержащий две пары КМДП транзисторов и два п-канальных транзистора в качестве ключей (см. рис. 5.8). Необходимо отметить, что при разработке элементов ячейки памяти учитывались требования миниатюризации с одной стороны и требования обеспечения определенного запаса по быстродействию с другой.




Рис. 5.8. Принципиальная схема запоминающей ячейки.


Рассмотрим принцип работы данной ячейки. При поступлении напряжения логической единицы на адресный вход (Адрес), транзисторы VT5 и VT6 открываются и триггер, собранный на VT1 - VT4, начинает работать в обычном режиме, т.е. при поступлении на вход логической единицы, на выходе образуется логический ноль, и, наоборот, при поступлении логического нуля, на выходе образуется логическая единица. Это происходит из-за того, что один из транзисторов VT1 или VT2 открыт, т.к. они включены в противофазе. Транзисторы VT3 и VT4 играют роль динамической нагрузки . Если использовать один из входов триггера для записи


информации (Запись), а с другого эту информацию считывать (Считывание), то получится ячейка памяти, но с инверсным выходом, т.к. считанные сигналы необходимо усилить, то это можно сделать при помощи инвертирующих усилителей считывания.

Для объединения ячеек памяти в единое запоминающее устройство необходимо объединить в общие шины входные и выходные выводы, так чтобы была возможность записывать и считывать информацию в соответствии с функциональными требованиями, а выводы выбора адреса объединить в одну параллельную шину. Схема фрагмента запоминающего устройства из четырех ячеек приведена на рисунке 5.9.




Рис. 5.9. Схема объединения запоминающих ячеек.


Результаты разработки топологии запоминающих ячеек проектируемой БИС рассмотрены в главе « Конструктивные особенности проектируемого устройства », там же рассмотрен принцип размещения ячеек на одном кристалле .


РАЗРАБОТКА СТРУКТУРНОЙ СХЕМЫ ПРОЕКТИРУЕМОГО УСТРОЙСТВА


БИС группового канального интерфейса ( ГКИ ) необходима для сопряжения исходящих и входящих абонентских каналов с линией передачи ИКМ-30/32 со стороны абонентского оборудования , а также сопряжения линии ИКМ-30/32 с коммутационным полем со стороны ЭАТС и обеспечивает кроме того ввод/вывод служебных каналов линии ИКМ для передачи служебной информации коммутационной системы (КС ), что позволяет сократить номенклатуру требуемых БИС. БИС ГКИ может подключаться на обоих концах линии ИКМ-30/32 .


3. РАЗРАБОТКА СТРУКТУРНОЙ СХЕМЫ УСТРОЙСТВА


    1. СРАВНЕНИЕ ПРОЕКТИРУЕМОЙ СИСТЕМЫ С ЦИФРОВОЙ ТРАНСПОРТНОЙ СЕТЬЮ КОМПАНИИ “МТУ-ИНФОРМ”.


Прежде всего необходимо отметить, что обе системы имеют в своей основе кольцевой принцип построения сети, что обеспечивает преимущества по сравнению с радиальной схемой построения сети . Основным отличием проектируемой системы от сети , построенной по принципу Синхронной Цифровой Иерархии, является снижение минимальной пропускной способности канала до 2,048 Мбит/с, это накладывает определенные условия на построение устройств обеспечивающих работу сети. Вторым важным отличием проектируемой системы является децентрализация управления, которая позволяет использовать устройства системы независимо от центрального узла управления, что в конечном итоге позволяет продолжить работу сети при выходе из строя центрального управляющего элемента , и тем самым повысить надежность системы вцелом .


    1. АНАЛИЗ РАЗЛИЧНЫХ ВАРИАНТОВ ПОСТРОЕНИЯ СТРУКТУРНОЙ СХЕМЫ ГКИ .


Исходя из назначения устройства, можно представить устройство в виде некоего блока, который обеспечивает сопряжение 64х входящих цифровых каналов с линией передачи ИКМ –30/32 32 со стороны абонентского оборудования , а также сопряжения линии ИКМ-30/32 с коммутационным полем со стороны ЭАТС и обеспечивает кроме того ввод/вывод служебных каналов линии ИКМ для передачи служебной информации коммутационной системы (КС ) . Структурная схема такого устройства показана на рисунке 3.1.




Комму-татор

Групповой

канальный

интерфейс



Групповой

канальный

интерфейс








УСТРОЙСТВО УПРАВЛЕНИЯ



Шина обмена

Входящий канал 16,384 Мбит/с .

Исходящий канал 16,384 Мбит/с .

Групповые каналы 2,048 Мбит/с .


Рис. 3.1. Общее строение устройства .


Для выделения из входящего тракта 16,384 Мбит/с групповых кана-лов ИКМ-30/32 и служебного канала в КАНАЛЬНОМ ИНТЕРФЕЙСЕ необходим специальный блок , отвечающий за их выделение (назовем этот блок БЛОКОМ ТАКТОВОЙ СИНХРОНИЗАЦИИ ), а для синхронизации по циклам необходимо выделить синхроимпульсы цикловой и сверхцикловой синхронизации. Тогда структурная схема примет вид, показанный на рис. 3.2. Этот вариант укрупненной структурной схемы включает в себя дополнительно БЛОК ЦИКЛОВОЙ СИНХРОНИЗАЦИИ .

БЛОК

ЦИКЛОВОЙ СИНХРОНИЗАЦИИ


БЛОК

ТАКТОВОЙ СИНХРОНИЗАЦИИ


УСТРОЙСТВО УПРАВЛЕНИЯ

2,048 Мбит/с

Шины обмена

Рис . 3.2.



Далее необходимо выравнивание по циклам ( синхронизация по нача-лу цикла входящего тракта с началом КС ) . Это можно сделать в БУФЕ-РЕ ЦИКЛОВОЙ СИНХРОНИЗАЦИИ . Одновременно в БЦС выполняется преобразование формата входящих групповых каналов ИКМ-30/32 в формат тракта коммутационного поля ( рисунок 3.3.).


БУФЕР

ЦИКЛОВОЙ СИНХРОНИ-ЗАЦИИ


БЛОК

ТАКТОВОЙ СИНХРОНИ-ЗАЦИИ

БЛОК

ЦИКЛОВОЙ СИНХРОНИЗА-ЦИИ






УСТРОЙСТВО УПРАВЛЕНИЯ



2,048 Мбит/с

Шины обмена



Рис . 3.3.


Для связи внутренней шины ГКИ с информационными и служебными каналами тракта ИКМ служит МУЛЬТИПЛЕКСОР / ДЕМУЛЬТИПЛЕ-КСОР . И для передачи цикловых синхроимпульсов в формате стандарт-ного канала ИКМ-30/32 нужен ФОРМИРОВАТЕЛЬ ИКМ ( рис 3.4.) .



  • 2,048 Мбит/с

  • 16,384 Мбит/с

  • Шины обмена

УСТРОЙСТВО УПРАВЛЕНИЯ

Шина обмена с внешним контроллером управления

Рис . 3.4.





При детальном рассмотрении структуры можно заметить, что для обеспечения циклового выравнивания входящих групповых каналов необходимо запомнить информацию из этих каналов , приходящую в разное время , а затем начать считывание информации по сигналу синхронизации из УСТРОЙСТВА УПРАВЛЕНИЯ . Для выполнения временной коммутации также необходимо запомнить приходящую информацию , а затем считывать эту информацию в порядке соответ-ствующим карте коммутации . Отсюда несложно сделать вывод о целесообразности объединения БЛОКА ЦИКЛОВОЙ СИНХРОНИЗАЦИИ и БУФЕРА ЦИКЛОВОЙ СИНХРОНИЗАЦИИ . Такая структурная схема представлена на рис. 3.5.







УСТРОЙСТВО УПРАВЛЕНИЯ


  • 2,048 Мбит/с

  • 16,384 Мбит/с

  • Шины обмена


Шина обмена с внешним контроллером управления




Рис . 3.5.



Рассмотрим подробнее назначение блоков:


Блок тактовой синхронизации .


Синхронизация по тактам ( фазе ) входящей линии тракта передачи с фазой коммутационного поля КС .


Блок цикловой синхронизации .


Блок цикловой синхронизации должен выполнять следующие фун-кции :

  • поиск синхросигнала ;

  • вхождение в синхронизм ;

  • поддерживание синхронизма ;

  • обнаружение входа из синхронизма при сбоях .


Блок мультиплексора / демультиплексора .


Мультиплексор / демультиплексор осуществляет связь внутренней шины с информационными и служебными каналами тракта ИКМ . Мульти-плексная внутренняя шина служит для обмена информацией между каналами ИКМ тракта и шиной управляющей микро-ЭВМ , через соответствующие интерфейсы :

  • интерфейс служебных сигналов выполняет функции выделения , буферизации и ввода/вывода сигналов информационных каналов ( например , посылка вызова , отбой и др .) ;

  • интерфейс 16–го канала осуществляет ввод/вывод служебной информации 16–го канала , необходимой для межпроцессорного обмена ;

  • интерфейс абонентских каналов обеспечивает доступ к любому абонентскому каналу и может использоваться для сопряжения уплотненного канала передачи данных с групповым трактом ИКМ , а также для диагностики абонентских каналов .


Блок формирователя ИКМ .


Передатчик цикловых синхроимпульсов предназначен для формирования в групповом исходящем канале циклового и сверхциклового синхросигналов в формате внутрисистемного обмена , либо в формате стандартного канала ИКМ–30/32 .


ВЫБОР СХЕМО-ТЕХНОЛОГИИ

ПРОЕКТИРУЕМОЙ БИС


    1. КРАТКИЙ ОБЗОР СУЩЕСТВУЮЩИХ СХЕМО-ТЕХНОЛОГИЙ ПРИМЕНЯЕМЫХ В

ИНТЕГРАЛЬНЫХ СХЕМАХ


Рассмотрим наиболее распространенные схемотехнологии применяемые в интегральных схемах:
  1. Транзисторно-транзисторная логика (ТТЛ).

  2. Эмиттерно-связанная логика (ЭСЛ).

  3. Логика, построенная на основе структуры метал-диэлетрик-полупроводник с п-каналом (пМДП).

  4. Логика, построенная на основе структуры метал-диэлетрик-полупроводник с транзисторами разной проводимости (КМДП).


      1. ТЕХНОЛОГИЯ ТТЛ.


Технология ТТЛ основана на биполярных структурах. Базовый элемент ТТЛ представляет собой схему, содержащую один многоэмиттерный транзистор и один обычный (см. рис. 4.1), это логическая схема И-НЕ (функцию И выполняет транзистор VT1, а функцию инверсии выполняет транзистор VT2).



Рис. 4.1. Базовый элемент ТТЛ.


Подобная схема обладает низкой помехоустойчивостью и низким быстродействием, быстродействие можно увеличить, используя сложный инвертор, который позволяет сократить время включения (переход из логического «0» в логическую «1»); но время выключения (переход из логической «1» в логический «0») сократить, не удается.


Более высокое быстродействие позволяют получить схемы субсемейства ТТЛШ (транзисторно-транзисторная логика с использованием транзисторов с барьером Шотки; см. рисунок 4.2). В таких схемах барьер Шотки создает нелинейную обратную связь в транзисторе, в результате транзисторы не входят в режим насыщения, хотя и близки к этому режиму. Следовательно, практически исключается время рассасывания, что позволяет существенно увеличить быстродействие.

Р
ис. 4.2. Транзистор Шотки.


      1. ТЕХНОЛОГИЯ ЭСЛ.


Т
ехнология ЭСЛ является так же, как и технология ТТЛ, биполярной, т.е. элементы строятся с использованием биполярных структур. Основой элементов ЭСЛ является так называемый «переключатель тока», на основе которого строится базовый элемент этой технологии - ИЛИ- -НЕ (см. рис. 4.3); по выходу1 данной схемы реализуется логическая функция ИЛИ-НЕ, а по выходу2 - ИЛИ.


Рис. 4.3. Базовый элемент ЭСЛ.


Из-за низкого входного сопротивления схемы ЭСЛ обладают высоким быстродействием и работают преимущественно в активном режиме, следовательно, помеха попавшая на вход усиливается. Для повышения помехоустойчивости шину коллекторного питания делают очень толстой и соединяют с общей шиной.

По сравнению со схемами ТТЛ схемы ЭСЛ обладают более высоким быстродействием, но помехоустойчивость у них гораздо ниже. Схемы ЭСЛ занимают большую площадь на кристалле, потребляют большую мощность в статическом состоянии, так как выходные транзисторы открыты и через них протекает большой ток. Схемы, построенные по данной технологии не совместимы со схемами, построенными по другим технологиям, использующим источники положительного напряжения.


      1. ТЕХНОЛОГИЯ пМДП.


В отличие от технологий, рассмотренных выше, технология пМДП основана на МДП - структурах, которые обеспечивают следующие преимущества по сравнению с биполярными:

  1. Входная цепь (цепь затвора) в статическом режиме практически не потребляет тока (высокое входное сопротивление);

  2. Простая технология производства и меньшая занимаемая площадь на кристалле.

Основными логическими схемами изготовлеваемыми на основе пМДП являются схема ИЛИ-НЕ и И-НЕ (см. рис. 4.4 и рис. 4.5).


Р
ис. 4.4. Схема ИЛИ-НЕ.





Рис. 4.5. Схема И-НЕ.


К недостаткам этих схем можно отнести невысокое быстродействие, по сравнению со схемами ТТЛШ и ЭСЛ. Но в настоящее время благодаря применению новых технологий (окисная изоляция, использование поликремневых затворов, технология «кремний на сапфире») создаются быстродействующие МДП структуры.


4.1.4. ТЕХНОЛОГИЯ КМДП.


Следующим шагом развития МДП технологии стало использование комплиментарных МДП транзисторов, т.е. транзисторов с разным типом проводимости, причем основными являются транзисторы п-типа; а транзисторы р-типа используются в качестве динамической нагрузки.

Использование КМДП-схем по сравнению со схемами пМДП позволяет снизить потребляемую мощность, повысить быстродействие и помехоустойчивость, однако это достигается за счет увеличения площади занимаемой на кристалле и усложнения технологии производства.

Б
азовыми элементами КМДП-схем являются, как и для пМДП, логические элементы ИЛИ-НЕ и И-НЕ (см рис. 4.6 и 4.7).

Рис. 4.6. Схема ИЛИ-НЕ.



Рис. 4.7. Схема И-НЕ.


К особенностям интегральных схем, построенных по технологии КМДП можно отнести следующее:

  1. Чувствительность к статическому электричеству (для защиты в буферные каскады ставятся диоды);

  2. Тиристорный эффект (в КМДП структурах образуются паразитные биполярные, подобные тиристору, структуры между шинами питания). При включении питания тиристор включается и замыкает шину «+» на общую шину (для защиты используется окисная изоляция).


    1. ВЫБОР СХЕМОТЕХНОЛОГИИ ПОСТРОЕНИЯ БИС

При сравнении рассмотренных выше схемотехнологий не трудно придти к следующим выводам:

  1. В биполярных технологиях базовым является элемент реализующий лишь одну логическую функцию (И-НЕ в ТТЛ(Ш) и ИЛИ-НЕ в ЭСЛ), в то время как базовыми в МДП технологиях являются и те и другие логические элементы. Конечно, можно любую логическую функцию перевести в базисы И-НЕ или ИЛИ-НЕ, но это усложняет и процесс создания схемы, и саму схему. Следовательно с этой позиции схемы предпочтительней строить на основе МДП структур.

  2. Так как внутреннее умножение частоты в проектируемой БИС было устранено, то быстродействие не играет значительной роли, следовательно, технология ЭСЛ отпадает; так как интегральные схемы, построенные по данной технологии, потребляют значительную мощность и менее помехоустойчивы, чем все остальные; а для обеспечения питания таких схем необходимы специальные каскады.

  3. У схем МДП более простая технология изготовления, что сказывается на себестоимости всего устройства в целом, следовательно, с этих позиций технология МДП предпочтительней биполярной.

В результате анализа различных технологий (см. ГЛАВА 9) было отдано предпочтение технологии КМДП, как наиболее оптимальной для решения данной задачи.


    1. СХЕМЫ КМДП С ТРЕЬИМ СОСТОЯНИЕМ

Для решения некоторых задач, например, таких как подключение нескольких устройств к одной шине, используются схемы с третьим состоянием. Помимо двух логических уровней у такой схемы есть еще одно - третье состояние, в котором выход (иногда вход) схемы отключен, и сигналы проходящие по шине в этот момент не влияют на элементы данной схемы, и в тоже время на шину не поступают сигналы от отключенных таким способом элементов. В результате схемы с третьим состоянием позволяют избежать наложения сигналов от разных устройств, подключенных к одной шине и, следовательно, избежать помех в общих для нескольких устройств проводниках. Так как для построения схемы была выбрана технология КМДП, то рассмотрим схему с тремя состояниями на примере инвертора построенного по технологии КМДП, схема этого устройства изображена на рисунке 4.8.

Транзисторы VT1 и VT2 представляют собой обычный КМДП инвертор, подключенный к источнику питания и общей шине через транзисторные ключи, построенные на транзисторах VT3 и VT4.


Р
ис. 4.8. Схема КМДП с тремя состояниями.


Рассмотрим принцип работы данной схемы. Управление ей осуществляется двумя входами Z и Z. Если на вход Z подать напряжение логической единицы, то транзисторы VT3 и VT4 откроются и схема работает как обычный инвертор, а при подаче на управляющий вход напряжения логического нуля транзисторы VT3 и VT4 закроются и на выходе схемы окажется очень большое сопротивление. Таблица истинности такого элемента сведена в таблицу 4.1.



Вход


Z


Z


Выход


0

1

0

1


0

0

1

1


1

1

0

0


Отключен

Отключен

1

0


Таблица 5.1.


ТЕХНИКО-ЭКОНОМИЧЕСКОЕ ОБОСНОВАНИЕ

РАЗРАБОТКИ БИС ГРУППОВОГО КАНАЛЬНОГО

ИНТЕРФЕЙСА ЦИФРОВОЙ СИСТЕМЫ ПЕРЕДАЧИ


    1. ОБОСНОВАНИЕ ВЫБОРА ЗАКАЗНОЙ БИС

Увеличение степени интеграции ИС приводит к их функциональной специализации и затратам на разработку . Это приводит к тому , что заказные БИС обычно производятся малыми партиями по специальному заказу, поэтому такие БИС являются очень дорогими, по сравнению с серийными, так как требуют тех же затрат на разработку, при намного меньшем числе БИС в серии . Кроме этого высокая степень функциональной специализации таких БИС требует от проектировщика глубоких специальных схемотехнических знаний . Но при использовании серийных интегральных схем их количество в проектируемом устройстве составляло бы несколько десятков, что существенно снизило бы надежность, увеличило бы количество потребляемой энергии, потребовало бы намного большей площади, при тех же реализуемых функциях; и в итоге оказалось бы экономически нецелесообразным. Поэтому было решено строить интерфейс в виде одной заказной БИС.


    1. ОБОСНОВАНИЕ ВЫБОРА СТРУКТУРНОЙ СХЕМЫ

Выбор оптимального строения структурной схемы БИС интерфейса в наибольшей степени зависит от выбора оптимальных условий формирования уплотненного временного канала.

Проведем сравнение этих условий по следующим критериям:

  • по числу функций, выполняемых блоками интерфейса ;

  • по внутренней частоте;

  • по стоимости реализации интерфейса;

  • по рациональному использованию оперативной памяти.

Рассмотрим три способа выделения и вставки каналов:

1 - традиционный;

2 – реализованный в прототипе;

3 – с параллельной шиной.

Традиционный способ состоит в выделения ( или вставки ) одного уплотненного по времени канала из 64х входящих групповых каналов простым извлечением его из всеобщего потока посредством увеличения ( или уменьшения ) числа интерфейсом . Этот способ невыгоден, так как с увеличением числа интерфейсов увеличивается количество коммутаторов.

Это приводит к увеличению объема обработки , выполняемого коммутатором и увеличением тактовой частоты в два , четыре , восемь раз по


сравнению с данной . А это приводит к тому , что уменьшается количество операций выполняемых отдельными блоками коммутатора и усложняется схемотехника всего устройства в целом.

Способ, реализованный в прототипе, заключается в выделении и вставке 16 го служебного канала если тактовая частота совпадает со станционной частотой . Этот способ хоть и позволяет устранить некоторые сложности схемотехнического плана , но не решает всей проблемы в целом , т.к. не всегда эти частоты совпадают и на выравнивание приходится применять более сложную аппаратуру .

В качестве оптимального выбран 3ий способ . Этот способ подразумевает выделение 16 го канала из внутренней оперативной памяти , в которую записываются каналы , которые пришли ранее синхросигнала ( нулевого канала ) . Все это позволяет в некотором виде снизить себестоимость устройства в целом .


ОБОСНОВАНИЕ ВЫБОРА ТЕХНОЛОГИИ ПОСТРОЕНИЯ БИС


К разрабатываемой БИС интерфейса предъявляются следующие требования, которые позволяют более плодотворно вести работу по созданию данного устройства:

  • возможность интегрирования в существующие цифровые системы передачи данных (в частности построение одно- и многозвенных систем на основе разрабатываемой БИС);

  • простота управления;

  • невысокая стоимость.

Для обеспечения возможности интегрирования в существующие цифровые системы необходимо применять стандартные схемотехнологии построения БИС, обладающие широкой распространенностью. Следовательно, для своей реализации разрабатываемое устройство требует определенные промышленные наработки различных технологий. На современном этапе производительность той или иной технологии не может быть измерена только количеством элементов (чаще всего транзисторов) на единице площади, как это часто делается для интегральных схем. Логическая функция (И-НЕ или ИЛИ-НЕ) реализованная по одной технологии необязательно эквивалентна по количеству элементов соответствующей логической функции реализованной на основе другой технологии, поэтому число элементов на единицу площади не является основным критерием сравнения технологий. В этом случае важны и другие характеристики БИС реализованных на основе разных технологий, отражающие их функциональные возможности, способы реализации логических функций.


От других типов БИС, заказные интегральные схемы отличаются следующими своими свойствами:

  1. Большая степень интеграции;

  2. Меньшая функциональная гибкость;

  3. Аппаратная поддержка выполняемых команд.

Все эти и некоторые другие свойства позволяют реализовывать на них сложные алгоритмы обработки цифровых сигналов при относительно низких затратах.

Таким образом, использование заказной БИС, реализованной на отработанной технологии производства, существенно уменьшит ограничения на сложность реализации интерфейса при относительно низких затратах на производство.

Выбор технологии производства БИС производится методом анализа иерархий . Варианты , которые были рассмотрены , представлены в таблице 9.1.


Возможные варианты технологий производства заказной БИС.


Технология Краткое описание (реализуемая базовая функция)
ТТЛ(Ш)

Биполярная (И-НЕ)

ЭСЛ Биполярная (ИЛИ-НЕ)
NМДП МДП с n-каналом (И-НЕ и ИЛИ-НЕ)
КМДП Комплиментарная МДП (И-НЕ и ИЛИ-НЕ)

Таблица 9.1

При заполнении таблиц использовалась шкала относительной важности, приведенная в таблице 9.2.


Шкала относительной важности.


Интенсивность относительной важности определение
1 равная важность
3 умеренное превосходство
5 сильное превосходство
7 значительное превосходство
9 очень сильное превосходство
2,4,6,8 промежуточные суждения

Таблица 9.2.


Выбор производится по следующим критериям:

  • Быстродействие;

  • Помехоустойчивость;

  • Потребляемая мощность;

  • Площадь, занимаемая на кристалле;

  • Совместимость (возможность интеграции БИС, построенной по данной технологии, с БИС, построенными по другой технологии);

  • Стоимость.


На основании этих данных были составлены 7 матриц: матрица попарных сравнений для критериев, по которой определяется наиболее важный (таблица 9.3) ,6 матриц попарных сравнений альтернатив по отношению к каждому критерию (таблицы 9.4, 9.5, 9.6, 9.7, 9.8, 9.9).

В матрицах приняты следующие обозначения:

Xi - локальный приоритет, определяемый по формуле : Xi=,

- сумма по столбцу .

A - вариант реализации на ТТЛ(Ш),

B - вариант реализации на ЭСЛ,

C - вариант реализации на nМДП,

D - вариант реализации на КМДП.




1


2


3


4


5


6



Xi

1.Быстродей­ствие

1


1/5


3


1/3


1/7


3


0,66


0,07

2.Помехо­устойчивость

3


1/5


3


1


1/7


3


0,96


0,11

3.Потребление

1/3


1/7


1


1/3


1/5


3


0,46


0,05

4.Площадь

7


3


5


7


1


7


4,15


0,45

5.Совмести­мость

5


1


7


5


1/3


5


2,58


0,28

6.Стоимость



1/3


1/5


1/3


1/3


1/7


1


0,32


0,04









9,13


1,00

Таблица 9.3.

Рассчитаем отношение согласованности по следующей формуле:


ОС = ИС/СС, где (9.1)

ИС = (il - n)/(n - 1); (9.2)

n=6; СС=1,2

il = Xi * yij = 1,17 + 1,33 + 0,96 + 1,54 + 0,88 + 0,88 = 6,76; (9.3)

ИС = (6,76 - 6)/(6 - 1) = 0,152;

ОС = 0,152/1,2 = 0,127.

ОС

Быстродействие.




A


B


C


D



Xi

A 1 1/5 3 3 1,16 0,19
B 5 1 7 7 3,96 0,65
C 1/3 1/7 1 1/2 0,39 0,07
D 1/3 1/7 2 1 0,56 0,09




6,07 1,00

Таблица 9.4

Рассчитаем отношение согласованности по следующей формуле:


ОС = ИС/СС, где (9.1)

ИС = (il - n)/(n - 1); (9.2)

n=4; СС=0,9

il = Xi * yij = 1,27 + 0,97 + 1,04 + 0,92 = 4,20; (9.3)

ИС = (4,2 - 4)/(4 - 1) = 0,067;

ОС = 0,067/0,9 = 0,074.

ОС

Помехоустойчивость.




A


B


C


D



Xi

A 1 5 1 1/3 1,14 0,21
B 1/5 1 1/5 1/7 0,48 0,09
C 1 5 1 1/3 1,56 0,29
D 3 7 3 1 2,20 0,41




5,37 1,00

Таблица 9.5


Рассчитаем отношение согласованности по следующей формуле:


ОС = ИС/СС, где (9.1)

ИС = (il - n)/(n - 1); (9.2)

n=4; СС=0,9

il = Xi * yij = 1,09 + 0,90 + 1,09 + 0,96 = 4,04; (9.3)

ИС = (4,04 - 4)/(4 - 1) = 0,013;

ОС = 0,013/0,9 = 0,014.

ОС

Потребление.




A


B


C


D



Xi

A 1 5 1/5 1/7 0,61 0,09
B 1/5 1 1/7 1/9 0,24 0,04
C 5 7 1 1/3 1,85 0,29
D 7 9 3 1 3,71 0,58




6,41 1,00

Таблица 9.6

Рассчитаем отношение согласованности по следующей формуле:


ОС = ИС/СС, где (9.1)

ИС = (il - n)/(n - 1); (9.2)

n=4; СС=0,9

il = Xi * yij = 1,19 + 0,88 + 1,26 + 0,92 = 4,25; (9.3)

ИС = (4,25 - 4)/(4 - 1) = 0,083;

ОС = 0,083/0,9 = 0,092.

ОС

Площадь.




A


B


C


D


Xi

A 1 5 3 5 0,99 0,21
B 1/5 1 1/3 1/2 0,24 0,05
C 1/3 3 1 3 2,03 0,43
D 1/5 2 1/3 1 1,47 0,31




4,73 1,00

Таблица 9.7


Рассчитаем отношение согласованности по следующей формуле:


ОС = ИС/СС, где (9.1)

ИС = (il - n)/(n - 1); (9.2)

n=4; СС=0,9

il = Xi * yij = 1,07 + 0,99 + 0,75 + 1,24 = 4,05; (9.3)

ИС = (4,05 - 4)/(4 - 1) = 0,017;

ОС = 0,017/0,9 = 0,019.

ОС

Совместимость.




A


B


C


D



Xi

A 1 5 1/3 1/5 0,76 0,13
B 1/5 1 1/7 1/9 0,24 0,04
C 5 7 1 1/2 2,41 0,41
D 3 9 2 1 2,47 0,42




5,88 1,00

Таблица 9.8.

Рассчитаем отношение согласованности по следующей формуле:


ОС = ИС/СС, где (9.1)

ИС = (il - n)/(n - 1); (9.2)

n=4; СС=0,9

il = Xi * yij = 1,19 + 0,88 + 1,08 + 0,94 = 4,09; (9.3)

ИС = (4,09 - 4)/(4 - 1) = 0,03;

ОС = 0,03/0,9 = 0,033.

ОС

Стоимость.




A


B


C


D



Xi

A 1 3 5 6 3,08 0,56
B 1/3 1 3 4 1,41 0,26
C 1/5 1/3 1 2 0,60 0,11
D 1/6 1/4 1/2 1 0,38 0,07




5,47 1,00

Таблица 9.9


Рассчитаем отношение согласованности по следующей формуле:


ОС = ИС/СС, где (9.1)

ИС = (il - n)/(n - 1); (9.2)

n=4; СС=0,9

il = Xi * yij = 0,95 + 1,19 + 1,04 + 0,91 = 4,09; (9.3)

ИС = (4,09 - 4)/(4 - 1) = 0,03;

ОС = 0,03/0,9 = 0,033.

ОС

Глобальный приоритет для каждой альтернативы вычисляется как сумма произведений локальных приоритетов на соответствующий весовой коэффициент. Глобальные приоритеты приведены в таблице 9.10, из которой видно, что наибольший приоритет у варианта реализации БИС коммутации с использованием КМДП технологии.



1


2 3 4 5 6

Глобальный

Приоритет

Вес 0,07 0,11 0,05 0,45 0,28 0,04
ТТЛ(Ш) 0,19 0,21 0,09 0,21 0,13 0,56 0,19
ЭСЛ 0,65 0,09 0,04 0,05 0,04 0,26 0,09
пМДП 0,07 0,29 0,29 0,43 0,41 0,11 0,33

КМДП

0,09 0,41 0,58 0,31 0,42 0,07

0,39

Таблица 9.10.


Выводы: С помощью метода анализа иерархий проведено сравнение следующих типов технологий производства БИС по следующим критериям: 1) быстродействие; 2) помехоустойчивость; 3) потребляемая мощность; 4) площадь, занимаемая на кристалле; 5) совместимость; 6) стоимость. Предпочтение отдается технологии КМДП. В таблице 9.3. приведена матрица сравнения критериев. Наибольший локальный приоритет у критерия «площадь». По данным таблицы 9.9 локальный приоритет пМДП технологии превалирует над локальными приоритетами других технологий, но в других случаях локальный приоритет КМДП выше. Конечным этапом сравнения является синтез глобальных приоритетов. Наибольший глобальный приоритет имеет КМДП технология, она и будет использоваться для реализации заказной БИС интерфейса .


9.4 РАСЧЕТ ОСНОВНЫХ ТЕХНИКО-ЭКОНОМИЧЕСКИХ

ПОКАЗАТЕЛЕЙ


9.4.1 РАСЧЕТ ПОКАЗАТЕЛЕЙ НАДЕЖНОСТИ.


При расчете определим следующие показатели:

  1. наработка на отказ Т [ч];

  2. вероятность безотказной работы за год (8760 часов).

T=1/  , где — интенсивность отказов устройства;

, где i — интенсивность отказов i-го элемента;

Рбр(t = 8760) = е - t = e - 8760. (9.4)

Расчет интенсивности отказов элементов приведен в таблице 9.11.


Наименование

Элемента

Количество k

Интенсивность отказов одного

элемента i ,1/ч

Интенсивность отказов всех элементов k*i ,[1/ч]

Интегральная схема 1

10-6

1*10-6

Итого 1

=10-6

Таблица 9.11

 = 10-6 [1/ч];

T = 1/  = 1/10-6 = 106 [час];

Время наработки на отказ производители различных электронных компонентов стараются сделать как можно больше, для того чтобы при интегрировании этих компонентов в одном устройстве (на одной печатной плате) время наработки на отказ тоже было бы большим (при интеграции п компонентов время наработки на отказ уменьшается приблизительно в п раз). И поэтому время наработки на отказ данной БИС составляет около 114 лет, т.е. намного больше срока морального старения.

Рбр(t = 8760) = е - t = e - 8760 0,991.


9.4.2 РАСЧЕТ СЕБЕСТОИМОСТИ ИЗГОТОВЛЕНИЯ БИС.


БИС изготовлена на основе кремниевого кристалла по технологии КМДП. Себестоимость БИС равна: СБИС = П + Скр+ З+ ЦР + ОЗР, где

П — стоимость покупных деталей (корпус, проводники и т.д.);

Скр — себестоимость изготовления кристалла ИС;

З — расходы на основную заработную плату;

ЦР — цеховые расходы;

ОЗР — общезаводские расходы.


1. Рассчитаем стоимость покупных изделий П.(Цены на компоненты сведены в таблицу 9.12.)


Наименование

Элемента

Тип

Количество,

шт.

Цена за

Единицу, $

Сумма ,

$

Кристалл Кремниевый 1 0,02 0,02
Корпус 2123.40 - 1 1 0,05 0,05
Проводники
40 0,004 0,16
Изготовление фотошаблона ИС

Площадь, см2

Цена за

См2, $




3,5 0,02 0,07
Итого


0,3

Таблица 9.12


2. Себестоимость изготовления кристалла ИС.

Расходы на зарплату:

Плотность компоновки факт =498/3,5=142,28 эл/см2, а норм = 75 эл/см2.

Определим коэффициент пересчета Кпересч.= факт / норм = 142/75 = 1,9

Расценок на 1 см2:

Рц =0,8*Рд+ Рц ; Pд = 0,1руб/см2

Рц = Рд*0.2* Кпересч

Рц = 0,8*0,1+0,1*0,2*1,9 = 0,12 руб/см2

Расходы на зарплату (без учета расходов на социальные нужды):

Зкр1= Рц1* Sкр=0,5 * 3,5= 1,75 руб.

Расходы на зарплату (с учетом расходов на социальные нужды +41%):

Зкр= 1,41 * Рц1* Sкр= 1,41 * 0,5 * 3,5= 2,47 руб.

Себестоимость изготовления кристалла ИС:

Скр = Зкр + М + Н, где Н — накладные расходы

Н=2,2* Зкр=2.2*2,47=5,43 руб.

Скр=2,47 + 2,38 + 5,43 = 10,28 руб.

3. Расчет расходов на зарплату при изготовлении БИС.

Трудоемкость работ:

  • подготовка кристалла к фотолитографии tпф.=Sкр * 10 сек/см2 = 3,5 * 10 = 350 сек = 0,01 ч;

  • непосредственно процесс фотолитографии и формирования элементов tфл.=Sкр* 5 ч/см2= 3,5*5 = 17,5ч;

  • пайка внешних выводов tпвв.=Sкр*1сек/10см2= 3,5/10 = 0.35сек =0,0001ч;


  • проверка работоспособности и настройка tпрн.=Sкр*10мин/10см2= 3,5*10/10 = 3,5мин= 0,06ч;

  • промывка и лакировка корпуса tплк.=Sкр*4мин/10см2=3,5*4/10=1,4мин = 0,02ч.

Рассчитаем расходы на зарплату при изготовлении блока. Результаты можно свести в таблицу (см. таблица 9.13)


Виды работ

Трудоемкость

нормо-час

Разряд работы

Часовая ставка

руб./ч

Расходы на зарплату руб.
1.Подготовка кристалла

0,01


2


2,032


0,02032

2.Фотолитогра­фия

17,5


3


0,010


0,175

3.Пайка

0,0001


3


0,010


0,00001

4.Проверка

0,06


4


6,689


0,40134

5.Промывка и лакировка

0,02


2


2,188


0,04376

Итого:


0,65

Таблица 9.13


4. Цеховые накладные расходы на изготовление устройства; примем коэффициент увеличения равным 2,7 (среднеотраслевой коэффициент):

ЦР = 2,7* Зустр = 2,7*0,65 = 1,76 руб.

5. Общезаводские накладные расходы на изготовление устройства; примем коэффициент увеличения равным 1,3 (среднеотраслевой коэффициент):

ОЗР = 1,3* Зустр = 1,3*0,65 = 0,84руб.

Себестоимость изготовления разрабатываемой БИС:

П = 0,3*6,05 = 1,82 руб.

СБИС = П + Скр + Зустр + ЦР + ОЗР= =1,82+10,28+0,65+1,76+0,84 =15,35 руб.

Расчет оптовой цены:

Цопт = СБИС (1 + /100)=15,35 (1+0,15) = 17,65 руб.


    1. ВЫВОДЫ

Основываясь на вышеприведенных фактах, было выбрано использование заказной БИС на основе КМДП технологии. Как видно из экономического расчета такая БИС обладает достаточно низкой себестоимостью и хорошими показателями надежности, что очень важно при использовании данной БИС в системах общего пользования, таких как городские телефонные сети, работающих круглые сутки.


ВВЕДЕНИЕ


В настоящее время в России, как и во всем мире наблюдается информационный бум и объем информации, передаваемой по коммутируемым (в том числе и телефонным ) каналам связи, сильно возрастает и, поэтому, возникает необходимость в коммутационном оборудовании, которое обеспечивало быстрое и качественное соединение абонентов и соответствовало бы современным стандартам на коммутацию цифровых каналов передачи.

В начале прошлого года (14.01.97) Министерством Связи был издан приказ «О мерах по защите интересов российских производителей телекоммуникационного оборудования», в первом пункте которого говорится: «Предприятиям связи на сети общественного пользования преимущественно применять коммутационное оборудование отечественного производства, в том числе и производимых на совместных предприятиях»[1].

Сейчас фирмы-производители ведут широкие исследовательские и опытно-конструкторские работы по созданию электронных систем коммутации для передачи телефонной и телеграфной информации, данных и так далее в электронных автоматических телефонных станциях с временным разделением каналов, что позволяет одновременно устраивать несколько соединений через один и тот же коммутационный элемент. Это приводит к повышению использования оборудования коммутационного поля, а, следовательно, к улучшению экономических показателей при сохранении требуемого качества передачи информации. Электронные автоматические телефонные станции с цифровым коммутационным полем, построенные по принципу преобразования сигналов в форме импульсно-кодовой модуляции (ИКМ), являются основой для организации интегральных цифровых сетей связи. То есть систем коммутации, в которых аппаратура коммутации и передачи выполнена на единых принципах и единой элементной базе, а все виды информации передаются по сети в единой цифровой форме.

В настоящее время все более широкое распространение получают цифровые сети построенные по кольцевому принципу, где передача информации происходит в одном направлении это позволяет сократить затраты на прокладку магистральных кабелей и предоставляет возможность наращивания сетей, а также объединение нескольких низкоскоростных потоков в один высокоскоростной. Примером действующей в настоящее время кольцевой сети построенной по принципу Синхронной Цифровой Иерархии может служить сеть компании «МТУ-Информ», более подробно особенности функционирования этой сети рассмотрены в главе 1.

Учитывая все вышеперечисленное, видится актуальной разработка отечественной системы коммутации, не уступающей своим зарубежным аналогам по характеристикам, и в том числе разработка коммутационной БИС, которая послужит основой интегральной цифровой сети связи.

Мне в данном дипломном проекте предложено спроектировать БИС – интерфейс , работающую в стандартной системе связи на основе импульсно кодовой модуляции формата ИКМ – 30/32.

Рассмотрим назначение данной БИС в системе передачи цифровой информации: проектируемая БИС , представляет собой блок сопряжения временных каналов входящих и исходящих соединительных цифровых линий передачи. Кристалл предназначен для сопряжения 64 каналов входящих абонентов с таким же количеством исходящих . Существующий формально еще один канал - нулевой - используется для синхронизации. Передача ведется в симплексном режиме, то есть только в одном направлении. Кристалл принимает информацию по восьми параллельным входным групповым трактам (групповым входам) и выдает ее синхронно по восьми групповым выходам.

Кроме собственно сопряжения , БИС предназначена для выполнения ряда других операций, задаваемых внешним или внутренним управляющим устройством . Информация от внешнего управляющего устройства передается БИС в виде команды определенного формата. О результатах выполнения команды кристалл также передает информацию внешнему управляющему устройству.

Внутреннее управляющее устройство непосредственно интегрировано с БИС на одном кристалле и выполняет ряд специфичных для данного устройства функций, в данном дипломном проекте строение внутреннего управляющего устройства не рассматривается .


АТС

АТС

Абонент 1

Абонент 1


Однонаправленное соединение по кольцу

Рис. В Кольцевая структура

АТС

АТС

АТС

АТС

АТС

АТС

Абонент 2

Абонент 2

Дуплексное соединение по любому

маршруту

Рис. А Радиальная структура


ЗАКЛЮЧЕНИЕ

В результате проведенной работы спроектирована интегральная схема высокой степени интеграции, построенная на основе технологии КМДП, которая предназначена для функционирования в абонентских подсистемах связи. Разработанная интегральная схема позволяет осуществить Преобразование канала ИКМ-1920 в 64 групповых канала передачи данных ИКМ-30/32 (Е1), что позволяет интегрировать разработанную интегральную схему в существующие системы связи без дополнительных технических преобразований. Интегральная схема также позволяет ответвлять требуемое количество каналов из одного потока информации . Приведенные расчеты показывают соответствие разработанного устройства требованиям технического задания.

С экономической точки зрения спроектированная интегральная схема получилась относительно дешевой и потенциально конкурентоспособной. Приведенные технико-экономические расчеты показывают, что интегральная схема получилась высоко надежной и ее можно рекомендовать к использованию в сетях, работающих круглосуточно.

Проведенный патентный поиск показывает, что данная интегральная схема является «патентно-чистой», т.е. на данный момент нет патента на аналогичное устройство, что также способствует продвижению данной рынке.





© 2009 РЕФЕРАТЫ
рефераты бесплатно