рефераты бесплатно
рефераты бесплатно
Главная
Исторические личности
Журналистика
Зоология
Инвестиции
Информатика
История техники
Кибернетика
Коммуникация и связь
Косметология
Криминалистика
Криминология
Кулинария
Культура и искусство
Культурология
Международное публичное право
Международное частное право
Международные отношения
Менеджмент
Металлургия
Налогообложение
Наука и техника
Сельское лесное хозяйство и землепользование
Социальная работа
Социология и обществознание
Спорт и туризм
Строительство и архитектура
Таможенная система
Транспорт

Реферат: Исследование работы триггеров в интегральном исполнении


Реферат: Исследование работы триггеров в интегральном исполнении

ЛАБОРАТОРНАЯ РАБОТА №2


ИССЛЕДОВАНИЕ РАБОТЫ ТРИГГЕРОВ В ИНТЕГРАЛЬНОМ ИСПОЛНЕНИИ


1. Цель работы


Целью работы является исследование особенностей работы универсальных триггеров в интегральном исполнении.


2. Основные теоретические положения


2.1. В настоящее время известно большое количество разных типов триггеров, изготавливаемых в виде интегральных микросхем. Как правило, это универсальные триггеры, т.е. триггеры, совмещающие в себе функциональные возможности нескольких более простых видов триггеров (например: RS- и D- триггеров, RS- и JK- триггеров и т.д.). Так, например, триггер, изображенный на рис.1, сочетает в себе возможности RS- и D- триггеров.

Рис.1


Запись информации в триггер данного типа производится по входу D. На вход С подаются импульсы синхронизации. Кроме того, триггер имеет вход установки “0” (R - вход) и вход установки “1” (S - вход).


2.2. Для управления работой триггера могут использоваться управляющие сигналы различных уровней. Так, вышеуказанный триггер (рис.1) срабатывает при подаче на входы S и R сигналов логической “1” (прямые входы). При управлении сигналом логического нуля “0” вводится специальное обозначение вывода или входа микросхем (рис.2).

Рис.2


2.3. Вход синхронизации может быть как потенциальным (рис.1), так и динамическим (рис.2). Особенности работы триггеров с потенциальным и динамическим входом С отражены на временных диаграммах (рис.3, а) и б) соответственно).

Рис.3


Как следует из рис.3, запись информации на триггер с потенциальным входом происходит при наличии на входе С уровня логической “1”. При этом изменение состояния триггера связано с поступлением сигналов на вход D. В динамическом триггере (рис.2) запись информации происходит по положительному фронту сигнала на входе С (переход из состояния “0” в состояние “1”). Существует тип триггеров, у которых запись информации осуществляется по отрицательному фронту сигнала на входе С (переход из состояния “1” в состояние “0”).


2.4. Работу триггера, как и других логических устройств, можно описать с помощью таблицы истинности. Таблица истинности триггера с потенциальным входом (рис.1) имеет вид, представленный ниже (табл.1).

2.4.1. Режим “хранение информации” означает, что триггер находится в состоянии, соответствующем предыдущему такту работы (управляющие сигналы отсутствуют.


Таблица 1

S R D C

Qn

Режим работы


0 0 0 0 0

Хранение информации


1

0

1

0

0

1

0

1

1

0

0

0

0

0

0

1

0

0

0

0

0

1

1

1

1

0

?

1

0

1


Установка “1”

Установка “0”

Запрещенная комбинация

Запись “1”

Запись “0”

См. в тексте п.2.4.4


2.4.2. В режиме “Установка “1” и “Установка “0” универсальный триггер функционирует как стандартный RS-триггер. Комбинация входных сигналов R = = S = 1 является запрещенной, т.к. при этом оба выхода триггера устанавливаются в одно и тоже состояние , что противоречит нормальной работе логического устройства.


2.4.3. В режиме “Запись “0” и “Запись “1” универсальный триггер функционирует как стандартный D-триггер.


2.4.4. Последняя строчка в таблице 1 иллюстрирует ситуацию, когда, с одной стороны, производится запись “0” по входу D, а с другой стороны - установка “1” по входу S. В этом и подобных случаях триггер подчиняется сигналам на установочных входах R и S.


2.4.5. Если триггер имеет динамический вход синхронизации С (как это показано на рис.2), то в таблице истинности для положительного и отрицательного фронта вводятся специальные обозначения (“_| ” и “ |_”) соответственно).


2.5. Для описания работы триггера используется также функция перехода F, которая может принимать следующие четыре значения:


F = 0 (триггер не изменил состояние “0”);


F = 1 (триггер не изменил состояние “1”);


F = С (триггер перешел из состояния “1” в состояние “0”);


F = D (триггер перешел из состояния “0” в состояние “1”).


Функция перехода может быть представлена в виде таблицы, подобной таблице истинности. Для триггера с прямыми входами функция перехода имеет вид (табл.2):

Таблица 2

S


R F

0

X

0

1

X

0

1

0

0

1

С

D


Знак Х обозначает безразличное состояние, т.е. на вход может быть подана как логическая единица “1”, так и логический ноль “0”. Значения функции перехода логически следуют из таблицы истинности данного триггера.


2.6. Универсальные триггеры могут быть переведены в счетный режим работы, т.е. такой режим, при котором состояние триггера изменяется на противоположное с приходом каждого последующего импульса синхронизации (или импульса счета) на его С-вход.


В случае D-триггера для реализации этого режима инверсный выход соединяют с D-входом. В случае JK-триггера устанавливают входные управляющие сигналы J = K = 1.


3. Описание объекта и средств исследования


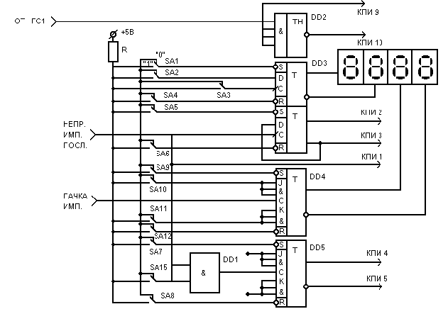
Рис.4


Электрическая схема исследуемого устройства представлена на рис.4. Элемент ДД2 представляет собой триггер Шмидта, построенный на микросхеме типа К155ТЛ1. Элемент ДД3 представляет собой два универсальных D-триггера, собранных на микросхеме К155ТМ2, а элементы ДД4 и ДД5 - универсальные JK-триггеры, собранные на микросхемах К155ТВ1.


3.1. Исследование элемента ДД2.


3.1.1. Сигнал с измерительного генератора Л31 подается на входы триггера, обьединенные по схеме “И”. Для этого выход “10В” генератора Л31 соединяется с гнездом “Вход ГС1” на блоке управления К32, а кнопка “ВСВ |_ ВНК” над гнездом “ГС1” должна находиться в отжатом состоянии.


3.1.2. Входные и выходные сигналы триггера поступают в каналы передачи информации (КПИ) номер 9 и 10 соответственно. Для наблюдения указанных сигналов на экране мультиметра необходимо, чтобы кнопка “ВСВ |_ ВНК” в поле надписи “КВУ” и кнопка “Коммутатор” находились в отжатом состоянии. Отдельное наблюдение сигналов на входе и выходе триггера производится путем нажатия кнопок “ВХ1” и “ВХ2” соответственно, а одновременное наблюдение - нажатием кнопки “Коммут.” под надписью “Контроль V ~“.


3.1.3. В режиме наблюдения одновременно двух сигналов на экране мультиметра величина и взаимное расположение этих сигналов регулируется ручками “~ “ и “­Ї “ соответственно в поле надписи “Коммутатор” отдельно для каждого канала (“ВХ1” для КПИ 10 и “ВХ2” для КПИ 9).


3.2. Исследование элемента ДД3 в статическом и динамическом режиме.


3.2.1. Логические сигналы “0” и “1” на входе триггеров задаются с помощью кнопок с фиксацией SA1 ё SA6, расположенных на передней панели блока К32 под надписью “Программатор кодов”. Отжатое состояние кнопки соответствует заданию логического “0”, а нажатое - заданию логической “1”. Нажатое состояние кнопки сопровождается загоранием соответствующего светодиода зеленого цвета, расположенного вблизи данной кнопки “Программатора кодов”.


3.2.2. Для подачи положительного импульса (“_| |_”) на вход С триггера необходимо кратковременно перевести соответствующую кнопку из отжатого состояния в нажатое и обратно.


3.2.3. Для индикации логических сигналов на выходе триггера, работающего в статическом режиме (верхняя часть элемента ДД3), служит левое цифровое табло блока К32. При этом кнопка “10 |_2”, расположенная непосредственно под табло, должна находиться в нажатом состоянии.


3.2.4. Нижняя часть элемента ДД3 представляет собой триггер, работающий в счетном режиме. На его счетный вход С поступает непрерывная последовательность импульсов. Одновременно такая же последовательность поступает в КПИ1. Выходные сигналы триггера (прямой и инверсный) поступают в КПИ2 и КПИ3 соответственно.


3.2.5. Лабораторный стенд позволяет наблюдать на экране мультиметра одновременно два сигнала с любых двух КПИ из восьми (двухканальный режим наблюдения). Выбор двух определенных КПИ производится следующим образом:


3.2.5.1. Нажать кнопку “ВСВ |_ ВНК” под надписью “КВУ”, при этом у левых индикаторов обоих цифровых табло начинает светиться знак запятой.


3.2.5.2. При отжатой кнопке “ВХ1 |_ ВХ2” набрать с помощью кнопок “23 ё 20” программатора “СИ” двоичный код первого выбранного КПИ и нажать кнопку “Пуск”. При этом на левом табло у знака запятой появится номер выбранного КПИ.


3.2.5.3. При нажатой кнопке “ВХ1 |_ ВХ2” повторить указанную процедуру для второго выбранного КПИ. Номер этого КПИ появится у знака запятой правого табло.


3.2.5.4. Нажать кнопку “Коммутатор” под надписью “Контроль V ~“. Теперь два выбранных КПИ через каналы коммутатора лабораторного стенда соединены с осциллографом мультиметра. Регулировку величины и расположения сигналов на экране осуществляется раздельно ручками “~“ и “­Ї” под надписью “Коммутатор”. Слева расположены ручки регулировки первого канала коммутатора, справа - второго канала коммутатора.


3.2.5.5. Для выхода из режима наблюдения сигналов на экране мультиметра перевести кнопку “ВСВ |_ВНК” под надписью “КВУ” в отжатое состояние.


3.3. Исследование элементов ДД4 (статический режим) и ДД5 (счетный режим).


3.3.1. Логические сигналы “0” и “1” на S, R, J и К - входы универсальных триггеров подаются с помощью кнопок SA7 ё SA12 (аналогично рассмотренному в п.3.2.1.).


3.3.2. Сигнал на вход С триггера поступает от встроенного генератора импульсов лабораторного стенда, который вырабатывает серию импульсов положительной полярности. Число импульсов может изменяться от 1 до 15 и устанавливается с помощью кнопок с фиксацией “23 ё 20”, расположенных под надписью “Программатор СИ”. Кнопки без фиксации “Пуск” и “Установ. 0” служат для задания режима работы генератора. При этом должна соблюдаться следующая последовательность действий:


3.3.2.1. Набрать число импульсов в пачке в двоичном коде с помощью кнопок “23 ё 20”. Кнопке в нажатом состоянии соответствует двоичная единица (при этом загорается соответствующий светодиод).


3.3.2.2. Нажать кнопку “Установ. 0” и убедиться, что светодиод кнопки “Пуск” погашен. Генератор импульсов готов к работе.


3.3.2.3. Нажать кнопку “Пуск”. При этом генератор вырабатывает нужную пачку импульсов. Для повторного включения генератора нажать кнопку “Установ. 0”, а эатем кнопку “Пуск” и т.д.


3.3.3. Контроль выходных сигналов триггера ДД4 осуществляется с помощью левого цифрового табло на блоке К32.


3.3.4. Счетные импульсы на триггер ДД5, работающий в счетном режиме, поступают через элемент “И”, собранный на микросхеме ДД1. Сигнал логической “1”, разрешающий прохождение последовательности импульсов, подается на элемент “И” нажатием кнопки SA15. Состояние свободных входов J и K триггера ДД5 соответствует наличию для них сигнала логической единицы.


3.3.5. Сигналы с прямого и инверсного выхода триггера ДД5 поступают в КПИ4 и КПИ5 соответственно. При этом возможно наблюдение этих сигналов на экране мультиметра совместно с входными счетными импульсами, поступающими на КПИ1. Выбор КПИ производится согласно п.3.2.5.


4. Методические рекомендации к выполнению работы


4.1. Исследование триггера Шмидта.


4.1.1. Убедиться в правильности коммутаций лабораторного стенда согласно п.п.3.1.1. ё 3.1.3. данного указания.


4.1.2. Установить на выходе генератора Л31 выходной сигнал с частотой


F = (1 + 2) кГц


4.1.3. Обеспечить двухканальный режим наблюдения сигналов на входе и выходе триггера согласно п.п.3.1.1. ё 3.1.3. Изменяя уровень напряжения на выходе генератора Л31, получить изображение этих сигналов на экране мультиметра и зарисовать их в едином масштабе времени.


4.1.4. Измерить параметры выходного сигнала триггера (измерения рекомендуется проводить при нажатой кнопке “ВХ1”.


4.1.5. Изменяя амплитуду сигнала на входе триггера, установить момент пропадания сигнала на выходе триггера. Измерить амплитуду соответствующего входного сигнала (измерение проводить при нажатой кнопке “ВХ2”).


4.1.6. По результатам измерений построить передаточную характеристику триггера Шмидта.


4.1.7. Сделать выводы по данному пункту.


4.2. Исследование универсального D-триггера.


4.2.1. Задавая с помощью кнопок SA1 ё SA4 программатора кодов различные уровни логических сигналов и имитируя положительный импульс на S, R, D и С входах триггера (см. п.п.3.2.1. ё 3.2.3.), определить с помощью цифрового табло соответствующие логические сигналы на прямом и инверсном выходе триггера. Результаты занести в табл.3.


Таблица 3

D C Q

F

0

1

1

1

0

1

0

1

1

1

0

1

0

1

0

1

1

1

1

0

1

0

1

0

0

0

0

0

0

0

0

0

0

0

0

0

0

0

0

0

0

0

0

0

0

0

0

0



1

1

1

1

1

1

0

1

0


_| |_

_| |_

_| |_




1

1

1

1

_| |_

_| |_


0

1




4.2.2. По результатам исследований составить таблицы функций перехода для RS- и D-триггеров (таблица 4 и таблица 5 соответственно).


Таблица 4 Таблица 5


4.2.3. Провести анализ таблици установить тип входа С-триггера (потенциальный или динамический).

4.3. Исследование универсального D-триггера в счетном режиме.


4.3.1. Используя двухканальный режим наблюдения сигналов (п.3.2.5.), проконтролировать сигналы на входе С и выходах триггера и представить их в едином масштабе времени в виде временных диаграмм. (рис.5).


Рис.5


Примечание: В силу особенностей реализации двухканального режима наблюдения совместное изображение двух каналов на экране может быть смешано во времени. В связи с этим при составлении эпюр (рис.5) следует руководствоваться также теоретическими сведениями о работе счетного триггера.


4.4. Исследование JK-триггера в статическом режиме.


4.4.1. Установить на входах триггера ДД4 исходные логические сигналы: логическую “1” на S и R входах и логический “0” на J и K входах.


4.4.2. Подачей кратковременного сигнала логического “0” на вход R установить триггер в состояние “0”.


4.4.3. Подготовить генератор импульсов для формирования одиночного импульса положительной полярности (см. п.3.3.2.).


4.4.4. Подавая управляющие сигналы на J, K и С входы триггера согласно таблице 6, определить с помощью цифрового табло логические сигналы и их переходы на выходах триггера. Результаты измерений занести в табл.6.


Таблица 6

J K C Q

F

0

0

1

0

1

0

0

1

1

1

0

1

0

0

0

1

0

1

1

1

0

_| |_

_| |_

_| |_

_| |_

_| |_

_| |_

_| |_

_| |_

_| |_


0 1

Таблица 7

P J K

0

1

С

D




4.4.5. По результатам исследований составить таблицу функций перехода для JK-триггера (табл.7).


4.4.6. Провести анализ данных (табл.4) и установить режим работы триггера при J = K = 1.


4.5. Исследование JK-триггера в динамическом режиме.


4.5.1. Проанализировать схему включения триггера ДД5 и установить режим его работы. Составить план исследования и согласовать его с преподавателем или мастером. Провести исследование работы JK-триггера.


4.5.2. Результаты исследования оформить в виде отдельного раздела отчета с использованием необходимых таблиц и временных диаграмм.


5. Содержание отчета


1. Название и цель лабораторной работы.


2. Электрическая схема исследуемого устройства (рис.4).


3. Таблицы и эпюры напряжений.


4. Выводы по работе.


6. Контрольные вопросы


1. Что представляют собой триггеры как электронные устройства?

2. В состоит отличие динамического триггера от потенциального? Каковы отличия в обозначениях этих триггеров?


3. Что такое прямой и инверсный входы?


4. Что такое запрещенная комбинация сигналов на входах триггера?


5. Что понимается под функцией перехода триггера? Какие значения мо жет принимать функция перехода?


6. В чем состоит отличие RS, D и JK триггеров?


7. Что такое счетный режим работы триггера? Как реализуется этот ре жим в случае D и JK триггера?


7. Список использованной литературы


1. Аналоговые и цифровые интегральные микросхемы. С.В.Якубовский,

Н.А.Барканов и др.; Под ред. С.В.Якубовского. - М.: Радио и связь, 1985.


Оглавление


Цель работы 1
Основные теоретические положения 1
Описание обьекта и средств исследования 4
Методические рекомендации к выполнению работы 7
Содержание отчета 10
Контрольные вопросы 10
Список использованной литературы 11





© 2009 РЕФЕРАТЫ
рефераты бесплатно