Реферат: Конструирование микросхемы, разработка топологии
Реферат: Конструирование микросхемы, разработка топологии
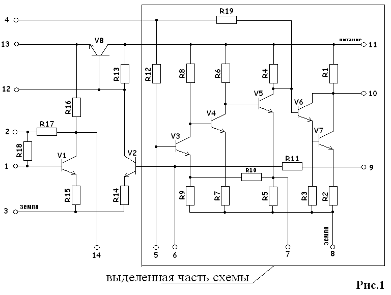
I. Анализ
электрической
схемы
Расчёт
мощностей
рассеяния Pi
Д ля
упрощения
расчётов Pi
резисторов
R4,
R5,
R8,
R9,
R10,
R12
и
R19
преобразуем
выделенную
часть схемы
рис.1 (только
те ветви, на
которых находятся
вышеуказанные
резисторы) в
эквивалентную
(рис.2). Рассчитываем
токи в контурах
эквивалентной
схемы рис.2 методом
контурных
токов.


330I111-147I222-33I444=0
-1470I111+1517I222-47I333=0
-47I222+67I333-10I444=0
-3300I111-100I333+3400I444=5
I111(R4+R19+R8+R12)-I222(R19+R12)-I444R4=0
I222(R19+R12+R10)-I111(R19+R12)-I333R10=0
I333(R10+R5+R9)-I222R10-I444R5=0
I444(R4+R5)-I111R4-I333R5=E
 
= 111059850000 – 49237209000
– 11055924000 = 50766717000
 


= 345450 + 16405950 = 16751400 ;
I111
=
= 0,000329968 A

 

=
775500 + 16250850 = 17026350 ;

I222
= = 0,000335384 A
 
=
25030500 – 10804500 + 11399850 = 25625850 ;

I333
= = 0,00050478 A
 
=
164059500 – 72390150 = 91669350 ;
I444
= = 0,0018057 A
Зная контурные
токи, мы можем
рассчитать:
I4
= I444
– I111
= 0,0018057 - 0,000329968 = 0,001475732 A
I5
= I444
– I333
= 0,0018057 - 0,00050478 = 0,00130092 A
I8
= I111 =
0,000329968 A
I9 = I333 = 0,00050478 A
I10 = I333 – I222
= 0,00050478 - 0,000335384 = 0,000169396 A
I12 = I19
= I222 – I111 = 0,000335384 -
0,000329968 = 0,000005416 A
Теперь рассчитываем
токи на остальных
резисторах:







Д ля
расчёта тока
на резисторах
R11,
R13 и
R14 представим
конденсатор
на 9-ом выводе
как резистор
с самым большим
сопротивлением,
которое только
имеем на схеме
УПЧ и схеме его
включения
(Rдобавочное=22000+22000=44000
Om см.
паспорт МС),
т.е.:


Для более
точного подсчёта
I15
– I18
подробнее
рассмотрим
транзистор
V1:
г



 де
- коэффициент
передачи тока
(КТ317А
70)




 

II. Разработка
маршрутного
технологического
процесса изготовления
микросхемы.
Наиболее
простым способом
формирования
рисунка микросхемы
является напыление
элементов через
свободные
маски. Если при
этом зазор
между маской
и подложкой
отсутствует,
линейные размеры
элементов
строго соответствуют
размерам щелей
в маске (метод
контактной
маски). Наличие
зазора между
подложкой
и маской, устранить
который полностью
невозможно,
приводит к
образованию
«зоны размытости»
рисунка. Причём
размер этой
зоны, как показывает
практика,
увеличивается
с ростом толщины
маски и клинообразности
профиля её
вырезов. С
уменьшением
же толщины
снижается
жёсткость маски
и увеличивается
её «провисание»
над подложкой,
что, в свою очередь,
также приводит
к росту зоны
размытости.
Напыление
резистивных
и проводниковых
плёнок выполняется
в одной вакуумной
камере в непрерывном
процессе. Для
сублимации
применяют
резистивный
испаритель,
покрытый
гальваническим
слоем сублимируемого
вещества либо
стержень из
спрессованного
и спёченного
порошка сублимируемого
вещества, а
вещества, плохо
взаимодействующие
с тугоплавкими
материалами
испаряют из
жидкого состояния.
Напыления ведут
на подогретые
подложки,
температуру
которых регулируют
изменением
тока нагревателя.
При достижении
требуемой
температуры
подложек испаритель
подводят на
позицию испарения
и подают на
него напряжение.
При нагреве
испарителя
вакуум в камере
ухудшается,
так как с поверхности
испарителя
происходит
выделение
газов. После
окончания
газовыделения
и восстановления
вакуума открывают
заслонку и
напыляют пленку
сублимируемого
вещества. При
достижении
требуемой
толщины плёнки
заслонку закрывают,
на позицию
переводят
следующую
подложку и так
процесс продолжают
для напыления
плёнки на все
подложки.
Нанесение
Нанесение
проводников
резистивного
слоя и контактных
площадок
   
М аска
 
     
П   одложка
    

III.
Расчёт геометрических
размеров плёночных
элементов.
П режде
всего, для расчёта
геометрических
размеров резисторов
нужно найти
мощность P,
рассеиваемую
каждым резистором.
Рассеиваемая
мощность на
резисторе
находится по
формуле:
(1),
где i –
номер
элемента.
Применяя
формулу (1) найдём
Pi
для каждого
резистора (см.
таблицу 1).
Так как резисторы
R1,
R5,
R7,
R9,
R10,
R14,
R15,
R18
меньше
1000 Ом, то размещать
их будем на
другом слое.
Теперь, для
того, чтобы
выбрать материал,
из которого
будут изготавливаться
резистивные
плёнки, проводники
и контактные
площадки нужно
найти удельное
поверхностное
сопротивление
резистивной
плёнки для
каждого слоя
по формуле
(значения Rопт
см. таблицу 1):
Зная Rопт
для каждого
слоя, можем
выбрать материал
резистивной
плёнки, контактных
площадок и
проводников,
а также температурный
коэффициент
сопротивления
и допустимую
удельную мощность
рассеяния P0
соответствующий
выбранному
материалу:
I слой:
резистивная
плёнка – нихром,
проволока
Х20Н80 (ГОСТ 12766-67)
Контактные
площадки
и проводники
- медь
= 110-4
P0
= 2 Вт/см2
II слой:
резистивная
плёнка – кермет
К-50С (ЕТО.021.013 ТУ)
Контактные
площадки
и проводники
- золото с
подслоем хрома
(нихрома)
= -410-4
P0
= 2 Вт/см2
Зная величину
каждого резистора
и Rо
слоя, в котором
он находятся,
можно найти
коэффициент
формы для каждого
резистора
данного слоя:

где Кф
– коэффициент
формы плёночного
элемента (значения
Кф см.
в таблице
1).
Т


 еперь
рассчитаем
погрешность
коэффициента
формы:







Таблица
1.
|
Номер
R
|
I
|
Pi
|
Резистор
|
Ri
|
1/Ri
|
Rопт
|
Kф
|
|
1
|
0,0034543
|
0,008113888
|
R1
|
680
|
0,0014706
|
245,636
|
2,76832341
|
|
2
|
0,002651
|
0,007027801
|
R2
|
1000
|
0,001
|
4918,03
|
0,20333344
|
|
3
|
0,0008033
|
0,00212946
|
R3
|
3300
|
0,000303
|
4918,03
|
0,67100036
|
|
4
|
0,00147573
|
0,00718669
|
R4
|
3300
|
0,000303
|
4918,03
|
0,67100036
|
|
5
|
0,00130092
|
0,000169239
|
R5
|
100
|
0,01
|
245,636
|
0,40710638
|
|
6
|
0,00047755
|
0,002280587
|
R6
|
10000
|
0,0001
|
4918,03
|
2,03333441
|
|
7
|
0,00047755
|
0,000107188
|
R7
|
470
|
0,0021277
|
245,636
|
1,9134
|
|
8
|
0,00032997
|
0,001633183
|
R8
|
15000
|
6,667E-05
|
4918,03
|
0,20333344
|
|
9
|
0,00050478
|
2,54803E-05
|
R9
|
100
|
0,01
|
245,636
|
1,9134
|
|
10
|
0,0001694
|
1,34867E-05
|
R10
|
470
|
0,0021277
|
245,636
|
1,9134
|
|
11
|
3,4178E-06
|
1,16814E-08
|
R11
|
1000
|
0,001
|
4918,03
|
0,20333344
|
|
12
|
5,416E-06
|
1,37865E-07
|
R12
|
4700
|
0,0002128
|
4918,03
|
0,95566717
|
|
13
|
0,00032308
|
0,00156571
|
R13
|
15000
|
6,667E-05
|
4918,03
|
3,05000161
|
|
14
|
0,00032723
|
5,03286E-05
|
R14
|
470
|
0,0021277
|
245,636
|
1,9134
|
|
15
|
0,00100583
|
5,15964E-05
|
R15
|
51
|
0,0196078
|
245,636
|
0,20762426
|
|
16
|
0,00100583
|
0,004754962
|
R16
|
4700
|
0,0002128
|
4918,03
|
0,95566717
|
|
17
|
1,4167E-05
|
3,01056E-06
|
R17
|
15000
|
6,667E-05
|
4918,03
|
3,05000161
|
|
18
|
1,4167E-05
|
1,24436E-07
|
R18
|
620
|
0,0016129
|
245,636
|
2,52405958
|
|
19
|
5,416E-06
|
2,93331E-07
|
R19
|
10000
|
0,0001
|
4918,03
|
2,03333441
|
1).Для
резисторов
с 1
K Ф
10
Р
 ассчитываем
ширину резистора:
Р
ассчитываем
длину резисторов:

г де
h – длина
перекрытия
для плёночных
элементов,
расположенных
в разных слоях
(h
0,2 мм).
2).Для резисторов
с 0,1
KФ
1
Рассчитываем
длину резисторов:
 

 
Р ассчитываем
ширину резисторов:

Площадь
резисторов
равна:
Значения
ширины, длины
и площади каждого
резистора см.
таблицу 2.
Проверка:

1 ).
Таблица 2.
|
Номер
R
|
Bточн/Lточн
|
Bp
|
Bрасч
|
Lp
|
Lрасчётн
|
Lполн
|
Sсм
|
Проверка
P0'
|
Проверка
|
Проверка
|
|
1
|
0,37293958
|
0,038
|
0,37294
|
|
|
1,43242
|
0,005
|
1,518871
|
0,033795
|
11,070295
|
|
2
|
1,09593152
|
|
5,38982
|
0,02673
|
1,09593
|
1,49593
|
0,081
|
0,087163
|
0,00854
|
11,06254
|
|
3
|
0,46116892
|
|
0,68729
|
0,02673
|
0,46117
|
0,86117
|
0,006
|
0,359786
|
0,026162
|
11,080162
|
|
4
|
0,46116892
|
|
0,68729
|
0,0491
|
0,46117
|
0,86117
|
0,006
|
1,214237
|
0,026162
|
11,080162
|
|
5
|
0,94694806
|
|
2,32605
|
0,00587
|
0,94695
|
1,34695
|
0,031
|
0,005402
|
0,011723
|
11,048223
|
|
6
|
0,27625982
|
0,024
|
0,27626
|
|
|
0,96173
|
0,003
|
0,858374
|
0,046596
|
11,100596
|
|
7
|
0,41715887
|
0,005
|
0,41716
|
|
|
1,19819
|
0,005
|
0,021445
|
0,032318
|
11,068818
|
|
8
|
1,09593152
|
|
5,38982
|
0,01289
|
1,09593
|
1,49593
|
0,081
|
0,020256
|
0,00854
|
11,06254
|
|
9
|
0,41715887
|
0,003
|
0,41716
|
|
|
1,19819
|
0,005
|
0,005098
|
0,032318
|
11,068818
|
|
10
|
0,41715887
|
0,002
|
0,41716
|
|
|
1,19819
|
0,005
|
0,002698
|
0,032318
|
11,068818
|
|
11
|
1,09593152
|
|
5,38982
|
3,4E-05
|
1,09593
|
1,49593
|
0,081
|
1,45E-07
|
0,00854
|
11,06254
|
|
12
|
0,378961
|
|
0,39654
|
0,00026
|
0,37896
|
0,77896
|
0,003
|
4,46E-05
|
0,038056
|
11,092056
|
|
13
|
0,24590161
|
0,016
|
0,2459
|
|
|
1,15
|
0,003
|
0,553671
|
0,049362
|
11,103362
|
|
14
|
0,41715887
|
0,004
|
0,41716
|
|
|
1,19819
|
0,005
|
0,010069
|
0,032318
|
11,068818
|
|
15
|
1,59353231
|
|
7,67508
|
0,00231
|
1,59353
|
1,99353
|
0,153
|
0,000337
|
0,006319
|
11,042819
|
|
16
|
0,378961
|
|
0,39654
|
0,04767
|
0,37896
|
0,77896
|
0,003
|
1,539372
|
0,038056
|
11,092056
|
|
17
|
0,24590161
|
7E-04
|
0,2459
|
|
|
1,15
|
0,003
|
0,001065
|
0,049362
|
11,103362
|
|
18
|
0,38251703
|
2E-04
|
0,38252
|
|
|
1,3655
|
0,005
|
2,38E-05
|
0,033466
|
11,069966
|
|
19
|
0,27625982
|
3E-04
|
0,27626
|
|
|
0,96173
|
0,003
|
0,00011
|
0,046596
|
11,100596
|

2).


3).
Р езультаты
проверки см.
в таблице 2. |