Реферат: Математическое моделирование технологического процесса изготовления ТТЛ-инвертора
Реферат: Математическое моделирование технологического процесса изготовления ТТЛ-инвертора
Министерство образования Российской Федерации
Новгородский государственный университет
имени Ярослава Мудрого
Кафедра физики твёрдого тела и микроэлектроники
Математическое моделирование технологического процесса
изготовления ТТЛ-инвертора
Курсовая работа по дисциплине:
Математическое моделирование технологических процессов
полупроводниковых приборов и ИМС
Принял:
доцент кафедры ФТТМ
___________ Б.М. Шишлянников
“_____” _________ 2000 г.
доцент кафедры ФТТМ
___________ В.Н. Петров
“_____” _________ 2000 г
Выполнил:
Студент гр. 6031
___________ Д.С. Бобров
“_____” _________ 2000 г.
Великий Новгород
2000
Техническое задание
1
Предложить топологический вариант и представить режим технологического процесса
изготовления биполярной структуры интегральной схемы полагая, что локальное
легирование производиться методом диффузии.
2
Представить распределение примесей в отдельных областях структуры. Процессы
сегрегации примеси при окислении можно не учитывать.
3
Рассчитать параметры модели биполярного транзистора, исходя из значений слоевых
сопротивлений и толщины слоев структуры.
4
Рассчитать входные и выходные характеристики биполярного транзистора.
5
Рассчитать основные параметры инвертора, построенного на базе биполярного
транзистора (напряжения логических уровней, пороговые напряжения,
помехоустойчивость схемы, времена задержки и средний потребляемый ток схемы).
6
Рассчеты провести для номинальных значений режимов процесса диффузионного
легирования и для двух крайних значений, определяемых с точностью поддержания
температур при легировании области эмиттера Т= 1.5
0С.
7
Разрешается аргументированная корректировка параметров технологического
процесса или заданных слоев, с тем чтобы получить приемлемые характеристики
схемы.
Таблица 1- Исходные данные
Вариант
|
|
Эмиттер |
|
|
База |
|
Коллектор |
|
|
Примесь |
ТДИФ,
0С
|
ХJe, мкм
|
Примесь |
NS,
см -3
|
Толщина, мкм |
Nb,
см -3
|
| 3 |
мышьяк |
1100 |
0,4 |
бор |
2ּ10
18
|
0,6 |
1,5ּ10 16
|
Содержание
Введение. 5
1Расчет
режимов технологического процесса и распределение примесей после диффузии 6
1.1
Распределение примесей в базе. 6
1.2
Расчет режимов базовой диффузии. 6
1.3
Распределение примесей в эмиттере. 8
1.4
Расчет режимов эмиттерной диффузии. 8
2
Расчет слоевых сопротивлений биполярного транзистора. 13
3
Расчет основных параметров инвертора. 15
Заключение. 18
Список
используемой литературы.. 19
Реферат
Целью данной работы
является моделирование технологического процесса изготовления биполярной
структуры, затем ТТЛ-инвертора на базе этой структуры. В ходе работы необходимо
рассчитать основные параметры схемы.
Пояснительная записка
содержит:
-страниц………………………………………………………………..20;
-рисунков………………………………………………………………..4;
-таблиц…………………………………………………………………..3;
-приложений…………………………………………………………...10.
Введение
Развитие микроэлектроники
и создание новых БИС и СБИС требует новых методов автоматизированного
проектирования, основой которого является математическое моделирование всех
этапов разработки микросхемы.
Необходимость внедрения
гибких систем автоматизированного проектирования очевидна, поскольку
проектирование микросхем сложный и длительный процесс. В настоящее время
используется сквозное моделирование микросхем, которое включает в себя расчет и
анализ характеристик и параметров на следующих уровнях:
-технологическом;
-физико-топологическом;
-электрическом;
-функционально-логическом.
В ходе данной работы нам
необходимо осуществить сквозное проектирование схемы ТТЛ-инвертора на трех
первых уровнях.
Расчеты предусматривается
произвести с использование программы расчета параметров модели биполярного
транзистора Biptran и программы схемотехнического
моделирования PSpice.
1Расчет
режимов технологического процесса и распределение примесей после диффузии
Распределение примесей в
базе описывается кривой Гаусса и определяется формулой:
,
(1)
где: NS- поверхностная концентрация
акцепторов;
D- коэффициент диффузии примеси;
t- время диффузии;
- глубина залегания
коллекторного p-n перехода.
Поверхностная концентрация определяется по формуле:
,
(2)
Из формулы 1 выражаем D2t2:

Тогда имеем следующее выражение для распределения
примеси в базе:
,
(3)
Результаты расчета распределения примеси в базе
приведены в таблице 1, а сама кривая представлена на рисунке 1.
К основным параметрам диффузионного процесса
относят время диффузии и температуру диффузии.
Из выражения 2 найдём
произведение D1t1 для первого этапа диффузии (загонки) по формуле:
где
В результате получим:

Коэффициент диффузии примеси определяется из
выражения Аррениуса:
|
|
|
, (4)
|
|
где =5.1 (для
бора) – постоянная диффузии,
=3.7 (для
бора) – энергия активации,
k – постоянная Больцмана,
Т – температура процесса диффузии.
Таким образом для бора получаем следующее выражение:
Температуру базовой диффузии при загонке выберем равной
1073К (800°С), а при разгонке 1373К
(1100°С) тогда:



Эмиттерную диффузию ведут
в одну стадию и распределение примеси описывается erfc-функцией:
(5)
где - концентрация предельной растворимости мышьяка в кремнии
при заданной температуре (1100°С);
- глубина залегания эмиттерного p-n
перехода.
Диффузия мышьяка идёт в неоднородно легированную
базовую область, поэтому расчётная формула усложняется:
(6)
где при 1100°С;
.
Подставив эти значения в выражение 6 получим: .
Подставляя это значение в выражение 5 получим
распределение мышьяка в эмиттерной области после диффузии. График распределения
представлен на рисунке 1.
Найдём, по аналогии с
базовой диффузией, для эмиттерной время и температуру процесса. В данном случае
температура процесса задана (1100°С) и необходимо найти только время диффузии. Для этого
необходимо сначала определить коэффициент диффузии, который находится из
выражения 4. Постоянная диффузии D0 энергия активации для фосфора равны 10,5 и 4,08 соответственно. Тогда
получаем:
Решив это уравнение
получим:
;
t=98мин 33сек.
Так как эмиттерная
диффузия проходит при высоких температурах, то она оказывает влияние на
диффузию бора в базовой области. Необходимо учитывать это влияние. Учесть
эмиттерную диффузию при базовой можно по следующей формуле:
.
(7)
Таким образом время
разгонки при базовой диффузии с учётом влияния эмиттерной диффузии t2=53мин
44сек.. В таблице 2 представлены все основные параметры диффузионных процессов.
Таблица 2 – Параметры диффузионных процессов
| Параметр |
Эмиттерная диффузия |
Базовая диффузия |
|
|
|
Загонка |
Разгонка |
|
Dt, 
|

|

|

|
|
D, 
|

|

|

|
| t |
98мин 33с |
15мин 48с |
53мин 44с*
|
* - время разгонки, представленное в таблице, уже с учётом
эмиттерной диффузии
Совмещённое распределение примесей определяется выражением:
(8)
где , , - концентрации эмиттерной, базовой и
коллекторной областей соответственно, в данной точке.
График совмещённого
распределения примесей представлен на рисунке 2.
Таблица 3-Распределение
примесей в транзисторной структуре
| Глубина залегания примеси |
Распределение примеси в эмиттере |
Распределение примеси в базе |
Суммарное распределение |
| x, см |
N(x), см -3
|
N(x), см -3
|
N(x), см -3
|
| 0 |
1,6ּ10 21
|
2ּ10 18
|
1,59ּ10 21
|
|
4ּ10 –6
|
1,17ּ10 21
|
1,98ּ10 18
|
1,17ּ10 21
|
|
8ּ10 –6
|
7,81ּ10 20
|
1,94ּ10 18
|
7,79ּ10 20
|
|
1,2ּ10 –5
|
4,83ּ10 20
|
1,86ּ10 18
|
4,81ּ10 20
|
|
2,8ּ10 –5
|
2,59ּ10 19
|
1,36ּ10 18
|
2,45ּ10 19
|
|
3,2ּ10 –5
|
9,13ּ10 18
|
1,21ּ10 18
|
7,98ּ10 18
|
|
3,6ּ10 –5
|
3,13ּ10 18
|
1,06ּ10 18
|
2,05ּ10 18
|
|
4,8ּ10 –5
|
|
6,47ּ10 17
|
6,32ּ10 17
|
|
5,6ּ10 -5
|
|
4,31ּ10 17
|
4,16ּ10 17
|
|
6,4ּ10 –5
|
|
2,69ּ10 17
|
2,54ּ10 17
|
|
7,2ּ10 –5
|
|
1,58ּ10 17
|
1,43ּ10 17
|
|
8ּ10 –5
|
|
8,73ּ10 16
|
7,23ּ10 16
|
|
8,8ּ10 –5
|
|
4,52ּ10 16
|
3,02ּ10 16
|
|
9,6ּ10 –5
|
|
2,02ּ10 16
|
7,02ּ10 15
|
|
1,05ּ10 –4
|
|
9,08ּ10 15
|
5,91ּ10 15
|
|
1,1ּ10 –4
|
|
5,37ּ1015
|
9,62ּ10 15
|
|
1,15ּ10 –4
|
|
3,09ּ10 15
|
1,19ּ10 16
|
|
1,2ּ10 –4
|
|
1,74ּ10 15
|
1,33ּ10 16
|
|
1,3ּ10 –4
|
|
5,13ּ10 14
|
1,44ּ10 16
|
|
1,4ּ10 -4
|
|
1,36ּ10 14
|
1,48ּ10 16
|
|
1,5ּ10 –4
|
|
3,31ּ10 13
|
1,49ּ10 16
|

1-
Распределение мышьяка в эмиттерной области после диффузии;
2- Распределение
бора в базовой области после диффукзии;
3- Концентрация
примеси в коллекторе
Рисунок 1-Профиль распределения примесей в эмиттере и базе

Рисунок 2- Суммарное распределение примесей эмиттера и базы
2
Расчет слоевых сопротивлений биполярного транзистора
Слоевые сопротивления для
базовой и эмиттерной областей рассчитываем по следующей формуле:
,
(9)
где q = 1.6ּ10 -19 Кл – заряд электрона;
N(x,t) –
распределение примеси в данной области транзисторной структуры;
μ(N(x,t)) – зависимость подвижности от концентрации примеси.
Зависимость подвижности от концентрации примеси
определяется по формулам:
(10)
(11)
Таким образом, слоевое сопротивление эмиттера
рассчитываем по формуле:
, (12)
где NЭМ(x,t)
– распределение примеси в эмиттере рассчитанное по формуле 5.
Теперь произведём расчёт
слоевого сопротивления базы по формуле:
, (13)
где NБАЗ(x,t) – распределение бора в
базовой области рассчитанное по формуле 1.
Для расчёта слоевых сопротивлений воспользуемся
пакетом программ Mathcad 5.0 Plus, в результате расчёта получили следующие
значения слоевых сопротивлений:
= 7.16
Ом/кв;
= 795
Ом/кв.
Произведём также расчёт слоевых сопротивлений для
двух крайних значений, определённых с точностью поддержания температур при
легировании области эмиттера Т=±1,5°С. В результате расчётов получим следующие
значения слоевых сопротивлений:
при Т = 1101,5°С =
6.07 Ом/кв.
при Т = 1098,5°С =
7.37 Ом/кв.
Затем с помощью программы Biptran рассчитаем параметры
моделей транзисторов при номинальной температуре и для двух крайних значений,
определённых с точностью поддержания температур при легировании области
эмиттера Т=±1,5°С.
В результате расчётов получаем следующие модели
транзисторов (см. Приложение ).
3 Расчет
основных параметров инвертора
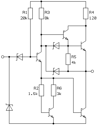
Схема инвертора представлена на рисунке 3.

Рисунок 3-Схема инвертора
В данной курсовой работе необходимо определить
следующие параметры инвертора:
·
напряжение логических уровней;
·
пороговое напряжение;
·
времена задержки;
·
помехоустойчивость схемы;
·
среднюю потребляемую мощность.
Прежде чем приступить к расчету основных параметров
инвертора, учтем влияние технологического процесса на номиналы резисторов. В
данной работе мы будем выполнять высокоомные резисторы на основе базового слоя,
а низкоомные на основе эмиттерного слоя, то естественно, что изменение
температуры будет сказываться на номиналах резисторов.
Это связано с тем, как было описано выше, слоевое
сопротивление изменяется с изменением температуры. Учитывая все выше сказанное
и выражение:
,
где: l,b – геометрические размеры резисторов.
Тогда:
,
где: R’ –
сопротивление с учетом температуры.
Таблица 4 – Сопротивления резисторов при различных
температурах
| R, Ом |
Т=1100 0С
|
Т=1101,5 0С
|
Т=1098,5 0С
|
R1
|
20ּ103
|
19.8ּ103
|
20.20ּ103
|
| R2 |
1.5ּ103
|
1.48ּ103
|
1.51ּ103
|
| R3 |
8ּ103
|
7.98ּ103
|
8.08ּ103
|
| R4 |
120 |
101.7 |
123.52 |
| R5 |
3ּ103
|
2.97ּ103
|
3.03ּ103
|
При сравнении номиналов резисторов можно сделать
вывод, что при увеличении температуры номиналы резисторов уменьшаются, а при
уменбшении-увеличиваются.
Напряжение логических уровней определяем по
передаточной характеристики ТТЛШ – инвентора, построенной при помощи пакета
программ Pspice, которая представленаа в Приложении .
Напряжения логических нулей равны:
U° =B;
U' =B.
Для того, чтобы найти пороговое напряжения необходимо
продифференцировать , тогда в
соответствии с Приложением :
U°пор = 0.5B,
U'пор = 1.73B.
Зная напряжения логических уровней и пороговые
напряжения, можно определить помехоустойчивость схемы:
Uпом = min(U0пом,U1пом)
U0пом = U0пор – U0
U1пом = U1 – U1пор
U0пом = В
U1пом
Uпом = В
Время задержки легко определить, сравнением входного и
выходного импульсов (Приложение ) = В
Средняя потребляемая мощность определяется из
графика в Приложении 10:
Таким образом, получим
потребляемую мощность:
При
расчёте выяснилось что у схемы маленькая помехоустойчивость. В связи с этим
рекомендуется уменьшить сопротивление коллекторов у выходных транзисторов схемы
(Q4 и Q5).
Это
приведёт к уменьшению напряжения логического нуля, что в свою очередь приведёт
к повышению помехоустойчивости схемы.
Заключение
В ходе данной работы было
произведено сквозное проектирование ТТЛШ – инвертора. В результате были
рассчитаны параметры биполярного транзистора. Профили распределения примесей в
биполярной структуре представлены на графиках в Приложениях 1,2,3, а модели
транзисторов в Приложении 6.
Кроме того мы рассчитали
такие параметры ТТЛШ – инвертора, как напряжение логических уровней, пороговые
напряжения, помехоустойчивость схемы, время задержки, среднюю потребляемую
мощность. Результаты расчётов представлены в пункте 3 и приложениях 7,8,9,10.
Полученные результаты удовлетворяют требованиям ТТЛШ – микросхем.
Расчёты представленные в
этой работе являются приближёнными, так как для более точных расчётов
необходимы более мощные средства автоматического проектирования.
В ходе работы мы пренебрегли
процессами сегрегации примеси при окислении, а также зависимостью коэффициента
диффузии от концентрации.
В результате работы мы
получим математическую модель технологического процесса ТТЛШ –инвертора.
Список
используемой литературы
1 Курносов А.И., Юдин В.В.
Технология производства полупроводниковых приборов.- Москва.: Высшая школа,
1974. – 400с.: ил.
2 Черняев В.Н.
Физико-химические процессы в технологии РЭА: Учебное пособие для вузов.-
Москва.: Высшая школа, 1982. 224 с.: ил.
3 Матсон Э.А.
Крыжановский Д.В. Справочное пособие по конструированию микросхем. –Мн.: Высшая
школа, 1983. –271 с.: ил.
4 Коледов Л.А.
Конструирование и технология микросхем. курсовое проектирование: Учебное пособие
для вузов.- Москва.: Высшая школа, 1984. –231с.: ил.
|