Реферат: Проектирование цепей коррекции, согласования и фильтрации усилителей мощности радиопередающих устройств
Реферат: Проектирование цепей коррекции, согласования и фильтрации усилителей мощности радиопередающих устройств
Министерство образования Российской Федерации
ТОМСКИЙ
ГОСУДАРСТВЕННЫЙ УНИВЕРСИТЕТ СИСТЕМ УПРАВЛЕНИЯ И РАДИОЭЛЕКТРОНИКИ (ТУСУР)
Кафедра радиоэлектроники и защиты
информации (РЗИ)
УТВЕРЖДАЮ
Заведующий
кафедрой РЗИ
доктор
технических наук, профессор
________________В.Н.
Ильюшенко
____
_____________________2003 г.
Проектирование цепей коррекции, согласования и
фильтрации усилителей мощности радиопередающих устройств
Учебно-методическое
пособие по курсовому проектированию
для студентов
радиотехнических специальностей
Разработчик:
доцент кафедры РЗИ
кандидат технических наук
_______________А.А. Титов;
Томск – 2003
УДК 621.396
Рецензент:
А.С. Красько, старший преподаватель кафедры Радиоэлектроники и защиты
информации Томского государственного университета систем управления и
радиоэлектроники.
Титов А.А.
Проектирование
цепей коррекции, согласования и фильтрации усилителей мощности радиопередающих
устройств: Учебно-методическое пособие по курсовому проектированию для
студентов радиотехнических специальностей. – Томск: Томск. гос. ун-т систем
управления и радиоэлектроники, 2003. – 64 с.
Пособие содержит описание схемных решений построения цепей формирования амплитудно-частотных
характеристик, согласования и фильтрации широкополосных и полосовых усилителей
мощности радиопередающих устройств, методов их проектирования по заданным
требованиям к тракту передачи.
©
Томский гос. ун-т систем
управления и
радиоэлектроники, 2003
©Титов А.А., 2003
Содержание
Введение…………………………………………………………………..……...........4
1. Исходные данные для проектирования
…….....………...……………...……......5
1.1. Структурная схема
тракта передачи
.................................................................5
1.2. Модели мощных
транзисторов ..........................................................................7
2.
Проектирование
выходных цепей коррекции, согласования и фильтрации .....9
2.1. Выходная корректирующая цепь
широкополосного усилителя....................9
2.2. Выходной согласующий трансформатор
широкополосного усилителя ....12
2.3. Выходной согласующий трансформатор
полосового усилителя ...............15
2.4. Фильтры высших гармонических
составляющих полосового усилителя..17
3.
Проектирование
цепей формирования амплитудно-частотных
характеристик .......................................................................................................19
3.1. Метод параметрического синтеза мощных
усилительных каскадов
с корректирующими цепями...........................................................................20
3.2. Параметрический синтез широкополосных
усилительных каскадов ........24
3.2.1. Параметрический синтез широкополосных
усилительных каскадов
с корректирующей цепью второго порядка
.................................................25
3.2.2. Параметрический синтез широкополосных
усилительных каскадов
с корректирующей цепью третьего порядка
............................................... 29
3.2.3. Параметрический синтез широкополосных
усилительных каскадов
с заданным наклоном амплитудно-частотной характеристики .................35
3.3. Параметрический синтез полосовых усилительных
каскадов....................43
3.3.1. Параметрический синтез полосовых
усилительных каскадов
с корректирующей цепью третьего порядка................................................44
3.3.2. Параметрический синтез полосовых
усилительных каскадов
с корректирующей цепью четвертого порядка............................................47
3.3.3. Параметрический синтез полосовых
усилительных каскадов
с корректирующей цепью, выполненной в виде фильтра нижних
частот .............................................................................................................54
4.
Список
использованных источников ..……………………………..................60
ВВЕДЕНИЕ
Задача оптимальной реализации
входных, выходных и межкаскадных корректирующих цепей, цепей фильтрации и
согласования широкополосных и полосовых усилителей мощности радиопередающих
устройств по заданным требованиям к тракту передачи является неотъемлемой
частью процесса проектирования передатчиков телевизионного и радиовещания,
сотовой и пейджингогой связи, систем линейной и нелинейной радиолокации. В
известной учебной и научной литературе материал, посвященный этой проблеме, не
всегда представлен в удобном для проектирования виде. К тому же в теории радиопередающих
устройств нет доказательств преимущества использования того либо иного схемного
решения при разработке конкретного передатчика. В этой связи проектирование
усилителей мощности радиопередающих устройств во многом основано на интуиции и
опыте разработчика. При этом, разные разработчики, чаще всего, по-разному
решают поставленные перед ними задачи, достигая требуемых результатов. В этой
связи в данном пособии собраны наиболее известные и эффективные схемные решения
построения входных, выходных и межкаскадных корректирующих цепей, цепей
фильтрации и согласования широкополосных и полосовых усилителей мощности, а
соотношения для расчета даны без выводов. Ссылки на литературу позволяют найти,
при необходимости, доказательства справедливости приведенных соотношений.
Поскольку, как правило, усилители мощности работают в стандартном 50 либо
75-омном тракте, соотношения для расчета даны исходя из условий, что их
оконечные каскады работают на чисто резистивную нагрузку, а входные – от чисто
резистивного сопротивления генератора.
1. ИСХОДНЫЕ ДАННЫЕ ДЛЯ ПРОЕКТИРОВАНИЯ
1.1. СТРУКТУРНАЯ СХЕМА ТРАКТА
ПЕРЕДАЧИ
Радиопередающие
устройства предназначены для формирования радиочастотных сигналов, их усиления
и последующей передачи этих сигналов к потребителю.
Общая структурная схема
радиопередающего устройства может быть представлена в виде, изображенном на
рис. 1.1 [1].

Рис. 1.1
Основными элементами этой
схемы являются:
-
возбудитель,
предназначенный для формирования несущего колебания;
-
модулирующее
устройство, изменяющее параметры несущего колебания для однозначного
отображения в нем передаваемой информации;
-
усилитель
мощности, предназначенный для обеспечения необходимых энергетических
характеристик электромагнитных колебаний.
Методы
проектирования возбудителей, модулирующих устройств, усилителей мощности и
способы решения общих вопросов построения радиопередающих устройств описаны в
[1–4]. В настоящее время возрастают требования к таким параметрам радиопередающих
устройств как коэффициент полезного действия, уровень выходной мощности, полоса
рабочих частот, уровень внеполосных излучений, массогабаритные показатели,
стоимость, которые в значительной мере определяются применяемыми в них усилителями
мощности.
В общем случае
структурная схема усилителя мощности может быть представлена в виде,
приведенном на рис. 1.2.

Рис. 1.2
Входная цепь коррекции и
согласования совместно с входным транзистором образуют входной каскад,
межкаскадная корректирующая цепь (КЦ) и выходной транзистор образуют выходной
каскад. При необходимости между входным и выходным каскадом может быть включен
один или несколько промежуточных каскадов. Входная цепь коррекции и
согласования предназначена для согласования входного сопротивления усилителя
мощности с выходным сопротивлением модулятора и формирования заданной амплитудно-частотной
характеристики входного каскада. Наибольшее распространение в настоящее время
получила реализация входной цепи коррекции и согласования в виде последовательного
соединения аттенюатора и КЦ той же структуры, что и межкаскадная КЦ [5, 6].
Межкаскадная КЦ предназначена для формирования заданной амплитудно-частотной
характеристики выходного каскада. Согласующе-фильтрующее устройство служит для
устранения влияния реактивной составляющей выходного импеданса транзистора на
уровень выходной мощности выходного каскада, для реализации оптимального, в
смысле достижения выходной мощности, сопротивления нагрузки внутреннего генератора
транзистора выходного каскада, для обеспечения заданного уровня внеполосных
излучений радиопередающего устройства.
Радиопередатчики чаще
всего классифицируют по пяти основным признакам [3, 4]: назначению, объекту
использования, диапазону рабочих частот, мощности и виду излучения. В настоящем
учебно-методическом пособии рассмотрены вопросы построения цепей формирования
амплитудно-частотных характеристик, согласования и фильтрации транзисторных
широкополосных и полосовых усилителей мощности радиопередающих устройств
диапазона метровых и дециметровых волн. Предполагается, что требуемая выходная
мощность радиопередатчика может быть получена от одного современного транзистора
без использования устройств суммирования мощности нескольких активных элементов.
Для широкополосных усилителей это десятки ватт, для полосовых – сотни ватт.
1.2. МОДЕЛИ МОЩНЫХ ТРАНЗИСТОРОВ
Используемые
в настоящее время методы проектирования усилителей мощности радиопередающих
устройств диапазона метровых и дециметровых волн основаны на применении
однонаправленных моделей мощных биполярных и полевых транзисторов [7–12],
принципиальные схемы которых приведены рис. 1.3 и 1.4.

Рис. 1.3.
Однонаправленная модель биполярного транзистора
Значения элементов однонаправленной модели
биполярного транзистора, представленной на рис. 1.3, могут быть рассчитаны по
следующим формулам [7, 10]:
;
;
;
,
где ,
– индуктивности выводов
базы и эмиттера;
–
сопротивление базы;
–
емкость коллекторного перехода;
, –
максимально допустимые постоянное напряжение коллектор-эмиттер и постоянный ток
коллектора.
При расчетах по схеме
замещения приведенной на рис. 1.3, вместо используют
параметр – коэффициент усиления
транзистора по мощности в режиме двухстороннего согласования [3], равный:
, (1.1)
где = –
круговая частота, на которой коэффициент усиления транзистора по мощности в
режиме двухстороннего согласования равен единице;
– текущая
круговая частота.
Формула (1.1) и
однонаправленная модель (рис. 1.3) справедливы для области рабочих частот выше [11], где – статический коэффициент
передачи тока в схеме с общим эмиттером; –
граничная частота коэффициента передачи тока в схеме с общим эмиттером.

Рис. 1.4.
Однонаправленная модель полевого транзистора
Значения элементов
однонаправленной модели полевого транзистора, представленной на рис. 1.4, могут
быть рассчитаны по следующим формулам [1, 11]:
= + ;
= + ;
= ,
где –
емкость затвор-исток;
– емкость затвор-сток;
– емкость сток-исток;
–
крутизна;
–
сопротивление сток-исток;
–
сопротивление нагрузки каскада на полевом транзисторе.
Приведенные
в данном учебно-методическом пособии соотношения для проектирования входных,
выходных и межкаскадных КЦ, цепей фильтрации и согласования широкополосных и
полосовых усилителей мощности радиопередающих устройств основаны на
использовании приведенных однонаправленных моделей транзисторов.
2.
ПРОЕКТИРОВАНИЕ ВЫХОДНЫХ ЦЕПЕЙ КОРРЕКции, согласования и фильтрации
Построение
согласующе-фильтрующих устройств радиопередатчиков диапазона метровых и
дециметровых волн основано на использовании выходных КЦ, широкополосных
трансформаторов импедансов на ферритах, полосовых трансформаторов импедансов,
выполненных в виде фильтров нижних частот, фильтрующих устройств, в качестве
которых чаще всего используются фильтры Чебышева и Кауэра.
2.1.
ВЫХОДНАЯ КОРРЕКТИРУЮЩАЯ ЦЕПЬ ШИРОКОПОЛОСНОГО УСИЛИТЕЛЯ
При проектировании
широкополосных передатчиков малой и средней мощности основной целью применения
выходной КЦ усилителя этого передатчика является требование реализации
постоянной в заданной полосе рабочих частот величины ощущаемого сопротивления
нагрузки внутреннего генератора транзистора выходного каскада. Это необходимо
для обеспечения идентичности режимов работы транзистора на разных частотах
заданного диапазона, что позволяет отдавать в нагрузку не зависимое от частоты
требуемое значение выходной мощности.
Поставленная
цель достигается включением выходной емкости транзистора (см. рис. 1.3 и 1.4) в
фильтр нижних частот, используемый в качестве выходной КЦ [2]. Принципиальная
схема усилительного каскада с выходной КЦ приведена на рис. 2.1,а, эквивалентная
схема включения выходной КЦ по переменному току – на рис. 2.1,б, где – разделительный конденсатор,
– резисторы базового
делителя, – резистор термостабилизации,
– блокировочный
конденсатор, – дроссель, – сопротивление нагрузки, – элементы выходной КЦ, – ощущаемое сопротивление
нагрузки внутреннего генератора транзистора выходного каскада.

а) б)
Рис. 2.1
При работе
усилителя без выходной КЦ модуль коэффициента отражения | | ощущаемого сопротивления нагрузки
внутреннего генератора транзистора равен [2]:
| | = , (2.1)
где – текущая круговая частота.
В этом случае
относительные потери выходной мощности, обусловленные наличием , составляют величину [2]:
, (2.2)
где - максимальное значение выходной мощности на частоте при условии равенства нулю ;
- максимальное значение выходной мощности на частоте при наличии .
Описанная в [2] методика
Фано позволяет при заданных и верхней граничной частоте полосы пропускания
разрабатываемого усилителя рассчитать такие значения элементов выходной КЦ и , которые обеспечивают минимально
возможную величину максимального значения модуля коэффициента отражения в полосе частот от нуля до . В таблице 2.1 приведены
взятые из [2] нормированные значения элементов , , , а также коэффициент , определяющий величину
ощущаемого сопротивления нагрузки относительно
которого вычисляется .
Истинные значения элементов рассчитываются
по формулам:
(2.3)
где = – верхняя круговая частота
полосы пропускания усилителя.
Пример 2.1. Рассчитать выходную КЦ для
усилительного каскада на транзисторе КТ610А ( =4 пФ [13]), при = 50 Ом, =600 МГц. Определить и уменьшение выходной
мощности на частоте при использовании
КЦ и без нее.
Решение. Найдем нормированное значение
: = =
= 0,7536. В таблице 2.1 ближайшее
значение равно 0,753. Этому значению
соответствуют: = 1,0; = 0,966; =0,111; =1,153. После денормирования
по формулам (2.3) получим: = 12,8
нГн; = 5,3 пФ; = 43,4 Ом. Используя
соотношения (2.1), (2.2) найдем, что при отсутствии выходной КЦ уменьшение
выходной мощности на частоте ,
обусловленное наличием , составляет 1,57 раза, а при ее
использовании – 1,025 раза.
Таблица 2.1 – Нормированные значения элементов выходной КЦ
|

|

|

|

|

|
|
0,1
0,2
0,3
0,4
0,5
|
0,180
0,382
0,547
0,682
0,788
|
0,099
0,195
0,285
0,367
0,443
|
0,000
0,002
0,006
0,013
0,024
|
1,000
1,001
1,002
1,010
1,020
|
|
0,6
0,7
0,8
0,9
1,0
|
0,865
0,917
0,949
0,963
0,966
|
0,513
0,579
0,642
0,704
0,753
|
0,037
0,053
0,071
0,091
0,111
|
1,036
1,059
1,086
1,117
1,153
|
|
1,1
1,2
1,3
1,4
1,5
|
0,958
0,944
0.927
0,904
0,882
|
0,823
0,881
0,940
0,998
1,056
|
0,131
0,153
0,174
0,195
0,215
|
1,193
1,238
1,284
1,332
1,383
|
|
1,6
1,7
1,8
1,9
|
0,858
0,833
0,808
0,783
|
1,115
1,173
1,233
1,292
|
0,235
0,255
0,273
0,292
|
1,437
1,490
1,548
1,605
|
2.2. ВЫХОДНОЙ СОГЛАСУЮЩИЙ ТРАНСФОРМАТОР
ШИРОКОПОЛОСНОГО УСИЛИТЕЛЯ
При проектировании
широкополосных передатчиков средней и большой мощности одной из основных
является задача максимального использования транзистора выходного каскада
усилителя по выходной мощности. Оптимальное сопротивление нагрузки мощного
транзистора, на которое он отдает максимальную мощность, составляет единицы ом
[2]. Поэтому между выходным каскадом и нагрузкой усилителя включается трансформатор
импедансов, реализуемый,
как правило, на ферритовых сердечниках и длинных линиях [1–4, 14].
Принципиальная схема усилительного каскада с трансформатором импедансов,
имеющим коэффициент трансформации сопротивления 1:4, приведена на рис. 2.2,а,
эквивалентная схема по переменному току – на рис. 2.2,б, где – конденсатор фильтра; – трансформатор; , –
элементы схемы активной коллекторной термостабилизации [15]; – транзистор выходного
каскада усилителя. На рис. 2.2,в приведен пример использования трансформатора с
коэффициентом трансформации 1:9.
 
б)

а)
в)
Рис. 2.2
Согласно [16, 17] при
заданном значении нижней граничной частоты полосы
пропускания разрабатываемого усилителя требуемое число витков длинных линий,
наматываемых на ферритовые сердечники трансформатора, определяется выражением:
, (2.4)
где d – диаметр сердечника в сантиметрах;
N – количество длинных линий трансформатора;
– относительная магнитная проницаемость материала сердечника;
S – площадь поперечного сечения сердечника в квадратных
сантиметрах.
Значение коэффициента
перекрытия частотного диапазона трансформирующих и суммирующих устройств на
ферритовых сердечниках и длинных линиях лежит в пределах 2·104...8·104
[16, 17]. Поэтому, приняв коэффициент перекрытия равным 5·104, верхняя
граничная частота полосы
пропускания трансформатора может быть определена из соотношения:
(2.5)
При расчетах трансформаторов
импедансов по соотношениям (2.4) и (2.5) следует учитывать, что реализация более 1 ГГц технически
трудно осуществима из-за влияния паразитных параметров трансформаторов на его
характеристики [3].
Требуемое волновое
сопротивление длинных линий разрабатываемого трансформатора рассчитывается по
формуле [16, 17]:
. (2.6)
Методика изготовления
длинных линий с заданным волновым сопротивлением описана в [18].
Входное сопротивление
трансформатора, разработанного с учетом (2.4) – (2.6), равно:
. (2.7)
Пример 2.2. Рассчитать , , трансформатора на
ферритовых сердечниках и длинных линиях с коэффициентом трансформации
сопротивления 1:9, если = 50 Ом,
= 5 кГц.
Решение. В качестве ферритовых сердечников
трансформатора выберем кольца марки М2000НМ 20х10х5,имеющих параметры: = 2000; d = 6 см; S = 0,5 см2. Из (2.5) – (2.7) определим: N = 3, =
16,7 Ом, = 250 МГц. Теперь по известным
параметрам кольца из (2.4) найдем: n=16,7. То есть для создания трансформатора импедансов с = 5 кГц необходимо на каждом
ферритовом кольце намотать не менее 17 витков. Длина одного витка длинной
линии, намотанной на ферритовое кольцо, равна 3 см. Умножая это значение на 17,
получим, что минимальная длина длинных линий должна быть не менее 51 см. С
учетом необходимости соединения длинных линий между собой, с нагрузкой и выходом
усилителя, следует длину каждой длинной линии увеличить на
2...3 см.
2.3.
ВЫХОДНОЙ СОГЛАСУЮЩИЙ ТРАНСФОРМАТОР
полосового УСИЛИТЕЛЯ
При проектировании полосовых передатчиков средней и
большой мощности, также как и при проектировании широкополосных, одной из
основных является задача максимального использования по выходной мощности транзистора
выходного каскада усилителя. Однако в этом случае между выходным каскадом и
нагрузкой усилителя включается трансформатор импедансов, выполненный в виде
фильтра нижних частот [3, 19, 20]. Чаще всего он выполняется в виде фильтра
нижних частот четвертого порядка [19–23]. Принципиальная схема усилительного
каскада с таким трансформатором приведена на рис. 2.3,а, эквивалентная схема по
переменному току – на рис. 2.3,б, где элементы формируют
трансформатор импедансов, обеспечивающий оптимальное, в смысле достижения
максимального значения выходной мощности, сопротивление нагрузки транзистора и
практически не влияют на форму АЧХ усилительного каскада. Методика расчета
оптимального сопротивления нагрузки мощного транзистора дана в [2, 3, 24].
Наиболее полная и удобная
для инженерных расчетов методика проектирования рассматриваемых трансформаторов импедансов приведена в [25, 26]. В
таблице 2.2 представлены взятые из [26] нормированные относительно и значения элементов для относительной полосы
рабочих частот трансформатора равной
0,2 и 0,4 и для коэффициента трансформации сопротивления лежащего в пределах 2...30
раз, где = –
входное сопротивление трансформатора в полосе его работы, = –
средняя круговая частота полосы рабочих частот трансформатора.

а) б)
Рис. 2.3
Выбор w равной 0,2 и 0,4 обусловлен
тем, что это наиболее часто реализуемая относительная полоса рабочих частот
полосовых передатчиков средней и большой мощности, так как в этом случае
перекрывается любой из каналов телевизионного вещания и диапазоны ЧМ и FM
радиовещания [27].
Таблица 2.2 – Нормированные значения
элементов трансформатора
|
|

|
2 |
3 |
4 |
6 |
8 |
10 |
15 |
20 |
30 |
| w = 0,2 |

|
0,821 |
1,02 |
1,16 |
1,36 |
1,51 |
1,62 |
1,84 |
2,02 |
2,27 |
|

|
0,881 |
0,797 |
0,745 |
0,671 |
0,622 |
0,585 |
0,523 |
0,483 |
0,432 |
| w = 0,4 |

|
0,832 |
1,04 |
1,19 |
1,40 |
1,56 |
1,69 |
1,95 |
2,15 |
2,46 |
|

|
0,849 |
0,781 |
0,726 |
0,649 |
0,598 |
0,559 |
0,495 |
0,453 |
0,399 |
При выбранных значениях нормированные значения элементов определяются
из соотношений [23]:
(2.8)
Истинные значения
элементов рассчитываются по формулам:
(2.9)
Пример 2.3. Рассчитать элементы трансформатора импедансов (рис. 2.3) при w = 0,2, = 20 и предназначенного для
работы в FM диапазоне (88...108 МГц) на нагрузку 75 Ом.
Решение. Из таблицы 2.2 для = 20
найдем: = 2,02, = 0,483.
По формулам (2.8) определим: = 9,67, = 0,101. С учетом того, что = = 3,75 Ом, а = = 6.154·108 из
(2.9) получим: = 12,3 нГн, = 208 пФ,
= 58,9 нГн, = 43,7 пФ.
2.4. Фильтры высших гармонических составляющих
полосового усилителя
Выходные каскады полосовых
усилителей мощности работают, как правило, в режиме с отсечкой коллекторного
тока, так как в этом случае можно получить в нагрузке значительно большую
мощность, чем от каскада, работающего в режиме без отсечки, при одновременном
обеспечении более высокого коэффициента полезного действия [2, 3, 4, 9, 24].
Однако в этом случае сигнал на выходе усилителя оказывается не синусоидальным и
содержит в своем спектре высшие гармонические составляющие, приводящие к
большим внеполосным излучениям. В
соответствии с требованиями ГОСТ [28, 29], уровень любого побочного
(внеполосного) радиоизлучения передатчиков с выходной мощностью более 25 Вт
должен быть не менее чем на 60 дБ ниже максимального значения выходной мощности
радиосигнала. Указанное требование достигается установкой на выходах усилителей
мощности фильтрующих устройств, в качестве которых чаще всего используются
фильтры Чебышева (рис. 2.4) и фильтры Кауэра (рис. 2.5) [2, 3, 4, 30].
Рис.
2.4

Рис. 2.5
В таблице 2.3 представлены взятые из
[31] нормированные относительно и значения элементов
приведенных фильтров, соответствующие максимальному значению затухания в полосе
пропускания равному 0,1 дБ.
Таблица 2.3 –
Нормированные значения элементов
фильтров
|
|
Тип |
,дБ
|

|

|

|

|

|

|

|

|

|

|
| N=5 |
Ч |
37 |
1,14 |
1,37 |
|
1,97 |
1,37 |
|
1,14 |
|
|
|
| К |
57 |
1,08 |
1,29 |
0,078 |
1,78 |
1,13 |
0,22 |
0,96 |
|
|
|
| N=6 |
Ч |
49 |
1,16 |
1,40 |
|
2,05 |
1,52 |
|
1,90 |
0,86 |
|
|
| К |
72 |
1,07 |
1,28 |
0,101 |
1,82 |
1,28 |
0,19 |
1,74 |
0.87 |
|
|
| N=7 |
Ч |
60 |
1,18 |
1,42 |
|
2,09 |
1,57 |
|
2,09 |
1,42 |
|
1,18 |
| К |
85 |
1,14 |
1,37 |
0,052 |
1,87 |
1,29 |
0,23 |
1,79 |
1,23 |
0,17 |
1,03 |
При этом приняты следующие обозначения: N
– порядок фильтра; – гарантированное
затухание высших гармонических составляющих на выходе фильтра; Ч – фильтр
Чебышева; К – фильтр Кауэра.
Истинные значения
элементов рассчитываются по формулам:
(2.10)
Пример 2.4. Рассчитать фильтр Кауэра пятого порядка при = 50 Ом и = 100 МГц.
Решение. Из таблицы 2.3 найдем, что нормированные значения элементов фильтра
Кауэра пятого порядка равны: = 1,08; = 1,29; = 0,078; = 1,78; = 1,13; = 0,22; = 0,96. После денормирования по формулам (2.10)
получим: = 34,4 пФ; = 103 нГн; = 2,5 пФ; = 56,7 пФ; = 90 нГн; = 7,0 пФ; = 30,6 пФ. Как следует из таблицы
2.3, спроектированный фильтр обеспечивает гарантированное
затухание высших гармонических составляющих на выходе фильтра равное 57 дБ.
3. ПРОЕКТИРОВАНИЕ ЦЕПЕЙ
ФОРМИРОВАНИЯ АМПЛИТУДНО-ЧАСТОТНЫХ ХАРАКТЕРИСТИК
Цепи формирования
амплитудно-частотных характеристик (АЧХ) служат для реализации максимально
возможного для заданного схемного решения коэффициента усиления усилительного
каскада при одновременном обеспечении заданного допустимого уклонения его АЧХ
от требуемой формы. К ним относятся межкаскадные и входные корректирующие цепи
(КЦ). Необходимость выполнения указанного требования обусловлена тем, что
коэффициент усиления одного каскада многокаскадного усилителя мощности
метрового и дециметрового диапазона волн не превышает 3-10 дБ [5, 19, 20]. В
этом случае увеличение коэффициента усиления каждого каскада, например, на 2 дБ,
позволяет повысить коэффициент полезного действия всего усилителя мощности в
1,2-1,5 раза [32].
Задача нахождения значений элементов
КЦ, обеспечивающих максимальный коэффициент усиления каскада, в каждом
конкретном случае может быть решена с помощью программ оптимизации. Однако
наличие хорошего начального приближения значительно сокращает этап последующей
оптимизации или делает его излишним [3, 20, 33].
Рассмотрим метод
параметрического синтеза КЦ усилителей мощности радиопередающих устройств
метрового и дециметрового диапазона волн, позволяющий по таблицам нормированных
значений элементов КЦ осуществлять реализацию усилительных каскадов с
максимально возможным для заданного схемного решения коэффициентом усиления при
одновременном обеспечении заданного допустимого уклонения АЧХ от требуемой
формы [32].
3.1. МЕТОД ПАРАМЕТРИЧЕСКОГО СИНТЕЗА МОЩНЫХ УСИЛИТЕЛЬНЫХ
КАСКАДОВ С КОРРЕКТИРУЮЩИМИ ЦЕПЯМИ
Согласно [3, 34, 35],
коэффициент передачи усилительного каскада с КЦ в символьном виде может быть
описан дробно-рациональной функцией комплексного переменного:
, (3.1)
где ;
– нормированная частота;
– текущая круговая частота;
– верхняя
круговая частота полосы пропускания широкополосного усилителя, либо центральная
круговая частота полосового усилителя;
– коэффициенты, являющиеся функциями
параметров КЦ и нормированных элементов аппроксимации входного импеданса
транзистора усилительного каскада.
Выберем в качестве
прототипа передаточной характеристики (3.1) дробно-рациональную функцию вида:
. (3.2)
Найдём такие её
коэффициенты, которые позволят из системы нелинейных уравнений [11]:
 (3.3)
рассчитать нормированные значения
элементов КЦ, обеспечивающие максимальный коэффициент усиления каскада при
заданном допустимом уклонении его АЧХ от требуемой формы.
В теории усилителей нет разработанной
методики расчета коэффициентов . Поэтому
для их расчета воспользуемся методом оптимального синтеза электрических
фильтров [36, 37].
В соответствии с
указанным методом перейдем к квадрату модуля функции (3.2):

где 
– вектор коэффициентов ;
– вектор коэффициентов .
По
известным коэффициентам функции ,
коэффициенты функции (3.2) могут быть определены с помощью следующего алгоритма
[38]:
1. В функции осуществляется замена
переменной , и вычисляются нули
полиномов числителя и знаменателя.
2. Каждый из полиномов числителя и знаменателя
представляется в виде произведения двух полиномов, один из которых должен быть
полиномом Гурвица [36].
3. Отношение полиномов Гурвица числителя
и знаменателя является искомой функцией .
Для решения задачи
нахождения векторов коэффициентов составим
систему линейных неравенств:
(3.4)
где –
дискретное множество конечного числа точек в заданной нормированной области
частот;
– требуемая зависимость квадрата
модуля на множестве ;
– допустимое уклонение от ;
– малая константа.
Первое неравенство в
(3.4) определяет величину допустимого уклонения АЧХ каскада от требуемой формы.
Второе и третье неравенства определяют условия физической реализуемости
рассчитываемой МКЦ [35]. Учитывая, что полиномы и
положительны, модульные неравенства
можно заменить простыми и записать задачу в следующем виде:
(3.5)
Решение
неравенств (3.5) является стандартной задачей линейного программирования [39].
В отличие от теории фильтров, где данная задача решается при условии минимизации
функции цели: , неравенства
(3.5) следует решать при условии ее максимизации: ,
что соответствует достижению максимального значения коэффициента усиления
рассчитываемого каскада [40].
Таким образом, метод
параметрического синтеза заключается в следующем:
1) нахождение
дробно-рациональной функции комплексного переменного, описывающей коэффициент
передачи усилительного каскада с КЦ;
2) синтез
коэффициентов квадрата модуля прототипа передаточной характеристики
усилительного каскада с КЦ по заданным значениям и
;
3) расчет
коэффициентов функции-прототипа по
известным коэффициентам ее квадрата модуля;
4) решение системы
нелинейных уравнений (3.3) относительно нормированных значений элементов МКЦ.
Многократное решение
системы линейных неравенств (3.5) для различных и
позволяет осуществить
синтез таблиц нормированных значений элементов МКЦ, по которым ведется
проектирование усилителей.
Известные схемные решения
построения КЦ усилителей мощности отличаются большим разнообразием. Однако
из-за сложности настройки и высокой чувствительности характеристик усилителей к
разбросу параметров сложных КЦ в усилителях мощности радиопередающих устройств
метрового и дециметрового диапазона волн практически не применяются КЦ более
четвертого-пятого порядка. [3, 5, 19, 20, 41].
Воспользуемся
описанной выше методом параметрического синтеза усилительных каскадов с КЦ для
синтеза таблиц нормированных значений элементов наиболее эффективных схемных
решений построения КЦ широкополосных и полосовых усилителей мощности.
3.2. Параметрический
синтез широкополосных усилительных каскадов
На
рис. 3.1–3.3 приведены схемы КЦ, наиболее часто применяемые при построении
широкополосных усилителей мощности метрового и дециметрового диапазона волн [5,
7, 12, 42–44].

Рис. 3.1. Четырехполюсная диссипативная КЦ второго порядка

Рис. 3.2.
Четырехполюсная реактивная КЦ третьего порядка

Рис. 3.3.
Четырехполюсная диссипативная КЦ четвертого порядка
Осуществим синтез таблиц
нормированных значений элементов приведенных схемных решений КЦ.
3.2.1. Параметрический синтез
широкополосных усилительных каскадов с корректирующей цепью второго порядка
Практические исследования
различных схемных решений усилительных каскадов с КЦ на полевых транзисторах
показывают, что схема КЦ, представленная на рис. 3.1 [43, 45, 46], является
одной из наиболее эффективных, с точки зрения достижимых характеристик,
простоты настройки и конструктивной реализации.
Аппроксимируя
входной и выходной импедансы транзисторов и
-
и - цепями [8, 12, 47] найдем
выражение для расчета коэффициента передачи последовательного соединения
транзистора и КЦ:
(3.6)
где ;
;
–
нормированная частота;
–
текущая круговая частота;
– верхняя круговая частота полосы пропускания разрабатываемого
усилителя;

–
крутизна транзистора ;
–
выходное сопротивление транзистора ;


–
нормированные относительно и значения элементов ;
–
выходная емкость транзистора ;
–
входная индуктивность и входная емкость транзистора .
В качестве прототипа
передаточной характеристики каскада выберем функцию вида
, (3.7)
квадрат модуля которой равен:
. (3.8)
Для выражения (3.8) составим
систему линейных неравенств (3.5):
(3.9)
Решая (3.9) для различных
, при условии максимизации
функции цели: , найдем коэффициенты квадрата модуля
функции-прототипа (3.8), соответствующие различным значениям допустимого уклонения
АЧХ от требуемой формы. Вычисляя полиномы Гурвица знаменателя функции (3.8),
определим требуемые коэффициенты функции-прототипа (3.7). Решая систему нелинейных
уравнений

относительно при различных значениях , найдем нормированные значения
элементов КЦ, приведенной на рис. 3.1. Результаты вычислений для случая, когда равна 0,25 дБ и 0,5 дБ, сведены в
таблицу 3.1.
Таблица 3.1 –
Нормированные значения элементов КЦ
|

|
= ± 0,25 дБ
|
= ± 0,5 дБ
|
|

|

|

|

|

|

|
|
0,01
0,05
0,1
0,15
0,2
0,3
0.4
0,6
0,8
1
1,2
1,5
1,7
2
2,5
3
3,5
4,5
6
8
|
1,59
1,59
1,59
1,59
1,59
1,59
1,59
1,59
1,59
1,58
1,58
1,46
1,73
1,62
1,61
1,61
1,60
1,60
1,60
1,60
|
88,2
18,1
9,31
6,39
4,93
3,47
2,74
2,01
1,65
1,43
1,28
1,18
1,02
0,977
0,894
0,837
0,796
0,741
0,692
0,656
|
160,3
32,06
16,03
10,69
8,02
5,35
4,01
2,68
2,01
1,61
1,35
1,17
0,871
0,787
0,635
0,530
0,455
0,354
0,266
0,199
|
2,02
2,02
2,02
2,02
2,02
2,02
2,02
2,02
2,02
2,02
2,02
2,02
2,01
2,00
2,03
2,03
2,02
2,02
2,02
2,02
|
101
20,64
10,57
7,21
5,50
3,86
3,02
2,18
1,76
1,51
1,34
1,17
1,09
1,00
0,90
0,83
0,78
0,72
0,67
0,62
|
202,3
40,5
20,2
13,5
10,1
6,75
5,06
3,73
2,53
2,02
1,69
1,35
1,19
1,02
0,807
0,673
0,577
0,449
0,337
0,253
|
Рассматриваемая
КЦ может быть использована также и в качестве входной КЦ [44]. В этом случае
следует принимать: , где – активная и емкостная
составляющие сопротивления генератора.
При заданных и расчет КЦ сводится к нахождению
нормированного значения ,
определению по таблице 3.1 соответствующих значений и
их денормированию.
Пример 3.1. Рассчитать КЦ однокаскадного
транзисторного усилителя с использованием синтезированных данных таблицы 3.1,
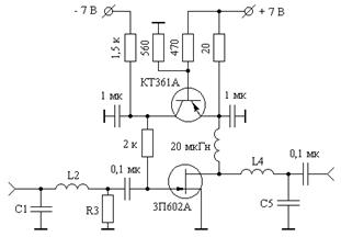
при условиях: используемый транзистор 3П602А; =
50 Ом; верхняя частота полосы пропускания усилителя равна 1,8 ГГц; допустимая
неравномерность АЧХ равна ± 0,5 дБ. Принципиальная схема каскада приведена на
рис. 3.4. Для термостабилизации тока покоя транзистора 3П602А, в схеме
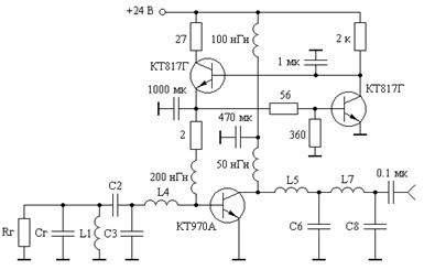
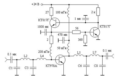
применена активная коллекторная термостабилизация на транзисторе КТ361А [48].
На выходе каскада включена выходная корректирующая цепь, практически не
вносящая искажений в АЧХ каскада, состоящая из элементов 2,7 нГн, 0,64 пФ и обеспечивающая минимально
возможное значение максимальной величины модуля коэффициента отражения
ощущаемого сопротивления нагрузки внутреннего генератора транзистора (см.
раздел 2.1).

Рис. 3.4 Рис.
3.5
Решение. Используя справочные данные
транзистора 3П602А [49] и соотношения для расчета значений элементов
однонаправленной модели полевого транзистора [1], получим: =2,82 пФ, =0,34 нГн. Нормированное относительно
и значение равно: 1,77. Ближайшая величина в таблице 3.1 составляет
1,7. Для этого значения и 
+ 0,5 дБ из таблицы найдем: =2,01; =1,09; =1,19. После денормирования
элементов КЦ получим: =3,2 пФ; =
4,3 нГн; =3,96 нГн; =60 Ом.
Коэффициент усиления рассматриваемого усилителя равен [14]: = 4,4.
На рис.
3.5 (кривая 1) приведена АЧХ рассчитанного усилителя, вычисленная с использованием
полной эквивалентной схемы замещения транзистора [49]. Здесь же представлена
экспериментальная характеристика усилителя (кривая 2), и АЧХ усилителя, оптимизированного
с помощью программы оптимизации, реализованной в среде математического пакета
для инженерных и научных расчетов MATLAB [50] (кривая
3). Кривые 1 и 3 практически совпадают, что говорит о высокой точности
рассматриваемого метода параметрического синтеза. Оптимальность полученного
решения подтверждает и наличие чебышевского альтернанса АЧХ [35].
3.2.2.
Параметрический синтез широкополосных усилительных каскадов с корректирующей
цепью третьего порядка
Схема четырехполюсной
реактивной КЦ третьего порядка приведена на рис. 3.2 [5, 42, 45]. Как показано
в [51] рассматриваемая КЦ позволяет реализовать коэффициент усиления каскада
близкий к теоретическому пределу, который определяется коэффициентом усиления
транзистора в режиме двухстороннего согласования на высшей частоте полосы
пропускания [7].
Аппроксимируя входной и
выходной импедансы транзисторов и -
и - цепями [11, 19, 35], от
схемы, приведенной на рис. 3.2, перейдем к схеме, приведенной на рис. 3.6.

Рис. 3.6 Рис.
3.7
Вводя идеальный трансформатор
после конденсатора и применяя преобразование Нортона [2, 3], перейдем к схеме
представленной на рис. 3.7. Для полученной схемы в соответствии с [7, 11, 35]
коэффициент передачи последовательного соединения КЦ и транзистора может быть описан в символьном
виде дробно-рациональной функцией комплексного переменного:
, (3.10)
где ;
–
нормированная частота;
–
текущая круговая частота;
– верхняя круговая частота полосы пропускания разрабатываемого
усилителя;
; (3.11)
– коэффициент усиления транзистора по мощности в режиме двухстороннего согласования на частоте [7];
–
частота, на которой коэффициент усиления транзистора по мощности в режиме
двухстороннего согласования равен единице;

; (3.12)
, , , , – нормированные
относительно и значения элементов , , , , .
Переходя от схемы рис.
3.7 к схеме рис. 3.6 по известным значениям найдём:
(3.13)
где ;
– нормированное относительно и
значение .
В
качестве функции-прототипа передаточной характеристики (3.15) выберем дробно-рациональную
функцию вида:
. (3.14)
Квадрат
модуля функции-прототипа (3.14) имеет вид:
, (3.15)
Для
выражения (3.15) составим систему линейных неравенств (3.5):
(3.16)
Решая (3.16) для
различных при условии максимизации
функции цели? , найдем коэффициенты квадрата модуля
функции-прототипа (3.15), соответствующие различным значениям допустимого уклонения
АЧХ от требуемой формы. Вычисляя полиномы Гурвица знаменателя функции (3.15),
определим требуемые коэффициенты функции-прототипа (3.14). Решая систему
нелинейных уравнений

относительно , , при различных значениях , найдем нормированные значения
элементов КЦ, приведенной на рис. 3.2. Результаты вычислений сведены в таблицу
3.2.
Анализ
полученных результатов позволяет установить следующее. Для заданного значения существует определенное
значение при превышении, которого
реализация каскада с требуемой формой АЧХ становится невозможной. Большему
значению соответствует меньшее
допустимое значение , при котором
реализуется требуемая форма АЧХ. Это обусловлено уменьшением добротности
рассматриваемой цепи с увеличением .
Исследуемая
КЦ может быть использована и в качестве входной корректирующей цепи усилителя.
В этом случае при расчетах следует полагать ,
где – активная и емкостная
составляющие сопротивления генератора.
Пример
3.2. Рассчитать КЦ однокаскадного усилителя на транзисторе КТ939А при
условиях: 50 Ом; = 2 пФ; верхняя частота
полосы пропускания равна 1 ГГц; допустимая неравномерность АЧХ ± 0,25 дБ. Выбор
в качестве примера проектирования однокаскадного варианта усилителя обусловлен
возможностью простой экспериментальной проверки точности результатов расчета,
чего невозможно достичь при реализации многокаскадного усилителя.
Принципиальная схема усилителя приведена на рис. 3.8.
Таблица 3.2 –
Нормированные значения элементов КЦ
| Неравномерность АЧХ |

|

|

|

|
|
=±0.1 дБ
1.805
1.415
0.868
|
0.128
0.126
0.122
0.112
0.09
0.05
0.0
|
1.362
1.393
1.423
1.472
1.55
1.668
1.805
|
2.098
1.877
1.705
1.503
1.284
1.079
0.929
|
0.303
0.332
0.358
0.392
0.436
0.482
0.518
|
|
=±0.25 дБ
2.14
1.75
1.40
|
0.0913
0.09
0.087
0.08
0.065
0.04
0.0
|
1.725
1.753
1.784
1.83
1.902
2.00
2.14
|
2.826
2.551
2.303
2.039
1.757
1.506
1.278
|
0.287
0.313
0.341
0.375
0.419
0.465
0.512
|
|
=±0.5 дБ
2.52
2.01
2.04
|
0.0647
0.0642
0.0621
0.057
0.047
0.03
0.0
|
2.144
2.164
2.196
2.24
2.303
2.388
2.52
|
3.668
3.381
3.025
2.667
2.32
2.002
1.69
|
0.259
0.278
0.306
0.341
0.381
0.426
0.478
|
|
=±1.0 дБ
3.13
2.26
3.06
|
0.0399
0.0393
0.0375
0.033
0.025
0.012
0.0
|
2.817
2.842
2.872
2.918
2.98
3.062
3.13
|
5.025
4.482
4.016
3.5
3.04
2.629
2.386
|
0.216
0.24
0.265
0.3
0.338
0.38
0.41
|
На выходе каскада включена
выходная корректирующая цепь, практически не вносящая искажений в АЧХ каскада, состоящая
из элементов 
6,4 нГн, 5,7 пФ и
обеспечивающая минимально возможное значение максимальной величины модуля
коэффициента отражения ощущаемого сопротивления нагрузки внутреннего генератора
транзистора (см. раздел 2.1).

Рис. 3.8 Рис.
3.9
Решение.
Используя справочные данные транзистора КТ939А [13] и соотношения для
расчета значений элементов однонаправленной модели [10], получим: 0,75 нГн; 1,2 Ом; 15. Нормированные относительно
и значения элементов равны: 0,628; 0,0942; 0,024. Подставляя в (3.12) и коэффициент
функции-прототипа из таблицы 3.2
для = ± 0,25 дБ рассчитаем: = 0,012. Ближайшая
табличная величина равна нулю. Для
указанного значения из таблицы 3.2 найдем:
= 2,14; = 1,278; = 0,512. Подставляя
найденные величины в (3.13), получим: =1,512;
=0,1943; =0,9314. Денормируя
полученные значения элементов КЦ, определим: =4,8
пФ; =0,6 пФ; =7,4 нГн. Теперь по (3.11)
вычислим: =1,81. Резистор на рис. 3.8, включенный
параллельно , необходим для установления
заданного коэффициента усиления на частотах менее [11]
и рассчитывается по формуле [52]:
.
На рис. 3.9 приведена АЧХ
спроектированного однокаскадного усилителя, вычисленная с использованием полной
эквивалентной схемы замещения транзистора КТ939А [9] (кривая 1). Здесь же
представлена экспериментальная характеристика усилителя (кривая 2).
3.2.3. Параметрический синтез
широкополосных усилительных каскадов с ЗАДАННЫМ НАКЛОНОМ АМПЛИТУДНО-ЧАСТОТНОЙ
ХАРАКТЕРИСТИКИ
Проблема
разработки СУМ с заданным подъемом (спадом) АЧХ связана с необходимостью
компенсации неравномерности АЧХ источников усиливаемых сигналов, либо с
устранением частотно-зависимых потерь в кабельных системах связи, либо с
выравниванием АЧХ малошумящих усилителей, входные каскады которых реализуются
без применения цепей высокочастотной коррекции.
Схема
корректирующей цепи, обеспечивающей реализацию заданного подъема (спада) АЧХ усилительного
каскада, приведена на рис. 3.3 [7, 53, 54].
Аппроксимируя
входной и выходной импедансы транзисторов и
-
и - цепями от схемы,
приведенной на рис. 3.3, перейдем к схеме приведенной на рис. 3.10.

Рис. 3.10 Рис.
3.11
Вводя идеальный трансформатор
после конденсатора и применяя
преобразование Нортона, перейдем к схеме, представленной на рис. 3.11.
Коэффициент передачи последовательного
соединения КЦ и транзистора для
полученной схемы может быть описан в символьном виде дробно-рациональной функцией
комплексного переменного:
, (3.17)
где ;
–
нормированная частота;
–
текущая круговая частота;
– верхняя круговая частота полосы пропускания усилителя;
;
;
;

;
;
–
нормированные относительно и значения элементов ;
В качестве прототипа
передаточной характеристики (3.17) выберем функцию:
. (3.18)
Квадрат модуля
функции-прототипа (3.18) имеет вид:
. (3.19)
Для выражения (3.19) составим
систему линейных неравенств (3.5):
(3.20)
Решая (3.20) для
различных и , при условии максимизации
функции цели: , найдем коэффициенты квадрата модуля
функции-прототипа (3.24), соответствующие различным наклонам АЧХ и различным
значениям допустимого уклонения АЧХ от требуемой формы. Вычисляя полиномы
Гурвица числителя и знаменателя функции (3.19), определим требуемые
коэффициенты функции-прототипа (3.18). Значения коэффициентов функции-прототипа,
соответствующие различным наклонам АЧХ и допустимым уклонениям АЧХ от требуемой
формы, равным 0,25 дБ и 0,5 дБ, приведены в таблицах 3.3 и 3.4.
Решая систему нелинейных
уравнений

относительно при различных значениях , найдем нормированные
значения элементов КЦ, приведенной на рис. 3.11. Предлагаемая методика была
реализована в виде программы в среде математического пакета для инженерных и
научных расчетов Maple V [55]. Результаты вычислений сведены
в таблицы 3.3 и 3.4.
Анализ полученных
результатов позволяет установить следующее. Чем меньше требуемое значение , тем меньше допустимый
подъем АЧХ при котором возможна его аппроксимация квадратом модуля функции вида
(3.19). Для заданного наклона АЧХ и заданном значении существует определенное значение
, при превышении которого
реализация каскада с требуемой формой АЧХ становится невозможной.
Таблица 3.3 – Нормированные значения
элементов КЦ для =0,25 дБ
Наклон
|

|

|

|

|

|

|
|
+4 дБ
3.3
2
3.121
5.736
3.981
3.564
|
0.027
0.0267
0.0257
0.024
0.02
0.013
0.008
0,0
|
1.058
1.09
1.135
1.178
1.246
1.33
1.379
1.448
|
2.117
2.179
2.269
2.356
2.491
2.66
2.758
2.895
|
3.525
3.485
3.435
3.395
3.347
3.306
3.29
3.277
|
6.836
6.283
5.597
5.069
4.419
3.814
3.533
3.205
|
0.144
0.156
0.174
0.191
0.217
0.248
0.264
0.287
|
|
+2 дБ
3.2
2
3.576
6.385
4.643
3.898
|
0.0361
0.0357
0.0345
0.0325
0.029
0.024
0.015
0.0
|
1.59
1.638
1.696
1.753
1.824
1.902
2.014
2.166
|
3.18
3.276
3.391
3.506
3.648
3.804
4.029
4.332
|
3.301
3.278
3.254
3.237
3.222
3.213
3.212
3.227
|
5.598
5.107
4.607
4.204
3.797
3.437
3.031
2.622
|
0.172
0.187
0.207
0.225
0.247
0.269
0.3
0.337
|
|
+0 дБ
3.15
2
4.02
7.07
5.34
4.182
|
0.0493
0.049
0.047
0.045
0.04
0.03
0.017
0.0
|
2.425
2.482
2.595
2.661
2.781
2.958
3.141
3.346
|
4.851
4.964
5.19
5.322
5.563
5.916
6.282
6.692
|
3.137
3.13
3.122
3.121
3.125
3.143
3.175
3.221
|
4.597
4.287
3.753
3.504
3.134
2.726
2.412
2.144
|
0.205
0.219
0.247
0.263
0.29
0.327
0.36
0.393
|
|
-3 дБ
3.2
2
4.685
8.341
6.653
4.749
|
0.0777
0.077
0.075
0.07
0.06
0.043
0.02
0.0
|
4.668
4.816
4.976
5.208
5.526
5.937
6.402
6.769
|
9.336
9.633
9.951
10.417
11.052
11.874
12.804
13.538
|
3.062
3.068
3.079
3.102
3.143
3.21
3.299
3.377
|
3.581
3.276
2.998
2.68
2.355
2.051
1.803
1.653
|
0.263
0.285
0.309
0.34
0.379
0.421
0.462
0.488
|
|
-6 дБ
3.3
2
5.296
9.712
8.365
5.282
|
0.132
0.131
0.127
0.12
0.1
0.08
0.04
0.0
|
16.479
17.123
17.887
18.704
20.334
21.642
23.943
26.093
|
32.959
34.247
35.774
37.408
40.668
43.284
47.885
52.187
|
2.832
2.857
2.896
2.944
3.049
3.143
3.321
3.499
|
2.771
2.541
2.294
2.088
1.789
1.617
1.398
1.253
|
0.357
0.385
0.42
0.453
0.508
0.544
0.592
0.625
|
Таблица 3.4 – Нормированные значения
элементов КЦ для =0,5 дБ
Наклон
|

|

|

|

|

|

|
|
+6 дБ
5.4
2
2.725
5.941
3.731
4.3
|
0.012
0.0119
0.0115
0.011
0.0095
0.0077
0.005
0.0
|
0.42
0.436
0.461
0.48
0.516
0.546
0.581
0.632
|
0.839
0.871
0.923
0.959
1.031
1.092
1.163
1.265
|
6.449
6.278
6.033
5.879
5.618
5.432
5.249
5.033
|
12.509
11.607
10.365
9.624
8.422
7.602
6.814
5.911
|
0.09
0.097
0.109
0.117
0.134
0.147
0.164
0.187
|
|
+3 дБ
4.9
2
3.404
7.013
4.805
5.077
|
0.0192
0.019
0.0185
0.017
0.015
0.012
0.007
0.0
|
0.701
0.729
0.759
0.807
0.849
0.896
0.959
1.029
|
1.403
1.458
1.518
1.613
1.697
1.793
1.917
2.058
|
5.576
5.455
5.336
5.173
5.052
4.937
4.816
4.711
|
8.98
8.25
7.551
6.652
6.021
5.433
4.817
4.268
|
0.123
0.134
0.146
0.165
0.182
0.2
0.224
0.249
|
|
0 дБ
4.9
2
4.082
8.311
6.071
6.0
|
0.0291
0.0288
0.028
0.0265
0.024
0.019
0.01
0.0
|
1.012
1.053
1.096
1.145
1.203
1.288
1.404
1.509
|
2.024
2.106
2.192
2.29
2.406
2.576
2.808
3.018
|
5.405
5.306
5.217
5.129
5.042
4.94
4.843
4.787
|
6.881
6.296
5.79
5.303
4.828
4.271
3.697
3.301
|
0.16
0.175
0.19
0.207
0.226
0.253
0.287
0.316
|
|
-3 дБ
5.2
2
4.745
9.856
7.632
7.13
|
0.0433
0.043
0.0415
0.039
0.035
0.027
0.015
0.0
|
1.266
1.318
1.4
1.477
1.565
1.698
1.854
2.019
|
2.532
2.636
2.799
2.953
3.13
3.395
3.708
4.038
|
5.618
5.531
5.417
5.331
5.253
5.172
5.117
5.095
|
5.662
5.234
4.681
4.263
3.874
3.414
3.003
2.673
|
0.201
0.217
0.241
0.263
0.287
0.321
0.357
0.391
|
|
-6 дБ
5.7
2
5.345
11.71
9.702
8.809
|
0.0603
0.06
0.058
0.054
0.048
0.04
0.02
0.0
|
1.285
1.342
1.449
1.564
1.686
1.814
2.068
2.283
|
2.569
2.684
2.899
3.129
3.371
3.627
4.136
4.567
|
6.291
6.188
6.031
5.906
5.812
5.744
5.683
5.686
|
5.036
4.701
4.188
3.759
3.399
3.093
2.634
2.35
|
0.247
0.264
0.295
0.325
0.355
0.385
0.436
0.474
|
Для перехода от схемы,
приведенной на рис. 3.11, к схеме, представленной на рис. 3.10, следует
воспользоваться формулами пересчета:
(3.21)
где 
Табличные значения
элементов , в этом случае, выбираются
для величины
(3.22)
где – коэффициент,
значения которого приведены в таблицах 3.3 и 3.4.
Таблицы 3.3 и 3.4 могут быть
применены и для проектирования усилительных каскадов на полевых транзисторах
(рис. 3.12).

Рис. 3.12
В этом
случае удобнее рассматривать коэффициент передачи с входа транзистора на вход транзистора , который описывается
соотношением, аналогичным (3.17):
,
где ;
– крутизна транзистора ;
– входная емкость
транзистора ;
– выходное сопротивление транзистора
.
При использовании таблиц 3.3
и 3.4 и переходе к реальным нормированным значениям элементов КЦ, следует
пользоваться формулами пересчета:
 
где – нормированное
относительно и значение выходной емкости
транзистора ;
– нормированное
относительно и значение входной емкости
транзистора .
Пример 3.3. Рассчитать
КЦ однокаскадного транзисторного усилителя с использованием синтезированных
таблиц 3.3 и 3.4 при условиях: используемый транзистор – КТ939А; = 50 Ом; емкостная составляющая
сопротивления генератора = 2 пФ;
верхняя частота полосы пропускания =1 ГГц;
требуемый подъем АЧХ 4 дБ; допустимое уклонение АЧХ от требуемой формы =0,25 дБ. Принципиальная
схема каскада приведена на рис. 3.13. На выходе каскада включена выходная КЦ,
состоящая из элементов =6,4 нГн, =
5,7 пФ (см. раздел 2.1).
Решение. Используя
справочные данные транзистора КТ939А [13] и соотношения для расчета значений
элементов однонаправленной модели [10], получим: =0,75
нГн; =1,2 Ом; =15.

Рис. 3.13 Рис.
3.14.
Нормированные
относительно и значения равны: =0,628; =0,0942; =0,024. Подставляя в (3.22)
значение и табличную величину , рассчитаем: =0,019. Ближайшая табличная
величина равна 0,02. Для указанного
значения из таблицы 3.3 найдем: =1,246; =2,491; =3,347; =4,419; =0,217. Подставляя найденные
величины в формулы пересчета (3.26) получим: =1,246;
=2,491; =2,719; =2,406; =0,235. Денормируя
полученные значения элементов КЦ, определим: =62,3
Ом; =19,83 нГн; = 8,66 пФ; 7,66 пФ; 1,87 нГн. Далее по (3.17)
вычислим: = 1,98. Резистор на рис. 3.13, включенный
параллельно , необходим для установления
заданного коэффициента усиления на частотах менее и
рассчитывается по формуле [52]: .
На рис.
3.14 приведена АЧХ спроектированного однокаскадного усилителя, вычисленная с
использованием полной эквивалентной схемы замещения транзистора КТ939А [13] (кривая
1). Здесь же представлена экспериментальная характеристика усилителя (кривая
2).
3.3. Параметрический
синтез полосовых усилительных каскадов
Полосовые
усилители мощности находят широкое применение в системах пейджинговой и сотовой
связи, телевизионном и радиовещании. На рис. 3.15–3.17 приведены схемы КЦ,
наиболее часто применяемые при построении полосовых усилителей мощности
метрового и дециметрового диапазона волн [3, 5, 6, 19, 20, 32].

Рис. 3.15. Четырехполюсная
реактивная КЦ третьего порядка

Рис. 3.16. Четырехполюсная
реактивная КЦ четвертого порядка

Рис.
3.17. Четырехполюсная реактивная КЦ, выполненная в виде фильтра нижних частот
Осуществим синтез таблиц
нормированных значений элементов приведенных схемных решений КЦ полосовых
усилителей мощности.
3.3.1.
Параметрический синтез полосовых усилительных каскадов с корректирующей цепью
третьего порядка
Описание
рассматриваемой схемы (рис. 3.15), ее применение в полосовых усилителях мощности
и методика настройки даны в работах [5, 44, 56]. В разделе 3.2.2 дано описание
методики расчета анализируемой схемы при ее использовании в качестве КЦ широкополосного
усилителя. В случае ее использования в качестве КЦ полосового усилителя
методика расчета остается неизменной, за исключением изменения условий расчета
функции-прототипа.
Значения
коэффициентов функции-прототипа (3.14), соответствующие различным величинам
относительной полосы пропускания, определяемой отношением , где – верхняя и нижняя
граничные частоты полосового усилителя, для неравномерности АЧХ ± 0,25 дБ,
приведены в таблице 3.5. Здесь же даны результаты расчета элементов для различных значений .
Анализ
полученных результатов позволяет установить следующее. При заданном отношении существует определенное
значение , при превышении которого
реализация каскада с требуемой формой АЧХ становится невозможной. Это
обусловлено уменьшением добротности рассматриваемой цепи с увеличением .
При
условии >1,3 в каскаде с
анализируемой КЦ коэффициент усиления в области частот ниже оказывается соизмеримым с
его коэффициентом усиления в полосе рабочих частот. Поэтому в таблице приведены
результаты расчетов нормированных значений элементов КЦ ограниченные отношением
равным 1,3.
При
известных (см. раздел 3.22) расчет КЦ
состоит из следующих этапов. Вычисляются значения элементов . По таблице выбираются
значения соответствующие требуемому
значению отношения и рассчитанному
значению . По формулам пересчета
(3.13) рассчитываются значения и
осуществляется их денормирование.
Таблица 3.5 – Нормированные значения элементов КЦ
|
|

|

|

|

|
|
=1,05
=2.1145
=1.2527
=1.9394
|
0.0057
0.0056
0.0054
0.0049
0.0043
0.0026
0.0
|
2.036
2.043
2.051
2.062
2.072
2.092
2.115
|
11.819
10.763
9.732
8.61
7.868
6.711
5.78
|
0.081
0.088
0.097
0.109
0.119
0.138
0.159
|
|
=1,1
=1.0630
=1.1546
=0.75594
|
0.0347
0.034
0.033
0.03
0.025
0.016
0.0
|
0.907
0.92
0.933
0.956
0.981
1.015
1.063
|
3.606
3.277
2.993
2.62
2.31
2.005
1.705
|
0.231
0.251
0.271
0.302
0.334
0.372
0.417
|
|
=1,2
=1.2597
=1.1919
=0.7321
|
0.0705
0.0695
0.068
0.063
0.054
0.036
0.0
|
1.004
1.022
1.038
1.07
1.108
1.165
1.26
|
2.622
2.403
2.216
1.945
1.707
1.457
1.199
|
0.278
0.298
0.318
0.352
0.387
0.431
0.485
|
|
=1,3
=1.2830
=1.13763
=0.60930
|
0.106
0.105
0.102
0.094
0.08
0.05
0.0
|
0.963
0.98
1.006
1.044
1.091
1.169
1.283
|
2.056
1.903
1.708
1.496
1.311
1.104
0.919
|
0.307
0.327
0.355
0.39
0.426
0.472
0.517
|
Рассматриваемая
КЦ (рис. 3.15) может быть использована и в качестве входной корректирующей цепи
усилителя. В этом случае при расчетах следует полагать , где – активная и емкостная
составляющие сопротивления генератора.
Пример
3.4. Рассчитать КЦ однокаскадного усилителя на транзисторе КТ939А при
условиях: 50 Ом, где – сопротивление нагрузки; = 2 пФ; центральная частота
полосы пропускания равна 1 ГГц; относительная полоса пропускания равна 1,1.
Выбор в качестве примера проектирования однокаскадного варианта усилителя
обусловлен возможностью простой экспериментальной проверки точности результатов
расчета, чего невозможно достичь при реализации многокаскадного усилителя.
Схема усилителя приведена на рис. 3.18. На выходе усилителя включена выходная
корректирующая цепь, состоящая из элементов =
4 нГн, = 4,7 пФ (см. раздел 2.1).

Рис. 3.18 Рис.
3.19
Решение. Используя справочные данные
транзистора КТ939А [13] и соотношения для расчета значений элементов
однонаправленной модели [10], получим: 0,75
нГн; 1,2 Ом; 15. Нормированные относительно
и значения элементов равны: 0,628; 0,0942;
0,024. Подставляя и коэффициент для случая =1,1 из таблицы в
(3.12), рассчитаем: = 0,004.
Ближайшая табличная величина равна
0,0. Для указанного значения из
таблицы найдем: = 1,063; = 1,705; = 0,417. Подставляя
найденные величины в (3.13) получим: = 0,435;
= 0,03; = 2,39. Денормируя
полученные значения элементов КЦ определим: =
1,38 пФ; = 0,1 пФ; = 19 нГн. Теперь по (3.11)
вычислим: = 1,96.
На рис. 3.19 приведена АЧХ
спроектированного однокаскадного усилителя, вычисленная с использованием полной
эквивалентной схемы замещения транзистора КТ939А [13] (кривая 1). Здесь же
представлена экспериментальная характеристика усилителя (кривая 2).
3.3.2.
Параметрический синтез полосовых усилительных каскадов с корректирующей цепью
четвертого порядка
Описание
рассматриваемой схемы (рис. 3.16), ее применение в полосовых усилителях
мощности и методика настройки даны в работах [5, 6, 21].
Аппроксимируя входной и
выходной импедансы транзисторов и -
и - цепями перейдем к схеме,
приведенной на рис. 3.20.
 
Рис.
3.20 Рис. 3.21
Вводя идеальный
трансформатор после конденсатора и
применяя преобразование Нортона, перейдем к схеме, представленной на рис. 3.21.
Коэффициент прямой
передачи последовательного соединения преобразованной схемы КЦ и транзистора может быть описан в
символьном виде дробно-рациональной функцией комплексного переменного:
, (3.23)
где ;
–
нормированная частота;
–
текущая круговая частота;
– центральная круговая частота полосового усилителя;
;
– коэффициент усиления транзистора по мощности в режиме двустороннего
согласования на частоте =1;
(3.24)
(3.25)
– нормированные относительно и значения элементов .
По известным значениям , переходя от схемы рис.
3.21 к схеме рис. 3.20, найдём:
(3.26)
где ;
– нормированное относительно и значение .
Из (3.23) следует, что
коэффициент усиления каскада на частоте =1
равен:
(3.27)
В качестве прототипа
передаточной характеристики (3.23) выберем функцию:
. (3.28)
Квадрат модуля
функции-прототипа (3.28) имеет вид:
. (3.29)
Для
нахождения коэффициентов составим
систему линейных неравенств (3.5):
(3.30)
Решая
(3.30) для различных и , при условии максимизации
функции цели: , найдем
коэффициенты , соответствующие различным
полосам пропускания полосового усилительного каскада. Вычисляя полиномы Гурвица
знаменателя функции (3.29), определим коэффициенты функции-прототипа (3.28).
Значения коэффициентов
функции-прототипа (3.28), соответствующие различным величинам относительной
полосы пропускания определяемой отношением ,
где – верхняя и нижняя
граничные частоты полосового усилителя, для неравномерности АЧХ ± 0,5 дБ,
приведены в таблице 3.6.
Таблица
3.6 – Нормированные значения элементов КЦ
|
|

|

|

|

|

|
|
|
1.3
=0.29994
=2.0906
=0.29406
=1.0163
|
0.00074
0.0006
0.0005
0.0004
0.0003
0.0002
0.0001
0.0
|
0.2215
0.2509
0.2626
0.2721
0.2801
0.2872
0.2935
0.2999
|
5.061
4.419
4.216
4.068
3.951
3.855
3.773
3.702
|
100.2
76.29
69.26
64.22
60.27
57.04
54.31
51.96
|
0.00904
0.01200
0.01325
0.01429
0.01523
0.01609
0.01689
0.01764
|
|
1.4
=0.42168
=2.1772
=0.40887
=1.0356
|
0.0021
0.0015
0.001
0.0007
0.0005
0.0003
0.0002
0.0
|
0.3311
0.3728
0.3926
0.4024
0.4084
0.4139
0.4166
0.4217
|
3.674
3.231
3.066
2.994
2.951
2.914
2.896
2.864
|
39.44
29.34
25.96
24.49
23.66
22.91
22.57
21.93
|
0.02158
0.02931
0.03313
0.03500
0.03631
0.03746
0.03803
0.03911
|
|
|
1.6
=0.55803
=2.2812
=0.52781
=1.0474
|
0.0045
0.004
0.003
0.002
0.0015
0.001
0.0007
0.0
|
0.4476
0.4757
0.5049
0.5259
0.5349
0.5431
0.5478
0.5580
|
3.002
2.799
2.630
2.527
2.487
2.452
2.433
2.392
|
21.54
17.78
15.07
13.54
12.96
12.46
12.19
11.63
|
0.03620
0.04424
0.05235
0.05822
0.06075
0.06313
0.06448
0.06747
|
|
|
1.8
=0.75946
=2.4777
=0.69615
=1.0844
|
0.0091
0.009
0.008
0.007
0.005
0.002
0.001
0.0
|
0.6180
0.6251
0.6621
0.6810
0.7092
0.7411
0.7514
0.7595
|
2.526
2.495
2.335
2.267
2.180
2.096
2.075
2.055
|
12.93
12.43
9.831
8.914
7.858
6.886
6.646
6.431
|
0.0540
0.0560
0.0711
0.0791
0.0892
0.1013
0.1050
0.1080
|
|
|
2
=0.98632
=2.7276
=0.87132
=1.13
|
0.0144
0.014
0.012
0.01
0.007
0.005
0.001
0.0
|
0.831
0.850
0.888
0.911
0.938
0.953
0.980
0.986
|
2.189
2.133
2.039
1.991
1.942
1.917
1.878
1.869
|
8.543
7.586
6.182
5.578
5.010
4.736
4.319
4.233
|
0.073
0.082
0.101
0.112
0.124
0.131
0.142
0.145
|
|
Продолжение
таблицы 3.6
|
|

|

|

|

|

|
|
2.5
=1.4344
=3.2445
=1.1839
=1.2206
|
0.0236
0.022
0.02
0.015
0.01
0.005
0.001
0.0
|
1.262
1.299
1.320
1.358
1.387
1.412
1.430
1.434
|
1.842
1.793
1.770
1.736
1.714
1.699
1.689
1.686
|
5.423
4.367
3.932
3.379
3.058
2.829
2.685
2.652
|
0.097
0.121
0.133
0.153
0.168
0.181
0.188
0.190
|
|
3
=2.0083
=3.9376
=1.5378
=1.3387
|
0.032
0.03
0.025
0.02
0.015
0.01
0.005
0.0
|
1.827
1.864
1.900
1.927
1.950
1.971
1.990
2.008
|
1.628
1.609
1.595
1.589
1.584
1.582
1.580
1.579
|
4.027
3.213
2.717
2.458
2.280
2.143
2.032
1.939
|
0.112
0.139
0.163
0.178
0.190
0.200
0.209
0.218
|
|
4
=2.9770
=5.1519
=2.1074
=1.573
|
0.0414
0.04
0.035
0.03
0.02
0.01
0.005
0.0
|
2.787
2.812
2.848
2.872
2.912
2.946
2.962
2.977
|
1.455
1.456
1.460
1.464
1.474
1.483
1.488
1.492
|
3.137
2.661
2.229
2.010
1.772
1.611
1.548
1.493
|
0.124
0.144
0.170
0.185
0.207
0.223
0.231
0.237
|
|
5
=4.131
=6.6221
=2.7706
=1.8775
|
0.0479
0.045
0.04
0.03
0.02
0.01
0.005
0.0
|
3.936
3.972
4.000
4.040
4.073
4.103
4.128
4.131
|
1.353
1.366
1.377
1.395
1.411
1.426
1.439
1.440
|
2.716
2.162
1.898
1.635
1.478
1.366
1.287
1.279
|
0.130
0.160
0.180
0.204
0.221
0.235
0.245
0.247
|
|
6
=4.79
=7.4286
=3.109
=2.0246
|
0.050
0.048
0.045
0.04
0.03
0.02
0.01
0.0
|
4.604
4.625
4.644
4.667
4.704
4.735
4.763
4.790
|
1.315
1.325
1.334
1.346
1.366
1.382
1.399
1.415
|
2.413
2.105
1.914
1.730
1.518
1.401
1.284
1.206
|
0.139
0.157
0.171
0.186
0.208
0.223
0.237
0.248
|
В таблице представлены
также результаты вычислений нормированных значений элементов , полученные из решения
системы неравенств (3.3) и соответствующие различным значениям .
Анализ полученных
результатов позволяет установить следующее. Для заданной относительной полосы
пропускания существует определенное значение ,
при превышении которого реализация каскада с требуемой формой АЧХ становится
невозможной. Это обусловлено уменьшением добротности рассматриваемой цепи с
увеличением .
Рассматриваемая КЦ (рис.
3.16) может быть использована и в качестве входной КЦ. В этом случае при
расчетах следует полагать , .
Пример 3.5. Рассчитать КЦ однокаскадного
транзисторного усилителя, являющегося одним из восьми канальных усилителей выходного
усилителя мощности 500 Вт передатчика FM диапазона, при условиях: 75 Ом; =10 пФ; диапазон частот
88-108 МГц; в качестве усилительного элемента использовать транзистор КТ970А.
Принципиальная схема
каскада приведена на рис. 3.22. Элементы 
11 нГн, 240 пФ, 56 нГн, 47 пФ формируют
трансформатор импедансов (см. раздел 2.3), обеспечивающий оптимальное, в смысле
достижения максимального значения выходной мощности, сопротивление нагрузки
транзистора и практически не влияющий на форму АЧХ усилительного каскада.
В каскаде использован
стабилизатор напряжения базового смещения на транзисторах КТ817Г,
обеспечивающий стабилизацию угла отсечки коллекторного тока транзистора КТ970А
[23].
Решение. Используя справочные данные
транзистора КТ970А [13] и соотношения для расчета значений элементов
однонаправленной модели [10], получим: 0,053 Ом; 0,9 нГн; =
113, где сопротивление базы транзистора;
индуктивности выводов базы
и эмиттера транзистора.
 
Рис. 3.22 Рис.
3.23
Для заданного диапазона
частот имеем: = 6,15×108; = 1,23; Нормированные относительно и значения элементов равны: 7,06×10-4; 7,38×10-3; 0,46. Используя табличные значения , для = 1,3, в соответствии с (3.3)
из (3.25) получим: =5,4×10-4. Ближайшее табличное
значение = 5×10-4, для которого: 0,2626; 4,216; 69,26; 0,01325. По соотношениям
(3.26) определим: 0,2626; 3,756; 54,56; 0,0093.
Осуществляя денормирование элементов КЦ, имеем: 32 нГн; 81,4
пФ; 1183 пФ; 
1,1 нГн. По соотношению (3.27) найдем коэффициент усиления каскада: 7,33.
На рис. 3.23 приведена АЧХ
спроектированного однокаскадного усилителя, вычисленная с использованием полной
эквивалентной схемы замещения транзистора [13] (кривая 1). Здесь же
представлена экспериментальная характеристика усилителя (кривая 2).
3.3.3.
Параметрический синтез полосовых усилительных каскадов с корректирующей цепью,
выполненной в виде фильтра нижних частот
Описание
схемы КЦ, приведенной на рис. 3.17, ее применение в полосовых усилителях
мощности, а также методика настройки даны в [19, 20, 25, 57]. Известные методы
расчета указанной КЦ [20, 25, 57] не учитывают частотную зависимость
коэффициента усиления транзистора в пределах рабочего диапазона, что является
причиной значительных искажений формы АЧХ разрабатываемых усилителей.
Аппроксимируя
входной и выходной импедансы транзисторов и
-
и - цепями перейдем к схеме,
приведенной на рис. 3.24.

Рис. 3.24
Коэффициент прямой
передачи последовательного соединения КЦ и транзистора может быть описан в символьном виде дробно-рациональной
функцией комплексного переменного:
, (3.31)
где ;
–
нормированная частота;
–
текущая круговая частота;
– центральная круговая частота полосового усилителя;
;
– коэффициент усиления
транзистора по мощности в режиме двухстороннего
согласования на частоте =1;
(3.32)
;
;
– нормированные относительно
и значения элементов ;
– активная и емкостная
составляющие выходного сопротивления транзистора ;
– активная и индуктивная
составляющие входного сопротивления транзистора .
Из (3.31) следует, что
коэффициент усиления на частоте =1 равен:
. (3.33)
В
качестве прототипа характеристики (3.31) выберем функцию:
. (3.34)
Квадрат
модуля функции-прототипа (3.34) имеет вид:
. (3.35)
Для
выражения (3.35) составим систему линейных неравенств (3.5):
(3.36)
Решая
(3.36) для различных и при условии максимизации
функции цели: , найдем коэффициенты
, соответствующие различным
полосам пропускания полосового усилительного каскада. Вычисляя полиномы Гурвица
знаменателя функции (3.35), определим коэффициенты функции-прототипа (3.34).
Значения
коэффициентов функции-прототипа для различных полос пропускания и
неравномерности АЧХ ±0,25 дБ приведены в таблице 3.7. Здесь же представлены
результаты вычислений нормированных значений элементов , полученные из решения
системы неравенств (3.3) и соответствующие различным значениям .
Анализ
полученных результатов позволяет установить следующее. Для заданной
относительной полосы пропускания, определяемой отношением , где – верхняя и нижняя граничные
частоты полосового усилителя, существует определенное значение , при превышении которого
реализация каскада с требуемой формой АЧХ становится невозможной. При допустимой
неравномерности АЧХ, равной 0,25 дБ, ее аппроксимация функцией (2.34) возможна
при условии . При допустимой неравномерности
АЧХ более 0,25 дБ, область аппроксимации увеличивается незначительно. Поэтому
создание усилителя с полосой пропускания более одной октавы с использованием
изображенной на рис. 3.17 КЦ невозможно.
Рассматриваемая
КЦ (рис. 3.17) может быть использована и в качестве входной КЦ усилителя. В
этом случае при расчетах следует полагать ,
.
Таблица 3.7 – Нормированные значения элементов КЦ
|
|

|

|

|

|

|
|
|
1.2
=0.28324
=2.0380
=0.26888
=0.98884
|
0.0005847
0.000518
0.000506
0.000485
0.00045
0.0004
0.00032
0.0002
0.0
|
5.773
5.294
5.052
4.838
4.612
4.396
4.162
3.929
3.677
|
0.1773
0.1947
0.2024
0.2101
0.2192
0.2289
0.2406
0.2537
0.2698
|
164.6
153.8
141.4
130.8
119.8
109.2
97.80
86.43
74.36
|
0.0059
0.0062
0.0068
0.0074
0.0082
0.009
0.0101
0.0115
0.0134
|
|
|
1.3
=0.40850
=2.0543
=0.36889
=0.96466
|
0.001896
0.00176
0.00172
0.00164
0.00151
0.00132
0.00107
0.0006
0.0
|
3.759
3.565
3.452
3.322
3.186
3.050
2.922
2.757
2.615
|
0.2763
0.2906
0.2975
0.3063
0.3166
0.3282
0.3401
0.3574
0.3741
|
57.58
54.04
50.72
47.13
43.47
39.86
36.52
32.25
28.65
|
0.0161
0.0173
0.0186
0.0201
0.0220
0.0242
0.0266
0.0304
0.0344
|
|
1.4
=0.56846
=2.0762
=0.48523
=0.93726
|
0.00482
0.00459
0.00447
0.00425
0.00390
0.00335
0.00260
0.00160
0.0
|
2.619
2.528
2.452
2.374
2.291
2.201
2.114
2.029
1.931
|
0.3999
0.4113
0.4185
0.4272
0.4375
0.4500
0.4634
0.4778
0.4960
|
25.52
24.09
22.55
21.06
19.56
17.98
16.49
15.08
13.50
|
0.0352
0.0376
0.0407
0.0441
0.0480
0.0528
0.0581
0.0642
0.0724
|
|
|
1.6
=0.75048
=1.9966
=0.57207
=0.81594
|
0.010896
0.0105
0.0101
0.0096
0.0086
0.0073
0.0053
0.0034
0.0
|
1.853
1.811
1.746
1.703
1.644
1.590
1.530
1.486
1.426
|
0.5363
0.5443
0.5519
0.5584
0.5684
0.5788
0.5918
0.6022
0.6176
|
12.38
11.86
10.88
10.27
9.511
8.846
8.133
7.634
6.970
|
0.0669
0.0706
0.0786
0.0843
0.0926
0.1009
0.1114
0.1198
0.1329
|
|
Продолжение
таблицы 3.7
|
|

|

|

|

|

|
|
1.8
=0.84428
=1.8738
=0.57990
=0.69360
|
0.016114
0.0155
0.0151
0.0144
0.0133
0.0115
0.009
0.0047
0.0
|
1.521
1.483
1.450
1.417
1.380
1.338
1.294
1.240
1.196
|
0.6061
0.6133
0.6167
0.6214
0.6275
0.6358
0.6454
0.6590
0.6711
|
8.553
8.083
7.650
7.236
6.820
6.361
5.919
5.395
4.991
|
0.0892
0.0958
0.1028
0.1104
0.1189
0.1296
0.1415
0.158
0.1731
|
|
2
=0.87096
=1.7385
=0.55020
=0.58961
|
0.01878
0.0181
0.0177
0.017
0.0155
0.014
0.011
0.007
0.0
|
1.348
1.320
1.294
1.267
1.229
1.202
1.161
1.122
1.071
|
0.6276
0.6338
0.6362
0.6396
0.6456
0.6508
0.6596
0.6694
0.6833
|
7.306
6.975
6.604
6.265
5.830
5.538
5.126
4.745
4.291
|
0.097
0.1028
0.1103
0.1181
0.1294
0.1379
0.1517
0.1665
0.1876
|
Пример
3.6. Рассчитать КЦ однокаскадного транзисторного усилителя, являющегося
одним из четырех канальных усилителей выходного усилителя мощности 250 Вт передатчика
пятого канала телевидения, при условиях: 75
Ом, диапазон усиливаемых частот 92-100 МГц, используемый транзистор – КТ970А.
Схема
каскада приведена на рис. 3.25. Элементы 12,5
нГн, 
213 пФ, 60 нГн, 44 пФ формируют
трансформатор импедансов, обеспечивающий оптимальное, в смысле достижения
максимального значения выходной мощности, сопротивление нагрузки транзистора и
практически не влияющий на форму АЧХ усилительного каскада.
Решение.
Используя справочные данные транзистора КТ970А [13] и соотношения для
расчета значений элементов однонаправленной модели [10], получим: 0,053 Ом; 0,9 нГн, = 110, где сопротивление базы транзистора,
индуктивности выводов базы
и эмиттера транзистора.

Рис. 3.25 Рис.
3.26
Для заданного диапазона
частот имеем: = =6,0288·108,
= 1,087. Нормированное относительно значение равно: 7,06·10-4. Как
следует из таблицы 3.7, рассчитанному значению соответствует
минимально достижимая полоса пропускания, определяемая величиной =1,3. Ближайшее табличное
значение , при условии =1,3, равно 6·10-4.
Для этого значения из таблицы
найдем: =2,757; =0,3574; =32,25; =0,0304. Осуществляя
денормирование элементов КЦ, получим: =61
пФ; =44,46 нГн; =713,2 пФ; =3,78 нГн; = 2,88 нГн. По соотношению
(3.33) и данным таблицы найдем коэффициент усиления рассчитываемого каскада: =5,683.
На рис. 3.26 приведена АЧХ
спроектированного однокаскадного усилителя, вычисленная с использованием полной
эквивалентной схемы замещения транзистора [13] (кривая 1). Здесь же
представлена экспериментальная характеристика усилителя (кривая 2).
Список использованных источников
1. Проектирование радиопередающих
устройств с применением ЭВМ / Под ред. О.В. Алексеева. – М.: Радио и связь,
1987. – 392 с.
2. Широкополосные радиопередающие
устройства / Алексеев О.В., Головков А.А., Полевой В.В., Соловьев А.А.; Под
ред. О.В. Алексеева. - М.: Связь, 1978. – 304 с.
3. Проектирование радиопередатчиков /
В.В. Шахгильдян, М.С. Шумилин, В.Б. Козырев и др.; Под ред. В.В. Шахгильдяна. –
М.: Радио и связь, 2000. – 656 с.
4. Каганов В.И. Радиопередающие
устройства. – М.: ИРПО: Издательский центр «Академия», 2002. – 288 с.
5. Асессоров В.В., Кожевников В.А.,
Асеев Ю.Н., Гаганов В.В. Модули ВЧ усилителей мощности для портативных средств
связи // Электросвязь. – 1997. - № 7. – С. 21 – 22.
6. Титов А.А. Двухканальный усилитель
мощности с диплексерным выходом // Приборы и техника эксперимента. – 2001. – №
1. – С. 68 – 72.
7. Шварц Н.З. Линейные транзисторные
усилители СВЧ. - М.: Сов. радио, 1980. – 368 с.
8. Никифоров В.В., Терентьев С.Ю. Синтез
цепей коррекции широкополосных усилителей мощности с применением методов
нелинейного программирования // Сб. «Полупроводниковая электроника в технике
связи» / Под ред. И.Ф. Николаевского. – М.: Радио и связь, 1986. – Вып. 26. –
С. 136–144.
9. Никифоров В.В., Кулиш Т.Т., Шевнин
И.В. К проектированию широкополосных усилителей мощности КВ- УКВ- диапазона на
мощных МДП-транзисторах // В сб.: Полупроводниковые приборы в технике связи /
Под ред. И.Ф. Николаевского. – М.: Радио и связь. -1993. – Вып. 23. – С.
105–108.
10.
Титов А.А., Бабак
Л.И., Черкашин М.В. Расчет межкаскадной согласующей цепи транзисторного
полосового усилителя мощности // Электронная техника. Сер. СВЧ-техника. – 2000.
– Вып. 1. – С. 46–50.
11.
Бабак Л.И.,
Шевцов А.Н., Юсупов Р.Р. Пакет программ автоматизированного расчета
транзисторных широкополосных и импульсных УВЧ - и СВЧ усилителей //
Электронная техника. Сер. СВЧ – техника. – 1993. – Вып. 3. – С. 60–63.
12.
Шварц Н.З.
Усилители СВЧ на полевых транзисторах. – М.: Радио и связь, 1987. – 200 с.
13.
Петухов В.М.
Полевые и высокочастотные биполярные транзисторы средней и большой мощности и
их зарубежные аналоги: Справочник. В 4 томах. – М.: КУбК-а, 1997.
14.
Мамонкин И.Г.
Усилительные устройства. Учебное пособие для вузов. - М.: Связь. 1977. – 360 с.
15.
Титов А.А. Расчет
схемы активной коллекторной термостабилизации и её использование в усилителях с
автоматической регулировкой потребляемого тока // Электронная техника. Сер. СВЧ
– техника. – 2001. – № 2. – С. 26–30.
16.
Устройства
сложения и распределения мощностей высокочастотных колебаний / В.В. Заенцев,
В.М. Катушкина, С.Е. Лондон, З.И. Модель; Под ред. З.И. Моделя. – М.: Сов.
радио, 1980. – 296 с.
17.
Лондон С.Е.,
Томашевич С.В. Справочник по высокочастотным трансформаторным устройствам. –
М.: Радио и связь, 1984. – 216 с.
18.
Титов А.А.,
Болтовская Л.Г. Высоковольтный транзисторный усилитель однополярных импульсов
// Приборы и техника эксперимента. – 1979. – №2. – С. 140–141.
19.
Гребенников А.В.,
Никифоров В.В. Транзисторные усилители мощности для систем подвижной радиосвязи
метрового и дециметрового диапазонов волн // Радиотехника. – 2000 – № 5. – С.
83–86.
20.
Гребенников А.В.,
Никифоров В.В., Рыжиков А.Б. Мощные транзисторные усилительные модули для УКВ
ЧМ и ТВ вещания // Электросвязь. – 1996. – № 3. – С. 28–31.
21.
Титов А.А.,
Кологривов В.А. Параметрический синтез межкаскадной корректирующей цепи
полосового усилителя мощности // Электронная техника. Сер. СВЧ – техника. – 2002.
– Вып. 1. – С. 6–13.
22.
Титов А.А.
Усилитель мощности для оптического модулятора // Приборы и техника
эксперимента. – 2002. – № 5. – С. 88–90.
23.
Титов А.А.
Полосовой усилитель мощности с повышенной линейностью амплитудной
характеристики // Приборы и техника эксперимента. – 2003. – № 4. – С. 65–68.
24.
Радиопередающие
устройства: Учебник для вузов / Л.А. Белов, М.В. Благовещенский, В.М. Богачев и
др.; Под ред. М.В. Благовещенского, Г.У. Уткина. – М.: Радио и связь, 1982. –
408 с.
25.
Знаменский А.Е.,
Нестеров М.И. Расчет трансформаторов сопротивлений с сосредоточенными
элементами // Техника средств связи. Сер. Техника радиосвязи. – 1983. – Вып. 1
– С. 83–88.
26.
Знаменский А.Е.
Таблицы для расчета трансформаторов сопротивлений в виде фильтров нижних
частот. // Техника средств связи. Сер. Техника радиосвязи. – 1985. – Вып. 1. –
С. 99–110.
27.
Мелихов С.В.
Аналоговое и цифровое радиовещание: Учебное пособие. – Томск: Томск. гос. ун-т
систем управления и радиоэлектроники, 2002. – 251 с.
28.
ГОСТ 20532 – 83.
Радиопередатчики телевизионные 1 – 5 диапазонов. Основные параметры,
технические требования и методы измерений. – М.: Издательство стандартов, 1984.
– 34 с.
29.
ГОСТ Р 50890 –
96. Передатчики телевизионные маломощные. Основные параметры. Технические
требования. Методы измерений. – М.: Издательство стандартов, 1996. – 36 с.
30.
Иванов В.К.
Оборудование радиотелевизионных передающих станций. – М.: Радио и связь, 1989.
– 336 с.
31.
Зааль Р.
Справочник по расчету фильтров: Пер. с нем. - М.: Радио и связь. 1983. – 752 с.
32.
Титов А.А.,
Григорьев Д.А. Параметрический синтез межкаскадных корректирующих цепей
высокочастотных усилителей мощности // Радиотехника и электроника. – 2003. – №
4. – С 442–448.
33.
Howard
A. Higher manufacturing yields using DOE // Microwave J. – 1994. – Vol. 37. –
No. 7. – P. 92 – 98.
34.
Бабак Л.И.,
Пушкарев В.П., Черкашин М.В. Расчет сверхширокополосных СВЧ усилителей с
диссипативными корректирующими цепями // Известия вузов. Радиоэлектроника. –
1996. – Том 39. - № 11. - С. 20 – 28.
35.
Ku
W.H., Petersen W.C. Optimum gain-bandwidth limitation of transistor amplifiers.
// IEEE Trans. – 1975. – Vol. CAS - 22. – No. 6. – P. 523 – 533.
36.
Ланнэ А.А.
Оптимальный синтез линейных электронных схем. – М.: Связь, 1978. – 336 с.
37.
Трифонов И.И.
Расчет электронных цепей с заданными частотными характеристиками. – М.: Радио и
связь, 1988. – 304 с.
38.
Балабанян Н.
Синтез электрических цепей. – М.: Госэнергоиздат, 1961. – 543 с.
39.
Муртаф Б.
Современное линейное программирование: Пер. с англ. – М.: Мир, 1984. – 224 с.
40.
Смирнов Р.А.
Оптимизация параметров импульсных и широкополосных усилителей. – М.: Энергия,
1976. – 200 с.
41.
Титов А.А. Расчет
межкаскадной корректирующей цепи многооктавного транзисторного усилителя
мощности. // Радиотехника. – 1987. – №1. – С. 29 – 31.
42.
Мелихов С.В.,
Титов А.А. Широкополосный усилитель мощности с повышенной линейностью //
Приборы и техника эксперимента. – 1988. – № 3. – С. 124 – 125.
43.
Титов А.А.,
Ильюшенко В.Н., Авдоченко Б.И., Обихвостов В.Д. Широкополосный усилитель
мощности для работы на несогласованную нагрузку // Приборы и техника эксперимента.
– 1996. – № 2. – С. 68 – 69.
44.
Окснер Э.С.
Мощные полевые транзисторы и их применение: Пер. с англ. – М.: Радио и связь,
1985. – 288 с.
45.
Брауде Г.З.
Коррекция телевизионных и импульсных сигналов. // Сб. статей. – М.: Связь,
1967. – 245 с.
46.
Титов А.А. Параметрический
синтез межкаскадной корректирующей цепи широкополосного усилителя мощности на
полевых транзисторах. // Радиотехника. – 2002. – № 3 - С. 90–92.
47.
Obregon
J., Funck F., Borvot S. A 150 MHz – 16 GHz FET amplifier. // IEEE International
solid-state Circuits Conference. – 1981, February. – P. 66 – 67.
48.
Авдоченко Б.И.,
Ильюшенко В.Н., Донских Л.П. Пикосекундные усилительные модули на транзисторах
с затвором Шотки // Приборы и техника эксперимента. – 1986. – № 5. – С.
119–122.
49.
Гринберг Г.С.,
Могилевская Л.Я., Хотунцев Ю.Л. Численное моделирование нелинейных устройств на
полевых транзисторах с барьером Шотки // Электронная техника. Сер. СВЧ-техника.
– 1993. – Вып. 4. – С. 18–22.
50.
Потемкин В.Г.
Система инженерных и научных расчетов MATLAB 5.x: - В 2-х томах. – М.: ДИАЛОГ-МИФИ,
1999.
51.
Титов А.А.
Параметрический синтез межкаскадной корректирующей цепи сверхширокополосного
усилителя мощности // Известия вузов. Сер. Электроника. – 2002. – № 6. – С.
81–87.
52.
Бабак Л.И.,
Дергунов С.А. Расчет цепей коррекции сверхширокополосных транзисторных
усилителей мощности СВЧ // Сб. «Радиотехнические методы и средства измерений» –
Томск: Изд-во Том. ун-та, 1985 г.
53.
Жаворонков В.И.,
Изгагин Л.Н., Шварц Н.З. Транзисторный усилитель СВЧ с полосой пропускания 1 –
1000 МГц // Приборы и техника эксперимента. – 1972. – № 3. – С. 134–135.
54.
Титов А.А.
Параметрический синтез широкополосных усилительных ступеней с заданным наклоном
амплитудно-частотной характеристики // Известия вузов. Сер. Радиоэлектроника. –
2002. – № 10. – С. 26–34.
55.
Манзон Б.М. Maple 5 Power Edition – М.: Информационно-издательский дом «Филинъ», 1998.
– 240 с.
56.
Титов А.А. Расчет
амплитудной характеристики каскада, работающего в режиме с отсечкой
коллекторного тока // Известия вузов. Сер. Радиоэлектроника. – 2003. – № 2. –
С. 33–37.
57.
Вай Кайчень.
Теория и проектирование широкополосных согласующих цепей: Пер. с англ. – М.:
Связь, 1979. – 288 с.
|