рефераты бесплатно
рефераты бесплатно
Главная
Исторические личности
Журналистика
Зоология
Инвестиции
Информатика
История техники
Кибернетика
Коммуникация и связь
Косметология
Криминалистика
Криминология
Кулинария
Культура и искусство
Культурология
Международное публичное право
Международное частное право
Международные отношения
Менеджмент
Металлургия
Налогообложение
Наука и техника
Сельское лесное хозяйство и землепользование
Социальная работа
Социология и обществознание
Спорт и туризм
Строительство и архитектура
Таможенная система
Транспорт

Реферат: Разработка эквалайзера


Реферат: Разработка эквалайзера

Содержание


1. Техническое задание.

1.1. Наименование и область применения.

1.2. Основание для разработки.

1.3. Технические требования.


2. Документы эскизного проекта.

2.1. Введение.

2.2. Назначение и область применения.

2.3. Обоснование структурной схемы.


3. Документы технического проекта.

3.1. Обоснование схемотехнических решений.

3.2. Расчеты, подтверждающие работоспособность изделия.

3.3. Порядок настройки изделия.


4. Список литературы.

1. Техническое задание


1.1. Наименование и область применения изделия.


Разрабатываемый графический эквалайзер предназначен для согласования электроакустических параметров бытового аудиокомплекса, в частности, акустической системы и акустического оформления помещения методом регулировки формы амплитудно-частотной характеристики коэффициента передачи в рабочем диапазоне частот.


1.2. Основание для разработки.


Основанием для разработки является задание, выданное кафедрой радиоприема и обработки радиотехнической информации.


1.3. Технические требования.


№ п/п

Параметр или характеристика

Ед.

Норма

Источник

1

Номинальный диапазон частот при спаде АЧХ на краях диапазона 3 дБ

Гц

10...30000

ГОСТ 24838-87

2

Коэффициент гармоник при входном напряжении 1В на частотах 100, 1000 и 10000 Гц, не более


%


0.05

ГОСТ 24838-87

3

Номинальное входное напряжение

В

1

Рекоменд.

4

Максимальное входное напряжение

В

4

-

5

Диапазон регулирования тембра во всех частотных полосах

дБ

±16

-

6

Отношение сигнал/шум при входном напряжении 1 В

дБ

80

ГОСТ 24863-87

7

Кратность регулировки резонансных частот и добротностей

раз

2

Рекоменд.

8

Максимальная погрешность установки резонансных частот и добротностей

%

5

-

9

Среднее время наработки на отказ

час

11000

ГОСТ 15150-69

2. Документы эскизного проекта


2.1. Введение.


В современных усилителях, тюнерах и магнитофонах имеются регуляторы тембра, которыми обычно в значительной степени регулируется основная часть спектра звуковых частот. Эти регуляторы пригодны для небольших изменений тональных значений звуковых программ, но они малоэффективны для исправления недостатков громкоговорителей и помещений для прослушивания. Поскольку амплитудно-частотная характеристика обычного громкоговорителя имеет значительную неравномерность в различных точках звукового диапазона, эквалайзер, в силу своих особых частотных характеристик, в большей степени способен внести необходимую коррекцию, чем обычные регуляторы тембра.

Эквалайзер позволяет в значительной степени скомпенсировать неравномерность амплитудно-частотных чарактеристик акустических систем, несовершенство акустических свойств помещений, возрастные изменения слуха, осуществлять коррекцию магнитофонных записей для улучшения их качества. Эквалайзер повышает качество восприятия звуковой программы, поэтому он является неотъемлемым звеном современных систем высококачественного звуковоспроизведения.


2.2. Назначение и область применения.


Эквалайзер графический десятиполосный предназначен для использования в составе бытового звуковоспроизводящего комплекса аппаратуры высшей и первой групп сложности.

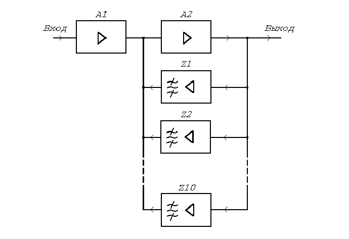
2.3. Обоснование структурной схемы.


Существуют два основных типа эквалайзеров: параметрические и графические. В качестве базовой в разрабатываемом проекте выбрана схема графического эквалайзера, поскольку несмотря на то, что при равных материальных затратах на изготовление параметрический эквалайзер обеспечивает лучшие возможности регулировки, чем графические, эксплуатация параметрического эквалайзера требует высокой квалификации пользователя.

Графические эквалайзеры делятся на два основных типа по способу коррекции сигнала:

- устройства с фильтрами в цепи прямого сигнала;

- устройства с фильтрами в цепи обратной связи.

В качестве базовой выбрана схема с фильтрами в цепи обратной связи, так как для устройства с фильтрами в цепи прямого сигнала рерулировка в одном канале вызывает изменение параметров для другого канала, что ухудшает технические и эксплуатационные характеристики.

Для наиболее полной коррекции частотных искажений, вносимых в звуковой сигнал АС и акустическими характеристиками помещений прослушивания, необходим, как минимум, десятиполосный эквалайзер [4].

Для устранения взаимного влияния разрабатываемого устройства и предыдущих компонентов бытового аудиокомплекса целесообразно на входе установить буфферный каскад, который можно совместить с фильтром верхних частот с частотой среза 20 Гц (рокот-фильр, который особенно актуален при прослушивании грамзаписей).

Таким образом, выбрана структурная схема: десятиполосная с фильтрами в цепи обратной связи и буфферным каскадом на входе.



3. Документы технического проекта


3.1. Обоснование схемотехнических решений.


Построить десятиполосный эквалайзер на базе обычных низкодобротных полосовых фильтров сложно. Из-за разброса номиналов резисторов и конденсаторов получить точное соответсвие реальных и расчетных параметров и АЧХ таких фильтров очень трудно. При этом, чтобы настроить десятиполосный эквалайзер с точностью ±10% по всем каналам, необходим не только предварительный подбор номиналов элементов до сборки, но и дополнительная их коррекция уже в готовом фильтре. На практике каждый фильтр приходится настраивать в макетном варианте и только после этого устанавливать на юбщую монтажную плату. Такая настройка отнимает много времени, требует высокой квалификации, специальных приборов и большого числа используемых для подбора элементов, что в итоге приводит к удорожанию устройства в процессе производства.

Таким образом, применение обычных низкодобротных фильтров нецелесообразно.

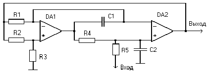
Рассматриваемое схемотехническое построение фильтра позволяет получить оптимальные параметры (необходимое произведение усиления на чувствительность, минимальный шум и максимальный динамический диапазон [3]).

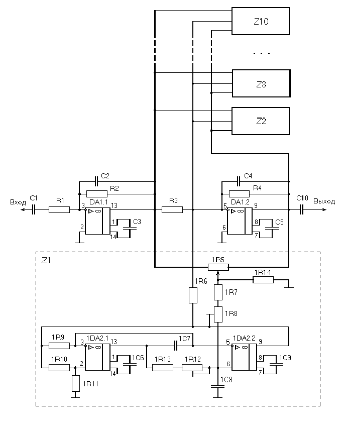
В качестве активных элементов схемы применяются микросхемы К157УД2, которые содержат по два ОУ, что уменьшает габаритные размеры изделия.

На схеме показан только один частотный канал, остальные ему идентичны.

3.2. Расчеты, подтверждающие работоспособность изделия.


Приведем принципиальную схему фильтра, который используется в цепи обратной связи эквалайзера:


Рис. 3.1 Высокодобротный фильтр. Схема электрическая принципиальная.

Основные расчетные параметры фильтров разрабатываемого устройства [3]:

Рассматриваемое схемотехническое построение фильтра позволяет получить оптимальные параметры (необходимое произведение усиления на чувствительность, минимальный шум и максимальный динамический диапазон [3]), в том случае, если емкость С1=С2=С, а сопротивления резисторов равны R0=1/(2··fр·С). Резистор R5 обеспечивает требуемую добротность. Его сопротивление определяется выражением [3]:

R5=R0·Qр.

Точный подбор R0 не требуется, достаточно выбрать резистор со стандартным номиналом Rd, близким к R0. Разность между этими сопротивлениями можно скомпенсировать, подобрав номинал резистора R4 равным (R0)2/Rd.

Исходя из описанных выше зависимостей можно расчитать параметры фильтров эквалайзера. Выберем десять резонансных частот фильтров графического эквалайзера, причем каждая последующая частота вдвое больше предыдущей: 30, 60, 120, 240, 480, 960, 1920, 3840, 7680 и 15360 Гц.

Расчитаем фильтр для резонансной частоты 30 Гц:

R0=1/(2··fр·С).

Выберем С=1 мкФ.

Тогда R0=1/(2··30·1·10-6); R0=5305.32.

Выбираем значение сопротивлений резисторов, равное 5.1 кОм.

Аналогично расчитываем остальные фильтры. Результаты расчетов приведены в таблице 3.1.

Таблица 3.1

Номиналы элементов

Частота настройки фильтра, Гц

фильтра

30

60

120

240

480

950

1920

3840

7680

15360

C, мкФ

1

0.5

0.22

0.1

0.068

0.033

0.015

0.0068

0.0033

0.0015

R, Ом

5.1

5.6

6.2

6.8

4.7

5.1

5.6

6.2

6.2

6.8


Анализ приведенных выражений fр, Qр и Кр показывает, что резонансную частоту и добротность можно регулировать соответственно резисторами R4 и R5, исключив подбор номиналов других пассивных элементов. Пределы регулировки первого параметра ±400% (дальнейшее их расширение может повлечь за собой самовозбуждение фильтра на резонансной частоте), второго - 0...20 (верхнее значение ограничено входным сопротивлением ОУ).


Зависимость частоты от изменения сопротивления резистора R4 представлена на рис. 3.2.

Рис. 3.2 Регулировка частоты фильтра резистором R4.

Зависимость добротности от изменения сопротивления резистора R5 приведеня на рис. 3.3.

Рис 3.3 Регулировка добротности фильтра резистором R5.

Регулировочные характеристики эквалайзера, приведенны на рис. 3.4.

Рис 3.4 Регулировочные характеристики эквалайзера.

Амплитудно-частотная характеристика буфферного каскада представлена на рис. 3.5.

Рис 3.5 Амплитудно-частотная характеристика буфферного каскада.

Данные расчеты были произведены для фильтра с резонансной частотой 960 Гц с помощью САПР MICRO-CAP III фирмы Spectrum Software.


3.3. Порядок настройки изделия.


Перед налаживанием эквалайзера отключают его фильтры от ОУ DA1, затем подают на них напряжение питания и проверяют постоянное напряжение на их выводах. Если в каком либо фильтре оно превысит ±20 мВ, заменяют соответствующий ОУ.

Так поступают и в случае самовозбуждения фильтра, разумеется, проверив предварительно правильность монтажа. После этого на вход каждого из фильтров поочередно подают синусоидальный сигнал с частотой, равной резонансной частоте фильтра, и, подключив к его выходу миливольтметр переменного тока или осциллограф, резистором R12 настраивают фильтр по максимуму напряжения на его выходе. Для установки требуемой оптимальной добротности фильтров Qр=1,4, которая выбрана из условия минимума шумов, на их входы также подают синусоидальный сигнал с частотой, равной резонансной. Измерив напряжение на выходе фильтра, увеличивают или уменьшают частоту вдвое и резистором R8 устанавливают на выходе фильтра вчетверо меньшее напряжение.

После настройки фильтра переменные резисторы R8 и R12 можно заменить постоянными, подобрав их сопротивление с точностью ±3%. Проведя эту операцию для всех фильтров, соединяют их с ОУ DA1 и резисторами R5.


4. Список литературы


1. Галченков Л., Владимиров Ф. Пятиполосный активный.-Радио, 1982, № 7, с. 39-42.

2. Зыков Н. Многополосные регуляторы тембра.-Радио, 1978, № 5, с. 40-41.

3. Мошице Г., Хорн П. Проектирование активных фильтров.-М.: Мир, 1984.

4. Сухов Н.Е., Бать В.И. Техника высококачественного звуковоспроизведения.-Киев: Техника, 1985.

5. ГОСТ 24388-88. Усилители сигналов звуковой частоты. Общие технические условия.

6. ГОСТ 24838-87. Аппаратура радиоэлектронная бытовая. Входные и выходные параметры.

7. ГОСТ 24863-87. Магнитофоны бытовые. Общие требования.




Поз. обозначение


Наименование


Кол.


Примечание

















































































































Поз. обозначение


Наименование


Кол.


Примечание





























































































































© 2009 РЕФЕРАТЫ
рефераты бесплатно