Реферат: Разработка технологического процесса изготовления печатной платы для широкодиапазонного генератора импульсов
Реферат: Разработка технологического процесса изготовления печатной платы для широкодиапазонного генератора импульсов
Химкинский
техникум космического
энергомашиностроения.
Курсовой
проект на тему:
Разработка
технологического
процесса изготовления
печатной платы
для широкодиапазонного
генератора
импульсов.
Проверил:_____________Белецкая
О. В.
Выполнил:____________
Ерохин В. А.
2000
г.
ХИМКИНСКИЙ
ТЕХНИКУМ
КОСМИЧЕСКОГОЭНЕРГОМАШИНОСТРОЕНИЯ
(наименование
техникума)
ЗАДАНИЕ
ДЛЯ
КУРСОВОГО
ПРОЕКТИРОВАНИЯ
ПО КУРСУ
Производство
ЭВМ____________________
УЧАЩЕГОСЯ_IV
_КУРСА_
Э 42-97_ГРУППЫ
Ерохина
Владимира
Александровича
(ФАМИЛИЯ,
ИМЯ И ОТЧЕСТВО)
Тема
задания и исходные
данные __Выбор
и обоснование
технологического
процесса изготовления
печатной платы
для широкодиапазонного
генератора
импульсов
цифрового
измерительного
комплекса.___
При выполнении
курсового
проекта на
указанную тему
должны быть
представлены:
1.Обьяснительная
записка
Анализ
технического
задания, общие
правила конструирования,
выбор технологического
процесса, выбор
материалов,
расчетная
часть, описание
технологического
процесса, расчет
надежности.
2.Графическая
часть проекта
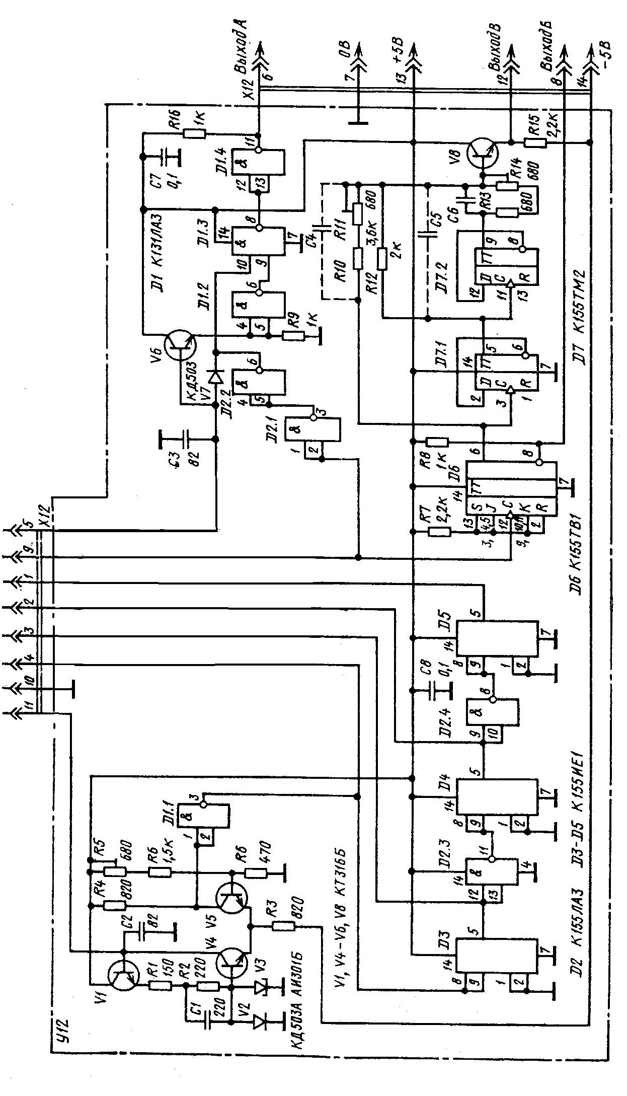
Лист 1.___Электрическая
принципиальная
схема
_______________________
2.___Топология
печатной платы
__________________________________
_______________________________________________________________________________
Дата выдачи
_4. 10. 00._______
Срок окончания
_______________
Преподаватель-руководитель
курсового
проектирования
Белецкая О.
В.
1.Анализ
технического
задания.
В данном
курсовом проекте
необходимо
произвести
выбор и обоснование
технологического
процесса изготовления
печатной платы
для широкодиапазонного
генератора
импульсов
цифрового
измерительного
комплекса.
Данный
измерительный
прибор предназначен
для эксплуатации
в нормальных
климатических
условиях в
лабораторных
помещениях,
должен обладать
повышенным
качеством и
точностью.
Анализ электрической
принципиальной
схемы устройства
определил
размер печатной
платы 110х75 мм.
Изготовление
данного узла
ориентировано
на автоматизированное
крупносерийное
производство.
Требования
к надежности:
наработка на
отказ не менее
100 тыс. часов.
Характеристики
данного узла:
Частота
следования
импульсов
0.1-2∙10^7 Гц.
Длительность
импульсов
0.02-10^5мкс.
Длительность
фронтов
5-8 нс.
Неравномерность
вершины 3%
Амплитуда
выходных импульсов
4 ±0.5 В.
Введение.
В производстве
изделий приборостроения,
средств вычислительной
техники и бытовой
эл. радио аппаратуры
широко применяются
печатные платы
как средство,
обеспечивающие
автоматизацию
монтажно –
сборочных
операций, снижение
габаритных
размеров аппаратуры,
металлоемкости
и повышения
ряда конструктивных
и эксплутационных
качеств изделия.
При изготовлении
печатных плат
в зависимости
от их конструктивных
особенностей
и масштабов
производства
применяются
различные
варианты
технологических
процессов, в
которых используются
многочисленные
химико – технологические
операции и
операции механической
обработки.
Электронные
вычислительные
машины являются
одним из наиболее
важных средств
автоматизации
производства
и повышения
качества продукций,
а также служат
основой наиболее
перспективных
технологий.
Эффективное
использование
современных
вычислительных
и управляющих
машин определяет
уровень научно-технического
прогресса во
всех отраслях
промышленности,
сельском
хозяйстве,
научных исследованиях
и др.
Получение
высоконадежных
ЭВМ, содержащих
большое число
схемных деталей,
решается путем
отказа от
использования
дискретных
элементов и
замены их
интегральными
схемами.
Для
организации
массового
производства
средств вычислительной
техники была
разработана
Единая система
электронных
вычислительных
машин (ЕС ЭВМ).
Она реализована
на микроэлектронной
базе, что обеспечивает
высокие эксплуатационные
показатели
и представляет
собой семейство
программно-совместимых
машин. Серийный
выпуск машин
ЕС ЭВМ был начат
в 1972 г.
В
качестве элементной
базы используют
сверхбольшие
интегральные
микросхемы,
для разработки
которых требуются
мощные системы
автоматического
проектирования.
Особенности
производства
ЭВМ на современном
этапе. Основной
особенностью
производства
ЭВМ является
использование
большого количества
стандартных
и нормализованных
элементов,
интегральных
схем, радиодеталей
и др. Выпуск
этих элементов
в больших количествах
и высокого
качества — одно
из основных
требований
вычислительного
машиностроения.
Важным вопросом,
решаемым в
настоящее
время, является
массовое производство
стандартных
блоков с использованием
новых элементов.
Унификация
отдельных
элементов
создает условия
для автоматизации
их производства.
Другой особенностью
является высокая
трудоемкость
сборочных и
монтажных
работ, что
объясняется
наличием
большого числа
соединений
и сложностью
их выполнения
вследствие
малых размеров
контактных
соединений
и высокой плотности
монтажа.
Повышение
качества и
экономичности
производства
во многом зависит
от уровня
автоматизации
технологического
процесса. Предпосылки
для широкой
автоматизации
производства
элементов
и блоков ЭВМ
обеспечиваются
высоким уровнем
технологичности
конструкции,
широким внедрением
типовых и групповых
технологических
процессов, а
также средств
автоматизации.
Автоматизация
развивается
в направлении
от автоматизации
отдельных
операций (пайка,
сварка и др.) к
широкому
использованию
автоматизированных
линий.
Особенностью
производства
ЭВМ является
также большая
трудоемкость
контрольных
операций. На
отдельных
предприятиях
количество
контролеров
достигает до
30 ...40% от общего
числа рабочих.
Используют
следующие
методы контроля:
ручной,
неразрушающий,
активный.
Производительность
ручного контроля
крайне низка
и не отвечает
современным
требованиям.
Поэтому возникла
необходимость
в создании
высокопроизводительных
методов контроля
с использованием
ЭВМ и автоматических
измерительных
устройств.
Важное
значение приобрели
методы неразрушающего
контроля,
которому можно
подвергать
100% изделий на
всех стадиях
производства.
Весьма
эффективны
активные методы,
контроля,
при которых
проверяются
режимы технологического
процесса, и
исключается
возможность
появления
брака. Такой
контроль
осуществляется
по ходу технологического
процесса и
облегчает
внедрение
автоматизированных
систем управления
технологическими
процессами
(АСУТП) с применением
ЭВМ.
Полное решение
проблемы качества
возможно лишь
на основе системного
подхода к
планированию,
организации,
управлению
проектно-конструкторскими
работами,
производству,
испытаниям
и эксплуатации.
Решение
сложных технических
задач на всех
этапах конструирования
и производства
ЭВМ существенно
повышает требования
к подготовке
инженеров. Они
должны обладать
комплексом
знаний, обеспечивающих
качественное
изготовление
всех компонентов
современной
ЭВМ и ее периферийных
устройств.
2.
Общие правила
конструирования
печатных плат.
Толщину
двухсторонней
печатной платы
определяют
толщиной выбранного
материала, но
в основном она
лежит в пределах
от 1.0 до 1.5 мм.
Для печатных
проводников
для двухсторонней
печатной платы
допускается
плотность тока
до 20 А/ммІ. Напряжение
между проводниками
зависит от
величены минимального
зазора меду
ними. Для печатных
плат, защищенных
лаком, значение
рабочего напряжения
можно выбрать
из таблицы.
При этих
условиях заметного
нагрева проводников
не происходит.
По плотности
рисунка печатные
платы делятся
на четыре класса:
Первый
и второй характеризуются
наименьшей
плотностью
и точностью
изготовления;
Третий
характеризуется
повышенной
плотностью
и точностью
изготовления;
Четвертый
характеризуется
высокой плотностью
и точностью
изготовления.
Класс точности
определяется
в зависимости
от плотности
проводящего
рисунка и выбирается
из ряда: 0.65; 0.5; 0.25;
0.15мм. , т.к. из расчета
расстояние
между соседними
элементами
составляет
0.6 мм. , то выбран
второй класс
точности.
В печатной
плате при пересечении
проводников
получается
электрический
контакт. Если
он не нужен,
необходимо
изменять линию
проведения
одного из
проводников,
либо один из
проводников
выполнять на
другой стороне
платы. Длина
проводников
должна быть
минимальной.
Рисунок проводников
должен наилучшим
способом использовать
отведенную
для него площадь.
Для обеспечения
гарантий от
повреждения
проводников
при обработке
минимальная
ширина проводников
должна быть
0,25 мм. При ширине
проводника
более 3 мм могут
возникнуть
трудности,
связанные с
пайкой. Чтобы
при пайке не
появилось
мостиков из
припоя, минимальный
зазор между
проводниками
должен быть
0,5 мм.
По первому
классу выполняются
платы всех
размеров, по
второму - платы
размером не
более 240х400 мм, по
третьему - платы
размером не
более 170х170 мм.
При выборе
размеров печатной
платы необходимо
руководствоваться
следующими
правилами:
1.Печатная
плата должна
быть квадратной
или прямоугольной,
а линейные
размеры сторон
кратными.
2.5 при длине
100мм.
5.0 при длине
до 350 мм.
при длине
свыше 350 мм.
2. Толщина
печатной платы
должна соответствовать
одному из чисел
0.8, 1, 1.5, 2 мм.
3. Ширина
проводников
1 – 2 мм. , а зазор
0.4 – 1 мм.
На основе
эл. принципиальной
схемы выбран
размер 110х75 мм.
Монтажные
и переходные
металлизированные
отверстия
следует выполнять
без зенковки,
но для обеспечения
надежного
соединения
металлизированного
отверстия с
печатным проводником
вокруг него
на наружных
сторонах печатной
платы со стороны
фольги делают
контактную
площадку. Контактные
площадки выполняют
круглой или
прямоугольной
формы, а контактные
площадки,
обозначающие
первый вывод
активного
навесного
электрорадиоэлемента
выполняют по
форме отличной
от остальных.
Печатные
проводники
должны выполняться
прямоугольной
формы параллельно
сторонам платы
и координатной
сетки или под
углом 450
к ним. Ширина
проводника
должна быть
одинаковой
по всей длине.
Расстояние
между неизолированными
корпусами
электрорадиоэлементов,
между корпусами
и выводами,
между выводами
соседних
электрорадиоэлементов
или между выводом
и любой токопроводящей
деталью следует
выбирать с
учетом допустимой
разностью
потенциалов
между ними и
предусматриваемого
теплоотвода,
но не менее 1
мм (для изолированных
деталей не
менее 0,5 мм). Расстояние
между корпусом
электрорадиоэлементом
и краем печатной
платы не менее
1 мм, между выводом
и краем печатной
платы не менее
2 мм, между проводником
и краем печатной
платы не менее
1 мм.
На
основе рассмотренных
конструктивных
требований
и ограничений
была разработана
топология
печатной платы.
3.
Выбор технологического
процесса.
Проанализировав
эл. принципиальную
схему, а также
топологию было
установлено,
что данный узел
можно выполнить
на двухсторонней
печатной плате
не требующей
высокой плотности
монтажа.
В настоящее
время для
изготовления
односторонних
и двусторонних
печатных плат
наибольшее
распространение
получили три
метода: химический,
электрохимический
(полуаддитивный
), комбинированно
позитивный.
Химический
метод широко
применяется
в производстве
не только
односторонних
печатных плат,
но и для изготовления
внутренних
слоев многослойных
печатных плат,
а также гибких.
Основным
преимуществом
химического
метода является
простота и
малая длительность
технологического
цикла, что облегчает
автоматизацию,
а недостатком
отсутствие
металлизированных
отверстий и
низкое качество.
Электрохимический
(полуаддитивный
) метод дороже,
требует большого
количества
специализированного
оборудования,
менее надежен.
Необходим
главным образом
для изготовления
двусторонних
печатных плат.
Комбинированно
позитивный
метод основан
на химическом
и электрохимическом
методах. Позволяет
получить проводники
повышенной
точности.
Преимуществом
позитивного
комбинированного
метода по сравнению
с негативным
является хорошая
адгезия проводника,
повышенная
надежность
монтажных и
переходных
отверстий,
высокие электроизоляционные
свойства. Последнее
объясняется
тем, что при
длительной
обработке в
химически
агрессивных
растворах
(растворы химического
меднения, электролиты
и др.) диэлектрическое
основание
защищено фольгой.
Проанализировав
все методы,
выбран метод
комбинированно
позитивный
т.к. по сравнению
с химическим
он обладает
лучшим качеством
изготовления,
достаточно
хорошими
характеристиками,
что необходимо
в измерительной
аппаратуре
и есть возможность
реализации
металлизированных
отверстий,
4.
Выбор материалов
печатной платы.
Для изготовления
печатной платы
необходимо
выбрать следующие
материалы:
материал для
диэлектрического
основания
печатной платы,
материал для
печатных проводников
и материал для
защитного
покрытия от
воздействия
влаги. Сначала
определяется
материал для
диэлектрического
основания.
Существует
большое разнообразие
фольгированных
медью слоистых
пластиков. Их
можно разделить
на две группы:
-на бумажной
основе;
-на основе
стеклоткани.
Эти материалы
в виде жестких
листов формируются
из нескольких
слоев бумаги
или стеклоткани,
скрепленных
между собой
связующим
веществом путем
горячего прессования.
Связующим
веществом
обычно являются
фенольная смола
для бумаги или
эпоксидная
для стеклоткани.
В отдельных
случаях могут
также применяться
полиэфирные,
силиконовые
смолы или фторопласт.
Слоистые пластики
покрываются
с одной или
обеих сторон
медной фольгой
стандартной
толщины.
Характеристики
готовой печатной
платы зависят
от конкретного
сочетания
исходных материалов,
а также от
технологии,
включающей
и механическую
обработку плат.
В зависимости
от основы и
пропиточного
материала
различают
несколько типов
материалов
для диэлектрической
основы печатной
платы.
Фенольный
гетинакс - это
бумажная основа,
пропитанная
фенольной
смолой. Гетинаксовые
платы предназначены
для использования
в бытовой аппаратуре,
поскольку очень
дешевы.
Эпоксидный
гетинакс - это
материал на
такой же бумажной
основе, но
пропитанный
эпоксидной
смолой.
Эпоксидный
стеклотекстолит
- это материал
на основе
стеклоткани,
пропитанный
эпоксидной
смолой. В этом
материале
сочетаются
высокая механическая
прочность и
хорошие электрические
свойства.
Как правило,
слоистые пластики
на фенольном,
а также эпоксидном
гетинаксе не
используются
в платах с
металлизированными
отверстиями.
В таких платах
на стенки отверстий
наносится
тонкий слой
меди. Так как
температурный
коэффициент
расширения
меди в 6-12 раз
меньше, чем у
фенольного
гетинакса,
имеется определенный
риск образования
трещин в металлизированном
слое на стенках
отверстий при
термоударе,
которому подвергается
печатная плата
в машине для
групповой
пайки.
Трещина в
металлизированном
слое на стенках
отверстий резко
снижает надежность
соединения.
В случае применения
эпоксидного
стеклотекстолита
отношение
температурных
коэффициентов
расширения
примерно равно
трем, и риск
образования
трещин в отверстиях
достаточно
мал.
Из сопоставления
характеристик
оснований
следует, что
(за исключением
стоимости )
снования из
эпоксидного
стеклотекстолита
превосходят
основания из
гетинакса.
Печатные
платы из эпоксидног
стеклотекстолита
характеризуются
меньшей деформацией,
чем печатные
платы из фенольного
и эпоксидного
гетинакса.
Последние имеют
степень деформации
в десять раз
больше, чем
стеклотекстолит.
Некоторые
характеристики
различных типов
слоистых пластиков
представлены
в таблице.
Тип
|
Максимальная
рабочая температура,
0C
|
Время
пайки при 2600
С, сек
|
Сопротивление
изоляции, МОм
|
Объемное
сопротивление,
МОм |
Диэлектрическая
постоянная,
|
| Фенольный
гетинакс |
|
|
|
|
|
| Эпоксидный
гетинакс |
|
|
|
|
|
|
Эпоксидный
стеклотекстолит
|
|
|
|
|
|
Сравнив эти
характеристики,
делается вывод
, что для изготовления
печатной платы
с хорошими
характеристиками
следует применять
эпоксидный
стеклотекстолит.
В качестве
фольги, используемой
для фольгирования
диэлектрического
основания можно
использовать
медную, алюминиевую
или никелевую
фольгу. Однако,
алюминиевая
фольга уступает
медной из-за
плохой паяемости,
а никелевая
- из-за высокой
стоимости.
Поэтому в качестве
фольги выбирается
медь.
Медная
фольга выпускается
различной
толщины. Стандартные
толщины фольги
наиболее широкого
применения
- 17,5; 35; 50; 70; 105 мкм. Во время
травления меди
по толщине
травитель
воздействует
также на медную
фольгу со стороны
боковых кромок
под фоторезистом,
вызывая так
называемое
подтравливание.
Чтобы его уменьшить
обычно применяют
более тонкую
медную фольгу
толщиной 35 и
17,5 мкм. Поэтому
была выбрана
медная фольга
толщиной 35 мкм.
Исходя
из всех вышеперечисленных
сравнений для
изготовления
печатной платы
позитивным
комбинированным
способом выбиран
фольгированный
стеклотекстолит
СФ-2-35.
Самый
распространенный
и дешевый способ
защиты гетинаксовых
и стеклотекстолитовых
печатных плат
- покрытие их
бакелитовыми,
эпоксидными
и другими лаками
или эпоксидной
смолой. Наиболее
стойко к действию
влаги покрытие
из эпоксидной
смолы, обеспечивающее
самое высокое
поверхостное
сопротивление.
Несколько хуже
защитные свойства
перхлорвиниловых,
фенольных и
эпоксидных
лаков. Плохо
защищает покрытие
из полистирола,
но в отличие
от остальных,
при помещении
изделия в нормальные
условия оно
быстро восстанавливает
свои свойства.
Далее
приведены
наиболее
распространенные
материалы,
применяемые
для защитных
покрытий.
Лак СБ-1с,
на основе
фенолформальдегидной
смолы, нанесенный
на поверхность
сохнет при
температуре
600 С в
течение 4 ч, наносят
его до пяти
слоев с сушкой
после каждого
слоя, получается
плотная эластичная
пленка толщиной
до 140 мкм.
Лак УР-231
отличается
повышенной
эластичностью,
влагостойкостью
и температуростойкостью,
поэтому может
применяться
для гибких
оснований. Лак
приготовляют
перед нанесением
в соответствии
с инструкцией
и наносят на
поверхность
пульверизацией,
погружением
или кисточкой.
Наносят четыре
слоя с сушкой
после каждого
слоя при температуре
18-230 С в
течение 1,5 ч.
Для аппаратуры,
работающей
в тропических
условиях, в
качестве защитного
покрытия применяют
лак на основе
эпоксидной
смолы Э-4100. Перед
покрытием в
лак добавляют
3,5% отвердителя
№ 1, смешивают
и разводят
смесью, состоящей
из ацетона,
этилцеллозольва
и ксилола до
вязкости 18-20 сек
по вискозиметру
ВЗ-4. После смешивания
жидкость фильтруют
через марлю,
сложенную в
несколько
слоев. В полученную
смесь погружают
чистую высушенную
аппаратуру.
После каждого
погружения
стряхивают
излишки смеси
и ставят сушить
на 10 мин, таким
образом наносят
шесть слоев.
Это покрытие
обладает малой
усадкой и плотной
структурой.
Исходя из
вышеперечисленных
сравнений
выбран для
защитного
покрытия от
действия влаги
лак УР-231.
6.
Описание
технологического
процесса изготовления
печатной платы
комбинированным
позитивным
способом.
Технологический
процесс изготовления
печатной платы
комбинированным
позитивным
методом состоит
из следующих
операций:
Резка заготовок
Пробивка
базовых отверстий
Подготовка
поверхности
заготовок
Нанесение
сухого пленочного
фоторезиста
Нанесение
защитного лака
Сверловка
отверстий
Химическое
меднение
Снятие защитного
лака
Гальваническая
затяжка
Электролитическое
меднение и
нанесение
защитного
покрытия ПОС-61
Снятие фоторезиста
Травление
печатной платы
Осветление
печатной платы
Оплавление
печатной платы
Механическая
обработка
Далее рассмотрена
каждая операция
более подробно.
6.1.
Резка заготовок.
Фольгированные
диэлектрики
выпускаются
размерами
1000-1200 мм, поэтому
первой операцией
практически
любого технологического
процесса является
резка заготовок.
Для резки
фольгированных
диэлектриков
используют
роликовые
одноножевые,
многоножевые
и гильотинные
прецизионные
ножницы. На
одноножевых
роликовых
ножницах можно
получить заготовки
размером от
50 х 50 до 500 х 900 мм при
толщине материала
0,025-3 мм. Скорость
резания плавно
регулируется
в пределах
2-13,5 м/мин. Точность
резания ±1,0
мм. Для удаления
пыли, образующейся
при резании
заготовки,
ножницы оборудованы
пылесосом. В
данном технологическом
процессе будем
применять
одноножевые
роликовые
ножницы при
скорости резания
5 м/мин.
Из листов
фольгированного
диэлектрика
одноножевыми
роликовыми
ножницами
нарезается
заготовки
требуемых
размеров с
припуском на
технологическое
поле по 10 мм с
каждой стороны.
Далее с торцов
заготовки
необходимо
снять напильником
заусенцы во
избежание
повреждения
рук во время
технологического
процесса. Качество
снятия заусенцев
определяется
визуально.
Резка заготовок
не должна вызывать
расслаивания
диэлектрического
основания,
образования
трещин, сколов,
а также царапин
на поверхности
заготовок.
6.2. Пробивка
базовых отверстий.
Базовые
отверстия
необходимы
для фиксации
платы во время
технологического
процесса. Сверловка
отверстий
является
разновидностью
механической
обработки. Это
одна из самых
трудоемких
и важных операций.
При выборе
сверлильного
оборудования
необходимо
учитывать
следующие
основные особенности:
изготовление
нескольких
тысяч отверстий
в смену, необходимость
обеспечения
перпендикулярных
отверстий
поверхности
платы, обработка
плат без заусенцев.
При сверлении
важнейшими
характеристиками
операции являются:
конструкция
сверлильного
станка, геометрия
сверла, скорость
резания и скорость
осевой подачи.
Для правильной
фиксации сверла
используются
специальные
высокоточные
кондукторы.
Кроме того,
необходимо
обеспечить
моментальное
удаление стружки
из зоны сверления.
Как известно
стеклотекстолит
является
высокоабразивным
материалом,
поэтому необходимо
применять
твердосплавные
сверла. Применение
сверл из твердого
сплава позволяет
значительно
повысить
производительность
труда при сверлении
и улучшить
чистоту обработки
отверстий. В
большинстве
случаев заготовки
сверлят в пакете,
высота пакета
до 6 мм.
В данном
технологическом
процессе заготовки
сверлят в пакете
на сверлильном
станке С-106. Скорость
вращения сверла
при этом должна
быть в пределах
15 000-20 000 об/мин, а осевая
скорость подачи
сверла - 5-10 мм/мин
Заготовки
собираются
в кондукторе,
закрепляются
и на сверлильном
станке просверливаются
базовые отверстия.
6.3.
Подготовка
поверхности
заготовок.
От состояния
поверхности
фольги и диэлектрика
во многом
определяется
адгезия наносимых
впоследствии
покрытий. Качество
подготовки
поверхности
имеет важное
значение как
при нанесении
фоторезиста,
так и при осаждении
металла.
Широко
используют
химические
и механические
способы подготовки
поверхности
или их сочетание.
Консервирующие
покрытия легко
снимаются
органическим
растворителем,
с последующей
промывкой в
воде и сушкой.
Окисные пленки,
пылевые и
органические
загрязнения
удаляются
последовательной
промывкой в
органических
растворителях
(ксилоле, бензоле,
хладоне) и водных
растворах
фосфатов, соды,
едкого натра.
Удаление
оксидного слоя
толщиной не
менее 0,5 мкм
производят
механической
очисткой
крацевальными
щетками или
абразивными
валками. Недостаток
этого способа
- быстрое зажиривание
очищающих
валков, а затем,
и очищающей
поверхности.
Часто для удаления
оксидной пленки
применяют
гидроабразивную
обработку.
Высокое качество
зачистки получают
при обработке
распыленной
абразивной
пульпой. Гидроабразивная
обработка
удаляет с фольги
заусенцы,
образующиеся
после сверления,
и очищает внутренние
медные торцы
контактных
площадок в
отверстиях
многосторонних
печатных плат
от эпоксидной
смолы.
Высокое
качество очистки
получают при
сочетании
гидроабразивной
обработки с
использованием
водной суспензии
и крацевания.
На этом принципе
работают установки
для зачистки
боковых поверхностей
заготовок и
отверстий
печатных плат
нейлоновыми
щетками и пемзовой
суспензией.
Обработка
поверхности
производится
вращающимися
латунными
щетками в струе
технологического
раствора. Установка
может обрабатывать
заготовки
максимальным
размером 500х500
мм при их толщине
0,1-3,0 мм, частота
вращения щеток
1200 об/мин, усилие
поджатия плат
к щеткам 147 Н.
Химическое
удаление оксидной
пленки (декапирование)
наиболее эффективно
осуществляется
в 10 %-ном растворе
соляной кислоты.
К качеству
очистки фольгированной
поверхности
предъявляют
высокие требования,
так как от этого
во многом зависят
адгезия фоторезиста
и качество
рисунка схемы.
В данном
технологическом
процессе подготовка
поверхности
заготовок
производится
декапированием
заготовок в
5% соляной кислоты
и обезжириванием
венской известью.
Для этого необходимо
поместить
заготовки на
15 сек в 5%-ный раствор
соляной кислоты
при температуре
180-250
С, затем промыть
заготовки в
течение 2-3 мин
в холодной
проточной воде
при температуре
180-250
С, далее зачистить
заготовки
венской известью
в течение 2-3 мин,
снова промыть
заготовки в
холодной проточной
воде при температуре
180-250
С в течение 2-3
мин, затем
декапировать
заготовки в
5%-ном растворе
соляной кислоты
в течение 1-3 сек
при температуре
180-250
С, опять промыть
заготовки в
холодной проточной
воде в течение
1-2 мин при температуре
20±20
C, промыть заготовки
в дистиллированной
воде при температуре
20±20
C в течение 1-2 мин,
и затем сушить
заготовки
сжатым воздухом
при температуре
180-250
С до полного
их высыхания.
После всех этих
операций необходимо
проконтролировать
качество зачистки
поверхности
фольги. Контроль
рабочий.
6.4. Нанесение
сухого пленочного
фоторезиста.
От фоторезиста
очень часто
требуется
высокое разрешение,
а это достигается
только на однородных,
без проколов
пленках фоторезистов,
имеющих хорошее
сцепление с
фольгой. Вот
почему предъявляются
такие высокие
требования
к предыдущим
операциям.
Необходимо
свести до минимума
содержание
влаги на плате
или фоторезисте,
так как она
может стать
причиной проколов
или плохой
адгезии. Все
операции с
фоторезистом
нужно проводить
в помещении
при относительной
влажности не
более 50 %. Для
удаления влаги
с поверхности
платы применяют
сушку в термошкафах.
В зависимости
от применяемого
фоторезиста
существуют
несколько
методов нанесения
фоторезиста
на поверхность
фольгированного
диэлектрика.
Жидкий фоторезист
наносится
методом окунания,
полива, разбрызгиванием,
электростатическим
распылением
с последующей
сушкой при
температуре
400 С в
центрифуге
до полного
высыхания.
Такая сушка
обеспечивает
равномерность
толщины слоя.
Сухие пленочные
фоторезисты
наносятся
ламинированием.
При применении
жидкого фоторезиста
необходимо
обеспечивать
высокую равномерность
наносимого
слоя по заготовке
и исключать
потерю фоторезиста.
Известны установки
нанесения
жидкого фоторезиста
валковым способом
с последующей
сушкой теплонагревателями.
Этот способ
обеспечивает
равномерную
толщину фоторезиста
на заготовках
с предварительно
просверленными
отверстиями.
Более
производительной
является заготовка
нанесения
жидкого фоторезиста
способом медленного
вытягивания
заготовки с
заданной скоростью
из объема
фоторезиста.
При этом обеспечивается
толщина наносимого
слоя фоторезиста
в 3-4 мкм. Такая
установка может
обрабатывать
заготовки
размерами от
70х80 мм до 500х500 мм,
при объеме
ванны 0,35 м3,
скорости вытягивания
заготовки
0,143-0,430 м/мин, температуре
сушки 35-1200
С, времени сушки
20 мин и производительности
75 шт/ч.
Для повышения
защитных свойств
жидкого фоторезиста
после экспонирования
и проявления
проводят его
термическое
дубление. Для
этой цели используют
шкафы с электрокалорифером.
При температуре
нагрева камеры
до 150 0
С цикл дубления
длится 4-4,5 ч. Более
эффективным
является применение
установок
дубления фоторезиста
в расплаве
солей.
Для экспонирования
рисунка схемы
рекомендуются
установки с
равномерным
световым потоком
по всей площади
светокопирования,
невысокой
рабочей температурой
ламп для предотвращения
перегрева
фотошаблона.
Возрастающие
требования
к точности и
качеству схем,
необходимость
автоматизации
процессов и
рост объемов
выпуска плат
привели к замене
жидких фоторезистов
сухим пленочным
фоторезистом
(СПФ). Широкое
внедрение
сухопленочных
фоторезистов
привело к тому,
что все ведущие
предприятия-изготовители
печатных плат
в настоящее
время располагают
всем необходимым
технологическим
и контрольным
оборудованием
для их применения.
СПФ состоит
из слоя полимерного
фоторезиста,
помещенного
между двумя
защитными
пленками. Для
обеспечения
возможности
нанесения
сухопленочных
фоторезистов
на автоматическом
оборудовании
пленки поставляются
в рулонах. На
поверхность
заготовки СПФ
наносится в
установках
ламинирования.
Адгезия СПФ
к металлической
поверхности
заготовок
обеспечивается
разогревом
пленки фоторезиста
на плите до
размягчения
с последующим
прижатием при
протягивании
заготовки между
валками. Установка
снабжена термопарой
и прибором
контроля температуры
нагрева пленки
фоторезиста.
На установке
можно наносить
СПФ на заготовки
шириной до 600
мм со скоростью
их прохождения
между валками
1,0-3,0 м/мин. Фоторезист
нагревается
до температуры
110-1200 С.
В процессе
нанесения одну
защитную пленку
с фоторезиста
удаляют, в то
время как другая
остается и
защищает фоторезист
с наружной
стороны.
В данном
технологическом
процессе применяется
сухой пленочный
фоторезист
СПФ-2, наносимый
на ламинаторе
КП 63.46.4.
В данном
случае рисунок
схемы получают
методом фотопечати.
Для этого перед
нанесением
фоторезиста
заготовку
необходимо
выдержать в
сушильном шкафу
при температуре
75±50
С в течение 1
часа, затем
последовательно
на необходимую
сторону заготовки
нанести фоторезист,
обрезать ножницами
излишки по
краям платы,
освободить
базовые отверстия
от фоторезиста,
выдержать
заготовки при
неактиничном
освещении в
течение 30 мин
при температуре
собрать пакет
из фотошаблона
и платы, экспонировать
заготовки в
установке
экспонирования
КП 6341, снова выдержать
заготовки при
неактиничном
освещении в
течение 30 мин
при температуре
18±20
С, проявить
заготовку в
установке
проявления
АРС-2.950.000, затем
промыть платы
в мыльном растворе,
промыть заготовки
в холодной
проточной воде
в течение 1-2 мин
при температуре
20±20 С,
декапировать
заготовки в
20%-ном растворе
серной кислоты
в течение 1 мин
при температуре
20±20 С,
снова промыть
заготовки в
холодной проточной
воде в течение
1-2 мин при температуре
20±20 С,
сушить заготовки
сжатым воздухом.
После этого
следует проконтролировать
проявленный
рисунок. После
экспонирования
заготовки,
перед проявлением,
необходимо
удалить пленку,
защищающую
фоторезист.
6.5. Нанесение
защитного лака.
Лак наносится
для того, чтобы
защитить поверхность
платы от процесса
химического
меднения. Лак
обычно наносится
окунанием в
ванну с лаком,
поливом платы
с наклоном в
10-150 или
распылением
из пульверизатора.
Затем плата
сушится в сушильном
шкафу при температуре
60-1500 С в
течение 2-3 ч.
Температура
сушки задается
предельно
допустимой
температурой
для навесных
электрорадиоэлементов,
установленных
на печатную
плату.
Лак для
защитного
покрытия должен
обладать следующими
свойстами:
высокой влагостойкостью,
хорошими
диэлектрическими
параметрами
(малыми диэлектрической
проницаемостью
и тангенсом
угла диэлектрических
потерь), температуростойкостью,
химической
инертностью
и механической
прочностью.
При выборе
лака для защитного
покрытия следует
также учитывать
свойства материалов,
использованных
для изготовления
основания
печатной платы
и для приклеивания
проводников,
чтобы при
полимеризации
покрытия не
произошло
изменения
свойств этих
материалов.
Существуют
различные лаки
для защитного
покрытия, такие
как лак СБ-1с
на основе
фенолформальдегидной
смолы, лак Э-4100
на основе эпоксидной
смолы, лак УР-231
и другие.
В данном
технологическом
процессе в
качестве защитного
покрытия применяется
лак СБ-1с. Для
нанесения лака
на поверхность
заготовки
необходимо
окунуть заготовки
в кювету с лаком
на 2-3 сек, температура
лака должна
быть в пределах
18-250 С, а
затем следует
сушить заготовки
в термошкафе
КП 4506 в течение
1,5 часов при
температуре
1200 С.
6.6.
Сверление
отверстий.
Наиболее
трудоемкий
и сложный процесс
в механической
обработке
печатных плат
- получение
отверстий под
металлизацию.
Их выполняют
главным образом
сверлением,
так как сделать
отверстия
штамповкой
в применяемых
для производства
плат стеклопластиках
трудно. Для
сверления
стеклопластиков
используют
твердосплавный
инструмент
специальной
конструкции.
Применение
инструмента
из твердого
сплава позволяет
значительно
повысить
производительность
труда при
сверлении и
зенковании
и улучшить
чистоту обработки
отверстий.
Чаще всего
сверла изготавливают
из твердоуглеродистых
сталей марки
У-10, У-18, У-7. В основном
используют
две формы сверла:
сложнопрофильные
и цилиндрические.
Так как стеклотекстолит
является
высокоабразивным
материалом,
то стойкость
сверл невелика.
Так, например,
стойкость
тонких сверл
- около 10 000 сверлений.
При выборе
сверлильного
оборудования
необходимо
учитывать такие
особенности,
как изготовление
нескольких
миллионов
отверстий в
смену, диаметр
отверстий 0,4
мм и меньше,
точность расположения
отверстий 0,05
мм и выше,
необходимость обеспечения
абсолютно
гладких и
перпендикулярных
отверстий
поверхности
платы, обработка
плат без заусенцев
и так далее.
Точность и
качество
сверления зависит
от конструкции
станка и сверла.
В настоящее
время используют
несколько типов
станков для
сверления
печатных плат.
В основном это
многошпиндельные
высокооборотные
станки с
программным управлением,
на которых
помимо сверлений
отверстий в
печатных
платах одновременно
производится
и зенкование
или сверление
отверстий в
пакете без зенкования.
Широко
применяется
также одношпиндельный
полуавтомат,
который может
работать как
с проектором,
так и со щупом.
На станке можно
обрабатывать
заготовки
плат максимальным
размером 520х420
мм при толщине
пакета 12 мм. Частота
вращения шпинделя
15 000-30 000 об/мин (изменяется
ступенчато).
Максимальный
диаметр сверления
2,5 мм.
Более
производительным
является
четырехшпиндельный
станок с
программным управлением,
на котором
можно одновременно
обрабатывать
одну, две или
четыре (в зависимости
от размера)
печатных плат
по заданной
программе.
Станок обеспечивает
частоту вращения
шпинделя 10 000-40
000 об/мин, максимальную подачу
шпинделя 1000 об/мин,
толщину платы
или пакета
0,1-3,0 мм, диаметр сверления
0,5-2,5 мм. Регулировка
частоты вращения
шпинделя
бесступенчатая.
Разработан
специальный
полуавтоматический
станок с программным
управлением, предназначенный
для сверления
и двустороннего
зенкования
отверстий в
МПП. Станок
имеет позиционную
систему программного
управления
с релейным
блоком и контактным
считыванием.
Полуавтомат
имеет два шпинделя
- сверлильный
и зенковальный.
Частота вращения
первого бесступенчато
может изменяться
в пределах
0-33 000 об/мин, второй
шпиндель имеет
постоянную
частоту вращения 11
040 об/мин. На станке
возможно вести
обработку плат
размером 350х220
мм, толщиной
0,2-4,5 мм. Максимальный
диаметр сверления
2,5 мм, зенкования
- 3,0 мм. Скорость
подачи шпинделей:
сверлильного
- 1960 мм/мин, зенковального
- 1400 мм/мин.
Совершенствование
сверлильного
оборудования
для печатных
плат ведется
в следующих
направлениях:
увеличения
числа шпинделей;
повышения
скорости их подачи
и частоты вращения;
упрощения
методов фиксации
плат на столе
и их совмещение;
автоматизации
смены сверла;
уменьшения
шага перемещения; увеличение
скорости привода;
создание систем,
предотвращающих
сверление отверстий
по незапрограммированной
координате
с повторным
сверлением
по прежней
координате;
перехода на
непосредственное
управление
станка от ЭВМ.
Сверление
не исключает
возможности
получения
отверстий и
штамповкой,
если это допускается
условиями
качества или
определяется
формой отверстий.
Так, штамповкой
целесообразно
изготавливать
отверстия в
односторонних
платах не требующих
высокого качества
под выводы
элементов и
в слоях МПП,
изготавливаемых
методом открытых
контактных площадок,
где перфорационные
окна имеют
прямоугольную
форму.
В данном
технологическом
процессе сверление
отверстий
производится
на одношпиндельном
сверлильном
станке КД-10.
Необходимо
обеспечивать
следующие режимы
сверления: 20
000-25 000 об/мин, скорость
осевой подачи
шпинделя
2-10 мм/мин.
Перед
сверлением
отверстий
необходимо
подготовить
заготовки
и оборудование
к работе. Для
этого нужно
промыть заготовки
в растворе
очистителя в
течение 1-2 мин
при температуре
22±20
С, промыть заготовки
в холодной проточной
воде в течение
1-2 мин при температуре
20±20
С, промыть заготовки
в 10% растворе
аммиака в течение
1-2 мин при температуре
20±20
С, снова промыть
заготовки в
холодной проточной
воде в течение
2-3 мин при температуре 18±20
С, подготовить
станок КД-10 к
работе согласно
инструкции
по эксплуатации,
затем обезжирить
сверло в спирто-бензиновой
смеси, собрать
пакет из трех
плат и фотошаблона,
далее сверлить
отверстия
согласно
чертежу. После
сверления
необходимо
удалить стружку
и пыль с платы
и продуть
отверстия сжатым
воздухом. После
этого следует
проверить
количество
отверстий и
их диаметры,
проверить
качество сверления.
При сверлении
не должно
образовываться
сколов, трещин.
Стружку и пыль
следует удалять
сжатым воздухом.
6.7. Химическое
меднение.
Химическое
меднение является
первым этапом
металлизации
отверстий. При
этом возможно
получение
плавного перехода
от диэлектрического
основания к
металлическому
покрытию, имеющих
разные коэффициенты
теплового
расширения.
Процесс химического
меднения основан
на восстановлении
ионов двухвалентной
меди из ее
комплексных
солей. Толщина
слоя химически
осажденной
меди 0,2-0,3 мкм.
Химическое
меднение можно
проводить
только после
специальной
подготовки
- каталитической
активации,
которая может
проводиться
одноступенчатым
и двухступенчатым
способом.
При двухступенчатой
активации
печатную плату
сначала обезжиривают,
затем декапируют
торцы контактных
площадок. Далее
следует первый
шаг активации
- сенсибилизация,
для чего платы
опускают на
2-3 мин в соляно-кислый
раствор дихлорида
олова. Второй
шаг активации
- палладирование,
для чего платы
помещают на
2-3 мин в соляно-кислый
раствор дихлорида
палладия.
Адсорбированные
атомы палладия
являются
высокоактивным
катализатором
для любой химической
реакции.
При одноступенчатой
активации
предварительная
обработка
(обезжиривание
и декапирование)
остается такой
же, а активация
происходит
в коллоидном
растворе, который
содержит
концентрированную
серную кислоту
и катионы палладия
при комнатной
температуре.
В данном
случае процесс
химического
меднения состоит
из следующих
операций: обезжирить
платы в растворе
тринатрий
фосфата и
кальцинированной
соли в течение
5-10 мин при температуре
50-600 С;
промыть платы
горячей проточной
водой в течение
1-2 мин при температуре
50-600 С;
промыть платы
холодной проточной
водой в течение
1-2 мин при температуре
20±20
С; декапировать
торцы контактных
площадок в
10%-ном растворе
соляной кислоты
в течение 3-5 сек
при температуре
18-250 С;
промыть платы
холодной проточной
водой в течение
1-2 мин при температуре
18-250 С;
промыть платы
в дистиллированной
воде в течение
1-2 мин при температуре
18-250 С;
активировать
в растворе
хлористого
палладия, соляной
кислоты, двухлористого
олова и дистиллированной
воды в течение
10 мин при температуре
18-250 С;
промыть платы
в дистиллированной
воде в течение
1-2 мин при температуре
20±20
С; промыть платы
в холодной
проточной воде
в течение 1-2 мин
при температуре
20±20
С; обработать
платы в растворе
ускорителя
в течение 5 мин
при температуре
20±20
С; промыть платы
в холодной
проточной воде
в течение 1-2 мин
при температуре
20±20
С; произвести
операцию
электрополировки
с целью снятия
металлического
палладия с
поверхности
платы в течение
2 мин при температуре
20±20
С; промыть платы
горячей проточной
водой в течение
2-3 мин при температуре
50±20
С; протереть
поверхность
платы бязевым
раствором в
течение 2-3 мин;
промыть платы
холодной проточной
водой в течение
1-2 мин при температуре
20±20
С; произвести
визуальный
контроль
электрополировки
(плата должна
иметь блестящий
или матовый
вид, при появлении
на плате темных
пятен, которые
не удаляются
во время промывки,
необходимо
увеличить время
электрополировки
до 6 мин); произвести
операцию химического
меднения в
течение 10 мин
при температуре
20±20
С; промыть платы
в холодной
проточной воде
в течение 1-2 мин
при температуре
20±20
С; визуально
контролировать
покрытие в
отверстиях.
6.8.
Снятие защитного
лака.
Перед
гальваническим
меднением
необходимо
снять слой
защитного лака
с поверхности
платы. В зависимости
от применяемого
лака существуют
различные
растворители.
Некоторые лаки
возможно снять
ацетоном.
В данном
технологическом
процессе защитный
лак снимается
в растворителе
386. Для этого платы
необходимо
замочить на
2 часа в растворителе
386, а затем снять
слой лака беличьей
кистью, после
этого промыть
платы в холодной
проточной воде
в течение 2-3 мин
при температуре
20±20
С, контролировать
качество снятия
защитного лака
(на поверхности
лака не должны
оставаться
места, покрытые
пленками лака).
6.9.
Гальваническая
затяжка.
Слой химически
осажденной
меди обычно
имеет небольшую
толщину (0,2-0,3 мкм),
рыхлую структуру,
легко окисляется
на воздухе,
непригоден
для токопрохождения,
поэтому его
защищают
гальваническим
наращиванием
(“затяжкой”)
1-2 мкм гальванической
меди.
Для этого
необходимо
декапировать
платы в 5%-ном
растворе соляной
кислоты в течение
1-3 сек при температуре
18-250 С,
промыть платы
в холодной
проточной воде
в течение 2-3 мин
при температуре
18-250 С,
зачистить платы
венской известью
в течение 2-3 мин
при температуре
18-250 С,
промыть платы
в холодной
проточной воде
в течение 2-3 мин
при температуре
18-250 С,
снова декапировать
заготовки в
5%-ном растворе
соляной кислоты
в течение 1-3 сек
при температуре
18-250 С,
промыть платы
в холодной
проточной воде
в течение 1-2 мин
при температуре
20±20
С, промыть платы
в дистиллированной
воде в течение
1-2 мин при температуре
произвести
гальваническую
затяжку в течение
10-15 мин при температуре
20±20
С, промыть платы
холодной проточной
водой в течение
1-2 мин при температуре
18-250 С,
сушить платы
сжатым воздухом
при температуре
18-250 С до
полного их
высыхания,
контролировать
качество
гальванической
затяжки (отверстия
не должны иметь
непокрытий,
осадок должен
быть плотный,
розовый,
мелкокристаллический).
6.10. Электролитическое
меднение и
нанесение
защитного
покрытия ПОС-61.
После
гальванической
затяжки слой
осажденной
меди имеет
толщину 1-2 мкм.
Электролитическое
меднение доводит
толщину в отверстиях
до 25 мкм, на проводниках
- до 40-50 мкм.
Электролитическое
меднение включает
в себя следующие
операции: ретушь
под микроскопом
краской НЦ-25
беличьей кистью
№ 1; декапирование
плат в 5%-ном
растворе соляной
кислоты в течение
1-3 сек при температуре
20±20
С; промывка
плат холодной
проточной водой
в течение 1-2 мин
при температуре
20±20
С; зачистка
плат венской
известью в
течение 2-3 мин
при температуре
18-250 С;
промывка плат
холодной проточной
водой в течение1-2
мин при температуре
18-250 С;
декапирование
плат в 5%-ном
растворе соляной
кислоты в течение
1мин при температуре
18-250 С;
промыть платы
холодной проточной
водой в течение
1-2 мин при температуре
18-250 С;
произвести
гальваническое
меднение в
растворе
борфтористоводородной
кислоты, борной
кислоты,
борфтористоводородной
меди и дистиллированной
воды в течение
80-90 мин при температуре
20±20
С; промыть платы
холодной проточной
водой в течение
1-2 мин при температуре
20±20
С; произвести
визуальный
контроль покрытия
(покрытие должно
быть сплошным
без подгара,
не допускаются
механические
повреждения,
отслоения и
вздутия).
Чтобы при
травлении
проводники
и контактные
площадки не
стравливались
их необходимо
покрыть защитным
металлическим
покрытием.
Существует
различные
металлические
покрытия (в
основном сплавы),
применяемые
для защитного
покрытия. В
данном технологическом
процессе применяется
сплав олово-свинец.
Сплав олово-свинец
стоек к воздействию
травильных
растворов на
основе персульфата
аммония, хромового
ангидрида и
других, но
разрушается
в растворе
хлорного железа,
поэтому в качестве
травителя
раствор хлорного
железа применять
нельзя.
Для нанесения
защитного
покрытия необходимо
промыть платы
дистиллированной
водой в течение
1-2 мин при температуре
18-250 С,
затем произвести
гальваническое
покрытие сплавом
олово-свинец
в растворе
борфтористоводородной
кислоты, борной
кислоты, мездрового
клея, нафтохинондисульфоновой
кислоты, 25%-ного
аммиака, металлического
свинца, металлического
олова, гидрохинона
и дистиллированной
воды в течение
12-15 мин при температуре
20±20
С, промыть платы
в горячей проточной
воде в течение
1-2 мин при температуре
50±50
С, промыть платы
в холодной
водопроводной
воде в течение
1-2 мин при температуре
20±20
С, сушить платы
сжатым воздухом
в течение 2-3 мин
при температуре
20±20
С, удалить ретушь
ацетоном с поля
платы, контролировать
качество покрытия
(покрытие должно
быть сплошным
без подгара,
не допускаются
механические
повреждения,
отслоения и
вздутия).
6.11
. Снятие фоторезиста.
Перед
операцией
травления
фоторезист
с поверхности
платы необходимо
снять. При большом
объеме выпуска
плат это следует
делать в установках
снятия фоторезиста
(например,
АРС-2.950.000). При небольшом
количестве
плат фоторезист
целесообразней
снимать в
металлической
кювете щетинной
кистью в растворе
хлористого
метилена.
В данном
технологическом
процессе фоторезист
снимаетсять
в установке
снятия фоторезиста
АРС-2.950.000 в течение
5-10 мин при температуре
18-250 С,
после этого
необходимо
промыть платы
в холодной
проточной воде
в течение 2-5 мин
при температуре
18-250 С.
6.12.
Травление
печатной платы.
Травление
предназначено
для удаления
незащищенных
участков фольги
с поверхности
платы с целью
формирования
рисунка схемы.
Существует
несколько видов
травления:
травление
погружением,
травление с
барботажем
, травление
разбрызгиванием,
травление
распылением.
Травление с
барботажем
заключается
в создании в
объеме травильного
раствора большого
количества
пузырьков
воздуха, которые
приводят к
перемешиванию
травильного
раствора во
всем объеме,
что способствует
увеличению
скорости травления.
Существует
также несколько
видов растворов
для травления:
раствор хлорного
железа, раствор
персульфата
аммония, раствор
хромового
ангидрида и
другие. Чаще
всего применяют
раствор хлорного
железа.
Скорость
травления
больше всего
зависит от
концентрации
раствора. При
сильно- и
слабоконцентрированном
растворе травление
происходит
медленно. Наилучшие
результаты
травления
получаются
при плотности
раствора 1,3 г/см3.
Процесс травления
зависит также
и от температуры
травления. При
температуре
выше 250
С процесс ускоряется,
но портится
защитная пленка.
При комнатной
температуре
медная фольга
растворяется
за 30 сек до 1 мкм.
В данном
технологическом
процессе в
качестве защитного
покрытия использован
сплав олово-свинец,
который разрушается
в растворе
хлорного железа.
Поэтому в качестве
травильного
раствора применяется
раствор на
основе персульфата
аммония.
В данном
случае применяется
травление с
барботажем.
Для этого необходимо
высушить плату
на воздухе в
течение 5-10 мин
при температуре
18-250 С,
при необходимости
произвести
ретушь рисунка
белой краской
НЦ-25, травить
платы в растворе
персульфата
аммония в течение
5-10 мин при температуре
не более 500
С, промыть платы
в 5%-ном растворе
водного аммиака,
промыть платы
в горячей проточной
воде в течение
3-5 мин при температуре
50-600 С,
промыть платы
в холодной
проточной воде
в течение 2-5 мин
при температуре
18-250 С,
сушить платы
на воздухе в
течение 5-10 мин
при температуре
18-250 С,
контролировать
качество травления
(фольга должна
быть вытравлена
в местах, где
нет рисунка.
Оставшуюся
около проводников
медь подрезать
скальпелем.
На проводниках
не должно быть
протравов).
6.13.
Осветление
печатной платы.
Осветление
покрытия олово-свинец
проводится
в растворе
двухлористого
олова, соляной
кислоты и
тиомочевины.
Для этого необходимо
погрузить плату
на 2-3 мин в раствор
осветления
при температуре
60-700 С,
промыть платы
горячей проточной
водой в течение
2-3 мин при температуре
55±50
С, промыть платы
холодной проточной
водой в течение
1-2 мин при температуре
18±50
С, промыть платы
дистиллированной
водой в течение
1-2 мин при температуре
18±50
С.
6.14.
Оплавление
печатной платы.
Оплавление
печатной платы
производится
с целью покрытия
проводников
и металлизированных
отверстий
оловянно-свинцовым
припоем. Наиболее
часто применяют
конвейерную
установку
инфракрасного
оплавления
ПР-3796.
Для оплавления
печатных плат
необходимо
высушить платы
в сушильном
шкафу КП-4506 в
течение 1 часа
при температуре
80±50
С, затем флюсовать
платы флюсом
ВФ-130 в течение
1-2 мин при температуре
20±50
С, выдержать
платы перед
оплавлением
в сушильном
шкафу в вертикальном
положении в
течение 15-20 мин
при температуре
80±50
С, подготовить
установку
оплавления
ПР-3796 согласно
инструкции
по эксплуатации,
загрузить платы
на конвейер
установки,
оплавить плату
в течение 20мин
при температуре
50±100
С, промыть платы
от остатков
флюса горяче
проточной водой
в течение 1-2 мин
при температуре
50±100
С, промыть плату
холодной проточной
водой в течение
1-2 мин при температуре
20±50
С, промыть плату
дистиллированной
водой в течение
1-2 мин при температуре
20±50
С, сушить платы
в течение 45 мин
при температуре
85±50
С в сушильном
шкафу КП-4506,
контролировать
качество оплавления
на поверхности
проводников
и в металлизированных
отверстиях
визуально.
Проводники
должны иметь
блестящую
гладкую поверхность.
Допускается
на поверхности
проводников
наличие следов
кристаллизации
припоя и частично
непокрытые
торцы проводников.
Не допускается
отслаивание
проводников
от диэлектрической
основы и заполнение
припоем отверстий
диаметром
большим 0,8 мм.
Не допускается
наличие белого
налета от плохо
отмытого флюса
на проводниках
и в отверстиях
печатной платы.
6.15.
Механическая
обработка.
Механическая
обработка
необходима
для обрезки
печатных плат
по размерам (отрезка
технологического
поля) и снятия
фаски. Существует
несколько
способов механической
обработки
печатных плат
по контуру.
Бесстружечная
обработка
печатных плат
по контуру
отличается
низкими затратами при
использовании
специальных
инструментов.
При этом исключается
нагрев обрабатываемого
материала.
Обработка
осуществляется
дисковыми
ножницами.
Линия реза
должна быть
направлена
так, чтобы не
возникло расслоения
материала. Внешний
контур односторонних
печатных плат
при больших
сериях формируется
на скоростных
прессах со
специальным
режущим
инструментом. Многосторонние
печатные платы
бесстружечным
методом не
обрабатываются,
так как велика
возможность
расслоения.
Механическая
обработка
печатных плат
по контуру со
снятием
стружки осуществляется
на специальных
дисковых пилах,
а также на станках
для снятия фаски.
Эти станки
снабжены
инструментами
или фрезами
из твердых
сплавов или алмазными
инструментами.
Скорость резания
таких станков
500-2 000 мм/мин. эти станки
имеют следующие
особенности:
высокую скорость
резания,
применение твердосплавных
или алмазных
инструментов,
резка идет с
обязательным равномерным
охлаждением
инструмента,
обеспечение
незначительных
допусков, простая
и быстрая замена
инструмента.
Широко
используют
широкоуниверсальный
фрезерный
станок повышенной точности
типа 675П. На станке
выполняют
фрезерные
работы
цилиндрическими, дисковыми,
фасонными,
торцовыми,
концевыми,
шпоночными
и другими фрезами.
В данном
технологическом
процессе обрезка
платы производится
с помощью дисковых
ножниц, а снятие
фасок - на станке
для снятия
фасок типа
ГФ-646. Для этого
необходимо
обрезать платы
на дисковых
ножницах, снять фаски
на станке для
снятия фасок
ГФ-646, промыть платы
в горячей воде
с применением
стирально-моющего
средства "Лотос"
в течение 2-3
мин при температуре
55+/-5 С, затем промыть
платы в дистиллированной
воде в течение
1-2 мин при температуре
20+/-2 С, сушить платы в
сушильном шкафу
КП 4506. После этого
следует визуально
проконтролировать печатные
платы на отслаивание
проводников.
7.
Расчет надежности.
Расчет надежности
дает приблизительную
оценку времени
в течении которого
устройство
будет работать
без сбоев, т.
е. время до первого
отказа или
выхода его
из строя.
Надежность
- это способность
устройства
выполнять все
заданные
функции в
определенных
условиях эксплуатации
при сохранении
значений основных
параметров
в течение заданного
времени.
Интенсивность
отказов элементов.
| Наименование
элементов |
Число
элементов
шт.
|
Интенсивность
отказов
10^-6
|
Общая
интенсивность
отказов
10^-6
|
| Резисторы |
|
|
|
| Транзисторы |
|
|
|
| Диоды |
|
|
|
| Конденсаторы
неэлектрол. |
|
|
|
| Микросхемы |
|
|
|
| Разъемы |
|
|
|
|
Пайки
|
|
|
|
|
|
|
|
| Итого: |
|
|
|
Вероятность
безотказной
работы – это
вероятность
того, что в пределах
заданной наработки,
т.е. заданного
интервала
времени, отказ
объекта не
возникнет.

где: t
– время испытания.
(ч.)
λ
– интенсивность
отказов. (1/ч.)

2.
Средней наработкой
до отказа, т.е.
время в течении
которого не
произойдет
ни одного отказа.
Величина обратная
интенсивности
отказа.
Если учесть,
что один год
составляет
8760 часов, то получаем,
что данный
генератор
импульсов
проработает
до первого
отказа 12 лет.
5.
Расчетная
часть.
Рассчитываются
размеры элементов
печатного
монтажа для
платы размером
110х75 и класса
точности 2.
| элемент |
диаметр
вывода
мм.
|
Расстояние
между выводами |
|
Микросхемы
К155
|
|
|
| резисторы
МЛТ |
|
|
| конденсаторы |
|
|
|
транзисторы
|
|
|
|
диоды
|
|
|
Определение
значения диаметра
монтажного
отверстия:
d=dЭ+r+|ΔdH.O|=
где: dЭ-
максимальное
значение диаметра
вывода навесного
элемента.
r-
разность между
минимальным
значением
диаметра отверстия
и максимального
значения диаметра
вывода устанавливаемого
элемента (велечену
r
рекомендуется
выбирать в
зависимости
от допусков
на диаметры
выводов установленных
элементов).
Выбирается
в пределах
0.1-0.4 мм.
ΔdM.O-
нижнее предельное
отклонение
номинального
значения диаметра
отвестия.
Предпочтительные
размеры монтажных
отверстий
выбирают из
ряда
0.7; 0.9; 1.1; 1.3; 1.6 мм.
Следовательно
выбирается
размер 0.9 мм.
Определение
значения ширины
проводника:
t=tМ.Д+|ΔtН.О|=
где: tМ.Д-
минимально
допустимая
ширина проводника.
ΔtH.O-
нижнее предельное
отклонение
ширины проводника.
Номинальные
значения основных
параметров
рисунка печатной
платы в узком
месте для каждого
класса точности
приведены в
таблице (1) для
свободного
места значения
этих параметров
должны быть
в два раза больше,
следовательно
t=
Определение
значения расстояния
между соседними
элементами
проводящего
рисунка :
S=SМ.Д+ΔtВ.О=
где: SМ.Д-
минимальное
допустимое
расстояние
между соседними
элементами
проводящего
рисунка.
ΔtB.O-
верхнее предельное
отклонение
ширины проводника.
Для свободного
места S=
4. Определение
размера отверстия
подвергающегося
металлизации
для:
dM=dЭ+(0.14….0.3)=
Выбираем
Диаметр
сверления
отверстия под
металлизацию:
dCB=dM+(0.1….0.15)=
Предел
отклонения
диаметров
монтажных и
переходных
отверстий мм.
(1)
|
Размер
отв мм.
|
Наличие
металлизации.
|
Класс точности. |
| 1 |
2 |
3 |
4 |
≥1.0
|
нет |
|
|
|
|
| есть |
|
|
|
|
|
нет |
|
|
|
|
| есть |
|
|
|
|
Предельное
отклонение
ширины проводника
от номинального
значения. (2)
| Наличие
покрытия |
Класс точности. |
| 1 |
2 |
3 |
4 |
Без покрытия
|
|
|
|
|
С покрытием.
|
|
|
|
|
Диаметральное
значение позиционного
допуска расположения
центров отверстий
относительно
номинального
положения мм.
δd.
(3).
| Размер большой
стороны платы. |
Класс точности. |
| 1 |
2 |
3 |
4 |
|
L≤180
|
|
|
|
|
|
180
|
|
|
|
|
|
L>360
|
|
|
|
|
Диаметральное
значение позиционного
допуска расположения
контактных
площадок
относительно
номинального
значения мм.
δp.
(4)
Вид платы.
|
Размер большой
стороны.
|
Класс точности. |
| 1 |
2 |
3 |
4 |
|
ОПП
ДПП
|
L≤180
180
L>360
|
|
|
|
|
МПП
|
|
|
|
|
Номинальные
значения размеров
основных параметров
элементов
конструкции
печатной платы
для узкого
места мм.(5).
| Условные
обозначения |
Класс точности. |
| 1 |
2 |
3 |
4 |
|
t
S
bH
bB
J
|
|
|
|
|
j-
отношение
диаметра
металлизированного
отверстия к
толщине платы.
Диаметры
монтажных и
переходных
отверстий (6).
| Номинальный
диаметр. |
Максимальный
диаметр вывода
навесного
элемента. |
| Монтажные
неметаллизированные
отверстия. |
Монтажные
и переходные
металлизированные
отверстия
с учетом металлизации. |
|
|
|
8.
Техника безопасности.
К работе с
оборудованием
допускаются
лица, достигшие
восемнадцатилетнего
возраста, и
прошедшие
инструктаж
по технике
безопасности
на данном
оборудование
на рабочем
месте.
Все технологические
операции необходимо
выполнять в
соответствии
с инструкциями.
Операции
резка, сверление,
механическая
обработка
необходимо
выполнять в
защитных очках,
халате х/б ТУ
17.543-70 и перчатках.
Операции
связанные с
химическими
растворами
необходимо
выполнять в
халате кислостойком
ГОСТ 12.4.015-76, перчатках
резиновых,
перчатках
хирургических
ГОСТ 12.4.029-76, фартуке
прорезиненном.
В случае
попадания
раствора на
кожу пораженное
место срочно
промыть.
Помещения
должны быть
оборудованы
вытяжными
устройствами.
Список
использованной
литературы.
“Микросхемы
и их применение”
М. А. Бедрековский
1987г.
“Основы
конструирования
радиоэлектронных
устройств.”
И. К. Аксенов.
А. А. Мельников.
1986г.
“Основы
проектирования
сборочных
единиц ЭВМ.”
Б. О. Ольхов.
1980г.
“Справочник
по печатным
схемам.” Б. Н.
Файзулаев, В.
Н. Квасницкий.
1972г
“Конструирование
и микроминиатюризация
ЭРА.” А. Я. Кузенин.
1985г.
Все
значения в
таблицах и
результаты
вычислений
можно получить
обратившись
по адресу
tipa-iorsh@mtu-net.ru

|