Реферат: Телевизор - история, устройство и методы ремонта
Реферат: Телевизор - история, устройство и методы ремонта
Содержание.
1. История развития
телевидения.
2. Состав, назначение, принцип работы.
3. Неисправности блока и
методы ремонта.
4. Техника безопасности.
5. Материалы и элементы,
используемые при ремонте.
6. Литература.
1.
История развития телевидения.
Мечта
человека о возможности видеть на любые расстояния,
отражена в легендах и сказках многих народов. Осуществить эту мечту удалось в
наш век, когда общее развитие науки и техники подготовило основу для передачи
изображения на любое расстояние. Первые передачи телевизионных изображений по
радио в СССР произведены 29 апреля и 2 мая 1931 г. Они были осуществлены с
разложением изображения на 30 строк. За несколько дней до передачи радиостанция
Всесоюзного электротехнического института "ВЭИ" сообщила следующее:
29 апреля впервые в СССР будет произведена передача телевидения (дальновидения)
по радио. Через коротковолновый передатчик РВЭИ-1 Всесоюзного
электротехнического института (Москва) на волне 56,6 метра будут передаваться
изображения живого лица и фотографии.
Телевидение
проводилось тогда по механической системе, т. е. развертка изображения на
элементы (1200 элементов при 12,5 кадра в секунду) проводилась с помощью
вращающегося диска. По простоте устройства телевизор с диском Нипкова был
доступен многим радиолюбителям. Прием телевизионных передач осуществлялся во
многих отдаленных пунктах нашей страны. Однако механическое телевидение не
обеспечивало удовлетворительного качества передачи изображения. Различные
усовершенствования механической системы телевидения привели к созданию сложных
конструкций с применением вращающегося зеркального винта и др.
На
смену механическим системам пришли электронно лучевые системы телевидения,
сделавшие возможным его подлинный расцвет. Первое предложение по электронному
телевидению было сделано русским ученым Б. Л. Розингом, который 25 июля 1907 г.
получил «Привилегию за № 18076» на приемную трубку для «электрической
телескопии». Трубки, предназначенные для приема изображений, получили в
дальнейшем название кинескопов. Создание электронно-лучевого телевидения стало
возможным после разработки конструкции передающей электронно-лучевой трубки. В
начале ЗО-х годов передающая телевизионная электронно-лучевая трубка с
накоплением заряда была предложена в СССР С. И. Катаевым. Использование трубки
с накоплением заряда открыло богатые перспективы для развития электронного
телевидения. В 1936 г. П. В. Тимофееву и П. В. Шмакову было выдано авторское
свидетельство на электронно-лучевую трубку с переносом изображения. Эта трубка
была следующим важным шагом в развитии электронного телевидения.
Исследования
в области передающих и приемных электронно-лучевых трубок, схем развертывающих
устройств, широкополосных усилителей, телевизионных передатчиков и приемников,
достижения в области радиоэлектроники подготовили переход к электронным
системам телевидения, позволившим по лучить высокое качество изображения. В
1938 г. в СССР были пущены в эксплуатацию первые опытные телевизионные центры в
Москве и Ленинграде. Разложение передаваемого изображения в Москве было 343
строки, а в Ленинграде - 240 строк при 25 кадрах в секунду. 25 июля 1940 г. был
утвержден стандарт разложения на 441 строку.
Первые
успехи телевизионного вещания дали возможность приступить к разработке
промышленных образцов телевизионных приемников. В 1938 г. начался серийный
выпуск консольных приемников на 343 строки типа ТК-1 с размером экрана 14Х18
см. И хотя в период Великой Отечественной войны телевизионное вещание было
прекращено, но научно-исследовательские работы в области создания более
совершенной телевизионной аппаратуры не прекращалась. Большой вклад, в
развитие телевидения внесли советские ученые и изобретатели С. И. Катаев, П. В.
Шмаков, П. В. Тимофеев, Г. В. Брауде, Л. А. Кубецкий А. А. Чернышев и др. Во
второй половине 40-х годов разложение изображения передаваемого Московским и
Ленинградским центрами было увеличено до 625 строк, что существенно повысило
качество телевизионных передач.
Бурный
рост передающей и приемной телевизионной сети начался в середине 50-х годов.
Если в 1953 г. работали только три телевизионных центра, то в 1960 уже
действовали 100 мощных телевизионных станций и 170 ретрансляционных станций
малой мощности, а к концу 1970 г. до 300 мощных и около 1000. телевизионных
станций малой мощности. Накануне 50-летня Великой Октябрьской социалистической
революции, 4 ноября 1967 г. вступила в строй Общесоюзная радиотелевизионная
передающая станция министерства связи СССР, которая постановлением Совета
Министров СССР названа имени «50-летия Октября».
Основным
сооружением Общесоюзной радио телевизионной передающей станции в Останкино -
является свободно стоящая башня, имеющая общую высоту 540 метров. Она превышает
высоту знаменитой Эйфелевой башни в Париже на 240 метров. Конструктивно она
состоит из фундамента, железобетонной части высотой 385 метров и стальной
трубчатой опоры для антенны высотой 155 метров.
Ввод
в действие телевизионной башни в Останкино обеспечил: увеличение одновременно
действующих телевизионных программ до четырех; увеличение радиуса уверенного
приема всех телевизионных программ от 50 до 120 км и обеспечивает уверенный
прием всех программ на территории с населением более 13 млн. человек;
значительное улучшение качества приема изображения; резкое увеличение
напряженности электромагнитного поля телевизионного сигнала, что позволило
устранить влияние различного рода помех при приеме телевизионных программ;
дальнейшее развитие междугородного и международного обменов телевизионными
программами по радиорелейным, кабельным магистралям и каналам космической связи;
значительное увеличение объема внестудийных передач путем одновременного приема
сигнала от десяти передвижных телевизионных станций и стационарных
трансляционных пунктов: обеспечение передачи радиовещательных программ через
УКВ радиостанций для населения и на радиотрансляционные узлы Московской
области, а так же автоматическое включение и выключение радиоузлов путем подачи
в эфир кодированных сигналов.
Общесоюзная
радиотелевизионная передающая станция в Останкино располагает мощным
современным техническим оборудованием, позволяющим транслировать телевизионные
передачи в черно-белом и цветном изображении в эфир и по кабельной,
радиорелейной и космической сетям СССР. Одновременно с началом работы
Общесоюзной радиотелевизионной передающей станции в Москве в Останкине начал
работать Общесоюзный телевизионный центр, оснащенный совершенным телевизионным
оборудованием. Общая площадь помещения телевизионного центра составляет 155
тыс. кв. м. Он имеет в своем составе 21 студию: две студии площадью по 1 тыс.
кв. м, семь студий по 700 кв. м, пять студий по 150 кв.м. и др. Все
телевизионное оборудование рассчитано на создание передач, идущих как
непосредственно на передатчики, так и для записи на магнитную ленту.
Телевизионный
центр в Останкино насыщен комплексом совершенной аппаратуры, позволяющей
художественно оформлять передачи любых программ. Технический комплекс
обеспечивает видеозапись цветных и черно-белых программ, производство
телевизионных художественных фильмов и выпуск хроникально-документальных
программ на кинопленке и в видео записи. Телецентр оснащен техническими
средствами записи монтажа, озвучивания и тиражирования видеомагнитофильмов.
Ведется строительство новых высотных телевизионных башен в Вильнюсе и Таллине.
Каждая из этих башен имеет свою оригинальную архитектуру.
Еще
в 1925 г. наш соотечественник И. А. Адамяр предложил систему цветного
телевидения с последовательной передачей трех цветов: красного, синего и
зелёного. В 1954 г. Московским телевизионным центром на Шаболовке были
осуществлены первые опытные передачи с поочередной передачей цветных
составляющих. Турникетная антенна, предназначенная для передачи сигналов
цветного изображения и звукового сопровождения, была установлена на
металлической башне, сооруженной рядом с Шуховской башней.
Прием
цветного телевидения производился на телевизоры «Радуга» с вращающимся
светофильтром. Однако такая система требовала значительного расширения спектра
видеочастот и была не совместима с существовавшей системой черно-белого
телевидения. В 1956 г. в лаборатории Ленинградского электротехнического
института связи им. М. А. Бонч-Бруевича разработали и изготовили под
руководством П. В. Шмакова установку цветного телевидения с одновременной
передачей цветов. В январе 1960 г. состоялась первая передача цветного телевидения
в Ленинграде с опытной станции Ленинградского электротехнического института
связи. В это же время для приема передач цветного телевидения были изготовлены
опытные телевизоры.
В
течение ряда лет в Советском Союзе и в других странах проводились испытания
различных систем цветного телевидения. В марте 1965 г. было подписано
соглашение между СССР и Францией о сотрудничестве в области цветного
телевидения на основе системы СЕКАМ. 26 июня 1966 г. было принято решение
избрать для внедрения в Советском Союзе совместную советско-французскую систему
цветного телевидения СЕКАМ-111. Первые передачи по совместной
советско-французской системе начались в Москве с 1 октября 1967 г., к этому же
времени был приурочен выпуск первой партии цветных телевизоров.
В
день 50-летия Великой Октябрьской социалистической революции (7 ноября 1967 г.)
состоялась первая цветная телевизионная передача с Красной площади парада и
демонстрации трудящихся. Внедрение цветного телевидения открыло широкую
возможность для повышения качества передач и позволило значительно повысить
эмоциональность восприятия телевизионных передач и увидеть изображения в
естественных красках.
2. Состав назначение
и принцип работы
модуля строчной развертки
МС-3
В устройство строчной развертки входят
задающий генератор со схемой синхронизации, предварительный и выходной каскады,
схема коррекции растра по горизонтали. Задающий генератор с цепями
синхронизации расположен в субмодуле УСР радиоканала, остальная часть устройства строчной развертки находится
в модуле строчной развертки. В телевизорах ЗУСЦТ применяются модули строчной
развертки МС-3 для кинескопов с планарным расположением электронных пушек,
углом отклонения 90° и размером экранов по диагонали 51 и 61 см.
Конструктивно модуль выполнен в виде
печатной платы (Рис. 1), размером 225-150 мм, из негорючего фольгированного гетинакса, на которой установлены
радиоэлементы, трансформатор ТВС, умножитель напряжения, высоковольтный
соединитель с вакуумным разрядником и субмодуль коррекции растра СКР-2.
Назначение модуля строчной
развертки МС-3. Модуль формирует ток строчной частоты для отклонения лучей по
строкам и ряд импульсных напряжений для работы устройств ограничения тока лучей
кинескопа, АПЧиФ, стабилизации размеров и др. В модуле вырабатываются постоянные
напряжения для питания анода, фокусирующего и ускоряющего электродов кинескопа,
выходных видео усилителей модуля цветности и стабилизатора напряжения варикапов
в блоке управления, а также напряжения накала кинескопа.
В состав модуля входят предварительный
и выходной каскады строчной развертки, собранные на транзисторах VТ1 и УТ2, составной диодный
демпфер-модулятор на диодах VD3
— VD5 и субмодуль
коррекции растра СКР-2.
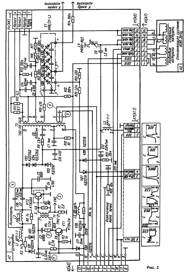
Предварительный и выходной каскады (Рис. 3). На базу транзистора VТ1 от задающего генератора, находящегося в модуле
радиоканала, через контакт 13 соединителя Х3 (А3) поступают управляющие
прямоугольные импульсы длительностью 20—30 мкс с периодом следования 64 мкс.
Нагрузкой транзистора является межкаскадный трансформатор Т1, вторичная
понижающая обмотка которого включена в базовую цепь транзистора VТ2. Напряжение на коллектор
транзистора VT1 подается с контакта 3 соединителя
X1 (А5) через короткозамкнутую перемычку, установленную в соединителе
отклоняющей системы между контактами 1 и 3, а также через цепь развязки R1С1 и первичную обмотку
трансформатора Т1.
Транзистор VТ1 совместно с трансформатором Т1 служит для

Рис. 1 Модуль строчной развёртки
МС-3
1 - регулятор линейности РЛС-4 (L2); 2 - дроссель ДРТ-1 (L1); 3 - регулятор центровки по
горизонтали (R2); 4 - трансформатор выходной
строчный ТВС-110ПЦ15; 5 - транзистор КТ838 с радиатором; 6 - колпачок высоковольтный; 7 - планка с ограничительным
резистором R24; 8 - наконечник; 9 - умножитель напряжения УН9/27-1,3; 10 - субмодуль коррекции растра
СКР-2;
11 - стойка; 12 - дроссель ДРТ-1; 13 - трансформатор ТМС-21
согласования задающего генератора с выходным каскадом и
создания управляющего импульса, обеспечивающего оптимальный режим переключения
транзистора выходного каскада VТ2.
Транзистор VТ1 открывается положительными
управляющими импульсами напряжения. При протекании коллекторного тока через
первичную обмотку в трансформаторе Т1 накапливается энергия, которая при
закрывании транзистора создает положительный выброс напряжения на обеих
обмотках. Для уменьшения выброса напряжения в контуре, образованном
индуктивностью первичной обмотки трансформатора и ее паразитной емкостью,
параллельно обмотке включена цепочка R4С2. Конденсатор С4 понижает частоту колебаний, а резистор R4 обеспечивает их апериодический
характер. Сопротивление резистора R4 выбрано таким, чтобы длительность колебаний не превышала одного
периода.
С вторичной обмотки трансформатора
Т1 положительный полупериод напряжения поступает на базу транзистора VТ2 и управляет формированием
пилообразного отклоняющего тока. Для стабилизации тока базы транзистора VТ2 включен резистор R7. Кроме того, контрольная точка ХN2, подключенная к резистору R7, используется для
осциллографического контроля формы и значения тока базы транзистора VТ2.
Мощный транзистор VТ2 выполняет функции электронного
ключа. В закрытом состоянии транзистор выдерживает между эмиттером и
коллектором напряжение до 1500 В, а в открытом — ток до 7,5 А при минимальных
потерях. Напряжение на коллектор транзистора VТ2 подается с контакта 1 соединителя X1 (А5) через
обмотку трансформатора Т2 (выводы 12, 9) и фильтр R10С7. Резистор R10 ограничивает также коллекторный ток при разрядах в кинескопе.
В первую половину прямого хода
лучей магнитная энергия, накопленная в строчных отклоняющих катушках во время
предыдущего процесса отклонения, создает ток отклонения лучей от левого края до
середины экрана. Ток отклонения протекает по цепи: строчные отклоняющие катушки
(А5), контакты 9, 10 соединителя X1 (А5), катушка L4, корпус, демпферные диоды VD3 — VD5, конденсатор С3, регулятор линейности строк L2, контакты 14, 15
соединителя X1 (А5) и строчные отклоняющие катушки (А5). Транзистор VТ2 в это время закрыт, а
конденсатор С3 подзаряжается этим током и служит
источником энергии для формирования второй половины прямого хода лучей
кинескопа.
По мере перемещения лучей к
середине экрана ток в отклоняющих катушках уменьшается до нуля. Поступающий в
это время на базу транзистора VТ2
положительный импульс открывает его, и начинает формироваться ток отклонения
лучей от середины до правого края экрана кинескопа. Отклоняющий ток,
формирующий

Рис. 3 Принципиальная схема модуля
Строчной развёртки МС-3
вторую половину прямого хода, протекает по цепи: строчные
отклоняющие катушки (А5), контакты 14, 15 соединителя X1 (А5), регулятор
линейности строк L2,
конденсатор С3, переход коллектор-эмиттер транзистора VТ2, корпус,
катушка L4, контакты 9, 10 соединителя X1
(А5) и строчные отклоняющие катушки (А5).
По окончании второй половины
прямого хода лучей транзистор VТ2
закрывается, так как на его базе прекращается действие положительного импульса,
поступающего от предварительного каскада. На коллекторе транзистора VТ2 формируется положительный
синусоидальный импульс напряжения, который обусловлен колебательным процессом в
контуре, образованном параллельно соединенными отклоняющими катушками, обмоткой
с выводами 9, 12 трансформатора Т2 и конденсаторами С4, С5. Импульс напряжения
на этом контуре вызывает быстрое изменение полярности отклоняющего тока, что
приводит к быстрому перемещению лучей от правого края экрана к левому, т. е. к
обратному ходу лучей и следующему циклу развертки. Для подавления колебаний,
возникающих в контуре после окончания обратного хода лучей, служит демпфер
(составные диоды VD3 — VD5).
Конденсаторы С3, С6 совместно с индуктивностью
катушки L4 и строчных отклоняющих катушек
образуют резонансный контур. Синусоидальные колебания,
возникающие в этом контуре, накладываются на пилообразный ток, придавая ему S-образную форму. Таким образом,
осуществляется компенсация нелинейных искажений, присущих широкоугольным
кинескопам.
Центровка изображения по
горизонтали. Элементы центровки R2,
VD1, VD2 через дроссель L1 подключены к строчным отклоняющим
катушкам. В среднем положении движка подстроечного резистора R2 выпрямленные диодами VD1, VD2
токи равны и направлены навстречу друг другу. Постоянное напряжение на строчные
отклоняющие катушки при этом не поступает. При повороте движка резистора R2 от среднего положения, нарушается равенство положительной
и отрицательной составляющих и через строчные отклоняющие катушки на корпус, протекает ток положительного или
отрицательного знака. В результате происходит смещение растра вправо
или влево.
Коррекция растра и стабилизация
размера. Для коррекции растра и стабилизации размера при изменении тока лучей
кинескопа в модуле служит схема диодного модулятора и схема управления им (рис. 2).
В состав схемы входят диоды VD3
— VD5, конденсаторы С6, С8 катушки индуктивности LЗ, L4
и резистор R9.
Во время обратного хода строчной
развертки положительный импульс в коллекторной цепи
транзистора VТ2 закрывает диоды VD3 — VD5. Под влиянием импульсов обратного хода,
поступающих с вывода 11 обмотки трансформатора Т2, в контуре С8L4 возникают

свободные колебания, которые заряжают конденсатор С6. По
окончании полупериода колебаний, когда транзистор VТ2 закрыт, открываются демпфирующие диоды VD3—VD5 и начинается прямой ход развертки. Поскольку
конденсатор С6 оказывается включенным последовательно в цепь отклоняющих
катушек, напряжение на нем находится в противофазе напряжению на отклоняющих
катушках. Изменяя напряжение на конденсаторе С6 путем
шунтирования его на корпус, можно в определенных пределах регулировать значение отклоняющего тока, а, следовательно, и размер строк. Шунтирование
обеспечивается замыканием обкладки конденсатора С6 (левая по схеме) через
дроссель L3 на корпус в течение определенной
части периода строчной развертки. Оно происходит с помощью схемы управления
диодным модулятором, расположенным в субмодуле СКР.
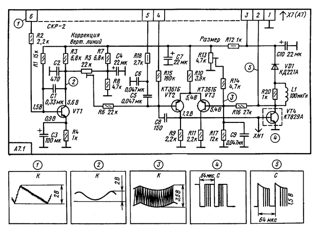
Коррекция геометрических искажений
растра. В телевизорах 3УСЦТ,
где применяются кинескопы с самосведением электронных лучей, вертикальная
коррекция осуществляется за счет определенного распределения витков в кадровых
отклоняющих катушках. Горизонтальная коррекция осуществляется с помощью
диодного модулятора, который управляется строчными импульсами, изменяющимися по
параболическому закону. Элементы управления диодным модулятором расположены в
субмодуле СКР-2 (рис. 4). Они состоят из усилителя-формирователя
параболического управляющего напряжения, широтно-импульсного модулятора и
выходного каскада.
Усилитель-формирователь собран на
транзисторе VТ1, на базу которого через контакт
6 соединителя Х7 (А7.1) и резистор R2 поступает пилообразный сигнал
кадровой частоты, пропорциональный
току вертикального отклонения. В коллекторной цепи
транзистора с помощью конденсатора С1 происходит интегрирование пилообразного
сигнала, т. е. преобразование его в сигнал параболической формы.
Плавно регулируемый уровень
параболического сигнала кадровой частоты снимается с подстроечного резистора R5 и подается через резистор Rб на базу транзистора VТ2. Широтно-импульсный модулятор
собран на транзисторах VТ2
и VТ3 по схеме дифференциального
усилителя. Смещение на базе транзистора VТ2
обеспечивается делителем напряжения, образованным
резисторами R7, R8. Наряду с параболическим сигналом на базу транзистора VТ2 через конденсатор С5 поступают пилообразные импульсы, формируемые
интегрирующей цепочкой R18С6
из строчных импульсов обратного хода.
Амплитуда пилообразных импульсов
составляет несколько вольт, поэтому транзистор VТ2 открывается ими до насыщения. В результате в
течение времени, пока напряжение на базе превышает уровень закрывания
транзистора VТ2, напряжения на резисторе R9 и эмиттере транзистора становятся
практически одинаковыми. При этом

Рис. 4 Принципиальная схема
субмодуля коррекции растра СКР-2
на резисторе R9
формируются положительные прямоугольные импульсы строчной частоты.
Длительность этих импульсов изменяется от наибольшей в начале периода кадровой
развертки к наименьшей в середине и вновь до наибольшей в конце периода.
Импульсы переменной длительности с
резистора R9 поступают на базу транзистора VТ4 выходного каскада и открывают его
на время своей длительности. Коллектор транзистора VТ4 через контакт 2 соединителя X7 (A7) и дроссель L3 соединен с диодным модулятором VD3 — VD5. Импульсы, длительность которых изменяется по
параболическому закону, с коллектора транзистора VТ4 управляют диодным модулятором. Они воздействуют
на выходной транзистор строчной развертки VТ2, благодаря чему осуществляется коррекция
геометрических искажений по горизонтали.
На другой вход дифференциального
усилителя (базу транзистора VТ3) с делителя, образованного
резисторами R12, R13, R14 и R17, поступает постоянное напряжение.
Для улучшения линейности растра с коллекторной нагрузки транзистора VТ4 через резистор R16 и цепь базы транзистора VТ3
подается напряжение отрицательной обратной связи. Исходный режим работы
дифференциального усилителя (размер изображения по горизонтали) устанавливают
подстроечным резистором R13. При этом изменяется напряжение на
эмиттерах транзисторов VТ2
и VТ3, а следовательно, и длительность формируемых
импульсов, управляющих диодным демпфером-модулятором.
В субмодуле СКР-2 осуществляется
стабилизация размера изображения при изменении питающего напряжения и тока
лучей кинескопа. Для этого на базу транзистора VТ2 через резистор R15 и контакт 4 соединителя Х7 (А7)
дополнительно подается постоянное напряжение с выпрямителя на элементах VD7, С12, R20, R22
(см. рис. 3). Увеличение тока лучей кинескопа приводит к возрастанию пульсаций
напряжения на выходе умножителя E1
и соответственно переменной составляющей на резисторе R23. В результате увеличивается положительное
напряжение, выпрямленное диодом VD7, которое изменяет потенциал базы
транзистора VТ2 и тем самым влияет на
длительность импульсов на входе диодного модулятора.
Усилитель-формирователь VТ1 и модулятор VТ2, VТ3 получают питание от источника +28 B через контакт 3 соединителя Х7
(А7) и фильтр R12С7. Элементы схемы L1,
R20, VD1 в коллекторной цепи транзистора VТ4 предназначены для уменьшения
излучения помех.
Вторичные источники питания.
Трансформатор Т2 (ТВС) используется для получения различных напряжений питания
кинескопа и обеспечения работы модулей радиоканала и цветности. Для вторичных источников питания
на ТВС имеются четыре обмотки.
Для питания накальных цепей
кинескопа служит обмотка с выводами 7, 8, подключенная к панели кинескопа через
контакты 3, 4 соединителя Х4 (А8). Резисторы R11, R12 ограничивают ток накала кинескопа при включении
телевизора. Для уменьшения разности потенциалов между катодами и подогревателем
кинескопа на подогреватель с контакта 1
соединителя X1 (А5) через резистор R15 подается постоянное положительное напряжение +130 В.
Импульсное напряжение примерно 8,5 kB с высоковольтной обмотки с
выводами 14, 15 подается на вывод «~» умножителя Е1, который
преобразует его в постоянное напряжение +25 kB для питания второго анода кинескопа.
Анод кинескопа соединен с выводом
«+» умножителя через помехозащитный резистор R24 и высоковольтный соединитель X6.
Умножитель также используется для
создания напряжения фокусировки. Оно снимается с умножителя и через специальный
вывод «+F» подается для питания
фокусирующего электрода кинескопа.
Ускоряющие электроды кинескопа
питаются от однополупериодного выпрямителя, образованного диодом умножителя,
анод которого через вывод «V» умножителя и резистор R23 соединен с корпусом, а катод — через резистор R19
с конденсатором С9. Ускоряющее напряжение дополнительно сглаживается фильтром C9 R13 С10 и стабилизируется варистором R16.
Минусовая цепь умножителя,
соединенная с корпусом через резистор R23, является
источником напряжения для схемы ограничения тока лучей в модуле цветности,
схемы стабилизации изображения по горизонтали в субмодуле СКР-2 и схемы
стабилизации формата изображения в модуле кадровой развертки.
Выпрямитель импульсов отрицательной
полярности собран на элементах VD8,
R21, С13 и подключен к резистору R23
через резистор R22. Его напряжение подается в модуль кадровой развертки и
используется для стабилизации формата изображения при изменении яркости, т. е.
для одновременного и пропорционального изменения тока отклонения по кадрам, в
то время как диодный модулятор изменяет ток отклонения по строкам. Таким
образом, поддерживается постоянный размер изображения при изменении напряжения
второго анода кинескопа в результате увеличения тока лучей.
Для предотвращения выхода из строя
диодов VD7, VD8 при разряде в кинескопе
параллельно резистору R23 включен разрядник FV1, а сами диоды подключены через ограничительный
резистор R22.
На обмотке с выводами 9, 10 ТВС
создается импульсное напряжение примерно 90 В, которое выпрямляется диодом VD6.
Обмотка подключена к источнику +130 В. В результате суммарное постоянное
напряжение +220 В после фильтрации конденсатором С11 поступает в модуль цветности для питания выходных
видеоусилителей.
Для уменьшения помех при закрывании
диода VD6 служит цепочка L5R14.
Обмотка вспомогательных напряжений
с отводами 3—5 позволяет получить в ТВС-110ПЦ15 и ТВС-110ПЦ18 напряжения плюс
60 и минус 60 В, которые используются для управления устройствами опознавания, АПЧиФ, гашения обратного
хода лучей и других цепей.
Технические
характеристики модуля строчной развёртки МС3.
|
Параметр
|
Значение параметра
|
| Ток потребления
модуля строчной развертки при токе |
|
| Лучей 900 мкА, А, не более: |
|
| по источнику 130 В |
0,460 |
| по источнику 28 В |
0,1 |
| Напряжение на аноде кинескопа при токе лучей |
|
| 100 мкА, кВ |
23...25 |
| Изменение напряжения на аноде кинескопа при из- |
|
| менении тока лучей от 100 до 900 мкА, %, не более |
10 |
| Напряжение фокусирующего электрода, кВ, не более |
9 |
| Напряжение ускоряющего электрода при токе лучей |
|
| 100 мкА, В |
850 ±80 |
| Напряжение питания видеоусилителей при токе на- |
|
| грузки 30 мА и при токе лучей кинескопа 100 мкА, В |
220±10 |
| Среднеквадратичное значение импульсного напряжения 6,3
±0,4 |
|
| накала кинескопа при токе лучей 500 мкА, В |
6,3±0,4 |
| Регулировка размера
изображения по горизонтали, % |
|
| не менее |
±6 |
| Пределы центровки по горизонтали, мм, не менее |
±24 |
| Предел изменения постоянного напряжения управ- |
|
| ления каскадом ОТЛ кинескопа (при токе лучей |
|
| 900 мкА), В: |
|
| Минимальный, не более |
1 |
| Максимальный, не менее |
2 |
| Геометрические искажения растра, %, не более: |
|
| по горизонтали |
2 |
| по вертикали |
2 |
| Нелинейные искажения растра по горизонтали, %, |
|
| не более |
±6 |
| Нестабильность размера изображения по горизонтали |
|
| (при изменении тока лучей кинескопа от 100 до |
|
| 900 мкА), %, не более |
3 |
| Постоянное отрицательное напряжение управления |
|
| Устройством стабилизации размера. В: |
|
| При токе лучей кинескопа |
|
| 100 мкА, не более |
-2,2 |
| 900 мкА, не менее |
4 3 |
| Длительность
обратного хода, мкс |
11,5'...13 |
3. Неисправности блока и методы
ремонта.
3.1. Особенности отыскания
неисправностей.
Внешним осмотром при появлении
неисправности (отказа) можно, с одной стороны, устранить видимую причину
неисправности (нарушение контактов в сетевом соединителе, перегорание сетевых
предохранителей), с другой, ориентируясь на внешний признак, определить
направление дальнейших поисков.
После внешнего осмотра телевизор
выключают, снимают заднюю стенку, подключают к сети и вновь включают. Соблюдая правила техники безопасности, легким покачиванием контактных соединений
и субмодулей проверяют надежность контактов, а также отсутствие обрывов
проводников в жгутах в месте их пайки.
Если эта операция не приводит к
положительным результатам, переходят к непосредственной проверке блока или
модуля (субмодуля).
В зависимости от обстоятельств
такой осмотр модуля (субмодуля) может производиться на моношасси либо при его
извлечении из телевизора.
На выход из строя деталей или их
работу в недопустимом режиме указывает потемнение или обгорание эмалевого
покрытия резисторов, кольцевые трещины на их поверхности, вспучивание корпуса у
ИС, растрескивание или прогорание корпуса умножителей, потемнение изолирующего
покрытия катушек индуктивности, а также изломы выводов транзисторов, диодов,
конденсаторов.
При осмотре печатной платы модуля
со стороны фольги необходимо обратить внимание на чистоту изоляционных
промежутков между печатными проводниками, отсутствие в них разрывов и
микротрещин, а также холодных паек. Холодные пайки можно обнаружить по едва
видимому контуру в центре, в котором свободно перемещается вывод детали.
В ряде случаев такой вывод не виден
невооруженным глазом, но его можно найти на ощупь, касаясь пальцем одной руки
места пайки и слегка покачивая другой рукой сомнительную деталь со стороны
монтажа. Известную помощь при осмотре печатных плат оказывает применение
оптической линзы с двух-трехкратным увеличением.
Для выявления, в каком из участков
моношасси эпизодически возникают и самоустраняются те или другие нарушения,
поступают следующим образом: включают телевизор и, наблюдая за экраном,
осторожно ударяют по рамке или торцевой части модуля (субмодуля), используя для
этой цели технологический' резиновый молоток.
Определив, по появлению
нарушений на экране модуль (субмодуль), переходят к простукиванию уже с помощью
карандаша или изолированного стержня всей поверхности его печатной платы, что
позволяет вплотную подойти к месту плохой пайки, микротрещине печатной линии,
найти конденсатор с внутренним обрывом вывода или переменный резистор, у
которого ослаблен контакт между подвижной частью и проводящим слоем, и т. п.
Одним из эффективных
способов проверки модуля (субмодуля) является его замена другим, заведомо
исправным. Однако во всех случаях, когда проведенная замена позволяет устранить
неисправность, следует вновь установить снятый модуль (субмодуль), чтобы
убедиться в том, что нарушение не было вызвано какими-либо случайными
обстоятельствами (например, плохим контактом соединителя) и снятый модуль
требует ремонта.
Отыскание
неисправности в самом модуле производится измерением постоянных и импульсных
напряжений на контактах соединителей, активных элементах и контрольных точках,
выведенных в виде штырьков и обозначенных как ХN1, XN2, XN3 и т. д.
Наиболее часто
выходят из строя микросхемы. Их проверяют измерением постоянных и импульсных
напряжений на выводах. Отсчет выводов ИС со стороны монтажа ведется против
часовой стрелки от имеющейся точки на ее выводе, а со стороны печати — по
часовой стрелке от цифры «1» у одного из ее начальных выводов. Чтобы избежать случайных
замыканий близко расположенных выводов, рекомендуется присоединять щупы
приборов не к этим выводам, а к связанным с ними выводам радиоэлементов. Если в
результате измерений окажется, что на выходе ИС отсутствует хотя бы одно из
импульсных напряжений при наличии постоянных и импульсных напряжений на всех
остальных выводах, ИС неисправна и подлежит замене. Когда же полученные
результаты отличаются от приводимых на принципиальной схеме, следует проверить
исправность деталей, подсоединенных к ИС, и подводимые к модулю импульсные и
постоянные напряжения.
Для проверки ИС
нельзя применять омметр, так как подсоединение прибора, дающего напряжение во
внешней цепи, может вызвать перегорание ее выводов. Выпаянная ИС не может быть
рекомендована для повторной установки, даже если она исправна, из-за возможного
необратимого изменения ее параметров в результате перегрева выводов.
Отметим некоторые
особенности отыскания неисправностей в телевизорах 3УСЦТ. Первая особенность
заключается в том, что питание накала кинескопа осуществляется импульсами
строчной развертки. Поскольку одной из причин отсутствия свечения экрана может
быть неисправность модуля строчной развертки, то наличие накала кинескопа
снимает такое предположение, позволяя сразу перейти к проверке цепей питания
анода кинескопа и умножителя.
При отсутствии
свечения нитей накала кинескопа после проверки контактов платы кинескопа и
соединителя X4 (A7)
можно утверждать, что строчная развертка вышла из строя.
Другая особенность
связана с разделением канала звукового сопровождения, из-за чего причинами
искажения или отсутствия звука могут быть как дефекты субмодуля СМРК-2 с
установленной на нем микросборкой D3, так и блока управления, где находятся
усилитель звуковой частоты, выключатель динамического громкоговорителя В2,
соединитель и, наконец, динамический громкоговоритель В1. Для определения, где
произошла неисправность, необходимо при положении регулятора, соответствующем
наибольшей громкости, коснуться контакта 3 соединителя X9(A1), предварительно
отсоединенного от СМРК-2. Если такое касание сопровождается появлением гудения,
можно утверждать, что все элементы звукового канала в блоке управления или
связанные с ним элементы исправны, и перейти к проверке микросборки D3 в субмодуле СМРК-2.
Еще одной особенностью
при отыскании неисправности является появление звука низкого тока (писк),
который слышен со стороны задней стенки при выходе телевизора из строя. Такой
звук возникает в модуле питания при коротком замыкании в одной из его
нагрузочных цепей и при неисправности устройств стабилизации и блокировки в
самом модуле.
Для уточнения
источника нарушения необходимо выключить телевизор и с помощью омметра
проверить цепи нагрузки (12, 28, 130, 135 и 150 В). При наличии короткого
замыкания в одной из этих цепей проверке подлежат соответствующие модули
(субмодули), а при отсутствии замыканий — модуль питания.
3.2. Неисправности
модуля строчной развёртки МС3, возможные
причины, методы их отыскания и локализации
1. Характерный признак - нет растра. Дополнительный
признак - индикатор HL1 в модуле и нить накала кинескопа не
светятся. Возможная причина - напряжение 130 В не поступают на модуль Способ
отыскания - проверить вольтметром наличие напряжения 130 В на контакте
соединителя Х3(А3), на контактах соединителя X1(А5). При отсутствии напряжения
на контакте 12 нужно проверить соединительную плату и модуль питания МП
2. Характерный признак - нет растра. Дополнительный
признак - в модуле питания слышен
звук низкого тона
Возможная причина - пробит транзистор VТ2 МС или изолирующая
прокладка между его корпусом и радиатором
Способ отыскания - проверить на
отсутствие пробоя транзистор VТ2, предварительно отпаяв проводники,
связывающие плату модуля с выводами эмиттера и базы, а также изолирующую
прокладку между корпусом транзистора и радиатором
3. Характерный признак - нет растра. Дополнительный
признак -
нить
накала кинескопа и индикатор НL1 светятся
Возможная причина - импульсы обратного
хода не поступают на умножитель напряжения
Способ отыскания - визуально проверить
элементы защиты — резистор R19 и пружину,— закрытые изоляционной трубкой.
Потемневший резистор и отпаянная пружина могут указывать на выход из строя
умножителя. При необходимости восстановить защиту, запаять вывод пружины
минимальным количеством припоя
4. Характерный признак - нет растра. Дополнительный
признак -
нить
накала кинескопа и индикатор НL1 светятся
Возможная причина - неисправен
умножитель
Способ отыскания - пользуясь
рекомендациями примечаний 1 и 2 (см. ниже по тексту), проверить поступление
импульсов обратного хода с ТВС на умножитель и напряжение на его выходе. Если
импульсы обратного хода на умножитель поступают, а напряжение на его выходе
отсутствует — неисправен умножитель
5. Характерный признак - нет растра. Дополнительный
признак -
нить
накала кинескопа и индикатор НL1 светятся
Возможная причина - на вывод
ускоряющих электродов кинескопа не поступает напряжение питания
Способ отыскания - Измерить
вольтметром наличие ускоряющего напряжения на контакте 1 соединителя X4(А8) и на контакте 7
панели кинескопа (400...800 В). При его отсутствии проверить исправность
элементов C9, R13, С10 и их цепи
6. Характерный признак - нет растра. Дополнительный
признак -
нить
накала кинескопа и индикатор НL1 светятся
Возможная причина - не поступают импульсы
запуска на базу транзистора VT1
Способ отыскания - проверить качество
контактов в соединителях Х3(А3) и субмодуля УСР. При отсутствии видимых
нарушений с помощью осциллографа проверить наличие запускающих импульсов в КТ ХN1 и на базе
транзистора VТ1.
7. Характерный признак - нет растра. Дополнительный
признак - пить накала кинескопа и индикатор НL1 светятся
Возможная причина - Неисправен
транзистор VT1, цепи его питания,
обрыв в обмотках трансформатора T1
Способ отыскания - проверить наличие
импульсов на коллекторе транзистора VT1, а при их отсутствии — поступление
напряжения питания и исправность R1, C1. Если импульсы на коллекторе транзистора VТ1 имеются, но форма
и размах их отличаются от приводимой на осциллограмме , проверить с помощью
омметра на обрыв или короткое замыкание цепь базы транзистора VТ2, исправность
элементов R4, C2
8. Характерный признак - нет растра. Дополнительный
признак - пить накала кинескопа и индикатор НL1 светятся
Возможная причина - не поступает
напряжение на коллектор транзистора VТ2
Способ отыскания - перед измерением
напряжения на коллекторе транзистора VТ2 необходимо соединить с корпусом
контрольную точку ХN1,
чтобы исключить возможность повреждения прибора импульсным напряжением (1000
В). Отсутствие напряжения на коллекторе транзистора VТ2 указывает на
нарушение контактов или обрыв обмотки с выводами 9—12 трансформатора T2 или обрыв резистора
R10
9. Характерный признак - нет растра. Дополнительный
признак - пить накала кинескопа и индикатор НL1 светятся
Возможная причина - неисправен
транзистор VТ2
Способ отыскания - проверить
исправность транзистора VТ2
10. Характерный признак - нет растра. Дополнительный
признак - пить накала кинескопа и индикатор НL1 светятся
Возможная причина - оборвана цепь
строчных отклоняющих катушек или нарушены контакты в соединителях X1(А5), X1(A7)
Способ отыскания - проверить на
отсутствие обрыва цепь строчных отклоняющих катушек между контактами 9 и 15
соединителя X1(А5). Сопротивление между этими контактами должно быть 0,55±10 %
11. Характерный признак - нет растра. Дополнительный
признак - индикатор НL1 и нить накала
кинескопа светятся
Возможная причина - отсутствует
напряжение на аноде кинескопа или на ускоряющем электроде
Способ отыскания - проверить наличие
высокого напряжения на аноде кинескопа. При отсутствии высокого напряжения
проверить элементы защиты от перегрузки — резистор R19 и пружину
размыкателя. Потемневший резистор и отпаянная пружина указывают на
неисправность умножителя.
При
наличии напряжения на втором аноде проверить, имеется ли ускоряющее напряжение
на контакте 1 соединителя X4(А8). Если ускоряющее напряжение
отсутствует, необходимо проверить исправность элементов C9, С10, R13
12. Характерный признак - нет растра. Дополнительный
признак - индикатор НL1 и нить накала кинескопа
светятся
Возможная причина - неисправны цепи
формирования добавочного напряжения 220 В
Способ отыскания - если на контакте 1
соединителя XN1 в МС вместо 220 В
имеется напряжение 130 В, проверить исправность диода VD6, катушки L5, резистора R14 и конденсатора С11
и отсутствие обрыва в их цепях
13. Характерный признак - мал размер
изображения по горизонтали. Дополнительный признак - размер изображения
не изменяется при регулировке переменным резистором R13 субмодуля коррекции
растра
Возможная причина - понижено
напряжение питания. Неисправен субмодуль коррекции растра или элементы
диодного модулятора
Способ отыскания - проверить и
установить номинальное напряжение 130В на контакте 12 соединителя Х3(A7). Проверить на
отсутствие обрыва катушки L2, L3 и резистор R9. Замкнуть на корпус
вывод 2 катушки L3
модуля МС и, если размер увеличится, проверить исправность субмодуля коррекции
растра
14.
Характерный признак - мал
размер изображения по горизонтали
Дополнительный признак - при
регулировке резистором R13 размер
изображения изменяется
Возможная причина - понижено напряжение питания.
Неисправен субмодуль коррекции растра или элементы
диодного модулятора
Способ отыскания - проверить на отсутствие пробоя или обрыва диоды VD3—VD5. При обрыве диодов
VD3, VD4 сильно нагреваются транзистор
VT2, катушка L3
и транзистор VT4 субмодуля, а левая часть
изображения растягивается. Проверить и при необходимости заменить транзистор VT2 в МС
15. Характерный признак -
вертикальные складки на изображении
Дополнительный признак - при
регулировке резистором R13 размер
изображения изменяется
Возможная
причина
- пробит диод VD5
Способ отыскания - проверить и при необходимости заменить диод VD5
16. Характерный признак - большой размер изображения по горизонтали
Дополнительный признак - отсутствие
влияния на изменение размера резистора R13
в СКР-2
Возможная
причина
- неисправны элементы в выходном каскаде МС
и СКР-2
Способ отыскания - проверить отсутствие замыкания на корпус цепи от
катушки L3 до коллектора транзистора VT4 и отсутствие пробоя коллекторного и эмитерного перехода
транзистора VT4 (в СКР-2). При замене пробитого
транзистора VT4 проверить исправность элементов VD1, L1, R20 в СКР. Если окажется, что размер изображения по
горизонтали большой и регулируется в недостаточных пределах, проверить
исправность транзисторов VT2, VT3
и их цепи
17.
Характерный признак - нарушена линейность
по горизонтали
Дополнительный признак - регулировкой
РЛС нельзя улучшить линейность изображения
Возможная
причина
- неисправен РЛС
Способ отыскания - замкнуть выводы РЛС. Если после этого линейность
не изменится, а изменится размер, проверить механическую исправность РЛС
(прилегание поворотных магнитов к ферритовому стержню). Заменить магниты на
заведомо исправные
18. Характерный признак - подушкообразные искривления вертикальных линий
Дополнительный признак - предназначенный
для коррекции подушкообразных искажений резистор
R5 в СКР влияет только на размер растра
Возможная причина - неисправны РЭ в СКР
Способ отыскания - проверить исправность транзистора VT1 и связанные с ним цепи, а также элементы R3, C2
в СКР. Если регулировка переменным резистором
R5 в СКР вместо коррекции вызывает искривление краев
растра, следует проверить конденсатор С5
19.
Характерный признак -
нарушена центровка по горизонтали
Дополнительный
признак
-
нет.
Возможная
причина
- неисправны РЭ центровки по горизонтали
Способ
отыскания
- проверить исправность L1, R2, VD1, VD2 МС
20.
Характерный признак - не устанавливается
фаза изображения
Дополнительный признак - не
воспроизводится часть крайних элементов изображения ТИТ-0249 или УЭИТ с одной
из сторон растра
Дополнительный
признак
-
не исправен субмодуль коррекции растра УСР или
несоответствие параметров транзистора VT2
МС
Возможная причина - если регулировкой резистора R25 («Фаза») в субмодуле синхронизации УСР нельзя получить
одинаковое воспроизведение элементов изображения (например, реперных отметок
УЭИТ) с обеих сторон изображения по горизонтали, необходимо проверить
сопротивление резистора R7
МС, которое должно составлять 2
0м. При невозможности установить правильно фазу управляющих импульсов имеющейся
регулировкой, следует заменить транзистор
VT2 в МС
21. Характерный признак - напряжение на аноде кинескопа значительно ниже
нормы
Дополнительный признак - заметно
нагревается транзистор VT2.
Падение напряжения на резисторе R10
превышает 6 В
Возможная причина - наличие короткозамкнутых витков в L1, L2, T2, неисправен умножитель
Способ отыскания - контролируя напряжение на аноде кинескопа,
последовательно замыкают накоротко катушку
L2 (РЛС), разрывают цепь L1,
отпаивая от корпуса диоды VD1, VD2,
заменяют умножитель, заменяют транзистор
VT2. Если после каждой такой операции напряжение на аноде
остаётся ниже нормы, необходимо заменить трансформатор Т2 (ТВС)
22. Характерный признак -
заметно изменяется размер растра при регулировке яркости
Дополнительный
признак
-
нет.
Возможная причина - нарушена цепь стабилизации размера изображения по
горизонтали
Способ отыскания - проверить элементы
R23, R22,
VD7, C12, а в CKP R13—R15,
режим и исправность транзисторов VT2
и VT3
23. Характерный признак - при смене сюжета яркость изображения меняется в
больших пределах, причем светлые участки изображения имеют чрезмерную яркость
Дополнительный признак - при
наибольшей яркости напряжение на контакте
6 соединителя Х3 (A3)
меньше требуемого 1,8±0,3 В
Возможная причина - неисправно устройство ОТЛ
Способ отыскания - проверить исправность элементов R23, R22, VD7,
С12 и переменный резистор R20.
24. Характерный признак - выбивание строк.
Искры на экране
Дополнительный признак - в
ряде случаев нарушение сопровождается хорошо слышимым потрескиванием
Возможная причина - пробои в умножителе, стекание зарядов с трещин
оболочки высоковольтного кабеля
Способ отыскания - проверить отсутствие трещин в оболочке
высоковольтного кабеля, положение этого кабеля относительно элементов,
связанных с корпусом, качество контактов в соединителе анода кинескопа X6.
25. Характерный признак - волнистые, вертикальные линии на краях растра
(«змейка»).
Дополнительный
признак
-
нет.
Возможная
причина
- паразитные колебания в выходном каскаде
МС
Способ отыскания - для устранения «змейки» необходимо подстроить
катушку L4
26. Характерный признак - горизонтальные светлые полосы сверху и снизу
экрана
Дополнительный
признак
-
нет.
Возможная причина - неисправность РЭ в выходном каскаде МС.
Способ отыскания - проверить и при наличии обрыва заменить
конденсатор С10.
27. Характерный признак - светлые вертикальные «столбы» с левой стороны
растра
Дополнительный
признак
-
нет.
Возможная причина - неисправен регулятор линейности
Способ отыскания - проверить резистор
R6 или катушку L4
на обрыв
Примечания:
1.
В том, что высокое напряжение поступает на анод кинескопа,
можно убедиться по наличию на аноде остаточного заряда. Для этого после выключения
телевизора следует снять присоску с анода кинескопа и прикоснуться к аноду
концом хорошо изолированного провода, другой конец которого соединен с
корпусом. При наличии остаточного заряда такое подсоединение сопровождается
искрой.
2.
При отсутствии напряжения на аноде кинескопа проверить наличие импульсов
обратного хода на входе умножителя позволяет использование неоновой лампочки
ИНС-1. Лампу, вывод которой согнут в виде крючка, подвешивают (при выключенном
телевизоре) на провод, идущий от ТВС к умножителю. Если импульсы на вход
умножителя поступают, лампа после включения телевизора засветится. Наличие
импульсов обратного хода на входе умножителя и отсутствие высокого напряжения
на его выходе указывают на неисправность умножителя. При отсутствии импульсов
обратного хода и после проверки элементов выходного каскада можно предположить,
что неисправен ТВС.
3. Исправность субмодуля коррекции растра проверяют в
следующем порядке. Сначала нужно замкнуть кратковременно вывод коллектора
транзистора VT4 на корпус. Если при этом растр
увеличится, то цепь от коллектора транзистора
VT4 в субмодуле до диодного модулятора в модуле МС
исправна. Затем следует проверить осциллографом поступление строчных импульсов
обратного хода от вывода 5
трансформатора T1 (ТВС) через
контакт 5 соединителя X7(A7.1), резистор R18
субмодуля на базу транзистора VT2.
3.3
Замена микросхем, транзисторов, диодов.
При
необходимости замены МС следует придерживаться следующих правил;
Паяльник
- должен быть небольшого размера (желательно с насадкой), не более 40
Вт, в качестве припоя должен применяться сплав с низкой температурой плавления
(ПОС-61).
Процесс
пайки каждого вывода должен быть кратковременным (не более 4 сек).
Корпус паяльника должен
быть заземлен.
При
отсутствии заземления жала паяльника необходимо каждый раз перед пайкой
выключать его из электрической сети.
Интегральные
микросхемы необходимо впаивать и выпаивать из модуля только при отключенном
питании, предварительно убедившись в исправности остальной части электрической
схемы модуля,
Во
время ремонта нельзя допускать произвольную замену номиналов резисторов,
установленных на модуле, так как при этом режимы микросхем могут выйти за
пределы допустимых значений,
Для
лучшего охлаждения в ряде блоков телевизора диоды и транзисторы установлены на
радиаторах. Во избежание выхода из строя этих приборов из-за перегрева, при их
установке (в случае замены при ремонте) должны соблюдаться следующие правила;
1. Контактные поверхности радиаторов и транзисторов должны
быть без шероховатостей, заусенец, наплывов пластмассы, мешающих их плотному
соприкосновению друг с другом.
2. Контактные поверхности должны быть смазаны
теплопроводящей пастой со стороны радиатора и корпуса полупроводникового
прибора (паста KПT-8 ГОСТ
19783-74).
3. Винты, крепящие полупроводниковый прибор, должны
затягиваться с усилием.
При
слабой затяжке винтов резко возрастает тепловое сопротивление контакта, что в
ряде случаев приводит к выходу этого прибора из строя,
4. В каждом отдельном случае должны устанавливаться только
те электроизоляционные прокладки, которые используются заводом - изготовителем
телевизора (слюдяные прикладки ЯХ7.840.608-01).
4.Техника безопасности.
4.1.
Основные правила
1. В связи с тем, что в телевизоре имеются опасные для жизни напряжения при его ремонте,
необходимо строго придерживаться "Правил техники безопасности при работе по
установке, ремонту и
обслуживанию бытовых радиотелевизионных
устройств (аппаратов)".
2.
Ремонтировать и проверять
телевизор под напряжением разрешается только в тех случаях, когда выполнение работ в отключенном
от сети телевизоре невозможно.
3. Во всех случаях работы c
включенным телевизором, когда имеется опасность прикосновения к токоведущим частям
необходимо пользоваться инструментом с
изолированными ручками. Работать следует одной рукой. Специалист должен
быть в одежде с длинными
рукавами или в нарукавниках.
4. При ремонте телевизор следует устанавливать таким образом, чтобы избежать
получения травм от возможного взрыва электролитических конденсаторов, умножителя напряжения и кинескопа.
5.
Запрещается ремонтировать включенный в сеть
телевизор, если он находится в сырых
помещениях, имеющих цементные или, иные токопроводящие полы, а также вблизи заземленных конструкций (батарей центрального отопления и т.д.), если
они не имеют специального изолирующего
ограждения.
6. При распаковке, упаковке или снятии
кинескопа следует работать в защитной маске.
4.2.
Правила безопасности для специалистов,
производящих
ремонт телевизора.
Перед
ремонтом телевизора следует сначала очистить его от пыли, обязательно удалить
накопившуюся пыль и загрязнения с горловины и области высоковольтного ввода
кинескопа, с обеих сторон печатных плат, с элементов строчной развертки,
питания и фокусировки, с элементов платы кинескопа.
После
очистки от пыли необходимо проверить состояние монтажа печатных плат. Особое
внимание при этом следует обратить на состояние и качество паек выводов
моточных узлов и цепей строчного отклонения, высоковольтных цепей, цепей фокусировки. При необходимости
должна быть проведена укладка жгутов, чтобы расстояние между
высоковольтными элементами (трансформатором
выходным строчным, умножителем напряжения и др.) было не менее 10мм и не было
касания монтажных проводов с нагревающимися элементами. Это исключит
возможность пробоев, возникновения короны, прогорания проводов.
Затем
проверить наличие подгоревших резисторов, вздувшихся оксидных
конденсаторов, обугливания на печатных платах. Обнаруженные дефектные изделия
должны быть заменены.
Ремонт
и регулировка телевизора под напряжением допустимы только в тех случаях когда, выполнение работ при отключенном от сети телевизоре
невозможно (регулировка, измерение режимов, нахождение плохих контактов и
т.д.).
Запрещается
установка радиоэлементов или проведение каких-либо монтажных работ в
телевизоре, находящемся под напряжением.
Во
избежание прикосновения к токоведущим частям необходимо пользоваться
инструментом с изолированными ручками. Все работы должны проводиться одной
рукой и в одежде с длинными рукавами.
При
замене предохранителей или элементов следует отключить телевизор от сети
питания. Перед заменой элементов необходимо при помощи специального разрядника
(высоковольтный провод РМПВ с последовательно включенным резистором
сопротивлением около 100 кОм) снять
остаточный заряд с конденсаторов фильтра питания и кинескопа. Подключение и
отключение измерительных приборов для измерения также производятся при
выключенном телевизоре.
Запрещается
ремонтировать и регулировать включенный в сеть телевизор, если он находится
вблизи заземленных конструкций (батареи центрального отопления, трубы
водоснабжения и т. д.), если они не имеют изолирующего ограждения.
Лицам,
не ремонтирующим телевизор, находиться возле телевизора при снятии или
установке кинескопа запрещается. Снятие и установку кинескопа необходимо
производить в специальной маске или в крайнем случае
— в очках.
Снятый
кинескоп, если предполагается его дальнейшая эксплуатация, должен быть упакован
в специальную тару или плотную ткань. Если кинескоп подлежит уничтожению, то
предварительно рекомендуется осторожно раздавать плоскогубцами стеклянную
трубку (хвостовик), через которую производилась откачка воздуха из колбы и
расположенную в цоколе кинескопа. Воздух войдет в колбу, что предотвратит
возможность взрыва при неосторожном обращении с кинескопом.
Кинескоп — потенциальный источник рентгеновского излучения. Чтобы избежать этой
опасности, нельзя допускать превышения определенного напряжения на втором аноде
кинескопа. Его наибольшее допустимое значение составляет 26 кВ при погашенном экране.
После
окончания работ перед установкой задней стенки телевизор должен быть включен
для проверки отсутствия коронирования и пробоев в высоковольтных цепях.
4.3.
Правила пожарной и электробезопасности
Общие
положения. В соответствии с законом о защите прав потребителей вся бытовая
радиоэлектронная аппаратура, в том числе телевизионная, до поступления в
торговую сеть должна пройти специальные обязательные сертификационные испытания
на соответствие требованиям пожарной и электробезопасности (далее требованиям
безопасности). Требования безопасности являются едиными для всего мирового
сообщества и в нашей стране нормируются ГОСТ
12.2.006 — 87 "Система стандартов безопасности труда. Аппаратура
радиоэлектронная бытовая. Требования безопасности и методы испытаний".
Согласно этому ГОСТу телевизор должен быть сконструирован и изготовлен таким
образом, чтобы он не представлял опасности как
при нормальных условиях эксплуатации, так и при неисправности. При этом должна
быть обеспечена защита потребителя от поражения электрическим током,
воздействия высоких температур, ионизирующего излучения и др.
На
модели телевизоров, образцы которых выдержали такие испытания, изготовителю
выдается сертификат, который дает ему право пользования специальным знаком — национальным знаком соответствия. Знак соответствия
наносится на каждое изделие, а также проставляется в руководстве по
эксплуатации. При покупке телевизора необходимо прежде всего обращать внимание
на наличие этого знака. Он является гарантом того, что данный телевизор
соответствует требованиям безопасности.
Тем
не менее невозможно сделать абсолютно пожаробезопасные телевизоры. Поэтому при
их эксплуатации необходимо соблюдать определенные правила безопасности. Эти
правила должны знать и соблюдать не только лица, производящие ремонт
телевизоров, но и их владельцы.
5.
Материалы и элементы используемые
при
ремонте.
Необходимые
инструменты, контрольно-измерительная аппаратура, материалы и техническая
документация.
5.1. Инструменты;
-паяльник
электрический мощностью до 40
Вт;'
-насадка
на паяльник для выпайки микросхем;
-отвертки
с изолированными ручками для винтов М-4;
-отвертка
для потенциометров СП3-38 (ширина лезвия 2 мм, толщина 1
мм);
-пинцет П11М;
-нож монтажный НМ 150,
-острогубцы боковые;
-защитная
маска или защитные очки;
-кисть КФК-6;
-диэлектрические
перчатки;
-гибкая
линейка длиной 350 мм с делениями ценой 1 мм. (для определения размеров
квадратов сетчатого поля на экране, может быть заменена полоской миллиметровой
бумаги)'
-петля
размагничивания (входит в комплект стола ТR-830);
-зеркало
(входит в комплект TR-830) при отсутствии комплекта TR-830
можно использовать любое зеркало бытового назначения размером не менее 500 - 400
мм;
-технологическая
перемычка, образованная изолированным проводом длиною
50 мм с напаянными на его концах розетками СНО-45-1Р.
5.2. Аппаратура и приборы.
Перечень контрольно-измерительной аппаратуры,
необходимой для ремонта, настройки и регулировки, приведен в табл. 2.
Таблица 2.
|
Наименование приборов
|
Количество шт.
|
|
На рабочем
месте
|
В мастерской |
1. Ремонтный прибор для
телевизионных 1
приемников ТR-0827А
2. Переносной телевизионный
измери- 1
на 4 рабочих
тель частотных характеристик
X1-50 места
3. Осциллограф
С1-94 1
4. Генератор сигналов низкочастотный
Г3-102
1 на мастерскую
5. Генератор сигналов высокочастотный
Г4-29
1 на мастерскую
6. Измеритель индуктивностей и ёмкостей
Е7-5А 1 на мастерскую
7. Измеритель параметров маломощных
транзисторов
Л2-22/1 1
на мастерскую
8. Измеритель параметров высокочас-
тотных транзисторов
Л2-43 1
на мастерскую
9. Измеритель параметров мощных
Л2-42
1 на мастерскую
10. Комбинированный прибор
Ц-4341 1
11. Цветной телевизионный комплексный
генератор TR-0856/S
1 1 на мастерскую
12. Петля
размагничивания 1 на 4 рабочих
места
13. Автотрансформатор ЛАТР
1
Примечание: разрешается использование других приборов
обеспечивающих требуемую точность измерений.
5.3. Материалы;
-припой
ПОС-61 или аналогичный;
-канифоль;
-монтажные
провода марки ПВМГ-0,2;
ПВМГ-0,5; ПМВ-0,2, НВ-0,2;
НВ-0,35;
-спирт гидролизный
-марля;
-паста теплопроводящая КПТ-8 ГОСТ
19783-74 для смазывания поверхностей транзисторов, диодов при их
установке на радиаторы.
5.4. Техническая
документация;
-инструкция по обcлуживанию и ремонту
телевизора;
-принципиальная
электрическая схема телевизора;
-руководство по
пользованию соответствующими приборами.
Литература.
1. Резников М.Р. "Радио и телевидение
вчера, сегодня, завтра" М. Связь,
1977. - 95 с.
2. Джигит И.С. "История развития
и достижения советского телевидения" Радиотехника 1947. - № 9 - 39 - 43 с.
3. Шамшин В.А. "Телевидение"
Электросвязь 1975. - № 9 - 1 с.
4. Талызин Н.В. "Связь,
телевидение, радиовещание" Радио 1976. №3 1 - 3 с.
5. Горохов П.К. "Б.Л. Розинг -
основоположник электронного телевидения" М. Наука, 1964. - 120 с.
6. Бурлянд В.А., Володарская В.Е.,
Яроцкий А.В. "Советская радиотехника и электросвязь в
датах" М. Связь, 1975.
- 191 с.
7. Добровольский Е.Е. "Основные
направления научно-технического прогресса радиосвязи, радиовещания и
телевидения" Москва Связь, 1974. - 56 с.
8. Бродский М.А. "Стационарные
цветные телевизоры" Минск Выш. Шк., 1995. - 397 с.
9. Ельяшкевич С.А. "Цветные
телевизоры 3УСЦТ" М. Радио и связь 1990. - 143 с.: ил.
10.
Ельяшкевич С.А., Юкер А.М. "Усовершенствование
и ремонт телевизоров 3УСЦТ и 4УСЦТ" М.: Радио и связь, 1993. - 192 с.: ил.
|