Реферат: Техника и электроника СВЧ (Часть 2)
Реферат: Техника и электроника СВЧ (Часть 2)
Лекція
20
Струми
і напруги в
техніці НВЧ.
 тобто
від полів неможливо
однозначно
перейти до
струмів та
напруг у техніці
НВЧ – нестрога
процедура.
Існує декілька
варіантів цього
переходу.


.
Це – незалежні
визначення,
які не дають
.
Опір хвильовода
теж можна визначити
по-різному:
,
,
.
Ми будемо
користуватись:
.
Бачимо, що додаються
ще параметри
хвильовода
.
Нормовані
струми і напруги.
По аналогії
з КМ
,
можна ввести
.
Будемо вважати
- напів-напруга,
напів-струм.
Стоячі
хвилі в лініях
передачі.
Хвиля у
прямому напрямку
з напругою
:
.
Струм
.
Відбита хвиля:
;
,
(мінус – бо струм
у зворотному
напрямку). Очевидно,
загальні напруга
і струм:
,
.
Повні напруга
і струм складаються
з парціальних
напруг і струмів
хвиль, які існують
в хвильоводі.
У кожній точці
відношення
називається
повним імпедансом
лінії передачі.
Підрахуємо
повний імпеданс
лінії передачі:
;
.
Таким
чином, повний
опір залежить
від координат.
Опір в точці
(в точці навантаження):
.
Тоді
(**), де
- коефіцієнт
відбиття,
при
.
Підставляючи
(**) в (*), одержимо:
.
Отримали
вираз для опору
в будь-якій
точці. Якщо
, тобто ми розглянули
точку знаходження
навантаження,
маємо опір
.

В залежності
від відстані
до опору змінюється
опір лінії. Це
суттєва відмінність
НВЧ від звичайної
електроніки.
Для того,
щоб взнати опір
в будь-якій
точці, необхідно
знати опір хоча
б в одній точці
лінії передачі.
Якщо лінія
закорочена
в
,
то
.
від точки
КЗ буде на відстанях,
кратних
.
Існує метод
визначення
опору без КЗ.
Введемо
коефіцієнт
стоячої хвилі.
до хвилі, що
біжить, відбита
хвиля додається
чи віднімається:
,
,
- коефіцієнт
стоячої хвилі.
Визначимо
опір в точці
:
,
.
Очевидно,
:
,
:
.
Отже:
,
.
Нехай
- відстань між
та мінімумом,
тоді буде
,
звідки
(****).
Існує
діаграма з
розрахованими
опорами (див.
Мал.): по куту
відкладається
,
по радіусу -
.
.

 



  

Однакові
значення
з’єднані лініями
–

Однакові
значення
з’єднані лініями
–
На цих
лініях вказано
значення активного
та реактивного
опорів. В центрі
кола
.
Лекція
21
Виявлення
сигналів НВЧ.
Звичайний
осцилограф
використати
неможливо –
вони працюють
на частотах
до 1ГГц. Зараз
використовують
напівпровідникові
детектори.
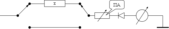
Кристалічні
детектори:
квадратичний
детектор.
Вони реєструють
1011ГГц
так само як і
100Гц. Такий детектор
(див. Мал.) вставляється
одним боком
в один хвильовід,
а другим у інший
(див. Схему):

Еквівалентна
схема діода-детектора:

Ідеальна
частота
,
оскільки лише
та
покращити не
можна. Зараз
досягли
.
Залежність
струму НП діоду
від напруги:
.

(нас цікавить
квадратичний
детектуючий
елемент).
Метод комплексних
амплітуд тут
застосувати
не можна, бо
втратимо ефект
детектування.
.
Отримаємо
потужність
.
;
;
;
.
Тоді
.
В результаті
ми можемо зобразити
діод генератором
струму:
.

Звичайне
значення
.
вважається
гарним параметром.
Це і є квадратичний
детектор, оскільки
струм пропорційний
потужності.
Визначимо
потужність,
яку цей діод
може зареєструвати:
знайдемо чутливість
приймача на
базі квадратичного
детектора.

- для узгодження
з підсилювачем,
- описує шуми
підсилювача.
Напруга шумів:
,
напруга сигналу:
.
- формула
Найквіста.
Найквіст
довів, що ширина
смуги
пропорційна
кількості
електронних
ступенів вільності.
У відповідності
з цим виведена
формула для
потужності
шумів:
.
Якість детектора
.
.
Визначимо
з того, що
- тоді
Вт.
Лекція
22
Лінійний
детектор, змішувач.
;
.
Якщо розписати
квадратний
член, то одержимо:

- постійний
струм, тобто
.

Принципова
схема супергетеродинного
приймача НВЧ
– діапазону.
Відгук пропорційний
квадрату сигналу.
Розглянемо
характеристики
приймача:
Втрати
перетворення:
,
бо існують
втрати на дзеркальні
канали, тощо.
У діапазоні
40ГГц типове
значення
.
Шум-фактор
(класичне
визначення):
.

Шум завжди
підсилюється
більше ніж
сигнал, тому
показує, у скільки
разів шум
підсилюється
більше, ніж
сигнал.
,
бо немає схем
в яких
.
,
де
-
шум, згенерований
всередині.
Позначено
-
ми виносимо
джерело струму
за підсилювач.
Погано в формулі
те, що
залежить від
,
тобто від оточуючого
середовища.
Домовились,
що
.
Тоді для добрих
приймачів:
,
де
- еквівалентна
температура
входу (шуму)
приймача. Тоді
.
Знайдемо
мінімальну
потужність,
яку приймає
приймач
- шум-фактор.
Він показує,
у скільки разів
еквівалентні
шуми більше,
ніж зовнішні
шуми.
Визначимо
для змішувача:
 
- бо це пасивний
прилад. Для
наступної схеми
можна записати:
з відки
- врахуємо шуми
подальших
каскадів. В
середньому
.
Вт.
,
бо впевнений
прийом при Р
в 2 рази меншій,
ніж максимальній.
Балансний
змішувач.
Я кщо
уявити, що у
генератора
є деякий контур,
то при перекритті
та
може виникнути
биття генератора
з самим собою
навіть при
відсутності
сигналу. Балансний
змішувач бореться
саме з цим –
він знищує
гармоніки
гетеродина.
Розглянемо
його схему:

ГГ – гармоніка
гетеродина.
На двох діодах
сигнал має
різні полярності.
Струм проміжної
частоти залежить
від фази на
діоді. Отже
струм від гетеродина
буде в один
бік, і на котушці
приймача
перетвориться
в нуль. Сигнал
струму буде
фіксуватися
окремо.


Керування
параметрами
НВЧ за допомогою
діодів.
-
діод – використовується
для керування
амплітудою
НВЧ.
Лекція
23
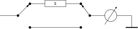
Вимірювання
опорів.
Узгодження
опорів – задача
про проходження
хвиль між перешкодами
без відбиттів.
Однак, спочатку
треба виміряти
ці опори.

Метод вимірювальної
лінії: вимірювальна
лінія – це зонд,
який переміщується
в середині
хвильовода
і реєструє
відповідні
струми (пучності
чи мінімуми).

Крім того,
визначаються
координати
мінімуму і
вимірюються
відстані від
мінімуму до
навантаження,
звідки:
.
Підключаємо
між генератором
і навантаженням
вимірювальної
лінії, потім
визначаємо
.
Узгодження
опорів.
Треба зробити,
щоб стержень
в хвильоводі
забирав максимум
енергії. Це
можливо при
узгодженні
опорів.

Н ехай
в лінію з опором
підключили
навантаження
.
,
тому частина
енергії відбивається.
Можна паралельно
підключити
лінію з закороткою,
яку можна рухати
вздовж лінії.
Це шлейфовий
трансформатор
або тромбон.
Опір шлейфа:
.
Ми ставимо
закоротку на
кінці шлейфу,
,
тоді
.
Таким чином
ми можемо ввести
в лінію будь-який
реактивний
опір (закоротка
не вносить
активного
опору).
Нехай
.
Визначимо опір
лінії у довільній
точці
:
.
На діаграмі
ці опори розташовані
на колі з центром
в (0,0) та радіусом
(опір
)
– це коло відповідає
незмінному
КСХ, він дійсно
постійний для
лінії. В точці
перетину кола
з
маємо
.
Цій точці відповідає
певна точка
на хвильоводі.
Якщо в цій точці
підключити
шлейф, то реактивний
опір можна
міняти як завгодно.
Також можна
зробити так,
що
-
тоді не буде
відбиття.
Фізично шлейф
компенсує
відбиту хвилю,
тобто створює
таку ж за амплітудою
і протилежну
за фазою.
Розглянемо
схему з двома
шлейфами:

Знайдемо
опір у місці
підключення
першого шлейфу,
зумовлений
.
Для цього
йдемо по пунктирному
колу (див. Діаграму
нижче) на відстані,
відповідній
.
Ми можемо
змінювати
шлейфом реактивний
опір, залишаючи
активний постійним.
Знову зсуваємося
на відстань
між двома шлейфами.

Аналогічно
другим шлейфом
змінюємо активний
опір. В результаті
прийдемо в
точку А, де КСХ
значно менший
ніж початковий.
Ми не отримали
ідеальне узгодження.
З теорії: узгодження
при фіксованих
відстанях між
шлейфами можна
створити при
наявності 3-х
шлейфів.
Ми змінювали
опір шлейфа
так, щоб опинитись
на
,
тому, що ми отримаємо
найменший КСХ.
Виявилось, що
можна придумати
метод, яким КСХ
можна створити
ще меншим.
Лекція
24
Чвертьхвильовий
трансформатор.
Н ехай
маємо два хвильоводи:
,
;
та стоїть задача
передати енергію
з одного в інший.
Це можна зробити,
з’єднавши їх
відрізком
хвильоводу
з деяким опором
.
Виявляється,
що
,
для узгодження.
Підрахуємо
це:
.
Тут
,
тоді
,
це фактично
резонансний
пристрій.
Для широкосмугового
узгодження
роблять багато
“східців”:


Або ж плавний
перехід (однак
він більш довгий):
Узгодження
в МЕ.
Потрібно
щось увімкнути
між генератором
та опором, щоб
виділялась
максимальна
потужність.
Зробимо так
як показано
на малюнку:

Підрахуємо
опір в точці
а:
,
,
,
,
тобто
.
Таким чином
маємо коливальний
контур на частоті
.
Тобто,
-
це повинно
дорівнювати
,
тобто
- цим умовам
має задовольняти
контур
.
Таким чином,
для узгодження
опір необхідно
включати в
паралельний
коливальний
контур. Тепер
ми знаємо повну
теорію узгодження.
Щ об
збільшити
ширину смуги
пропускання,
використовують
більш складні
ланцюги, це
зв’язані ланцюги,
тут смуга пропускання
ширша:
А що робити,
якщо необхідно
узгодити комбінований
опір, наприклад
.
В таких випадках
включають
послідовно
:
,
а потім узгоджують
так само як і
в попередньому
випадку.
Взагалі,
використовують
два методи:
Комбінація
штирів.
Комбінація
.
Лекція
25
Заміна
ліній передачі
зосередженими
елементами.
Для лінії
передачі:
.
Для чотириполюсника
на зосереджених
елементах:
.

Для того, щоб
можна було
провести заміну
лінії на зосереджений
чотириполюсник,
необхідно, щоб
вирази для їх
були еквівалентні.
Прирівнявши,
одержимо:
,
,
.
Р озглянемо
схеми які
використовуються
на практиці:
ПФВЧ:
,
.
ПФВЧ:
,
.
З адача:
Представимо
- трансформатор
у вигляді
зосереджених
елементів ТФВЧ.
,
,
,
,
.
- опір .
трансформатора
,
звідки
.
Таким чином,
конструктивно
цей перехід
виконується
так:

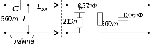
Задача:
Узгодження
транзистора.
,
.
Треба узгодити
з лініями 50 Ом.
1,2

5
10
1,5

 
 
 
Для цього
перетворимо
еквівалентну
схему:

Отже, ця схема
- узгоджена.
Лекція
26
Вимірювання
потужностей
НВЧ.
Н П
– детектори
не можуть
використовуватись
для вимірювання,
бо з часом вони
самі змінюються,
тобто не існує
однакових НП
– детекторів.
Найбільш точні
методи – калориметричні,
але вони розраховані
на великі потужності
(>1Вт).
Використовують
термістори
і болометри:
•
- НП-бусинка.
Це все поміщують
у термостат.
Але це знову
ж дає мало переваг
у порівнянні
з НП-детекторами.

Тоді можна
записати:
,
звідки маємо
.
Перевага
бусинки - в
електроніці.
Намалюємо
вимірювальний
міст:
- з’являється
тому, що НВЧ
нагріває по
поверхні, а
батарейка - по
об’єму.

Спочатку
міст балансується
опором
тобто гальванометр
нічого не показує.
Подаємо НВЧ,
тобто болометр
перегрівається,
баланс порушується.
Для встановлення
балансу опір
збільшуємо
так, щоб загальна
потужність:
.
Для точності
використовують
.
Інколи потрібно
зменшити падаючу
потужність.
Для цього
використовують
атенюатори
(поглинаюча
пластина, що
вставляється
в хвилевід).
Вони можуть
зменшувати
потужність
на 30-40 дБ. Існують
прецизійні
атенюатори,
точність 0,01 дБ:

,
а потужність,
що поглинається,
.
А залежність
кута можна
визначити
точно.
І снують
направлені
відгалужувачі:

У
випадку, зображеному
справа, потужність
йде в одному
напрямку:
Лівий відгалужувач
реагує лише
на відбиту
хвилю, правий
– на падаючу.
Компаратор
автоматично
рахує Г.

У
мікроелектроніці
використовують
мікросмужкові
шлейфові
відгалуджувачі.
І снують
розподілені
розгалджувачі
– (для верхньої
смуги пропускання)
– тут випромінює
щілина.

Записуємо
за принципом
Гюйгенса:
,
проінтегрувавши
одержимо:
,
коефіцієнт
направленості
-
можливо таке,
що
.
При
-
це направлений
відгалужувач.
Однак, розміри
цього відгалужувача
пропорційні
довжині хвилі,
що дуже багато.
Тому використовують
відгалужувач
Бете:

Виявляється,
що зв’язок
цього хвильоводу
з трубами існує
по ЕМП, і фаза
зв’язків по
ЕП та МП – різна.
Розглянуто
зв’язок по ЕП,
тепер по МП:

-
тобто хвиля
піде лише у
ліву трубу: від
діелектричного
зв’язку все
“+”, від магнітного
“+” та “-“, тобто
в правій трубці
.
Хвиля піде у
ліву трубу.
Лекція
27
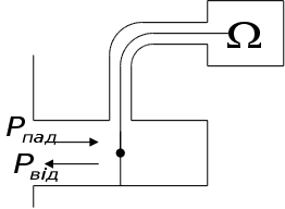
Вимірювання
довжини хвилі
та частоти.
Найпростіший
вимірювач –
вимірювальна
лінія. Намалюємо
її:

Тут максимум
та мінімум –
нечіткі, тому
краще помістити
у резонатор:

.
Це – ВСТ, хвильоводи
середньої
потужності.
Для більшої
точності є
гетеродинні
вимірювачі
частоти, котрі
працюють зі
стандартними
генераторами
частот.

Гетеродином
може бути кварц
чи молекулярний
випромінювач
на
(точність 10-12),
також іноді
використовується
ефект Мьосбауера
(точність 10-17).
Випромінювання
затухання.
Розглянемо
метод відношення
потужностей:

Якщо детектор
лінійний, то
,
якщо ж детектор
квадратичний,
то
.
О днак,
цей спосіб
неточний, він
залежить від
приладу. Тому
існує його
модифікація
– метод еталонного
атенюатора.
Тут використовується
прецизійний
атенюатор:
,
-
незалежно від
властивостей
детектора, бо
на ньому завжди
100 поділок.
Особливості
техніки міліметрових
та субміліметрових
хвиль.
Виготовлення
хвилеводів
під субміліметрові
хвилі проблематичне
бо характерні
розміри хвильоводу
мають порядок
0,1мм. Втрати:
,
.
Тобто такі
хвилеводи
використовувати
неможливо. Межі
застосування:
Смужкові
– до 300-400 ГГц.
Мікросмужкові
– до 100 ГГц.
Коаксіальні
кабелі – до 50
ГГц.
Потреба в
освоєнні даного
діапазону
пов’язана із
“забитістю”
інших.
Д іелектричні
хвильоводи
для
теж погані, бо
ці частоти
відповідають
оптичним фотонам
у ТТ – ЕМХ замість
розповсюдження
починає збуджувати
коливання
атомів ТТ. Це
– фундаментальна
проблема, її
не можна “обійти”.
Тому роблять
так звані лінзові
хвильоводи
– чим менше
діелектрика,
тим менше втрати.
Тому намагаються
зменшити кількість
лінз за рахунок
збільшення
фокусної відстані.
Однак, завжди
є дифракція.
Чим більша
фокусна відстань,
тим більші
втрати, пов’язані
з дифракцією.
Фокусна відстань
Релея
- це максимальна
фокусна відстань
лінзи.
Втрати лінзового
хвильоводу
1-1,5
.
Для виготовлення
лінз використовують
тефлон. Для
того, щоб змінити
напрямок
розповсюдження,
можна поставити
дзеркало.
Розглянемо
ряд приладів
на основі лінзових
хвильоводів:
Н апрямлений
відгалуджувач:
аналог в НВЧ
(див. Мал. Справа):
відгалуджує
хвилю А, не реагує
на хвилю В.
непівпрозоре
дзеркало створює
такий ефект
в оптиці (див.
Мал. Зліва).

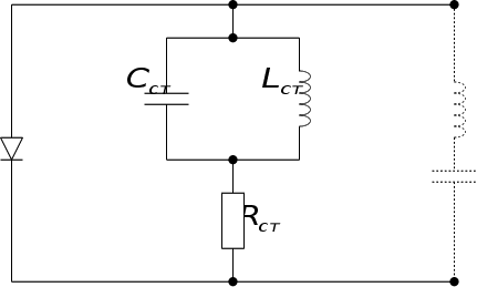
Резонатор.
Плоскопаралельний
дзеркальний
резонатор:
.
Служить для
відбору хвиль
певної довжини.

М ожна
використати
розділення
і злиття хвиль.
Важлива фаза
після проходження
та
.
Лекція
28
Генерування
та підсилення
НВЧ. Підсилювач
на тунельному
діоді.
ВАХ
тунельного
діоду має від’ємну
ділянку, де
.
Будь-який діод
можна представити
еквівалентною
схемою:

В
термінах цієї
схеми буде
(тут ми врахували
опір переходу
).
Звичайні значення
.
Підрахуємо
загальний опір
діоду
.
Знехтуємо
паразитичною
ємністю
,
тоді
,
тут введено
позначення:
,
.
У формулі
- по модулю, тобто
його від’ємність
вже враховано.
Графічний
вигляд опору
чи іншої комплексної
величини, де
параметром
є частота,
представляється
годографом.
Зобразимо його:
-
це резонансна
частота діода,
вона відповідає
чисто реактивному
опору.
- гранична частота,
на якій опір
перестає бути
від’ємним.
Може бути
картина, коли

На резонансній
частоті контуру
опір всієї
ланки
,а
на всіх інших
частотах:
.Таким
чином, маємо
два паралельно
з’єднані опори.
Один з них
,
,
тоді сумарний
опір
.
Т оді
при
буде
,
підсилення
не буде. Тепер
годограф буде
мати інший
вигляд, смуга
буде на частотах
.
Крім цих
елементів, у
схемі використовуються
узгоджуючі
трансформатори.
Коефіцієнт
підсилення
підсилювача
на тунельному
діоді
.
При цьому тут
вхід та вихід
не розв’язані,
тому, по суті,
коефіцієнт
підсилення
є коефіцієнтом
відбиття. Такі
підсилювачі
нестійкі, нестабільні
– параметрично
залежать від
навантаження.
Транзистор
має розв’язані
вхід та вихід
(зв’язок порядку
МОм). Тому зараз
використовують
саме транзистори.
Регенеративний
підсилювач
– це генератор
в недозбудженому
режимі.
Перевага
транзисторів
– триполюсна
схема ( земля,
вхід та вихід),
хоча швидкодія
гірша чим у
діода.
Лекція
29
Параметричний
підсилювач
на НП-діодах.

 .
Система генерує
,
при
,
якщо ж
то система не
генерує, проте
зовнішній
сигнал не
підсилюється.
- частота накачки.
Інший варіант:
-
сигнал,
-
холостий,
-
накачка.
.
Р озглянемо
більш сучасний
варіант з претензією
на мікроелектроніку:
В  
області
існує
(тобто див. область
). Більша частота
може існувати
в , тобто в
. Ще більша
частота
існує
у ще більшому
просторі ( і в
верхньому
хвилеводі).
Умова існування
резонансу на
сигнальній
частоті:
,
.
Тоді змінюючи
та
,
можна регулювати
частоту, змінюючи
умови резонансу.
С хема
була б “найбільш”
мікроелектронною,
якби можна було
використати
власні частоти
діода. Спробуємо
зробити це:
розглянемо
еквівалентну
схему (див. Мал.):
Тут може бути
послідовний
резонанс
і паралельний
,
,
.
Останнім
часом роблять
малим, отже
дуже велика,
і її не використовують.
Можна використовувати
.
Розглянемо
телевізійний
параметричний
підсилювач.
- позначені
частоти відповідних
резонаторів.

Лекція
30
Транзистори
НВЧ.
Ці транзистори
є видозміненими
звичайними
транзисторами.
Розглянемо
характеристики
та фізику роботи
звичайного
транзистора.

- транзистор
перестає працювати.
- характеристична
частота, зараз
досягли 110 ГГц
і навіть 250 ГГц.
Серійно випуск
до 40 ГГц.
Визначимо
швидкодію:
,
для біполярних
- час на подолання
шляху між емітером
та колектором,
для полярних
– між витоком
і стоком. “ ”
виникає у формулах
тому, що в формулах
використовується
,
тому
,
.
Напругу
збільшити ми
не можемо, щоб
не пробити.
Параметри, які
можна змінити
для зменшення
:
Зменшуємо
розмір бази,
зменшити область
між витоком
і стоком. Серійно
випускають
транзистори
з
.
Використовують
матеріали з
високою рухливістю,
щоб збільшити
швидкість.
Використовують
- транзистори.
Іноді використовують
транзистори
з гетеропереходами,
де теж досягається
дуже висока
рухливість
(НЕМТ – транзистори).
Розглянемо
конкретні
схеми:
П ольовий
транзистор.
Чим більше “-“
на затворі,
тим менша
провідність
транзистора
завдяки області
“+” – заряду
на підкладці.

В ажливо,
щоб транзистор
був геометрично
включений прямо
в лінію. В мікроелектроніці
немає можливості
створити транзистори,
що будуть “стирчати”
зовні.
Існує й інший,
більш високочастотний
варіант підключення:

П ольові
транзистори
на гетеропереходах.
Оскільки різниця
між рівнями
не змінюється,
бо це атомні
рівні, то маємо
розриви на
переході: електрони
накопичуються
в ямі А.
О скільки
справа є домішки,
а зліва, де
накопичились
електрони,
домішок, на
яких може осісти
електрон, немає,
то електрони
більш вільно
рухаються,
тобто їх рухливість
зростає.
Структура:
Б іполярні
транзистори.
На НВЧ ці транзистори
гірше. База –
дуже мала за
розмірами. Це
необхідно для
збільшення
частоти, але
при цьому виникають
зворотні струми.
Не тільки
електрони йдуть
у базу
,
але й дірки
йдуть у емітер
.
Це створює
шуми. Максимальний
коефіцієнт
підсилення
.
Звідси видно,
що для кращого
необхідно
мінімальний
потік дірок
в емітер. При
малих шарах
коефіцієнт
підсилення
менший. Проблеми
розв’язують
за допомогою
гетеропереходу
(див. Мал. нижче):
в такому випадку
завада для
дірок більша,
ніж для електронів.

Лекція
31
Підсилювачі
на НВЧ - транзисторах.
Підсилювачі
НВЧ відрізняються
від звичайних
тим, що треба
узгодити вхід-вихід
та каскади.
Наприклад
розглянемо
еквівалентну
схему транзистора
АП-326А:

Для узгодження
з лінією 50 Ом
підключають
і трансформатор
(лампу).
підбирається
так, щоб узгодити
з опорам 50 Ом.
Аналогічно
створюється
резонанс та
узгодження
по опору на
виході:

Принципова
схема підсилювача:

Лекція
32
Невзаємні
елементи НВЧ.
Закон Ньютона
каже, що
.
Однак, в загальному
випадку:
,
тобто зв’язок
не векторний,
а тензорний
– напрямок руху
не завжди співпадає
з напрямком
сили. Приклад
– гіроскоп чи
дзига.
В природі
існують середовища,
що працюють
таким чином
– електро- чи
магнітно- гіротропні.
У них намагніченість
-
,
поляризація
-
.
,
,
-
антисиметричний,
.
Ферити мають
магнітогіротропні
властивості,
плазма має
електрогіротропні
властивості.
Зараз використовують
магнітогіротропність,
тому її й розглядатимемо.
,
бо
.
Тензор
магнітної
проникності
фериту.
Рівняння
Ландау-Лівшица
руху в МП:
.
Ми будемо шукати
в
.
.
Н ехай
маємо феромагнітне
середовище
в
,
при цьому орієнтація
доменів
,
оскільки це
енергетично
вигідно.
Нехай тепер
,
тобто додали
невелике змінне
поле у перпендикулярному
напрямку. Звичайно,
при цьому зміниться
:
.
Тепер треба
знайти
,
тобто
.
Розглядатимемо
лінійну задачу,
нелінійності
не враховуємо.
Можна представити
.

.
Ми знехтували
,
прирівнявши
їх відповідно
з
,
.
,
оскільки добутки
мають другу
ступінь малості.
З цієї системи
одержимо розв’язок:
.
Тут гіромагнітна
частота
,
тобто маємо
гіромагнітний
ефект у фериті.
При
(нескінченності
не буде, оскільки
можна замінити
як
)
буде
.
Нехай
,
тоді
,
.
Таким чином
точка обертається
по годинниковій
стрілці.
Виявляється,
магнітний
момент, як і
спін електрона,
може рухатись
лише по правому
колу.
Таким чином,
лівополяризоване
поле не буде
впливати. На
даних властивостях
працюють всі
прилади.

Лекція
33
Прилади.
Вони бувають
трьох основних
типів:
Резонансні.
,
характеристика
поглинання
поля:






Прилади на
ефекті зміщення
поля.
Помістимо
феритову кулю
в поле. Хвиля
рухається,
налітає на
кульку. Якщо
куля в центрі,
то поле на кулі
матиме поперечну
поляризацію.
На стінці поляризація
буде повздовжньою.
Якщо куля ні
в центрі, ні на
стінці, то поле
буде обертатися,
тобто кругова
поляризація.

Т аким
чином у хвилеводі
існують точки
поздовжньої,
поперечної
та кругової
поляризації.
Оскільки
моменти в фериті
обертаються
в одну сторону,
то поляризація
в різних точках
хвилеводу буде
різна. Взаємодія
буде протилежною
при зміні напрямку
поля, напрямку
хвилі та при
симетричній
зміні положення
зразка у хвилеводі.
При взаємодії
фериту з полем
,
при відсутності
взаємодії
.
У циркуляторі
з феритом хвиля
в одному напрямку
буде взаємодіяти
з феритом сильніше,
ніж у протилежному
(як і в хвилеводі
– див. Мал.). Відповідно
і довжина хвилі,
що обертається
за часовою
стрілкою, буде
,
а для хвилі, що
обертається
проти,
.
Змінюючи радіус
та
,
можна налагодити
прилад так щоб
хвиля повністю
переходила:
,
і не інакше.

Прилади на
ефектах
Фарадея.
Лекція
34
Плоскі
хвилі в гіротропному
середовищі.
Нехай

. Не реагує на
складову
,
а тільки
.
Обертання
магнітного
моменту відбувається
лише у площині
.
.
Розповсюджуюче
плоске поле
.
.
Запишемо
рівняння Максвела:
Ми розглядаємо
- скаляр, тобто
просто ферит.
Використовуємо
формулу
;
тоді рівняння
Максвела можна
записати в
такому вигляді:
.
Позначимо
- це уповільнення,
оскільки
-
новий хвильовий
вектор,
- хвильовий
вектор без
фериту.

.
Розглянемо
прості випадки:
(хвиля розповсюджується
вздовж поля):
.
Тут мають
місце пряма
і зворотна
хвилі:
,
.
Тут буде
.
Крім того, отримаємо
,
де “-“ – права
хвиля, “+” – ліва
хвиля. Це означає,
що при падінні
на ферит лінійна
поляризація
розкладається
на дві зустрічні
кругові поляризації:

Це має місце
і у всіх інших
середовищах,
але там це не
має значення.
Далі права
кругова поляризація
буде обертати
магнітний
момент, і для
неї буде
,
а ліва кругова
поляризація
магнітний
момент обертати
не зможе, ферит
для неї не існує,
тобто стала
розповсюдження
буде
.
Звідси випливає
ефект Фарадея.
(ефект
Катоне-Мутона)
– подвійне
променезаломлення.
Отримаємо
дві незалежні
системи рівнянь:

.
Знову маємо
дві незалежні
хвилі з різними
.
Р озглянемо
дві хвилі з
круговою
поляризацією:
Тобто, у
взаємодіючій
хвилі довжина
хвилі буде
менша. Зсунемось
від початку
на період
,
тоді друга
хвиля повернеться
в початковий
стан, а перша
не встигне.
Тоді
дасть вектор
під кутом
до нульової
площини.
-
кут Фарадея
(кут повороту
площини поляризації).
,
ми розглянули
.
Цей кут змінюється
в залежності
від відстані.

Лекція
35
Фарадеївський
вентиль і циркулятор.
Ці прилади
працюють
на великих
потужностях.
Вхідна та вихідна
щілини повернуті
на
одна відносно
іншої. Всередині
– ферит, навколо
– електромагнітна
котушка. Підбираємо
параметри так,
щоб хвиля змінювала
поляризаційний
кут на
після проходження
.

Якщо пропустити
хвилю з кінця
на вхід, то буде:

і хвиля не
піде
,
вона піде в 3,
оскільки тут
буде зв’язок
по МП, таке поле
може вийти в
3, а в 1 – не може.

Отримуємо
циркулятор
,
.
Якщо замість
2 поставити
заглушку, то
отримаємо
вентиль, бо
хвиля піде
.
Мікросмужкові
лінії з феритом.
Замість
діелектрику
беремо
,
.

Площина
поляризація
задана металевими
смужками і не
може обертатися.
Можна змінювати
.
Є також три
варіанти намагнічення
[1], [2], [3].
Лекція
36
Аналіз
та синтез НВЧ
– елементів.
Хвильові
матриці п -
полюсника.
Розглянемо
відому матрицю
розсіювання
.
Нехай маємо
-
полюсник, у
нього
входів і виходів.
Для кожного
входу та виходу
є падаюча та
відбита хвилі.
Будемо користуватися
нормованими
величинами:
-
для падаючої
хвилі,
- для відбитої.
,
- амплітуди
падаючої та
відбитої хвиль,
,
-
відповідні
потужності.
Будемо вважати,
що відбита
хвиля зумовлена
всіма хвилями,
що увійшли в
- полюсник:
.
Маємо матрицю:
,
можна записати
в матричному
вигляді:
.
Фізичний
зміст
- коефіцієнт
відбиття від
к – того порту.
- коефіцієнт
передачі з
порту у к – тий.
П обудуємо
матрицю ідеального
вентиля.
;
;
.
Отже
.
П обудуємо
матрицю для
циркулятора:
Матриця
не ермітова,
бо враховує
поглинання.
В ермітових
втрат енергії
немає.

Отримаємо
матрицю наступного
з’єднання
хвилеводів:

- коефіцієнт
відбиття від
порту 1.
,
де
.
,
.
Так як
то
,
отже
.
М атриця
шматку хвильоводу:
тут враховується
фаза;
,
- це враховує
відставання
по фазі на
на
відстані
.
Рівняння
інцеденцій.
Матриця
розсіювання
для з’єднання
малополюсників,
якщо відомі
матриці окремих
малополюсників.
Нехай маємо
довільний набір
елементів.
Лекція
37
Метод
орієнтованих
графів.





Можна виключити
вершину
.
Для цього стрілки
продовжують
так, ніби вузла
і
не було. В діамагнетику
вказується
- коефіцієнт
при виключеній
вершині.
Задача:
Знайти за допомогою
орієнтованих
графів параметри
системи.

С кладемо
графи елементів:
Перепозначимо
входи – виходи
навантаження
через
,
.
Можна записати,
що
,
.
Тепер можна
записати рівняння
і матрицю:
.
Більш того,
нас цікавить
коефіцієнт
відбиття всієї
системи, тобто
безпосередній
зв’язок
.
Виключимо
,
потім
,
послідовно
отримуємо:

Ми отримали
коефіцієнт
відбиття від
навантаження
через узгоджувальний
трансформатор.
В ключимо
між
та
відрізок хвильоводу
,
тоді буде три
матриці:
Тоді замість
в попередній
формулі одержимо
.
Лекція
38
Синтез
НВЧ – елементів.
Зараз існує
синтез лише
пасивних елементів.
Фільтри
НВЧ.
Існують методи
синтезу по
Каеру та Форстру.
Виходять з
характеристик
фільтру. Синтезується
лише ФНЧ, інші
отримують за
допомогою
нескладних
перетворень.
Існує апроксимація
по Баттерворту:
,
де
- нормована
частота. Чим
більше
тим ближче до
прямокутної
характеристики.

Ч ебишевська
характеристика
складніша, але
результат майже
такий самий.
Наприклаж для
трансформатора:
Розглянемо
схему:

Цей фільтр
– п’ятого порядку,
бо на ВЧ:
- розрив,
- закоротка,
тобто маємо
(таких елементів
5). Цей фільтр
дає характеристику
ФНЧ (достатньо
круту).
Спробуємо
створити такий
фільтр для НВЧ,
оскільки розрахунки
дають нереальні
з точки зору
технології
значення ємності
та індуктивності.
Розглянемо
лінію довжиною
та опором
.
Їх можна
представити
у вигляді:

У
другій схемі
,
.
Тонка довга
лінія має
і є індуктивністю,
широка коротка
лінія представляє
собою ємність.
Тоді вихідну
схему можна
представити
як:
Однак, нам
потрібно розрахувати
зовнішні параметри
хвильоводів.
Нехай
- опір, а
- довжина відповідного
хвильоводу,
тоді запишемо
рівняння:

Звичайно
беруть
,
підбирають
.
Це – перше
наближення,
його досить
для визначення
параметрів
лінії. Наближення
– бо ми вважаємо
опори дуже
великими, чи
дуже маленькими.
Розглянемо
друге наближення:
ні індуктивності
не рівні нулю,
і вони впливають
на сусідні
ділянки. Тоді
маємо:

Врахували,
що
.
В НВЧ маємо
еквівалентні
схеми:
   
 
 
  
    
  
  
 
Паралельний
контур:

Ємність:


|