Реферат: Совершенствования технологических процессов переработки зерна в муку и крупу
Реферат: Совершенствования технологических процессов переработки зерна в муку и крупу
АННОТАЦИЯ
Дипломный
проект представлен
пояснительной
запиской на
____ страницах
печатного
текста включая
____ таблиц, ____ рисунков,
____ наименований
использованной
литературы.
В пояснительной
записке приведены
анализ существующих
технологий
и оборудования
для переработки
зерна в муку.
Выполнены
расчеты необходимого
технологического
оборудования.
В конструктивной
части предложены
пути совершенствования
и выполнены
расчеты конструкции
обоечной машины.
Разработаны
мероприятия
по охране труда
и технике
безопасности.
Выполнено
технико-экономическое
обоснование
усовершенствованной
технологии
переработки
зерна в муку
и конструкции
обоечной машины.
СОДЕРЖАНИЕ
Введение
Характеристика
хозяйства
Общие сведения
Состояние
сельскохозяйственного
производства
Землеустройство
и мелиорация
земли
Структура
посевных площадей
и система
севооборотов
Сведения
о перерабатывающем
участке
Технология
переработки
зерна в муку
Виды помолов
и обзор способов
переработки
зерна в
муку
Свойства
сырья и готовой
продукции
Описание
усовершенствованного
технологического
процесса
переработки
зерна в муку
4.1. Анализ
применяемой
технологии
и возможности
ее совершенствования
Расчет операции
переработки
Расчет и
подбор оборудования
для
зерноочистительного
отделения
Расчет оборудования
размольного
отделения
Обзор конструкции
обоечных машин
Описание
усовершенствованной
конструкции
обоеч-
ной машины
Технические
характеристики
Основные
регулировки,
подготовка
к работе,
работа
8. Конструктивная
часть
Технологические
расчеты
Определение
окружной скорости
ротора
обоечной
машины
Прочностные
расчеты
Охрана труда
Анализ состояния
охраны труда
в “Конном
заводе157”
Анализ
производственного
травматизма
Обучение
по охране труда
Пожарная
безопасность
Производственная
санитария
участка
Инструкция
по охране труда
при работе на
усовершенствованной
обоечной машине
Общие требования
безопасности
Требования
безопасности
перед работой
Требования
безопасности
во время работы
Требования
безопасности
в аварийной
ситуации
Требования
безопасности
по окончанию
работы
Технико-экономическое
обоснование
предлагаемого
технического
решения
Расчет капитальных
вложений
Расчет
эксплуатационных
затрат
Показатели
использования
труда и
его производи-
тельности
Определение
ожидаемого
экономического
эффекта
от применения
новых механизмов
Расчет
материалоемкости
производственных
процессов
Расчет
энергоемкости
производственных
процессов
Экология
Заключение
Литература
Приложение
ВВЕДЕНИЕ
Зерноперерабатывающая
промышленность
одна из ведущих
отраслей народного
хозяйства нашей
страны, которая
вырабатывает
муку и крупы,
а также комбикорма.
Мукомольную
и крупяную
промышленность
считают важным
звеном агропромышленного
комплекса,
поскольку она
обеспечивает
производство
основных продуктов
питания людей
- муки и круп.
Мукомольная
и крупяная
промышленность
тесно связана
с сельскохозяйственным
производством
и пищевой
промышленностью,
прежде всего
хлебопекарной.
Хлебные продукты
содержат в
своем составе
важные питательные
вещества (белки,
углеводы и
др.), необходимые
человеку.
Мукомольная
и крупяная
промышленность
нашей страны
добилась значительных
успехов в своем
развитии и
совершенствовании.
При содержании
в пшенице около
77...83% наиболее
ценной ее части
- эндосперма
на передовых
мукомольных
заводах получают
65...75% муки по качеству,
близкой к качеству
эндосперма.
Эффективность
технологических
процессов
производства
и муки и крупы
определяется
уровнем использования
зерна и электроэнергии,
а так же качеством
вырабатываемой
муки и крупы
на эффективность
переработки
зерна в муку
и крупу оказывают
влияние технологические
свойства
перерабатываемого
зерна, структура
и режимы технологического
процесса на
мукомольном
крупяном заводах,
состав технологического
и транспортного
оборудования.
Технологические
процессы переработки
зерна в муку
сопровождаются
сложными
структурно-механическими,
физико-химическими
и биохимическими
изменениями
в зерне и готовой
продукции.
Поэтому знание
закономерностей
указанных
изменений не
только составляет
сущность изучения
технологии
мукомольного
и крупяного
производства,
но и служит
основой дальнейшего
совершенствования
технологических
процессов
переработки
зерна в муку
и крупу.
1. ХАРАКТЕРИСТИКА
ХОЗЯЙСТВА
1.2 Общие
сведения.
Хозяйство
расположено
в южной зерново-скотоводческой
с развитым
свиноводством
сельскохозяйственной
зоне Ростовской
области в 120 км
от областного
центра - г. Ростова
на Дону и в 49 км
от районного
центра - г. Зернограда.
Имеет 4 населенных
пункта, в которых
проживает 1891
человек, в том
числе 822 трудоспособных..
Административный
и хозяйственный
центр п. Чернышевка
связан с областным
и районным
центром автодорогой
с твердым покрытием.
Состояние
дороги хорошее.
Общая площадь
землепользования
22646 га, из них
сельскохозяйственные
угодья занимают
20778 га (91.7%), в том числе
пашня - 19070 га (84.2%).
Качество
пашни, как основного
средства
производства,
характеризует
данные экономической
оценки: балл
оценки по выходу
кормовых единиц
равен 55.3, по району
- 55.0, по области
- 39.4.
Пашня имеет
средний угол
до 1.
Основные
климатические
факторы, определяющие
условия роста
и развития
сельскохозяйственных
культур показаны
на климатограмме.
Для условий
хозяйства при
сумме температур
более 10-3400
и сумме годовых
осадков 486 мм,
коэффициент
биологической
продуктивности
равен 1.18, а БКП
- 3.82.
Для этого
значения БКП
климатически
обеспеченный
урожай озимой
пшеницы составляет
40.5ц/га, а кукурузы
на зерно - 50.5 ц/га.
Естественный
травостой
сохранился,
в основном
вокруг населенных
пунктов, животноводческих
ферм и “зеленых
зонтов” из
древесной
растительности,
служащих для
укрытия лошадей
в жаркую погоду.
Естественная
травянистая
растительность
используется
под выпас
общественного
и личного скота,
участок площадью
57 га севернее
х. Целинского
никогда ни
распахивался,
ценен как фрагмент
мало сохранившихся
типов степной
растительности,
охраняется
хозяйством.
Характеристика
естественного
травостоя дана
на прилагаемой
геоботанической
карте.
Древесно-кустарниковая
растительность
занимает площадь
869 га (3.8%), в том числе
полезащитные
лесные полосы
- 672 га.
Наиболее
распространенными
на территории
хозяйства
почвами являются
черноземы
предкавказские
и лугово-черноземные
почвы с тяжелым
механическим
составом. Черноземы
предкавказские
малогумусные
занимают площадь
2094 га (89.6%). Обладают
высоким потенциальным
плодородием
и пригодны под
посевы всех
культур. Лугово-черноземные
почвы, малогумусные
занимают площадь
2349 га (10.4%), очень
часто затапливаются
талыми и дождевыми
водами, в результате
чего посевы
сельскохозяйственных
культур(озимая
пшеница, многолетние
травы) частично
погибают от
вымывания.
1.2 Состояние
сельскохозяйственного
производства.
Производственное
направление
хозяйства
племенное
коневодство,
хотя по интенсивности
сельскохозяйственного
производства
и структуре
товарной продукции
оно имеет
зерново-скотоводческое
направление.
Организационно-производственная
структура
постоянна по
территориальному
принципу,
функционируют
и отделения,
самостоятельная
свиноводческая
ферма и садоводческая
бригада.
В агропромышленном
комплексе
района хозяйство
занимает десятое
место по стоимости
валовой продукции
100 га сельскохозяйственных
угодий.
В структуре
товарной продукции,
продукция
растениеводства
составила
49.0%, в том числе
зерно - 33.4%, технические
- 9.8%, продукция
животноводства
- 51.0%, в том числе
молоко - 15.9%, мясо
КРС - 14.1%, мясо свиней
- 7.7%, коневодства
- 12.7%.
В структуре
посевных площадей
(зерновые занимают
10153 га (53.3%)), в том числе
подсолнечник
1621 га (8.5%).
Урожайность
зерновых культур
в среднем за
_____ г.г. составила
32.8 ц/га, за ________ г.г.
30.0 ц/га, озимой
пшеницы соответственно
36.4 ц/га и 33.9 ц/га;
подсолнечника
20.1 ц/га и 19.4 ц/га.
В хозяйстве
имеется 4282 голов
КРС, в том числе
1340 голов коров;
6265 голов свиней;
5000 голов птицы;
1348 голов лошадей.
Производство
продукции
растениеводства
хозяйство
планирует
увеличить на
21%, продукции
животноводства
на 38%, что позволит
выполнить
задачи, намеченные
Продовольственной
программой.
Перспективная
урожайность
принята с учетом:
биоклиматического
потенциала
продуктивности
земли и качественной
оценки пашни;
освоения
научно-обоснованной
системы земледелия.
Поголовье
КРС на перспективу
составит 2960 голов,
в том числе
коров 1450 голов;
поголовья
свиней 7700 голов;
5000 голов птицы
и 1600 голов лошадей,
в том числе 560
маток. В связи
с сокращением
сроков откорма
и уменьшением
среднесуточных
привесов уменьшится
стадо КРС. Поголовье
свиней и лошадей
уменьшилось.
1.3 Землеустройство
и мелиорация
земель.
Внутрихозяйственное
землеустройство
было проведено
институтом
Южгипрозем
в 1977 году.
В ходе разработки
системы земледелия
в проект внесены
следующие
изменения: на
год проведения
работ в хозяйстве
введена в действие
осушительная
сеть на площади,
заполняемой
пашни 5609 га, что
привело к изменению
границы между
5-м и 6-м отделениями,
вызвало необходимость
проектирования
новых севооборотов,
совершенствования
структуры
посевных площадей.
Состав и
соотношение
угодий в целом
по хозяйству,
объемы мероприятий
по основанию
и улучшению
земли приняты
согласно внесенных
в ранее составленный
проект изменений.
Пашню намечено
использовать
в севооборотах
19185 га (100%). Организовано
4 полевых 8-9 полных
севооборотов
со средними
размерами полей
451-526 га и 3 кормовых
5-7 полных севооборота
со средними
размерами полей
104-183 га..
Размещение
полей в севооборотах
произведено
с учетом проведения
мероприятий
по защите почв
от эрозии, размещения
существующей
сети лесных
полос, дорог
и осушительных
каналов, однородности
почвенного
покрова. В полях
неоднородный
почвенный
покров и различную
степень подверженности
эрозийным
процессам,
выделены рабочие
участки.
Земельный
фонд, распределен
между отделениями,
в следующих
размерах
Таблица 1.1
Распределение
земельного
фонда
| Виды
угодий |
Всего
по хозяйству |
в
том числе
подразделениями |
| 1 |
2 |
3 |
4 |
5 |
6 |
| Пашня |
19185 |
5337 |
4761 |
4882 |
- |
- |
4205 |
| в
т.ч. |
|
|
|
|
|
|
|
| осушенная |
5609 |
317 |
492 |
3719 |
|
- |
1081 |
| мн.насаждения |
94 |
|
|
|
|
94 |
|
|
сенокосы
пастбища
|
1627 |
516 |
370 |
487 |
|
|
254 |
|
Итого с/х
угодий
|
20906 |
5853 |
5131 |
5369 |
|
94 |
4459 |
| Др.угодья |
1740 |
471 |
355 |
544 |
65 |
6 |
299 |
| Всего
земель |
22646 |
6324 |
5486 |
5913 |
65 |
100 |
4758 |
На кормовых
угодьях организованы
пастбище обороты.
Вся площадь
пастбищ разбита
на отдельные
участки, которые
закреплены
за группами
скота общественного
и индивидуального
пользования.
В целях более
полного и
рационального
использования
земельного
фонда намечено
освоение новых
земель и улучшение
сельскохозяйственных
угодий. В пашню
осваивается
145 га других угодий
(трансформация
учтена при
разработке
плана перехода
к севооборотам)
в пастбище - 58
га.
Улучшение
намечено провести
на площади 839
га естественных
кормовых угодий.
На участках,
пригодных по
природным
условиям (почва,
рельеф) под
коренное улучшение,
намечено произвести
дискование
в два прохода,
внести удобрение,
вспахать и
засеять травосмесью.
Кроме того,
будут перезалужены
существующие
участки коренного
улучшения. На
остальной
площади намечено
провести меры
укоса (боронование,
уничтожение
вредных и ядовитых
трав).
На момент
составления
системы земледелия
в хозяйстве
имелось 5609 га
осушенных
земель; в том
числе 5609 га пашни.
Затопленные
площади находятся
в прямой зависимости
от выпадения
атмосферных
осадков, поэтому
в годы с большим
их количеством
необходима
нарезка дополнительных
выводных борозд
для отвода с
полей в существующую
коллекторную
сеть. Дальнейшее
строительство
коллекторной
сети в хозяйстве
не предусматривается.
1.4 Структура
посевных площадей
и система
севооборотов.
Система
земледелия
предусматривает
дальнейшее
совершенствование
структуры
посевных площадей.
До завершения
строительства
дренажной сети
в 1982 году значительные
площади посевов
сельскохозяйственных
культур вымокали
или в следствии
длительного
затопления
переувлажненные
земли не использовались
под посевы.
Поэтому по
отчетам за 10-ю
и 11-ю пятилетки
в площади паров
не включали
используемые
для посевов
земли.
После завершения
строительства
системы осушения
эти земли
используются
в сельскохозяйственном
производстве
и площади чистого
пара выдерживаются
в соответствии
с зональной
системой земледелия.
По сравнению
с 10-й пятилеткой
по проекту в
структуре
посевных площадей,
группа зерновых
увеличилась
за счет сокращения
затопленных
земель.
Удельный
вес зерновых
в среднем составил
60.3%, из них озимых
34.9%; технических
8.9%, из них подсолнечника
8.9%, кормовых 20.4%,
из них многолетних
трав 9.5%; паров
10.1% (таблица ).
На основе
принятой структуры
посевных площадей
выводятся
научно-обоснованные
севообороты,
которые позволяют:
сохранить и
повысить почвенное
плодородие;
эффективно
бороться с
сорняками,
вредителями
и болезнями;
защитить почву
от эрозии; внедрить
рациональную
систему ее
обработки;
обеспечить
лучшими предшественниками
ведущие культуры.
Вводятся
полевые девяти
и восьми польные
севообороты
зернопаропропашного
вида и кормовые
7-5 польные севообороты
зернотравяного
вида.
Место положения
и размеры
севооборотных
массивов, количество
полей, их средние
размеры и порядок
чередования
культур, приведены
в таблице №
и на чертеже
проекта.
Для скорейшего
освоения намеченных
севооборотов
разработан
план перехода
с учетом размещения
сельскохозяйственных
культур в 1984-85
г.г. участков
освоения новых
земель. Освоение
севооборотов
хозяйство
закончит в 1988
году.
Растениеводство.
Основной
задачей растениеводства
является выполнение
плана продажи
зерна государству
и обеспечение
животноводства
кормами. Структура
посевных и
урожайность
сельскохозяйственных
культур принята
следующая
Таблица 1.2.
Структура
посевных площадей
| Наименование
культур |
Площадь,
га
|
% к
пашне
|
Урожайность,
ц/га |
| 1 |
2 |
3 |
4 |
| 1.Зерновые
- всего |
11357 |
58,2 |
32,8 |
| в
т.ч. а) озимые |
8235 |
42,2 |
35,0 |
| из
них: пшеница |
6799 |
34,8 |
35,0 |
| ячмень |
14,36 |
7,4 |
35,0 |
| б)
яровые |
3122 |
16,0 |
27,2 |
| из
них: ячмень |
1661 |
8,5 |
27,0 |
| овес |
541 |
2,8 |
25,0 |
| кукуруза |
540 |
2,8 |
35,0 |
| горох |
380 |
1,9 |
20,0 |
Продолжение
таблицы 1.2
| 1 |
2 |
3 |
4 |
| 2.
Подсолнечник |
1977 |
10,1 |
22,0 |
| 3.
Овоще-бахчевые |
45 |
0,2 |
- |
| 4.
Кормовые - всего |
3878 |
19,8 |
- |
| в
т.ч.: кукуруза
на силос и
зел.корм |
980 |
5,0 |
220,0 |
| корнеплоды |
165 |
0,8 |
400,0 |
| Мн.
Травы - всего |
1775 |
9,1 |
- |
| из
них: сено |
1091 |
5,6 |
35,0 |
| з/корм |
408 |
2,1 |
220,0 |
| сенаж |
- |
- |
- |
| тр.мука |
176 |
0,9 |
30,0 |
| семена |
100 |
0,5 |
2,5 |
| Однол.травы
-всего |
958 |
4,9 |
- |
| из
них: з/корм |
468 |
2,4 |
170,0 |
| сено |
40 |
0,2 |
35,0 |
| сенаж |
230 |
1,2 |
85,0 |
| тр.мука |
200 |
1,0 |
30,0 |
| семена |
20 |
0,1 |
10,0 |
| Посевные
площади |
17257 |
88,4 |
- |
| П
а р ы |
2276 |
11,7 |
- |
| Всего
пашни: |
19533 |
100,0 |
- |
Предлагаемая
структура
посевных площадей
отвечает основным
требованиям
культурного
земледелия,
рациональным
правильным
севооборотам,
обеспечивает
кормами собственного
производства
проектируемое
поголовье и
скот, и соответствует
почвенно-климатическим
условиям хозяйства.
Под зерновые
культуры отводится
58.2% пашни, в том
числе под озимую
пшеницу 34.8%. Озимая
пшеница в условиях
хозяйства,
высеваемая
по лучшим
предшественникам,
является наиболее
урожайной
сельскохозяйственной
культурой,
поэтому она
занимает наибольший
удельный вес.
Придается
большое
значение выращиванию
подсолнечника,
площадь которого
займет 10.1%. Площадь
под кормовыми
составит 19.8%. Из
кормовых культур
будут выращиваться
кукуруза на
силос и зеленый
корм, многолетние
травы на сено,
зеленый корм,
витаминно-травяную
муку, однолетние
травы в смеси
с бобовыми на
сено, зеленый
корм, сенаж и
др. Удельный
вес многолетних
трав составит
9.1%, однолетних
4.9%.
Урожайность
с/х культур
принята с учетом
средней урожайности
за последние
пять лет, с тем
севооборотом,
внесения органических
и минеральных
удобрений по
фактическому
выносу их растениями
из почвы, создания
законченной
системы лесных
полос.
Не мало важное
значение в деле
получения
стабильных
и высоких урожаев
озимой пшеницы
имеют пары.
Площадь под
парами увеличится
с 2.3% в 1998 году до
11.7% к 1999 году. Потребность
в минеральных
удобрениях
составит 136698 тонн
(в условных
тюках) в том
числе - азотных
4602 тонны, фосфорных
- 8678 т и калийных
- 418 тонн.
Органические
удобрения
вносятся в
количестве
22539 тонн в смеси
с фосфорными
в основном под
зерновые по
парам.
Дозы удобрений,
время внесения
и способы заделки
разработаны
в зависимости
от планируемого
урожай и чередования
с/х культур в
севообороте
и выноса питательных
веществ растениями
из почвы. При
этом использовались
материалы
агрохимических
картограмм,
рекомендации
в хозяйстве
по применению
удобрений.
Согласно данным
агрохимических
картограмм
обеспеченность
почв хозяйства
подвижным
фосфором низкая,
поэтому повышены
дозы внесения
фосфорных
удобрений.
Одним из
резервов повышения
урожайности
с/х культур
является защита
их от вредителей
и болезней. При
этом необходимо
применять весь
комплекс мероприятий,
включающие
организационно-хозяйственные
агротехнические
и химические
способы борьбы.
Ведущая роль
среди них отводится
высокой агротехнике
и организационно-хозяйственным
мероприятиям.
Ежегодно на
11500 га предусматриваются
химические
меры борьбы,
в том числе
авиацией на
площади 9750 га,
на год освоения
проекта большое
применение
получат гербициды.
Семеноводство
Семена элитных
и частично
первой продукции
районированных
в хозяйстве
зерновых культур
приобретаются
на сортоиспытательных
участках, на
лучшем агрофоне,
на 6-м производственном
участке будут
выращиваться
гибридные
семена кукурузы
и семена многолетних
трав.
Посевы элиты
зерновых культур
ежегодно следует
иметь не менее
10 га на каждый
1000 га посевов
товарного зерна
с расчетом
товарной пшеницы
семенами второй
репродукции.
Семенные
участки однолетних
и многолетних
трав 100 га (6-й
производственный
участок) и однолетних
20 га на 1-м производственном
участке.
Механизация
в растениеводства.
Решающим
условием ускоренного
роста производительности
труда являются
всемерное
повышение
уровня механизации
трудоемких
процессов.
Степень
механизации
сельскохозяйственных
работ в растениеводстве
Конного завода
№ 157 довольно
высока: механизированы
полевые работы
по возделыванию
зерновых, технических
и силосных
культур, однолетних
и многолетних
трав.
Однако, много
еще ручного
труда применяется
в садоводстве,
по возделыванию
овощных культур
и картофеля,
не достаточно
механизированы
погрузочно-разгрузочные
работы.
На год освоения
проекта значительно
увеличивается
на год тракторных
работ, за счет
увеличения
производства
продукции и
увеличения
объема транспортных
работ, внедрения
противо-эрозийных
мероприятий,
внесения на
поля органических
и минеральных
удобрений. Для
выполнения
всех полевых
работ в оптимальные
сроки хозяйству
необходимо
иметь 31 пахотных,
86 пропашных
трактора и в
перерасчета
эталонные 91.7.
Выработка на
1 эталонный
трактор составит
1356 га условных
га.
Потребность
в зерноуборочных
комбайнах
рассчитана
по площади
уборки озимых
и яровых культур
с коротким
вегетационным
периодом (ячмень,
горох, овес).
Для своевременной
уборки потребуется
6 зерновых комбайна,
нагрузка на
один комбайн
составит 165 га.
При расчете
потребности
в тракторах,
комбайнах и
др.с/х техники
предусматривалась
замена тракторов
и комбайнов
устаревших
марок новыми,
более производительными:
МТЗ-80, МТЗ-82, ЮМЗ-6Л,
К-700А, СК-5, “Нива”,
“Колос”.
Особое внимание
уделяется
внедрению
комплексной
механизации
производства
витаминно-травяной
муки, закладки
сенажа, сеноуборочных
работ и уборке
соломы.
1.5 Сведения
о перерабатывающем
участке.
Мельница
мощностью 8
тонн переработки
зерна в сутки
на базе комплекта
оборудования
отечественного
производства
с механическим
транспортом
в подготовительном
отделении и
пневматическим
- В размолочном.
Общий выход
муки 45%, второго
сорта 25%, односортный
обойный помол
96%. Отпуск готовой
продукции
осуществляется
на автотранспорте.
Технологическая
часть проекта
мельницы разработана
в соответствии
с действующими
нормами и правилами
по проектированию
мельниц на
основе “Правил
ведения технологического
процесса на
мельницах”.
Зерно, направляемое
на переработку,
должно быть
базисной кондиции:
влажность
14.5%, зольность
чистого зерна
(без сорной
примеси) - 1.97%,
содержание
сорной примеси
1%, в том числе
минеральной
0.1%, вредной 0.1% (во
вредной примеси
горчака или
вязеля - 0.05%), содержание
зерновой примеси
1%, натура пшеницы
при помоле 750
г/л.
1.6 Технология
переработки
зерна в муку.
Подготовительное
отделение
Процесс
подготовки
зерна к помолу
построен по
следующей
схеме: зерно
из самосвала
выгружается
в бункер неочищенного
зерна, в днище
которого вмонтирован
конвейер винтовой,
который подает
зерно в башмак
порции 1-2х10 №1 и
далее порцией
зерно подается
на первичную
очистку в аспиратор
РЗ-БАБ и на
зерноочистительный
сепаратор
А1-БЛС-12 где происходит
очищение зерна
от крупных,
мелких и мягких
примесей, пыли.
Отходы из сепаратора
отправляются
в коробки для
примесей, очищенное
зерно направляется
в камнеотборник
фитоционного
действия РЗ-БКГ-100
для отделения
минеральных
примесей. Далее
зерно поступает
на обоечную
машину РЗ-БГО-6
осуществляющую
очистку поверхности
зерна.
При обработке
зерна в этой
машине должны
быть разрушены
комки земли,
частично удалены
бородки, верхний
слой плодовой
оболочки и
зародыш. Обработка
зерна в обоечной
машине должна
обеспечить
очистку его
поверхности
и характеризоваться
следующими
показателями
в %:
Зерно поступает
в кольцевой
зазор, между
которым и цилиндром,
где в результате
многократных
ударов и интенсивного
трения происходит
очистка поверхности
и частичное
шелушение.
Проход сетчатого
цилиндра попадает
в коробку для
кормовых отходов.
После обоечной
машины зерно
поступает в
аспирационный
канал РЗ-БНА-50
для очистки
от легких примесей
и далее направляется
в башмак порции
1-2х10 №2,. Затем зерно
порцией 1-2х10
направляется
винтовым конвейером
в бункер очищенного
зерна для накопления.
Из бункеров
очищенного
зерна конвейером
винтовым очищенное
зерно порцией
1-2х10 №2 поступает
на машину для
увлажнения
А1-БШУ-2. Увлажненное
зерно винтовым
конвейером
подается в
бункер для
отволаживания.
В нижней части
отлетных бункеров
установлены
вибропитатели,
через которые
зерно винтовым
конвейером
поступает в
пневмоприемник
- обвод.
Применяемая
схема подготовки
зерна к помолу
в зерноочистительном
отделении
обеспечивает
очистку от
сорной зерновой
минеральной
ферромагнитной
примесей,
установленных
для зерна,
направляется
в помол (на 1 дранную
систему). Действие
на зерно факторов
влаги и тепла
во времени
позволяет
улучшить его
технологические
свойства.
Производительность
машин и бункеров
позволяет
обеспечить
полую загрузку
и ритмичную
работу размольного
отделения
мельницы.
Зерно, направляемое
на дранную
систему, после
очистки и подготовки
должно характеризоваться
следующими
показателями
качества:
а) влажность,
полученная
в результате
кондиционирования
при сортовом
помоле мягкой
пшеницы, 15-16%;
б) содержание
сорной примеси
не более 0.4%, в том
числе куколя
не более 0.1%, вредной
примеси (голавли,
спорыньи, горчака,
вязеля, мышатника)
не более 0.05%, в
т.ч. горчака и
вязеля не более
0.04%;
в)зерновой
примеси пшеницы
- зерен ячменя,
ржи, а также
проросших зерен
не более 3%.
Размольное
отделение
В размольном
отделении
мельницы
предусмотрена
установка
следующего
технологического
оборудования.
Вальцовые
станки ЗМ250х600
- 3 шт.
Центробежные
пневмоситовые
сепараторы
- 9 шт.
Конвейеры
винтовые У21-БКВ16
- 16.
Технологической
схемой предусмотрено
2 дранные системы
и 2 размольных
системы.
Технологическим
процессом
предусмотрено
измельчение
продукта на
вальцовых
станках 3М-600х250
с последующим
рас сортированием
на центробежных
пневмоситовых
сепараторах
.
Более тяжелые
примеси направляются
в вальцовые
станки на
дополнительный
размол. А мука
конвейерами
винтовыми
направляется
в бункера 1 и
2 сорт, отруби
- в бункер отрубей
расположенные
в выбоенном
отделении.
Под бункерами
муки расположены
лари. Мука может
при помощи
однорядного
ввода затаривается
в мешок или
поступает в
ларь. Отруби
из бункера
отрубей конвейером
винтовым
У21-БКВ-16-16 поз.7
подаются на
автотранспорт.
2. ВИДЫ
ПОМОЛОВ И ОБЗОР
СПОСОБОВ ПЕРЕРАБОТКИ
ЗЕРНА В МУКУ
В зависимости
от поставленной
задачи о сортности
муки и ее выходу,
число технологических
операций, их
взаимосвязь
и последовательность
могут быть
различными.
При выработке
обойной муки
задача заключается
в измельчении
до установленной
крупности. На
современном
уровне развития
техники решить
эту задачу не
сложно, поэтому
процесс помола
включает только
один этап, при
котором зерно
интенсивно
измельчают
в муку.
При производстве
сортовой муки
полному измельчению
подвергают
только крахмалистый
эндосперм, а
оболочки и
зародыш, выделяют
в виде отрубей.
Эта сложная
задача направленного
измельчения
зерна вынуждает
существенно
усложнять
технологический
процесс. Необходимо
вводить дополнительные
операции,
обеспечивающие
разделение
продуктов
измельчения
зерна по качеству
на основе
физико-химических
и структурно-механических
свойств анатомических
частей зерновки.
В общепринятую
схему классификации
помолов (рис.
) входят кратность
измельчения
зерна, число
отдельных
этапов в технологической
схеме и степень
сложности
построения
ситовеечного
процесса, занимающего
особое место
в технологии
муки.
Схема классификации
помолов пшеницы
П ОМОЛЫ
Р АЗОВЫЕ ПОВТОРИТЕЛЬНЫЕ
П  РОСТЫЕ СЛОЖНЫЕ
Без ситовеечного С
развитым
и шлифовального ситовеечным
процессов и
шлифовальными
процессом
С сокращенным
ситовеечным
процессом
Рис. 1.1
По кратности
операций измельчения
помолы делят
на разовые и
повторные. На
разовом помоле
измельчение
происходит
в результате
однократного
пропуска зерна
через измельчающую
машину. Разовые
помолы применяют
только в комбикормовом
производстве.
Все помолы
зерна в муку
принадлежат
к классу повторительных,
при которых
операции измельчения
зерна повторяются
. При этом муку
выделяют на
ситах, а оставшиеся
продукты измельчают
и сортируют
до полной реализации
задачи данного
помола.
В зависимости
от организации
технологического
процесса
повторительные
помолы можно
подразделить
на простые и
сложные.
Схемы простых
помолов состоят
из одного
технологического
этапа, в котором
крупные частицы
последовательно
операции измельчения
на 3-4 системах;
к ним принадлежат
помолы пшеницы
и ржи в обойную
муку.
К сложным
помолам относятся
помолы пшеницы
и ржи в сортовую
муку. В этом
случае отличительной
особенностью
технологического
процесса служит
наличие и развитость
ситовеечного
процесса, задачей
которого является
сортирование
по добротности
крупок, а также
наличие шлифов
очного процесса.
При переработке
пшеницы сложность
построения
технологического
процесса определяется
типом помола,
связанным с
установлением
для данного
предприятия
ассортимента
муки.
При выработки
муки второго
сорта процесс
помола можно
упростить,
ситовеечный
процесс резко
сократить,
обогащая толь
часть крупок,
необходимость
в шлифовочном
процессе отпадает.
Много сортные
помолы пшеницы
и ниже одно
сортный помол
ее в муку первого
сорта вынуждают
усложнять
технологический
процесс, чтобы
можно было
более полно
выделить крахмалистую
часть эндосперма
и превратить
его в муку, с
возможно меньшим
содержанием
других анатомических
частей зерна.
В этом случае
получают полное
развитие как
технологическая
схема в целом,
так и отдельные
ее этапы, в том
числе ситовеечный
и шлифовальный
процессы. Эти
помолы составляют
третью подгруппу.
Шлифовочный
процесс помола
тесно взаимосвязан
с ситовеечным.
Их органическое
соединение
можно рассматривать
как единый
процесс обогащения
крупок. Таким
образом схема
классификации
помолов учитывает
конкретные
особенности
их организации,
а также ассортимент
вырабатываемой
муки.
С повышением
требований
к качеству муки
усложняется
не только схема
размола, но и
схема подготовки
зерна к размолу.
3. СВОЙСТВА
СЫРЬЯ И ГОТОВОЙ
ПРОДУКЦИИ
Стандарт
и качество
Зерно является
дорогим сырьем.
В общих затратах
на производство
муки и крупы
на долю зерна
приходится
более 90%. Поэтому
важно использовать
зерно с наивысшей
эффективность.,
то есть обеспечить
максимальный
выход готовой
продукции,
наилучшее ее
качество при
минимальных
удельных
эксплуатационных
расходах.
Решение этой
задачи возможно
только на основе
управления
свойствами
зерна в процессе
производства
муки.
Технологические
свойства зерна
являются производными
от группы первичных
свойств, которые
можно подразделить
на физико-химические,
биохимические,
структурно-механические,
тепло-физические,
а также анатомическое
строение зерна.
Технологические
свойства зерна
в значительной
степени определяются
его структурой,
соотношением
масс анатомических
частей, а также
распределение
по ним химических
веществ: белков,
крахмала, клетчатки
и др. Особенности
анатомического
строения зерна
оказывают
решающее влияние
на организацию
и ведение технологии
муки.
Основные
показатели
анатомических
особенностей
зерна с технологической
точки зрения
следующие,
массовое соотношение
анатомических
частей зерна,
прежде всего
относительное
содержание
крахмала; строение
цветковых
пленок, оболочек
и алейронового
слоя, их толщина;
конфигурация
петли бороздки;
микроструктура
эндосперма.
Физико-химические
свойства зерна
оцениваются
большим числом
показателей,
определяющих
различные
стороны этих
свойств. Для
зерна и основных
компонентов
комбикормов
основное значение
имеют следующие
показатели:
геометрическая
характеристика
зерна, зольность,
крупность и
выравненность
зерновой массы,
натура, плотность
и удельный
объем, масса
1000 зерен, стекловидность
зерна.
Важное значение
имеет соотношение
поверхности
частиц, их
гигроскопичность,
сыпучесть,
слеживаемость,
способность
к сводообразованию
и т.д. Эти свойства
оказывают
существенное
влияние на
выбор конкретных
режимов разменных
технологических
процессов
мукомольного,
крупяного и
комбикормового
производства;
измельчения,
сепарирования,
смешивания
и т.д.
Форма и линейные
размеры зерна
влияют на выбор
сит воздушно-ситовых
сепараторов,
триеров, а также
на характеристику
рабочих органов
измельчающих
и шелушильных
машин. Эффективность
технологии
тем выше, чем
меньше различаются
показатели
геометрической
характеристики
частиц сыпучего
материала.
Зольность
- это количество
золы, образовавшейся
в результате
сжигания навески
зерна или муки,
выраженная
в процентах
к массе навески.
Зольность зерна
колеблется
в зависимости
от сортовых
особенностей
и почвенно-климатических
условий его
произрастания.
В низкозольном
зерне хорошо
развит эндосперм.
Такое зерно
в мукомольной
промышленности
ценится выше,
так по содержанию
зольности можно
косвенно судить
о качестве
промежуточных
и конечных
продуктов
переработки.
Крупность
зерна является
важной характеристикой,
чем крупнее
зерно, тем больше
относительное
содержание
эндосперма,
тем выше потенциальный
выход муки. С
увеличением
ширины и толщины
зерна возрастает
его сферичность;
уменьшается
внешняя поверхность
и поэтому снижается
содержание
оболочек и
алейронового
слоя.
Выравненность
зерна по крупности
также играет
важную роль
в технологии
муки. При шелушении
зерна пленчатых
культур с хрупким
ядром необходимо
выделить достаточно
выровненные
по размерам
фракции зерна
с тем, чтобы в
зоне шелушения
обеспечить
примерно одинаковое
воздействие
на каждое зерно.
В противном
случае будет
происходить
или дробление
ядра крупного
зерна, или же
более мелки
фракции зерна
останутся не
измельченными.
Стекловидность
используют
при оценки
зерна пшеницы.
Считается, что
зерно более
высокой стекловидности
отличается
и более высокими
технологическими
свойствами.
Однако стекловидность
зерна является
неустойчивым
признаком и
быстро снижается
при увлажнении
зерна (при хранении
и т.п.).
Плотность
можно рассматривать
как комплексную
характеристику,
суммарно отражающую
такие показатели
физико-химических
свойств зерна,
как структура,
химический
состав, стекловидность
и т.п. Чем выше
плотность зерна
тем выше его
натура. Натура
- это один из
наиболее старых
показателей
зерна. Под
натурой понимают
массу 1 л зерна,
выраженную
в граммах. Чем
выше этот показатель,
тем меньше
мукомольные
свойства зерна,
тем меньше в
зерне содержится
оболочек и
больше эндосперма.
Мукомольные
свойства зерна
с повышением
плотности
улучшаются.
На плотность
существенно
влияют влажность
зерна, температура
и др. факторы.
Биохимические
свойства зерна
определяются
его химическим
составом,
распределением
химических
веществ по
анатомическим
частям, а также
активностью
некоторых
ферментов
гидрометрического
действия не
мало важное
значение имеет
так же наличие
в зерне биологически-активных
веществ. В процессе
подготовки
к переработке
биохимические
свойства зерна
могут изменяться
благодаря
воздействию
тепла и влаги.
Инженер-технолог
должен учитывать
это и выбирать
режим процесса
согласуясь
с биохимическими
особенностями
данной партии
зерна.
При помоле
зерна в сортовую
муку приходит
лишь небольшая
доля биологически-ценных
веществ от
общего содержания
всех биологически
ценных веществ
в муке при
извлечении
ее с выше 70%. Таким
образом, чем
больше выход
муки, тем выше
ее биологическая
ценность.
Структурно-механические
свойства зерна
увязывают
структурные
особенности
материала с
его реакцией
на механическое
воздействие.
Эти свойства
определяют
процесс измельчения
зерна, шелушения,
выход и качество
продуктов
дробления,
расход электроэнергии
на измельчение
зерна. Главными
критериями
оценки механических
свойств материалов
служат их прочность
и твердость.
Зерно постоянно
участвует в
процессе тепло
и влагообмена
с окружающей
средой. Наиболее
интенсивно
развивается
этот процесс
при сушке зерна.
В мукомольном
производстве
зерно при подготовке
к помолу увлажняют
водой комнатной
температуры
или подогретой,
или же обрабатывают
насыщенным
паром при нормальном
атмосферном
давлении.
Технологические
свойства зерна
реализуются
при переработке
его в муку. Поэтому
наиболее полно
их можно оценить
лишь после
переработки
данной партии
зерна по выходу
готовой продукции,
показателям
его качества
и удельным
эксплуатационным
расходам.
В связи с
непостоянством
значений показателей
технические
свойства поступающего
на зерноперерабатывающие
предприятия
так же изменяется.
Это определяет
необходимость
преобразование
при подготовке
к переработке.
Для обеспечения
высокой эффективности
использования
зерна необходимо
ввести процесс
подготовки
и переработки
его в оптимальном
варианте, то
есть подбирать
технологические
режимы, которые
обеспечивают
наивысшую
эффективность
переработки
данной партии
зерна.
Для обеспечения
продажи доброкачественного
зерна и поставки
его перерабатывающим
предприятиям
разработаны
государственные
стандарты в
которых предусмотрены
нормы качества.
В стандартах
указаны базисные
и ограничительные
кондиции.
Базисными
кондициями
называют нормы
качества,
обеспечивающие
его сохранность
и получение
стандартной
продукции.
Базисное качество
зерна определено
следующими
качествами:
зольность
очищенного
зерна 1.85%;
содержание
сорной примеси
1%;
содержание
зерновой примеси
не более 5%;
натура 775 г/л;
стекловидность
не менее 50%;
количество
клейковины
25%.
При отклонении
показателей
качества, от
приведенных
выше базисной
кондиции,
производится
соответствующая
скидка (при
пониженном
качестве) или
надбавка (при
более высоком
качестве) на
выход продукции.
Ограничительными
кондициями
называют предельные
нормы качества
зерна, при которых
возможна приемка
зерна в зернохранилища
зерноперерабатывающих
предприятий.
В зернохранилищах
предприятия
зерно подвергает
предварительной
подготовке
- сушке (при
необходимости),
очистке от
грубых примесей
и составляют
помольные
партии. В результате
такой подготовки
зерно, передаваемое
из зернохранилищ
на мукомольный
завод, должно
отвечать определенным
требованиям.
4. ОПИСАНИЕ
УСОВЕРШЕНСТВОВАННОГО
ТЕХНОЛОГИЧЕСКГО
ПРОЦЕССА ПЕРЕРАБОТКИ
ЗЕРНА В МУКУ
Технологическая
схема переработки
зерна пшеницы
в муку представлена
на листе № 4
графической
части проекта.
После уборки
урожая зерно
содержит различные
посторонние
примеси. В зерне
могут находится
семена сорных
растений, соломистые
частицы, обмолоченные
колосья и даже
кусочки земли
или мелкие
камешки (галька).
При перевозке
и различных
операциях с
зерном в него
могут попасть
и другие предметы,
кусочки проволоки,
различные
металлические
предметы, веревка,
стекло и т.п.
Все это нежелательные
примеси и все
это необходимо
удалить из
зерна до его
измельчения
в муку.
Особый класс
составляют
вредные примеси
- семена некоторых
растений, содержание
ядовитые вещества.
Это семена
куколя, софоры
лисохвостной,
триходесмы
инканум и др.
От них нужно
очищать зерно
особенно тщательно.
Если растения
пшеницы заражены
спорыньей, то
ее рожки тоже
попадают в
массу зерна
при обмолоте.
Имеются так
же и другие
грибковые
заболевания
зерна - фузариозное
зерно и т.п.
Таким образом,
перед помолом
зерно необходимо
тщательно
очищать от всех
этих посторонних
включений.
На измельчающие
машины должно
поступать
чистое зерно,
иначе нельзя
будет получить
муку необходимого
качества.
Очистку зерна
проводят на
машинах различного
принципа действия:
на сепараторах,
триерах, камнеотделителях,
аспираторах
и т.д.
Так как в
хозяйстве
имеются ЗАВы,
то предварительную
очистку зерна,
от сорных растений,
куколя, овсюга
и др. засорений
производят
на них. А последующую
очистку, непосредственно
в подготовительном
отделении
мельницы. Однако,
на этом подготовительные
операции не
завершаются.
На поверхности
зерна обычно
присутствует
пыль и другие
загрязнения.
Поэтому проводят
очистку его
поверхности
на обоечных
и щеточных
машинах или
даже промывают
его в специальных
моечных машинах.
И, наконец
осуществляют
обработку зерна
для улучшения
его мукомольных
свойств, проводят
“кондиционирование”
зерна. В этом
процессе зерно
увлажняют до
определенной
влажности и
затем выдерживают
его в течение
нескольких
часов в закромах
- отволаживают.
В данной
мельнице, подготовка
зерна к помолу
в зерноочистительном
отделении
производится
по следующей
схеме:
Т ЕХНОЛОГИЧЕСКАЯ
СХЕМА ПОДГОТОВИТЕЛЬНОГО
ОТДЕЛЕНИЯ
Рис. 2.
1. Аспирационная
колонка
Сепаратор
А1-БЛС
Магнитный
сепаратор
Камнеотделительная
машина РЗ-БКТ
Магнитный
сепаратор
6 Обоечная
машина РЗ-БГО-6
Аспирационный
канал РЗ-БНА-50
8. Увлажнительная
машина А1-БШУ-2
9. Силоса для
отволаживания
зерна
Зерно предварительно
очищенное на
ЗАВе из самосвала
выгружается
в бункер неочищенного
зерна в днище
которого вмонтирован
конвейер винтовой,
который подает
зерно в башмак
порций. Далее
зерно порцией
подается на
первичную
очистку в аспиратор
и на зерноочистительный
сепаратор,
который служит
для удаления
из зерновой
массы крупных,
мелких и легких
примесей. Легкие
примеси удаляются
воздушным
потоком в аспираторе
на входе в сепаратор,
и на выходе из
него. Для выделения
примесей,
отличающихся
по размерам
(крупных и мелких)
служат пробивные
сита (решета),
с отверстиями
круглой или
же продолговатой
формы. Длина
продолговатых
отверстий
зависит от
ширины их: если
ширина не более
2.0 мм, то l=20мм.
На решетном
полотне отверстия
располагаются
в шахматном
порядке, чтобы
повысить вероятность
просеивания.
Сита устанавливаются
с некоторым
наклоном от
входа к выходу,
а ситовой кузов
сепаратора
совершает
колебательное
движение. Таким
образом, на
верхнем сите
с
отверстий 5 ...
10 мм, удаляют
крупные примеси.
Зерно вместе
с мелкими примесями
проходи сквозь
отверстия этого
сита и поступает
на нижнее сито,
с отверстиями
1.5 х 20 ... 1.7 х 20, на которые
мелкие примеси
идут проходом,
а зерно идет
сходом.
Очищенное
зерно направляется
в камнесборник,
предназначенный
для отбора
мелких камешков,
размеры которых
мало отличаются
от размера
зерна.
Зерно из
приемного
устройства
попадает сначала
на сетчатую
поверхность
распределителя,
продуваемую
с низу воздухом,
а затем на сетку
деки в центре
вибростола.
Здесь исходное
зерно делится
на два равных
потока. Под
действием
колебаний
рабочей поверхности
и аэрации воздухом,
зерновая смесь
разрыхляется,
при этом коэффициент
внутреннего
трения снижается.
Зерно переходит
в состояние
псевдоожижения.
В таких условиях
происходит
интенсивное
самосортирование
зерновой массы:
тяжелые минеральные
частицы опускаются
вниз на рабочую
поверхность
деки, а зерно
и легкие примеси
остаются в
верхних слоях.
Кинематические
параметры и
нагрузка машины,
угол наклона
и коэффициент
трения рабочей
поверхности
подобраны таким
образом, что
нижний слой,
имеющий наибольшее
сцепление с
рабочей поверхностью,
движется вверх
против наклона
деки. Верхний
слой не подверженный
транспортирующему
воздействию
дека, течет как
жидкость под
уклони разгружается
в нижней широкой
части деки,
преодолевая
сопротивление
резинового
клапана в выпускном
патрубке.
Минеральные
примеси выводятся
через верхнюю
суженную часть
деки. Здесь
толщина слоя
минеральных
примесей
увеличивается,
остатки зерна
всплывают на
поверхность
и скатываются
вниз.
Легкие примеси
уносятся воздухом
и отделяются
в пылеотделителе.
Содержание
зерна в отходах
не превышает
0.05%, эффективность
очистки зерна
от минеральных
примесей не
менее 99%.
Далее зерно
поступает на
магнитный
сепаратор и
обоечную машину,
осуществляющую
очистку поверхности
зерна, обработка
зерна в обоечной
машине должна
обеспечить
очистку его
поверхности
и характеризоваться
следующими
параметрами
в %:
Зерно поступает
в кольцевой
зазор между
ротором и цилиндром,
где в результате
многократных
ударов и интенсивного
трения происходит
очистка поверхности
и частичное
шелушение.
Проход через
сетчатый цилиндр
попадает в
аспирационную
сеть. После
обоечной машины
зерно поступает
в аспирационный
канал для очистки
от легких примесей
и далее направляется
в башмак порции.
Затем зерно
порцией и конвейером
винтовым подается
в бункера очищенного
зерна для
накопления.
Из бункеров
очищенного
зерна посредством
винтового
конвейера и
порции зерно
поступает на
машину для
увлажнения.
В этом процессе
зерно увлажняют
до определенной
влажности и
затем винтовым
конвейером
подается в
бункера для
отволаживания.,
где зерно выдерживают
в количестве
нескольких
часов.
В результате
воздействия
воды на вещества
зерна структура
его эндосперма
существенно
изменяется,
происходит
его разрыхление,
поэтому прочность
его значительно
понижается,
в процессе
измельчения
о разрушается
с незначительной
затратой энергии.
В то же время
прочность
оболочки возрастает
и вследствии
такого эффекта
эндосперм легко
отделяется
от них в процессе
измельчения
на вальцовых
станках. Оболочки
же при этом
получаются
в виде крупных
частиц и поэтому
в процессе
сортирования
продуктов в
рассевах, частицы
эндосперма
и частицы оболочек
формируют
самостоятельные
фракции и поступают
в различные
потоки.
Величина
увлажнения
и длительность
процесса
отволаживания
зерна в бункерах
зависит от
исходной
характеристики
помольной
партии.
Затем, из
бункеров для
отволаживания
через вибропитатели,
зерно поступает
на винтовой
конвейер и
далее в пневмоприемник
- отвод, затем
в циклон - разгрузитель,
на аспирацинный
канал, в котором
отбираются
легкие примеси,
и в размольное
отделение.
Размольное
отделение
В размольном
отделении
производят
помол подготовленного
зерна и разделение
(сортирование)
измельченных
продуктов на
конечные продукты:
муку и отруби.
Дополнительно
можно получать
некоторое
количество
манной крупы.
Следовательно,
в размольном
отделении
осуществляют
следующие
технологические
операции:
измельчение
зерна и промежуточных
продуктов;
просеивание
измельченных
продуктов для
фракционирования
их по крупности,
и в конечном
счете, получения
муки и отрубей;
обогащение
крупных фракций
промежуточных
продуктов на
ситовеечных
машинах.
Данной
технологической
схемой предусмотрено
три дранных
и три размольных
системы.
Технологический
процесс в
измельчающем
отделении
протекает
следующим
образом: измельчение
продукта на
вальцовых
станках с последующей
обработкой
продукта на
виброситах,
рассеве и
ситовеечной
машине.
Измельчение
продуктов
осуществляется
на трех дранных
и трех размольных
системах, на
каждую из которых
выделено 1/2
вальцового
станка 3М.2.25х60.
Так как мы в
эту технологическую
схему поставили
вымольную
бичевую машину,
то вымол оболочек
прово
дится на ней.
Сортирование
измельченных
продуктов
производлится
на рассеве
ЗРШ-6М.
Для выделения
сходовых продуктов
на 1-й дранной
и 2-й дранных
системах, установлены
центробежные
пневмосетовые
сепараторы
У1-БСД-3,5 с металлоткаными
ситами, на 3 -
капроновое
сито № 20. Эти
продукты идут
“С системы на
систему”.
Фактический
выход продуктов
размола составляет:
Для получения
выхода муки
высшего и первого
сортов, необходимо
провести анализ
технологической
схемы и усовершенствовать
технологический
процесс.
4.1 Анализ
применяемой
технологии
и возможность
ее совершенстввания.
Обзор литературных
источников
по переработке
зерна в муку,
а так же анализ
технологического
процесса на
мукомольном
заводе “Конного
завода 157” показывает,
что в данной
технологической
схеме заменить
центробежные
пневмосетовые
сепараторы
на рассев ЗРШ-4М,
а так же для
вымола с ходового
продукта (отрубей)
после ЗД станка
целесообразно
применить
вымольную
бичевую машину
(ЗВО-1).
Измененная
технологическая
схема представлена
на рис 4.2.
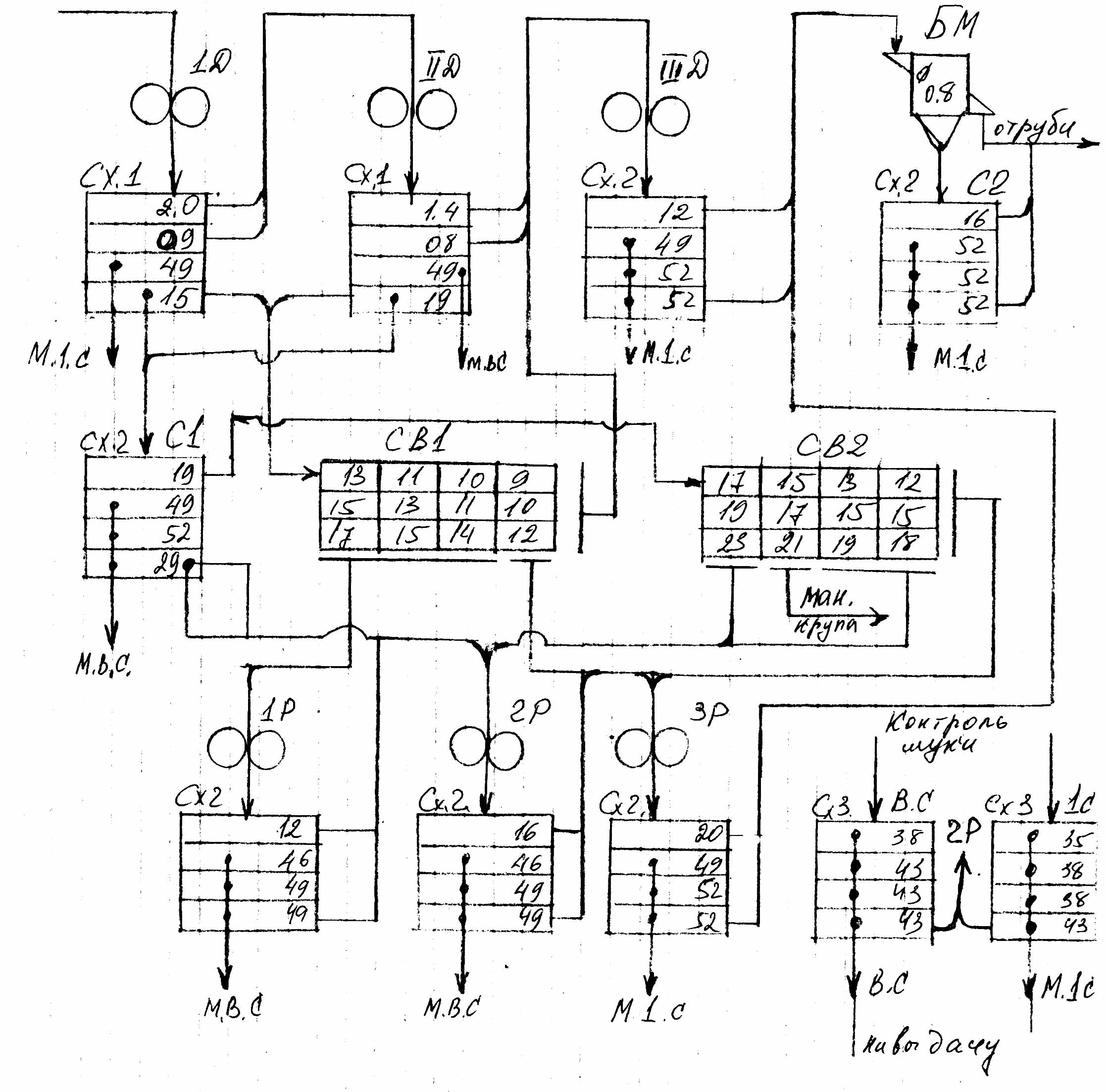
СХЕМА ТЕХНОЛОГИЧЕСКОГО
ПРОЦЕССА
Р ис.
4.2.
Для выделения
сходовых продуктов
на 1 Д и 2 Д установлены
металлотканые
сита, на 3 Д капроновые
сита № 12. Эти
продукты идут
“с системы на
систему”, а с
3 Д оба схода
поступают для
окончательного
вымола на БМ.
Где происходит
отделения
эндоспарма
от оболочки.
Эндосперм в
измельченном
виде проходи
через сетчатую
поверхность
барабана и
поступает для
дальнейшего
просева на
рассев. Сход
- отрубная часть
выводится в
бункер накопитель
отрубей. Нижним
сходом с рассевов
1 Д и 2 Д отбирают
крупную крупку
проходом сит
09 и 08 и сходом №
15 и № 19, которая
поступает на
ситовеечную
систему СВ1 для
обогащения.
Проходом нижней
группы сит
рассевов 1 Д и
2 Д извлекают
смесь продуктов,
которая состоит
из средней
крупки, мелкой
крупки, дукатов
и муки, и направляет
ее на дополнительное
сортирование
на рассев С1.
На этой
сортировочной
системе верхним
сходом выделяются
средняя крупка
характеристики
15/19 (т.е. с проходом
сита № 15 и сходом
сита № 19), которая
направляется
для дополнительного
обогащения
СВ2. Поток мелкой
крупы получается
с нижним сходом
С1, а поток дукатов
- проходом нижней
группы сит этой
же системы, они
совместно
направляются
на измельчения
на 2Р. После
обработки на
СВ1 низкозольный
поток, полученный
проходом первых
3-х сит, идет на
измельчение
на 1Р, более
высокозольный
продукт - проход
четвертого
сита СВ1 направляется
на 3Р, а сход с
СВ1, в основном
“сростки”,
возвращается
на 3 Д.
Зольность
средней крупки
ниже зольности
крупной крпки,
она чище, поэтому
все продукты
с ситовеечной
системы СВ 2
направляются
в размольный
процесс, на 2Р
и 3Р, на этой СВ2
можно проходом
второго и третьего
сита выделить
в отдельный
поток манную
крупу.
Муку извлекают
на всех системах,
при этом мука
высшего сорта
формируется
из потоков ее
с С1, 2Д, 1Р и 2Р, а с
остальных
систем получают
муку первого
сорта.
Контрольное
просеивание
муки имеет цель
удалить из нее
случайно попавшие
крупные частицы.
Технологическая
схема позволяет
обеспечить
выход муки в
размере около
75%, т.е. муки высшего
сорта до 42%, муки
1 сорта до 32% по
мере необходимости
можно получить
до 2% манной крупы.
Для полной
характеристики
технологического
процесса необходимо
знать количественно-качественные
показатели
промежуточных
и конечных
продуктов, при
помощи которых
можно сделать
анализ режима
работы всего
оборудования,
загрузку каждой
машины и системы,
правильность
формирования
промежуточных
продуктов по
системам и муки
по сортам, определить
необходимое
число технологического
оборудования
на каждом этапе
процесса, произвести
расчеты пневматического
и механического
транспорта
и внести исправления
для улучшения
ведения технологического
процесса.
Количественный
баланс помола
характеризует
в количественном
виде (в %% по отношению
1Д) организацию
и ведение процесса
в целом по схеме
помола и по
отдельным
системам процесса.
При составлении
баланса принимаем,
что на 1Д поступает
100% зерна, расчет
убыли и прибыли
массы зерна
при проведении
подготовительных
операций не
ведут.
Основной
характеристикой
систем измельчения
является режим
измельчения
продуктов,
которая определяется
массой извлеченного
продукта -
извлечением
на системе.
Этот показатель
рассчитывают
при условии,
что поступающий
продукт принимаем
каждый раз за
100%.
Количественный
баланс 2-х сортового
помола пшеницы
на 3-х станковой
мельнице приведен
в таблице 4.1.
Таблица 4.1.
| Системы |
Поступило
продуктов |
Получено
продуктов |
| Наименование |
кол-во
в % к 1Д |
Наименование |
Кол-во
в % к 1Д |
Направление
продуктов |
| 1 |
2 |
3 |
4 |
5 |
6 |
| IД |
Зерно |
100 |
1-й сход
2-й сход
3-й сход
1 – проход
2 -
проход
|
7,00
12,0
10,0
8,0
|
IIД
СВ1
С1
конт.
м1с
|
| ИТОГО |
100 |
|
100 |
|
| IIД |
1-й сход
IД
2-й
сход IД
|
70,0 |
1-й сход
2-й сход
3-й
сход
|
28,0
12,0
18,0
12,0
|
IIIД
СВ1
С1
конт.
М, В, С
|
| ИТОГО |
70,0 |
|
70,0 |
|
| IIIД |
1-й сход
IД
2-й
сход IД
сход
СВ1
|
28,0
5,0
|
1-й сход
2-й сход
проход
|
21,0
12,0
|
БМ
конт.
м1с
|
| ИТОГО |
33,0 |
|
33,0 |
|
| С1 |
2-й сход
IД
1-й
сход IIД
|
10,0
18,0
|
1-й сход
2-й сход
1 – проход
2 -
проход
|
13,0
4,0
8,0
3,0
|
СВ2
2Р
конт. М, В, С
2Р
|
| ИТОГО |
28,0 |
|
28,0 |
|
Продолжение
таблицы 4.1.
| 1 |
2 |
3 |
4 |
5 |
6 |
| БМ |
1-й сход
IIIД
2-й
сход IIIД
1-й сход
ЗР
2-й
сход ЗР
|
21,0
9,0
|
сход
проход
|
10,0
20,0
|
отруба
С2
|
| ИТОГО |
30,0 |
|
30,0 |
|
| С2 |
проход
БМ |
20,0 |
1-й сход
2-й сход
проход
|
16,0
4,0
|
отруба
конт.
м1с
|
| ИТОГО |
30,0 |
|
30,0 |
|
| С2 |
проход
БМ |
20,0 |
1-й сход
2-й сход
проход
|
16,0
4,0
|
отруба
конт.
м1с
|
| ИТОГО |
20,0 |
|
20,0 |
|
| СВ1 |
3-й сход
IД
3-й
сход IIД
|
12,0
12,0
|
сход
1-й сход
2-й
сход
|
5,0
17,0
2,0
|
IIIД
1Р
3Р
|
| ИТОГО |
24,0 |
|
24,0 |
|
| СВ2 |
1-й
сход С1 |
13,0 |
сход
1-й сход
2-й сход
3-й
сход
|
3,0
3,0
2,0
5,0
|
3Р
2Р
мак. кр.
2Р
|
| ИТОГО |
27,0 |
|
27,0 |
|
| 3Р |
2-й
сход СВ1
сход
СВ2
1-й
сход 2Р
2-й
сход 2Р
|
2,0
3,0
13,0
|
1-й сход
2-й сход
проход
|
9,0
9,0
|
БМ
конт.М.1.С
|
Продолжение
таблицы 4.1.
| 1 |
2 |
3 |
4 |
5 |
6 |
| ИТОГО |
18,0 |
|
18,0 |
|
| контр.М.В.С. |
1-й
проход IIД
1-й
проход С1
проход
1Р
проход
2Р
|
12,0
8,0
9,0
14,0
|
сход
проход
|
2,0
41,0
|
2Р
мука
В.С.
|
| ИТОГО |
43,0 |
|
43,0 |
|
| контр.М.1.С. |
1-й
проход IД
проход
IIIД
проход
С2
проход
3Р
|
8,0
12,0
4,0
9,0
|
сход
проход
|
2,0
31,0
|
2Р
мука
1СА
|
| ИТОГО |
33,0 |
|
33,0 |
|
Получаем
следующие
значения: извлечения
на 1Д составляют
30% ,на 2Д 60%, на 3Д 36%, 1Р
53%, на 2Р 52%, на 3Р 50%.
Отнесем массы
извлекаемых
продуктов к
массе зерна
на 1Д,получаем
следующие
величины и
извлечения
на 1Д 30%, на 2Д 42%, на
3Д 12%, на 1Р 9%, на 2Р
14%, на 3Р 9%. В данном
процессе всего
извлечено
крупок 44%, муки
44%. Общее извлечение
в этом процессе
составляет
88%. Но так как в
дранном процессе
поступило не
только 100% зерна,
но еще были
возвращены
продукты - сходы
с СВ1- 5% и 3Р - 9%, в количестве
14%. Отнесем 88% к
114% получаем, что
общее извлечение
продуктов равно
77.2%.
На контрольное
просеивание
направлено
43% муки высшего
сорта и 33 %пуки
1 сорта. На контрольных
рассевах сходом
выделены крупные
частицы в размере
2% (по отношению
к 1Д), так что
окончательно
на выбой направлено
муки высшего
сорта 41%, муки
1 сорта 31%, манной
крупы 2%. Всего
выход составил
74% вместе с манной
крупой и 26% отрубей.
Зерно - предназначенное
для переработки,
поступает в
накопительный
бункер (1), который
заполняют один
раз в сутки. Из
него зерно
через автоматические
весы (2) поступает
в шнековый
транспортер
(3) далее пройдя
через магнитный
сепаратор (4)
по воздухопроводу
поступает в
воздушный
сепаратор (5)
РЗ-БАБ, где
отделяются
легкие примеси.
После воздушного
сепаратора
зерно поступает
в зерноочистительный
сепаратор (6)
А1-БЛС-12, где выделяются
крупные и мелкие
примеси, так
же легкие частицы,
которые направляются
в циклон (7).
Далее зерно
поступает на
увлажнительную
машину. Но мы
предлагаем
ввести в технологическую
схему камнеотделительную
машину (8), где
выделяются
примеси, отличающиеся
от зерна основной
культуры плотностью
и коэффициентом
трения, а так
же обоечную
машину (9), для
сухой очистки
поверхности
зерна от пыли
и грязи.
После обоечной
машины зерно
пневматическим
транспортером
подается в
воздушный
сепаратор (10),
где выделяется
пыль, лузга, а
из него зерно
пройдя магнитный
сепаратор (11),
направляется
на увлажнительную
машину (12).
С увлажнительной
машины зерно
подается в
отволаживающие
бункера (13), где
находится в
течение 6-8 часов.
После отволаживания
зерно поступает
на шнековый
транспортер
(14) и далее
пневмо-транспортером
подается в
бункер накопитель
(15) и далее через
центробежный
разгружатель
направляется
на первую дранную
систему.
В размольном
отделении
продукты размола
с вальцевого
станка 1 др.с.
поступает в
рассев, где
пройдя сортирование
поступает на
другие системы
вальцовых
станков.
При данном
технологическом
процессе зерно
проходит два
этапа измельчения
на трех дранных
и трех размольных
системах.
Техническая
характеристика
системы подобрана
так, чтобы было
обеспечено
интенсивное
измельчение
зерна в дранной
и размольной
системах и было
обеспечено
получение
максимального
количества
муки высшего
сорта.
5. РАСЧЕТ
ОПЕРАЦИИ ПЕРЕРАБОТКИ
5.1 Расчет
и подбор оборудования
для зерноочистительного
отделения.
Для бесперебойного
снабжения
зерном размольного
отделения
мукомольного
завода, подготовленным
к помолу и сокращения
времени заполнения
бункеров для
отволаживания
производительность
зерноочистительного
отделения
должна быть
на 10...20% больше
плановой.
Ее определяют
по формуле:

где: Q
- плановая
производительность
мукомольного
завода,
т/сутки;
K -
коэффициент
запаса, равный
K= 1.1 ... 1.2
Число машин,
принятых по
технологической
схеме для каждой
системы зерноочистительного
отделения
определяют
по формуле:

где: Q1
- производительность
зерноочистительного
отделения,
т/сутки;
g -
производительность
одной машины,
т/сутки.
Если
n получается
двойным числом
его округляют
до целого. Число
автоматических
весов определяют
по формуле:

где: Q1
- производительность
зерноочистительного
отделения,
т/сутки;
а - вместимость
ковша весов
(50 или 100 кг);
в - число отвесов
в минуту (от 1
до 3).
Число бункеров
для неочищенного
зерна и их
вместимость
определяют
из расчета
запаса зерна
на 30 часов работы
мукомольного
завода. Вместимость
одного бункера
определяется
по формуле:

где:F
- площадь сечения
бункера, м
(рекомендуется
3 х 3м);
h - высота
бункера , м;
- натура
зерна, т/м
;
K -
коэффициент
заполнения,
K=
0.85.
Число бункеров
для неочищенного
зерна рассчитывают
по формуле:

где: Q - производительность
зерноочистительного
отделения,
т/сутки;
V -
вместимость
одного бункера.
Число бункеров
для отволаживания
зерна определяют
так же, но учитывают
продолжительность
отволаживания
в часах. В настоящее
время на мукомольных
заводах широко
внедряется
непрерывное
поточное
отволаживание
зерна. Для
равномерного
движения зерна
в бункерах
рекомендуется
принимать
сечение 1.5 х 1.5 м,
днище делать
в виде воронки
с уклоном не
менее 70%.
Потребное
количество
обоечных или
щеточных машин
определяют
по формуле:

Принимаем
2 обоечные машины.
а фактическую
загрузку (%) обоечной
машины или
щеточной машины
из выражения:

где:h
- фактически
принятое количество
машин в пределах
одного пропуска;
gн
- паспортная
производительность
машины, т/ч или
т/сутки.
При определении
фактической
загрузки следует
учитывать, что
обоечные и
щеточные машины
нельзя перегружать,
т.к. это связано
со снижением
качества очистки
зерна и с возможным
завалом машины.
Высоту бункера
принимают в
зависимости
от этажности
здания. Можно
определить
общую вместимость
всех бункеров
подготовительного
отделения, зная
количество
зерна, которое
должно быть
размещено в
бункерах и их
размеры.
В этом случае
фактическую
потребную
емкость определяют
по формуле:

где:
- время хранения
зерна,
- объемная
масса зерна,
- коэффициент
использования
емкости
Qз
- производительность
д/о отделения

Тогда число
бункеров можно
определить
по формуле:

где: V
- вместимость
одного бункера.
Количество
обоечных машин
определяем
по формуле:
5.2. Расчет
оборудования
размольного
отделения.
При расчете
оборудования
размольного
отделения
ориентируются
на отдельные
нагрузки на
вальцовые
станки, рассевы
и ситовеечные
машины, учитывая
конкретное
построение
схемы, распределение
мелющей линии
и просеивающей
поверхности.
Длину вальцовой
линии L
определяют
по формуле:

где: Qмз
- производительность
мукомольного
завода, т/сутки;
gВ
- техническая
норма нагрузки
на 1 см длины
вальцовой
линии, т/сутки.
Необходимую
просеивающую
поверхность
1 (м2) для
заданной
производительности
мукомольного
завода определяют
по формуле:
Просеивающая
поверхность,
предназначенная
для контроля
муки Fk
(м2)
равна:

где:
ak-
норма просеивающей
поверхности
для контроля
муки, равная
в среднем 10-12% от
общей расчетной
площади сит.
Необходимое
количество
рассевов определяют
по формуле:
,
где: n1
- количество
вымольных
машин, принятых
в схеме
технологического
процесса по
всем системам;
fб
- площадь
сит одной вымольной
машины;
n2
- кол-во
щеточных машин,
принятых в
схеме
технологического
процесса;
fиз
- площадь сит
одной щеточной
машины;
fр
- полезная площадь
сит одного
рассева, м2
ЗРМ-4М-17м2
Площадь
просеивающей
поверхности
рассевов для
драных шлифовочных
и размольных
систем будет:

Эту площадь
распределяют
между драными
и размольными
системами по
существующим
соотношениям:
Fдр
: Fр
= 1:1 до
1: 1.2
Приняв одну
из этих величин,
например
Fдр
: Fр
= 1: 1.2, находят
Fр=1.2
Fдр
.
Общая площадь
просеивающей
поверхности
рассевов для
драных и размольных
систем:

Тогда просеивающая
поверхность
для драных
систем будет:

а просеивающая
поверхность
рассевов для
размольных
систем:

Фактическая
площадь просеивающей
поверхности
должна соответствовать
расчетной
“Соотношение
между драными
и размольными
системами не
должно превышать
1 :
1.2.
Количество
вымольных машин
определяют
с учетом данных
баланса помола
и производительности
машины.
Потребное
количество
ситовеечных
машин для
мукомольного
завода заданной
производительности
определяют
по формуле:

где: Qмз
- техническая
норма нагрузки
на 1 см ширины
приема сита,
кг/сутки;
В - ширина
сита.
Ширину сит
определяют
в зависимости
от нагрузки,
которую находят
по балансу
помола, и от
характеристики
крупок по величине.
Ширину сит
В по системам
машин для разных
крупок определяют
по формуле:

где: а
- кол-во крупок,
поступающих
в машину %, принимают
по количественному
балансу помола;
q -
техническая
норма нагрузки,
кг/(см/сутки).
Правилами
организации
и ведения
технологического
процесса
предусмотрены
следующие
нагрузки:
крупные
крупки 450-600
средние
350-450
мелкие
275-350
жесткий
200-250
Для крупок
второго качества
нагрузку принимают
на 25% меньше.
6. ОБЗОР
КОНСТРУКЦИЙ
ОБОЕЧНЫХ МАШИН
Для обработки
верхнего покрова
зерна на мукомольных
заводах применяют
обоечные машины.
Технологический
процесс при
сортовых помолах
предусматривает
не менее двух
пропусков
(проходов) зерна
через эти машины.
Отечественная
промышленность
изготовляет
два типа обоечных
машин с абразивным
цилиндром
(наждачные) и
со стальным
цилиндром
(“мягкие”).
Обоечные
машины выпускают,
как с замкнутой
(типа ЗОН), так
и с разомкнутой
(типа ЗНМ) циркуляции
воздуха. По
конструкции
бичевого барабана
обоечные машины
бывают двух
типов - радиально
- бичевые и
продольно-бичевые.
Опишем конструкции
нескольких
применяемых
обоечных машин.
Обоечная
машина РЗ-БГО-6.
Приемное
устройство
представляет
собой сварную
конструкцию,
оно состоит
из патрубка,
подающего зерно
в магнитный
аппарат. Последний
снабжен грузовым
клапаном. Приемное
устройство
установлено
со стороны
привода машины.
Блок магнитов
расположен
в лотке, который
можно легко
снять и удалить
металломагнитные
примеси.
Корпус обоечной
машины сварен
из листового
материала и
установлен
на станине. В
корпусе предусмотрены
отверстия для
приемного
устройства,
аспирационного
патрубка и
выпуска прохода.
Бичевой ротор
- основной рабочий
орган машины.
Он состоит из
пустотелого
вала, с торцов
которого приварены
полуоси, установленные
в шарикоподшипниках
и размещенные
в сетчатом
цилиндре, диаметр
которого обоснован
конструкцией
расчета. На
пустотелом
валу по образующей
закреплены
винтами 8 бичей,
представляющих
собой продольные
стальные пластины,
длина которых
рассчитана
в конструкционной
части, к каждому
бичу приварены
гонки, при чем
на 4-х бичах гонки
приварены под
углом 80,
а на остальных
по углом 60
к оси ротора.
Гонки каждого
бича имеют
разную высоту:
четыре крайних
гонка с обоих
его концов
короче средних.
В результате
этого зерно
в различных
зонах имеет
не равномерную
скорость.
Относительное
движение потоков
увеличивает
интенсивность
трения и соответственно
повышает
эффективность
очистки зерна.
Станина
представляет
собой две опоры,
на которых
установлена
машина.
Рассмотрим
устройство
обоечной машины
ЗМП-5.
Машина выполнена
в виде неподвижного
металлического
цилиндра и
вращающегося
вала с закрепленными
на нем радиальными
бичами пропеллерообразной
формы и крыльчаткой.
Крыльчатка
предназначена
для создания
необходимой
первоначальной
скорости
транспортирования
зерна на выходе.
Бичи машины
изготавливают
из хромоникелевой
стали . Их устанавливают
на валу попарно
на расстоянии
65 мм один от
другого, причем
каждая следующая
пара смещена
относительно
средней на 45.
Кромки бичей
для предотвращения
боя зерна
закруглены.
Бичевой
барабан приводится
во вращение
от электродвигателя
через клиноременную
передачу. Обоечная
машина ЗНП-5
выполнена в
виде разъемного
неподвижного
наждачного
цилиндра, внутри
которого вращается
бичевой барабан
с продольными
бичами.
Бичевой
барабан состоит
из трех чугунных
розеток насаженных
на центральный
вал. На лапках
розеток закреплены
12 стальных бичей
с уклоном к
продольной
оси барабана.
В торцовой
стенке наждачного
цилиндра со
стороны приводного
шкива имеются
окна для подвода
воздуха. Скорость
движения зерна
регулируют
изменением
уклона бичей;
интенсивность
воздействия
рабочих органов
машины на зерно
- изменением
расстояния
бичей от наждачной
поверхности
и окружной
скорости бичей.
Обоечная
машина ЗОН-5
состоит из
неподвижного
наждачного
цилиндра,
вращающегося
в нем бичевого
барабана с
продольными
бичами и
аспирационно-осадочного
устройства;
смонтированных
на чугунной
станине.
Техническая
характеристика
обоечной машины
РЗ-Б10-6:
Производительность,
т/ч 6.9
Сетчатый
цилиндр, мм
диаметр
300
длина (высота)
635
Расход воздуха
м3/с 350
Частота,
об/мин 1130
Мощность
эл.двигателя,кВт
5,5
Масса, кг
406
Техническая
характеристика
ЗМП-5 ЗОМ-5
ЗНП-5
Производительность,
т/ч 5 5
5
Частота
вращения бичевого
барабана,
об/мин 336-400
900-1000 415
Окружная
скорость
бичевого
барабана, м/сек.
13-15.6 23.3 16
Расстояние
бичей от
рабочей
поверхности,
мм 20-35 - 25
Диаметр
рабочего цилиндра,мм
790 472 800
Рабочая
поверхность,
м2 4.3 1.7 4.3
Установленная
мощность,кВт
10 3.0 10.0
7. ОПИСАНИЕ
УСОВЕРШЕНСТВОВАННОЙ
КОНСТРУКЦИИ
ОБОЕЧНОЙ МАШИНЫ
В мельничном
цехе “Конного
завода 157” установлена
обоечная машина,
основными
узлами которой
являются корпус,
сетчатый цилиндр,
ротор с 24 бичами,
впускной и
выпускной
патрубки.
Основными
недостатками
данной машины
является то,
что большое
количество
бичей увеличивает
дробление
зерна, их несовершенное
устройство
не позволяет
свободно перемещать
зерно в осевом
направлении.
Все это отрицательно
влияет на качество
сухой очистки
поверхности
зерна. К тому
же данная машина
загружена
только на 40% так
как ее производительность
составляет
1600 кг/ч, а производительность
цеха 375 т/ч.
Обзор конструкций
обоечных машин,
выполненный
нами в предыдущем
разделе, дал
возможность
принять приемлемую
конструкцию
обоечных машин
для нашего
цеха. При этом
предлагается
изменить
конструкторские
параметры
обоечной машины
так, что бы
производительность
ее соответствовала
производительности
мукомольного
цеха “Конного
завода 157”.
Усовершенствование
конструкции
обоечной машины
выглядит так.
Цилиндрический
корпус 1 обоечной
машины состоит
из основания
крышки, в торце
которой с одной
стороны имеется
сварной приемный
патрубок 2 .Выход
зерна осуществляется
через выходное
отверстие в
противоположной
стороне корпуса
машины. Бичевой
вал основной
рабочий орган
машины. Он состоит
из вала 3, на котором
закреплены
винтами 9 пар
бичей, представляющих
собой стальные
пластины.
Исходное
зерно поступает
через приемный
патрубок,
подхватывается
бичями и подвергается
интенсивному
трению о бичи
и внутреннюю
стенку корпуса
цилиндра, причем
плоскость бичей
составляет
с осью вала
угол 15,
что позволяет
в процессе
работы перемещать
зерно от выходного
патрубка к
отверстию
корпуса обоечной
машины.
Бичевой вал
установлен
в подшипниковых
опорах и получает
вращение от
электродвигателя
4 через муфту
5.
7.1 Технические
характеристики.
Усовершенствование
конструкции
обоечной машины
и конструкторские
расчеты выполненные
в конструкторской
части позволили
получить следующие
технические
показатели
обоечной машины.
Таблица 7.1.
| Наименование
показателей |
Значение
показ |
Примеч. |
| Производительность,
кг/ч |
375 |
|
| Частота
вращения
ротора,об/мин |
955 |
|
| Мощность
эл.двигателя,
кВт |
0,75 |
|
| Габариты,
мм |
|
|
| длина |
|
|
| ширина |
|
|
| высота |
|
|
| Масса,
кг |
163,7 |
|
| Диаметр
сетчатого
цилиндра,мм |
300 |
|
| Радиус
ротора, мм |
135 |
|
7.2 Основные
регулировки,
подготовка
к работе, работа.
Для обеспечения
правильного
режима обработки
зерна в обоечной
машине необходимо
проводить
регулировочные
работы, которые
включают в себя
установление
бичей с уклоном
10-15,
установление
магнитов перед
обоечной машиной,
во избежание
образования
искры, от случайного
попадания в
машину крупных
металлических
предметов. В
процессе работы
обязательно
проверяется
качество зерна
и отходов, выходящих
из машины. В
случае увеличения
сечки заменяют
бичи, в следствии
износа их кромки.
При попадании
годных зерен
в отходы регулируют
скорость воздуха.
Следует
постоянно
следить за
наличием смазки
в подшипниковых
опорах бичевого
вала, не допуская
их перегрева.
Периодически,
через каждые
320 часов работы,
но не реже одного
раза в 6 месяцев
необходимо
заменять смазку
в подшипниках.
Перед началом
работы следует
запустить
машину на холостой
ход и убедиться
в отсутствии
шумовых вибраций.
Во избежании
завалов следует
очистить машину
перед подготовкой
к работе от
остаточного
зерна.
Работает
машина следующим
образом. Зерно
через приемный
патрубок поступает
в цилиндр, там
оно подхватывается
вращающимися
бичами и отбрасывается
на наждачную
поверхность.
Вращаясь вмести
с бичами, зерно
по винтовой
линии перемещается
к выходному
патрубку, благодаря
наклону бичей.
В результате
многократных
ударов и интенсивного
трения зерна
о рабочую поверхность
о бичи разбиваются
комочки земли,
отделяется
грязь, бородка,
частично отбивается
зародыш. Смесь
зерна, земли,
оболочек и
зародышей
направляется
крыльчаткой
в выходной
патрубок и
транспортируется
по материалопроводу.
8. КОНСТРУКТИВНАЯ
ЧАСТЬ
8.1. Технологические
расчета.
Производительность
обоечной машины
определим по
формуле:
(8.1.)
где: D
- диаметр цилиндра,
м
L - длина
рабочей поверхности,
м
k - при
учитывающей
рабочую поверхность
цилиндра обоечной
машины, к=0.8
g -
удельная расчетная
нагрузка, принимаемая
в зависимости
от вида перерабатываемого
сырья, кг/с
на м2
рабочей поверхности
цилиндра (под
ред.
Соколова).
Учитывая,
что производительность
нашей мельницы
составляет
750 кг/ч выберем
обоечную машину
по площади
просевающей
поверхности
сетчатого
барабана.
(8.2.)

Из конструктивных
соображений
принимаем длину
сетчатого
цилиндра L
= 1 м.
Определим
диаметр сетчатого
цилиндра:
(8.3.)

Принимаем
D=0.3
м.
Таким образом
нашей производительностью
будет удовлетворять
обоечная машина
со следующими
параметрами
сетчатого
цилиндра: L
= 1 м, D
= 0.3 м.
С учетом
зазора между
сетчатым цилиндром
и ротором определим
размеры ротора
и выполним
рабочие чертежи.
8.2
Определение
окружной скорости
ротора обоечной
машины.
Окружная
скорость при
обработке
разных культур
должна быть
ниже той величины,
при которой
разрушается
зерно. Максимальное
значение этой
скорости можно
приближенно
определить
на основе закона
превращения
количества
движения материальной
точки за некоторый
промежуток
времени.
В данном
случае:
, (8.4.)
где: m
- масса одного
зерна, кг
для пшеницы
принимаем
m=3х10-5кг
V2
- скорость
зерна после
удара его бичами,
м/с
V1-
скорость зерна
до удара, м/с
P - сила
приложенная
к зерну при
соприкосновении
с бичами,
она должна быть
достаточной
для
обработки
поверхности
зерна, но значительно
меньше
силы сопротивления;
- продолжительность
удара, сек.
Принимаем
=10-5c
при V1=0
имеем:
(8.5.)
Иначе окружную
скорость можно
определить
по следующей
зависимости:
, (8.6)
где:
- угловая скорость
ротора, сек.
R -
расстояние
от центра вращения
до конца бича,
м
, (8.7.)
где:
n - частота
вращения ротора,
об/мин.

Расстояние
от центра вращения
до конца бича
(R) радиус
ротора определяем
по формуле:
, (8.8.)
где D
- диаметр рабочего
цилиндра, мм
S -
расстояние
от наружной
грани бичей
до поверхности
стального
цилиндра. При
переработке
пшеницы
рекомендуется
принимать S
= 17 мм.
Следовательно:
 
Принимаем
R = 135 мм.
Из уравнения
(4) определим
силу приложенную
к зерну при
соприкосновении
с бичами :

По справочным
данным, сила
необходимая
для обработки
зерна равна
Р min
= 45 Н, что меньше
полученной
силы, значит
машина обеспечивает
обработку
поверхности
зерна. А сила
сопротивления
разрушению
зерна Р max
= 120 Н, так как полученная
сила имеет
меньшее значение,
то разрушение
зерна обоечной
машиной происходить
не будет.
8.3. Прочностные
расчеты.
Р асчет
вала на прочность
Определим
опорные реакции
в горизонтальной
плоскости:

Проверка

Строим эпюру
изгибающих
моментов относительно
оси Y.
Сечение 2-2

Сечение 1-1

Определим
опорные реакции
в вертикальной
плоскости

Проверка

Строим эпюру
изгибающих
моментов относительно
оси х:
Сечение 1-1;

Сечение 2-2;

Определим
суммарные
радиальные
реакции

Определяем
суммарные
изгибающие
моменты в наиболее
нагруженном
сечении.

Строим эпюру
крутящих моментов

Определим
напряжения
в опасных сечениях
вала:
а) нормальные
напряжения
изменяются
по симметричному
циклу:

где: Wнетто
- осевой момент
сопротивления
сечения вала,мм3

Тогда

Тогда

б) касательные
напряжения
изменяются
по нулевому
циклу, при котором
амплитуда
цикла a
равна половине
расчетных
напряжений
кручения
к
:
,
где МК
- крутящий момент,
Н м
WРНЕТТО
-полярный момент
инерции сопротивления
сечения вала,
мм3



Определим
коэффициент
концентрации
нормальных
и касательных
напряжений
для расчетного
сечения вала:

где К
и К
- эффективные
коэффициенты
концентрации
напряжений,
принимаем К
= 1,4; и К
= 1,4
Кd
- коэффициент
влияния абсолютных
размеров
поперечного
сечения, принимаем
Kd
=0,77.
KF-
коэффициент
влияния шероховатости,
принимаем
KF
КУ-
коэффициент
влияния поверхностного
упрочнения,
принимаем КУ
= 1.6.
Тогда

Определяем
пределы выносливости
в расчетном
сечении вала

где -1
и -1
- пределы выносливости
образцов при
симметричном
цикле изгиба
и кручения,
принимаем -1
= 380 Н/мм2,
-1
= 0,58, -1
= 0,58
380 = 220,4 Н/мм2
Следовательно:

Определяем
коэффициенты
запаса прочности
по нормальным
и касательным
напряжениям:

Подставляя
значения, получим

Определим
общий коэффициент
запаса прочности
в опасном сечении

Следовательно
вал в опасном
сечении удовлетворяет
условиям прочности.
9. ОХРАНА ТРУДА
9.1 .Анализ
состояния
охраны труда
в “Конном заводе157”.
Проводимая
в Конном заводе
работа по охране
труда соответствует
“Положению
об организации
работы по охране
труда на предприятиях
и в организациях
агропромышленного
комплекса
Российской
Федерации”
от 2000 года. Решением
правления
ответственность
за состояние
труда возложено
на директора,
который своим
приказом возлагает
ответственность
за главными
специалистами
по отраслям,
а на производственных
участках за
руководителями
этих подразделений.
Так в механизации
- за главным
инженером, в
животноводстве
- за главным
зоотехником,
в энергохозяйстве
- за главным
энергетиком,
в строительстве
- за прорабом.
Работа по охране
труда, ее координация
и контроль
проводится
инженером по
охране труда,
который совместно
с главными
специалистами
составляет
план работы
по охране труда,
большая часть
вопросов которого
включается
в коллективный
договор, заключаемый
между администрацией
и трудовым
коллективом.
Не смотря
на проводимую
работу в Конном
заводе происходят
несчастные
случаи.
9.1.1. Анализ
производственного
травматизма.
На основе
анализа актов
по форме Н-1
несчастных
случаев за
последние три
года, заполним
следующие
таблицы.
Таблица 9.1.
Распределение
несчастных
случаев (н.с.)
и дней нетрудоспособности
(д.н.)по месяцам
года
|
Годы
|
Показатели |
МЕСЯЦЫ |
Всего |
Число
работающих |
| 1 |
3 |
4 |
5 |
6 |
7 |
8 |
9 |
10 |
11 |
12 |
|
|
| 1997 |
н.с.
д.с.
|

|
|

|
|
|
|

|

|
|
|

|

|
632 |
| 1998 |
н.с.
д.с.
|
|
|
|

|
|
|
|
|
|
|
|

|
581 |
| 1999 |
н.с.
д.с.
|
|
|
|
|
|

|
|
|
|
|
|

|
432 |
На основании
таблицы 9.1. можно
отметить, что
число несчастных
случаев резко
снизилось.
Таблица 9.2.
Р аспределение
несчастных
случаев по
стажу работы
| Стаж
работы пострадавших |
Количество
пострадавших |
Среднее
за 3 года |
| 1997 |
1998 |
1999 |
|
До
1 года
от 1 до 3 лет
Более
5 лет
|
1
2
5
|
1
|
1
|
0.33
0.66
2.33
|
Из таблицы
9.2. следует, что
травмируются
в основном
работники, стаж
работы которых
более 3-х лет.
Таблица
9.3
Распределение
несчастных
случаев по виду
работ и отраслям
| Вид
отрасли |
Количество
пострадавших |
Среднее
за 3 года |
| 1997 |
1998 |
1999 |
|
Полеводство
Животноводство
Строительство
|
4
3
1
|
1
-
-
|
-
-
1
|
0.66
1.00
0.66
|
И з
таблицы 9.3. следует,
что чаще травмируются
работающие
в полеводстве.
Таблица 9.4.
Распределение
несчастных
случаев по
причинам
| Причины |
Количество
пострадавших |
Среднее
за
3 года
|
| 1997 |
1998 |
1999 |
|
Нарушение
правил по
ТБ
Отсутствие
ограждений
Падение
с
высоты
|
3
3
2
|
1
-
-
|
-
1
-
|
1.33
1.33
0.66
|
Анализ таблицы
9.4. показывает,
что рабочие
травмируются
в основном
из-за отсутствия
ограждений
и нарушения
техники безопасности.
Статическим
методом на
основании
данных таблицы
9.1. определим
следующие
показатели
(0);
Коэффициент
частоты Кr:
,
(9.1.)
где:
n1 -
число несчастных
случаев за
отчетный период;
n2
- среднесписочное
число работающих.
Коэффициент
тяжести Кт:
, (9.2.)
где: Д - число
дней нетрудоспособности;
nсм
- число
несчастных
случаев со
смертельным
исходом.
Коэффициент
потерь рабочего
времени Кn:
, (9.3)
Данные расчетов
сведем в таблицу
9.5.
Таблица 9.5.
Показатели
травматизма
| Показатели |
ГОДЫ |
| 1997 |
1998 |
1999 |
| Кr |
12.6 |
1.72 |
2.31 |
| Кт |
9.5 |
18.00 |
3.4 |
| Кn |
119.7 |
30.96 |
78.7 |
Из данной
таблицы следует,
что в 1998 по 1999 г.г.
величины
коэффициента
частоты не
значительны,
а показатель
потерь рабочего
времени изменяется
скачкообразно.
Средства
на охрану труда
не выделяются.
9.1.2. Обучение
по охране труда.
Со всем вновь
прибывшими
на работу проводится
обучение по
охране труда
согласно ГОСТ
12.0.004-90 “Организация
обучения по
охране труда”.
ГОСТ предусматривает
следующие виды
обучения:
обучение
новых рабочих;
прохождение
инструктажей;
повышение
квалификации.
В “Конном
заводе 157” проводятся
следующие виды
инструктажей:
Вводный
инструктаж
проводит инженер
по охране труда
не зависимо
от образования,
стажа работы,
профессии со
всеми вновь
принимаемыми
на работу. Темой
вводного инструктажа
являются вопросы
распорядка
работ, трудового
законодательства.
Инструктаж
регистрируется
в журнале регистрации
вводного инструктажа
и в личной карточке
поступающего
на работу, которая
хранится в
отделе кадров,
для лиц поступающих
на постоянную
работу. Лица,
поступающие
на временную
работу расписываются
в журнале регистрации
вводного инструктажа.
Первичный
инструктаж
на рабочем
месте проводится
руководителем
работ с показом
безопасных
приемов работы
по данной
специальности.
После обучения
работники
работают 2...14 смен
под наблюдением
мастера или
бригадира и
после этого
допускаются
к самостоятельной
работе. Инструктаж
регистрируется
в журнале регистрации
инструктажей.
Повторный
инструктаж
проводит руководитель
работ по охране
первичного
инструктажа
не реже, чем
через 6 месяцев,
а на опасных
работах через
3 месяца. Регистрируется
инструктаж
в журнале регистрации
инструктажей.
Внеплановый
инструктаж
проводит руководитель
работ при изменении
технологического
процесса,
оборудования,
при перерыве
в работе более
60 календарных
дней, после
несчастного
случая. Регистрируется
инструктаж
в журнале регистрации
инструктажей.
Целевой
инструктаж
проводится
руководителем
работ при выполнении
разовых работ,
требующих
оформление
наряда-допуска.
Регистрируется
инструктаж
в наряде-допуске.
9.1.3. Пожарная
безопасность.
За пожарную
безопасность
в Конном заводе
несут ответственность
директор, главные
специалисты,
инженер по
охране труда,
руководители
подразделений.
На вооружение
пожарно-сторожевой
службы имеются:
пожарные щиты,
огнетушители,
ящики с песком,
бочки с емкостями.
На территории
имеются естественный
водоем. В Конном
заводе организованы
добровольная
пожарная дружина
и пожарно-сторожевая
(ПСО), на вооружение
которых имеется
пожарная машина
на базе автомобиля
ЗИЛ-130.
9.1.4. Производственная
санитария на
участке.
На участке
расположения
обоечной машины
предусмотрено
искусственное
и естественное
освещение,
приточно-вытяжная
вентиляция,
обеспечивающая
оптимальные
параметры
микроклимата:
t...16...24 C, V...0.8 м/с,
относительная
влажность
40...60%. В цехе имеется
гардеробная,
раздевалка,
душевая. Работники
обеспечиваются
средствами
индивидуальной
защиты, спецодеждой.
В цехе есть
аптечка первой
помощи. Работники
конного завода
имеют базу
отдыха на Черном
море.
9.2. Инструкция
по охране труда
при работе на
усовершенствованной
обоечной машине.
9.2.1. Общие
требования
безопасности.
К работе на
обоечной машине
допускаются
лица не моложе
18 лет, не имеющие
медицинских
противопоказаний,
прошедшие
производственное
обучение, первичный
на рабочем
месте инструктаж
по технике
безопасности.
Все рабочие
в течение не
менее 2-х смен
выполняют
работу под
наблюдением
бригадира,
после чего
оформляется
их допуск к
самостоятельной
работе.
Необходимо
соблюдать
правила внутреннего
распорядка:
не допускать
присутствие
в рабочей зоне
посторонних
лиц, распитие
спиртных напитков
и курение, работа
в состоянии
алкогольного
или наркотического
опьянения, а
также работа
в болезненном
или утомленном
состоянии.
Рабочий должен
выполнять
только ту работу,
по которой
прошел инструктаж
и на которую
выдано задание,
не перепоручать
свою работу
другим лицам.
В случае
обнаружения
неисправности
машины, при
пожаре, аварии,
нарушении норм
безопасности
или травмировании
работника
прекратить
работу, немедленно
сообщить об
этом руководителю
работ, приступить
к устранению
опасности и
сообщить руководителю
работ.
Лица, нарушившие
требования
настоящей
инструкции,
несут ответственность
в порядке,
установленном
законодательством.
9.2.2.Требования
безопасности
перед работой.
Осмотреть
средства
индивидуальной
защиты, убедиться
в их исправности,
надеть так,
чтобы не было
свисающих
концов, волосы
заправить под
головной убор.
Включить
освещение и
вентиляцию
за 15 мин. до начала
работы.
Освободить
проходы от
посторонних
предметов,
сырья и отходов.
Проверить
надежность
крепления
машины, защитных
кожухов и заземления.
Убедиться
в наличии и
исправности
средств пожаротушения,
аптечки, средств
сигнализации.
9.2.3. Требования
безопасности
во время работы.
Запрещается
до полной остановки
машины открывать
люки, снимать
кожуха, производить
смазку и все
виды технического
обслуживания.
При остановки
машины на техническое
обслуживание
или ремонт на
рубильнике
или ее выключателе
вывешивается
плакат: Не включать
- работают люди.
Не оставлять
работающую
машину без
присмотра.
При каждой
остановке
машины удалять
пыль с нее,
оборудования.
Периодически
производить
влажную уборку
и проветривание
помещения,
воздух увлажнять,
восстанавливать
герметичность
воздуховодов.
При необходимости
остановить
машину, сначала
остановить
подачу продукта
закрытием
заслонки, а
затем убедившись,
что зерно перестало
поступать,
отключить
двигатель.
9.2.4. Требования
безопасности
в аварийной
ситуации.
При появлении
посторонних
шумов, запаха
гари, дыма, искрения
электрооборудования,
забивания
машины перерабатываемым
продуктом,
заглушить
двигатель.
Очистить с
помощью деревянной
или пластмассовой
палки машину
от зерна. Сообщить
мастеру о неполадках
в работе и приступить
к устранению
неисправностей.
В случае
травмирования
принять меры
по оказанию
первой помощи
пострадавшему.
9.2.5. Требования
безопасности
по окончанию
работы.
По завершению
работы остановить
машину, отключить
электропитание.
После остановки
очистить машину
от остатков
продукта, пыли;
осмотреть и
устранить
замеченные
недостатки.
Снять рабочую
одежду, принять
душ.
10. ТЕХНИКО-ЭКОНОМИЧЕСКОЕ
ОБОСНОВАНИЕ
ПРЕДЛАГАЕМОГО
ТЕХНИЧЕСКОГО
РЕШЕНИЯ
Имеющиеся
на мукомольном
заводе обоечные
машины позволяют
получить готовую
продукцию
(муку) более
высокого качества,
причем общий
выход продукции
увеличится
на 4%. В исходном
варианте общий
выход муки
составлял 68%,
в том числе
высшего сорта
26%, 1 сорта 42%.
Предлагаемая
модернизация
обоечной машины
позволяет
повысить выход
муки до 72%, из них
высший сорт
40%, 1 сорт 32%.
10.1.
Расчет капитальных
вложений.
Расчетную
балансовую
стоимость
машины, выпускаемую
промышленностью
можно рассчитать
по формуле:
БИСХ
= Ц0
К, (10.1)
где Б - балансовая
(расчетная)
стоимость
машины, руб
Ц0
- отпускная
цена машины
(по прейскуранту
торгующих
организаций),
руб.
К - коэффициент,
выражающий
средние затраты
на транспортировку,
монтаж машины
и торговые
наложения.Для
машин, требующих
монтаж К= 1,2.
БИСХ
= 22000
1,2 = 26400 руб.
Цену на вновь
создаваемую
(разрабатываемую)
машину можно
ориентировочно
определить
по сопоставимой
массе, когда
известна масса
эталона и
проектируемой
машины.
, (10.2)
где БПР,
БЭТ
- балансовая
стоимость новой
(проектируемой)
машины и машины
- эталона, руб.
GПР,
GЭТ
- масса
новой (проектируемой)
машины и машины
- эталона.

10.2. Расчет
эксплуатационных
затрат.
Размеры
эксплуатационных
затрат по каждой
из сравниваемых
машин определяются
по формуле:
ИЭ
= З + А + Р + Э + П , (10.3)
где З - затраты
на заработную
плату рабочих,
руб.
А- амортизационные
отчисления,
руб.
Р- отчисления
на ремонт и
техобслуживание
за машинами,
руб.
Э- затраты
на расходуемую
эл.энергию,
руб.
П- прочие
эксплуатационные
затраты, руб.
Рассчитаем
затраты на
заработную
плату рабочих,
занятых на
выполнение
механизированного
процесса по
формуле:
З = D
t
n
Л
Ст
, (10.4)
где D
- кол-во дней
работы машины
в году;
t -
сменная продолжительность
работы на выполнении
производ-ственного
процесса в
часах ;
n - число
смен в день:
Л - кол-во рабочих,
занятых на
выполнение
процесса, чел.
Ст
- часовая тарифная
ставка с дополнительными
начислениями
и отчислениями
на социальные
нужды (соц.
страхование,
мед. страхование,
фонд занятости,
пенсионный
фонд) по данным
предприятия,
руб.
ЗИСХ
= 290
8
1
3
2,79 = 19418,40 руб.
ЗИСХ
= ЗПР
= 19418,40 руб.
Амортизация
машины рассчитывается
по формуле:
, (10.5)
где Б - балансовая
стоимость
машины, руб.
На
- норма ежегодных
амортизационных
отчислений
в % от балансовой
стоимости.

Затраты на
ремонт и техническое
обслуживание
за машинами:
, (10.6)
где НР
- норма ежегодных
отчислений
на ремонт и
техническое
обслуживание,
% (по данным
предприятия)

Затраты на
расходуемую
электроэнергию
рассчитываются
по формуле:
Э = F2
ZЭ
, (10.7.)
где F2
- годовое потребление
эл.энергии,
кВт/ч
ZЭ
- стоимость
кВт/ч эл.энергии,
руб.
Годовой
расход электроэнергии
на технологические
нужды рассчитывается
по формуле:
, (10.8.)
где N
- потреляемая
мощность
установленного
оборудования,
кВт;
t -
продолжительность
смены, час;
n - число
смен работы
оборудования
в день;
D - число
дней работы
оборудования
в году;
К3
- коэффициент
загрузки
оборудования,
К3 = 0,85;
К0
- коэффициент
одновременности
работы оборудования,
К0
= 0,6..0,7;
КС
- коэффициент
учитывающий
потери сети,
КС =
0,96;
КПД
- коэффициент
полезного
действия
электродвигателя,
КПД
= 0,85..0,90.

Тогда:
ЭИСХ
= 8159,6
0,40 = 3263,84 руб.
ЭПР
= 7417,8
0,40 = 2967,12 руб.
Прочие
эксплуатационные
затраты планируются
в размере 3-5% от
суммы эксплуатационных
затрат.
Общая сумма
годовых эксплуатационных
затрат с учетом
прочих рассчитывается
по формуле:
ИЭ
= (З + А + Р + Э)
1,05 (10.9.)
 
Удельные
эксплуатационные
затраты определяются
по формуле:
, (10.10)
где W
- годовая
производительность
машины, ц.
Рассчитаем
необходимое
количество
сырья:

В денежном
выражении, с
учетом сортности
пшеницы производительность
годовая составит:
WИСХ
= 13920
0,26
6000 руб./т + 13920
0,42
5000 = 50947 тыс.руб.
WПР
= 13920
0,40
6000 + 13920
0,32
5000 = 55680 тыс.руб.

10.3.
Показатели
использования
труда и его
производительности.
Для экономической
оценки машин
принято брать
в расчет только
прямые затраты
труда, то есть
затраты труда
рабочих, занятых
непосредственно
на выполнении
механизированных
работ.
Трудоемкость
процесса на
единицу выполнения
работы рассчитывается
по формуле:
, (10.11)
где Т
- суммарные
затраты труда
рабочих, обслуживающих
машину за год,
чел.
Суммарные
затраты труда
рабочих, обслуживающих
машину определяются
по формуле:
Т = D
t
n
Л (10.12)
ТИСХ = ТПР
= 290 8
1 3 = 6960 чел.ч.

Экономия
труда (Эте)
на единицу
работы определяется
как разность
в затратах
труда по сравниваемым
машинам: в исходном
и проектируемом
вариантам.
(10.13)
Эте
= 0,74 – 0,69 = 0,05 чел.ч/т
Годовая
экономия труда,
зависит от
масштаба применения
сравниваемых
машин и определяется
по формуле:
Эт.год
= Эт.е
WПР
, (10.14)
где WПР
- годовая
производительность
машины в проектируемом
варианте, т.
Эт.год
= 0,05
10022,4 = 501,12 чел.ч
Степень
снижения затрат
труда ( ) определяется
по формуле:
(10.15)

Производительность
труда (ПТ)
на операции
исчисляется
по формуле:
(10.16)

Рост производительности
труда:
(10.17)

10.4. Определение
ожидаемого
экономического
эффекта от
применения
новых механизмов.
Экономическая
эффективность
применения
выражается
экономией
затрат, которые
определяются
путем сопоставления
эксплуатационных
издержек по
следующей
формуле. Так
как в данном
конкретном
случае получен
более высококачественный
продукт (мука),
против прежнего,
то добавляется
и экономия от
прибавки
дополнительного
продукта (Эд).
, (10.18)
где ИУД
- удельные
эксплуатационные
затраты, руб/т;
WПР
- годовой объем
работа в проектируемом
варианте, т;
Эд
- дополнительный
эффект от изменения
кол-ва и качества
муки, руб.
Эд
=55680 – 50947 = 4733 тыс. руб.
Эг
= (3,25-3,03)
10022,4 + 4733000 = 2204,93 + 4733000 = 4735205 руб.
Степень
снижения затрат
(СС)
определяется
по формуле:
, (10.19)

Определим
приведенные
затраты по
сравниваемым
вариантам:
ПЗ
= ИУД
+ КУД
ЕН
, (10.20)
где ПЗ
- приведенные
затраты по
каждому сравниваемому
варианту, руб/т;
КУД
- удельные
капиталовложения
по вариантам,
руб/т;
ЕН-
0,15 нормативный
коэффициент
окупаемости
капиталовло-жений.
Удельные
капиталовложения
определяются
по формуле:
, (10.21)
где К - балансовая
стоимость
оборудования,
руб.

Тогда:

Тогда годовой
экономический
эффект по приведенным
суммарным
затратам можно
определить
по формуле:
(10.22)

10.5. Расчет
материалоемкости
производственных
процессов.
Материалоемкость
определяется
как отношение
массы машин
к их годовой
производительности:
, (10.23)
где GM
- масса машин,
кг

Степень
снижения
материалоемкости
(СМ)
определяется
по формуле:
(10.24)

10.6. Расчет
энергоемкости
производственных
процессов.
Энергоемкость
определяется
как отношение
затраченной
энергии в единицу
времени (Зп
год) на объем
произведенной
продукции за
соответ-ствующий
период времени:
, (10.25)

Степень
снижения
энергоемкости
(CF)
определяется
по формуле:
(10.26)

| Наименование
показателей |
Значение
показателей
по
вариантам |
| Исходный |
Проектируемый |
| Годовой
объем работ,
т |
9465,6 |
10022,4 |
| Затраты
труда, чел/т |
0,74 |
0,69 |
| Эксплуатационные
зат-ты, руб.т |
3,25 |
3,03 |
| Приведенные
затраты, руб.т |
2,67 |
3,42 |
| Стоим-ть
доп. Продукции,
руб. |
- |
4733000 |
| Годовая
экономия
эксплуатационных
затрат, руб. |
- |
2204,93 |
| Капиталовложения,
руб. |
26400 |
26012 |
| Материалоемкость
операции, кг/т |
0,072 |
0,069 |
| Энергоемкость
операции, кВт-ч/ц |
0,86 |
0,74 |
11. ЭКОЛОГИЯ
Каждое предприятие,
занимающееся
производством
какого либо
продукта, должно
обеспечивать
безопасность
окружающей
среды. В процессе
переработки
зерновых культур
образуются
отходящие газы,
содержащие
пыль и токсичные
газы с не приятным
запахом. Запыленность
отходящих газов
при переработке
зерновых культур
может достигать
от 2 до 3 гр/м3.
Присутствие
запахов в воздушных
выбросах предприятий
оказывают
раздражающие
влияния на
человека при
длительном
воздействии
и вызывает
жалобы населения.
Источниками
загрязнения
окружающей
среды на нашем
предприятии
являются следующие:
Насосы и
двигатели,
которые поглощают
кислород и
выделяют углекислый
газ, вредные
токсичные
вещества и
пыль в атмосферный
воздух.
В состав
выбросов в
атмосферу от
элеваторов
входят: сероводород
(5мг/м3), диоксид
серы, окиси
азота, аммиак,
сложные эфиры
(125...325 мг/м3).
Шумы и вибрации
воздействуют
на работников
предприятия,
повышая их
утомленность
и понижая их
работоспособность.
Сточные воды
содержат
хозяйственно-бытовые
и производственные
загрязнения,
которые попадают
в канализационную
сеть.
Для снижения
вибрации на
заводе тщательно
рассчитывают
и проектируют
фундаменты
к машинам и
оборудованию.
Для снижения
шума начинают
внедрять
фильтры-глушители,
которые также
уменьшают
содержание
вредных примесей
в выхлопных
отработанных
газах. Внедрение
этого механизма
позволит снизить
шумы, уменьшить
загрязнения
окружающей
среды и заболеваемость
работающих.
13. ЛИТЕРАТУРА
Демский А.Б.
и др. Справочник
по оборудованию
зерноперерабатывающих
предприятий.
М.”Колос”, 1970, 432
с.
Демский А.Б.
и др. Оборудование
для производства
муки и крупы.
М. Агропромиздат,
1990.
Соколов А.Я
и др. Технологическое
оборудование
предприятий
по хранению
и переработки
зерна. М. “Колос”
, 1984.
Соколов А.Я.
и др. Основы
расчета и
конструирования
машин и автоматов
пищевых производств.
М. Машиностроение,
1969.
Трисвятский
Н.А. и др. Хранение
и технология
сельскохозяйственных
продуктов. М.
Агропромиздат,
1991.
Егоров Г.А.
Технология
муки, крупы и
комбикормов.
М. “Колос”, 1984,
376 с.
Егоров Г.А.
Технология
и оборудование
мукомольно-крупяного
и комбикормового
производства.
М. “Колос”, 1979,
368 с.
Демский А.Б.
и др. Комплексное
оборудование
мукомольных
заводов. М.
Агропромиздат,
1985, 216 с.
Цециновский
В.Н., Птушкин
Г.Е. Технологическое
оборудование
зерноперерабатывающих
предприятий.
М. “Колос”, 1976,
368 с.
Мерко И.Т.
Технология
мукомольного
и крупяного
производства.
М. Агропромиздат,
1985, 288 с.
Гаметский
Р.Р. Оборудование
зерноперерабатывающих
предприятий.
М. Агропромиздат,
1990, 271 с.
Романов А.И.,
Тихомиров Е.П.
Практикум по
оборудованию
предприятий
по хранению
и переработке
зерна. М. “Колос”,
1981, 145 с. - 10 шт.
Гамецкий
Р.Р., Рудай Т.З.
Оборудование
зерноперерабатывающих
предприятий.
М. “Колос”, 1978 -
10 шт.
Конарев Ф.М.,
Пережогин Н.В
и др. Охрана
труда. Агропромиздат,
1988.
Бутковский
В.А. Мукомольное
производство.
М. “Колос”, 1993 .
Егоров Т.А.
Малая мельница,
устройство,
технология,
качество муки.
Практическое
руководство.
М., 1998.
12. ЗАКЛЮЧЕНИЕ
В данном
дипломном
проекте на
основании
обзора литературных
источников
предложена
усовершенствованная
технология
переработки
зерна в муку.
Конструктивные
изменения
внесенные в
устройство
обоечной машины
позволили
повысить качество
очистки зерна.
Работоспособность
предложенной
конструкции
машины подвержена
инженерными
расчетами.
Разработаны
мероприятия
по охране труда
и технике
безопасности
на мукомольном
предприятии.
Экономический
расчет подтверждает
эффективность
использования
предложенного
оборудования
и усовершенствованной
технологии
переработки
зерна в муку.
П Р И Л О Ж Е
Н И Е
01.03.008.00.00.000ПЗ
|